AeroElectric-List Digest Archive

Sat 12/28/13


Total Messages Posted: 22



Today's Message Index:
----------------------
 
     1. 07:24 AM - Illuminated rocker switch (Carlos Trigo)
     2. 07:55 AM - Re: Illuminated rocker switch (Robert L. Nuckolls, III)
     3. 08:08 AM - Re: Illuminated rocker switch (Bill Putney)
     4. 08:12 AM - Re: Illuminated rocker switch (Carlos Trigo)
     5. 08:36 AM - Re: Illuminated rocker switch (Bob McCallum)
     6. 08:37 AM - Re: Illuminated rocker switch (Carlos Trigo)
     7. 08:44 AM - Re: Illuminated rocker switch (racerjerry)
     8. 09:00 AM - Re: Re: Illuminated rocker switch (Carlos Trigo)
     9. 09:41 AM - Re: Illuminated rocker switch (racerjerry)
    10. 09:48 AM - Re: Re: Illuminated rocker switch (Bob McCallum)
    11. 10:09 AM - Re: Illuminated rocker switch (Robert L. Nuckolls, III)
    12. 10:17 AM - Re: Re: Illuminated rocker switch (Bob McCallum)
    13. 10:18 AM - Re: Re: Illuminated rocker switch (Bill Watson)
    14. 11:27 AM - FS:Apple iPad Air Wi-Fi 128GB.$410.00 (8U8U8U)
    15. 12:59 PM - Source for Relay =?ISO-8859-1?Q?=93?= DPDT (On) Off (On) ? (Valin)
    16. 01:57 PM - Re: Source for Relay =?iso-8859-1?Q?=93?= DPDT (On) Off (On) ? (Ron Quillin)
    17. 02:24 PM - =?UTF-8?Q?Re:__Source_fo?= 	=?UTF-8?Q?r_Relay_=C3=A2=82=AC=9C_DPDT_=28On=29_Off_=28On=29_=3F? (Bob McCallum)
    18. 02:33 PM - =?windows-1252?Q?Re=3A_AeroElectric=2DList=3A_Source_for_Relay_=93_DPD?= 	=?windows-1252?Q?T_=28On=29_Off_=28On=29_=3F? (Joe Motis)
    19. 04:57 PM - Re: Illuminated rocker switch (Carlos Trigo)
    20. 07:26 PM - Re: Source for Relay =?ISO-8859-1?Q?=93?= DPDT (On) Off (On) ? (nuckollsr)
    21. 09:36 PM - Re: Source for Relay =?ISO-8859-1?Q?=93?= DPDT (On) Off (On) ? (Valin)
    22. 09:50 PM - Problem Creating AeroElectric Forum Postings (Valin)
 
 
 


Message 1


  • INDEX
  • Back to Main INDEX
  • NEXT
  • Skip to NEXT Message
  • LIST
  • Reply to LIST Regarding this Message
  • SENDER
  • Reply to SENDER Regarding this Message
    Time: 07:24:15 AM PST US
    From: "Carlos Trigo" <trigo@mail.telepac.pt>
    Subject: Illuminated rocker switch
    I bought these Honeywell illuminated rocker switches which are DPST switches, ref. # AML34 FBA4AC01, and look like this from behind The 4 inclinated lugs are obviously the source and load for each pole, but I'm having trouble to find out how to connect the upper lugs, i.e, how does the illumination lamp circuit works. I suppose I'm having a brain freeze here. Since they didn't come with any schematic drawing, and I couldn't find it online, can somebody please tell me (or send a hand draw) how does the lamp circuit works? Thanks Carlos


    Message 2


  • INDEX
  • Back to Main INDEX
  • PREVIOUS
  • Skip to PREVIOUS Message
  • NEXT
  • Skip to NEXT Message
  • LIST
  • Reply to LIST Regarding this Message
  • SENDER
  • Reply to SENDER Regarding this Message
    Time: 07:55:31 AM PST US
    From: "Robert L. Nuckolls, III" <nuckolls.bob@aeroelectric.com>
    Subject: Re: Illuminated rocker switch
    > >The 4 inclinated lugs are obviously the source >and load for each pole, but Im having trouble >to find out how to connect the upper lugs, i.e, >how does the illumination lamp circuit works. >I suppose Im having a brain freeze here >Since they didnt come with any schematic >drawing, and I couldnt find it online, can >somebody please tell me (or send a hand draw) how does the lamp circuit works? See http://tinyurl.com/mxhhc4c You'll find two AML documents there that will probably cover your questions. Bob . . .


    Message 3


  • INDEX
  • Back to Main INDEX
  • PREVIOUS
  • Skip to PREVIOUS Message
  • NEXT
  • Skip to NEXT Message
  • LIST
  • Reply to LIST Regarding this Message
  • SENDER
  • Reply to SENDER Regarding this Message
    Time: 08:08:17 AM PST US
    From: Bill Putney <billp@wwpc.com>
    Subject: Re: Illuminated rocker switch
    From the Digikey web site... - Bill On 12/28/13, 7:22 AM, Carlos Trigo wrote: > AML34 FBA4AC01


    Message 4


  • INDEX
  • Back to Main INDEX
  • PREVIOUS
  • Skip to PREVIOUS Message
  • NEXT
  • Skip to NEXT Message
  • LIST
  • Reply to LIST Regarding this Message
  • SENDER
  • Reply to SENDER Regarding this Message
    Time: 08:12:19 AM PST US
    From: "Carlos Trigo" <trigo@mail.telepac.pt>
    Subject: Illuminated rocker switch
    Bob Thank you for your quick answer. I already had grabed those 2 documents over the internet, and in none of them I was able to conclude how does the lamp circuit works, and how shall I wire these critters to get them illuminated=85 Could you draw a simple hand sketch? Carlos -----Original Message----- From: owner-aeroelectric-list-server@matronics.com [mailto:owner-aeroelectric-list-server@matronics.com] On Behalf Of Robert L. Nuckolls, III Sent: s=E1bado, 28 de Dezembro de 2013 15:55 Subject: Re: AeroElectric-List: Illuminated rocker switch --> < <mailto:nuckolls.bob@aeroelectric.com> nuckolls.bob@aeroelectric.com> > >The 4 inclinated lugs are obviously the source and load for each pole, >but I=92m having trouble to find out how to connect the upper lugs, i.e, >how does the illumination lamp circuit works. >I suppose I=92m having a brain freeze here=85 Since they didn=92t come with >any schematic drawing, and I couldn=92t find it online, can somebody >please tell me (or send a hand draw) how does the lamp circuit works? See <http://tinyurl.com/mxhhc4c> http://tinyurl.com/mxhhc4c You'll find two AML documents there that will probably cover your questions. Bob . . . www.aeroelectric.com www.buildersbooks.com www.homebuilthelp.com www.mypilotstore.com http://www.matronics.com/contribution List 7-Day http://www.matronics.com/Navigator?AeroElectric-List


    Message 5


  • INDEX
  • Back to Main INDEX
  • PREVIOUS
  • Skip to PREVIOUS Message
  • NEXT
  • Skip to NEXT Message
  • LIST
  • Reply to LIST Regarding this Message
  • SENDER
  • Reply to SENDER Regarding this Message
    Time: 08:36:19 AM PST US
    From: Bob McCallum <robert.mccallum2@sympatico.ca>
    Subject: Illuminated rocker switch
    Carlos; The two parallel terminals are the two ends of the lamp. Simply apply the correct voltage for the lamps you've ordered and "bingo", light. If you've ordered 12VDC lamps, one terminal should be grounded (-12VDC), the other +12VDC Bob McC _____ From: owner-aeroelectric-list-server@matronics.com [mailto:owner-aeroelectric-list-server@matronics.com] On Behalf Of Carlos Trigo Sent: Saturday, December 28, 2013 10:22 AM Subject: AeroElectric-List: Illuminated rocker switch I bought these Honeywell illuminated rocker switches which are DPST switches, ref. # AML34 FBA4AC01, and look like this from behind The 4 inclinated lugs are obviously the source and load for each pole, but I'm having trouble to find out how to connect the upper lugs, i.e, how does the illumination lamp circuit works. I suppose I'm having a brain freeze here. Since they didn't come with any schematic drawing, and I couldn't find it online, can somebody please tell me (or send a hand draw) how does the lamp circuit works? Thanks Carlos


    Message 6


  • INDEX
  • Back to Main INDEX
  • PREVIOUS
  • Skip to PREVIOUS Message
  • NEXT
  • Skip to NEXT Message
  • LIST
  • Reply to LIST Regarding this Message
  • SENDER
  • Reply to SENDER Regarding this Message
    Time: 08:37:22 AM PST US
    From: "Carlos Trigo" <trigo@mail.telepac.pt>
    Subject: Illuminated rocker switch
    Thanks Bill But those are the same documents that Bob has pointed out, the first is only a drawing with physical dimensions of the switches, and from the other one I am not able to understand how the lamp circuit works.. Carlos From: owner-aeroelectric-list-server@matronics.com [mailto:owner-aeroelectric-list-server@matronics.com] On Behalf Of Bill Putney Sent: s=E1bado, 28 de Dezembro de 2013 16:07 Subject: Re: AeroElectric-List: Illuminated rocker switch >From the Digikey web site... - Bill On 12/28/13, 7:22 AM, Carlos Trigo wrote: AML34 FBA4AC01


    Message 7


  • INDEX
  • Back to Main INDEX
  • PREVIOUS
  • Skip to PREVIOUS Message
  • NEXT
  • Skip to NEXT Message
  • LIST
  • Reply to LIST Regarding this Message
  • SENDER
  • Reply to SENDER Regarding this Message
    Time: 08:44:11 AM PST US
    Subject: Re: Illuminated rocker switch
    From: "racerjerry" <gki@suffolk.lib.ny.us>
    Hi Carlos, It would be helpful if you would provide any markings shown on the switch housing / packaging. At the bottom of the download document aml_30.pdf, on page 4, it shows connections for the internal light. On many switches, the lamp circuit is independent of the switch circuit. I am guessing that you have an isolated lamp circuit and that the two straight terminals are for the internal light. Hope that this helps. Have a great new year. Jerry King -------- Jerry King Read this topic online here: http://forums.matronics.com/viewtopic.php?p=416277#416277


    Message 8


  • INDEX
  • Back to Main INDEX
  • PREVIOUS
  • Skip to PREVIOUS Message
  • NEXT
  • Skip to NEXT Message
  • LIST
  • Reply to LIST Regarding this Message
  • SENDER
  • Reply to SENDER Regarding this Message
    Time: 09:00:12 AM PST US
    From: "Carlos Trigo" <trigo@mail.telepac.pt>
    Subject: Re: Illuminated rocker switch
    Jerry In that case, the switch light is not commanded by the switch itself, isn't it? So, if I want the lamp to illuminate when I turn On the switch, I'll have to wire that externally. Am I correct? Carlos -----Original Message----- From: owner-aeroelectric-list-server@matronics.com [mailto:owner-aeroelectric-list-server@matronics.com] On Behalf Of racerjerry Sent: sbado, 28 de Dezembro de 2013 16:44 Subject: AeroElectric-List: Re: Illuminated rocker switch --> <gki@suffolk.lib.ny.us> Hi Carlos, It would be helpful if you would provide any markings shown on the switch housing / packaging. At the bottom of the download document aml_30.pdf, on page 4, it shows connections for the internal light. On many switches, the lamp circuit is independent of the switch circuit. I am guessing that you have an isolated lamp circuit and that the two straight terminals are for the internal light. Hope that this helps. Have a great new year. Jerry King -------- Jerry King Read this topic online here: http://forums.matronics.com/viewtopic.php?p=416277#416277


    Message 9


  • INDEX
  • Back to Main INDEX
  • PREVIOUS
  • Skip to PREVIOUS Message
  • NEXT
  • Skip to NEXT Message
  • LIST
  • Reply to LIST Regarding this Message
  • SENDER
  • Reply to SENDER Regarding this Message
    Time: 09:41:30 AM PST US
    Subject: Re: Illuminated rocker switch
    From: "racerjerry" <gki@suffolk.lib.ny.us>
    YES and YES BUT Oops again I re-read your post & p 4 and see your switch AML34 FBA4AC01 is a: AML 34 F > Rectangular 1 lamp circuit B > Black A > No lamp installed 4 > .187 x .020 (Solder of Quick-Connect) terminal AC > 2-Pole 01 > maintained ON and OFF I find the second A intriguing, as it hints that NO incandescent lamp was installed?? Honeywell MAY be using the same body on multiple switches and your switch MAY have lighting terminals, but no light installed. Try a resistance measurement between the two straight terminals. An incandescent light should give a relatively low resistance reading. Jerry King -------- Jerry King Read this topic online here: http://forums.matronics.com/viewtopic.php?p=416280#416280


    Message 10


  • INDEX
  • Back to Main INDEX
  • PREVIOUS
  • Skip to PREVIOUS Message
  • NEXT
  • Skip to NEXT Message
  • LIST
  • Reply to LIST Regarding this Message
  • SENDER
  • Reply to SENDER Regarding this Message
    Time: 09:48:52 AM PST US
    From: Bob McCallum <robert.mccallum2@sympatico.ca>
    Subject: Re: Illuminated rocker switch
    Carlos; Correct Bob McC > -----Original Message----- > From: owner-aeroelectric-list-server@matronics.com [mailto:owner-aeroelectric-list- > server@matronics.com] On Behalf Of Carlos Trigo > Sent: Saturday, December 28, 2013 11:59 AM > To: aeroelectric-list@matronics.com > Subject: RE: AeroElectric-List: Re: Illuminated rocker switch > <trigo@mail.telepac.pt> > > Jerry > > In that case, the switch light is not commanded by the switch itself, isn't > it? > So, if I want the lamp to illuminate when I turn On the switch, I'll have to > wire that externally. Am I correct? > > Carlos > > > -----Original Message----- > From: owner-aeroelectric-list-server@matronics.com > [mailto:owner-aeroelectric-list-server@matronics.com] On Behalf Of > racerjerry > Sent: sbado, 28 de Dezembro de 2013 16:44 > To: aeroelectric-list@matronics.com > Subject: AeroElectric-List: Re: Illuminated rocker switch > > --> <gki@suffolk.lib.ny.us> > > Hi Carlos, > It would be helpful if you would provide any markings shown on the switch > housing / packaging. > > At the bottom of the download document aml_30.pdf, on page 4, it shows > connections for the internal light. On many switches, the lamp circuit is > independent of the switch circuit. I am guessing that you have an isolated > lamp circuit and that the two straight terminals are for the internal light. > > Hope that this helps. Have a great new year. > > Jerry King > > -------- > Jerry King > > > > > Read this topic online here: > > http://forums.matronics.com/viewtopic.php?p=416277#416277 > > > > > > > > > > > > > _- > ===================================================== > ===== > _- > ===================================================== > ===== > _- > ===================================================== > ===== > _- > ===================================================== > ===== > >


    Message 11


  • INDEX
  • Back to Main INDEX
  • PREVIOUS
  • Skip to PREVIOUS Message
  • NEXT
  • Skip to NEXT Message
  • LIST
  • Reply to LIST Regarding this Message
  • SENDER
  • Reply to SENDER Regarding this Message
    Time: 10:09:15 AM PST US
    From: "Robert L. Nuckolls, III" <nuckolls.bob@aeroelectric.com>
    Subject: Illuminated rocker switch
    At 10:11 AM 12/28/2013, you wrote: >Bob >Thank you for your quick answer. > >I already had grabed those 2 documents over the >internet, and in none of them I was able to >conclude how does the lamp circuit works, and >how shall I wire these critters to get them illuminated=85 > >Could you draw a simple hand sketch? > According to the number you cited, the switches you have are black, rectangular devices with one lamp circuit, no lamp installed, with .187 fast-on terminals and two Form A contacts (two poles). Emacs! I presume you have #73 or #85 lamps to install Emacs! The schematic for these switches Emacs! Shows the two poles on terminals 11/12 and 21/22 with the lamp isolated on the other two terminals. The elsewhere in the literature I found this rear view of the termina arrangement Emacs! If you look at the back of your switches, you'll probably find numbers molded into the housings. You probably only need one of the two poles to switch a load so you can use either the 11/12 or 21/22 path for this task. I presume that you're going to power all the lights from a dimmer so one of the two lamp terminals would be tied to ground . . . the other to your dimmer output. For side-by-side switches, you can daisy-chain jumpers across the row of switches to parallel all the lamps and take single conductors to ground and dimmer. . . . sorta like this. Emacs! Bob . . .


    Message 12


  • INDEX
  • Back to Main INDEX
  • PREVIOUS
  • Skip to PREVIOUS Message
  • NEXT
  • Skip to NEXT Message
  • LIST
  • Reply to LIST Regarding this Message
  • SENDER
  • Reply to SENDER Regarding this Message
    Time: 10:17:15 AM PST US
    From: Bob McCallum <robert.mccallum2@sympatico.ca>
    Subject: Re: Illuminated rocker switch
    Carlos; Referring to the document AML30.pdf and analyzing the part number you have provided shows that you bought the switch without a lamp installed indicated by the "A" in the centre of the part number. You did buy the appropriate lamp to install in this switch according to the voltage you require didn't you? If you wished it to come with a 12V lamp already installed the central "A" should have been a "C" AML34 ORDER GUIDE AML34 accepts one incandescent lamp which can be furnished installed or ordered separately. AML34 F B A 4 AC 01 has no lamp installed AML34 F B C 4 AC 01 has a 12V lamp installed. For 28 volt it would be an "E" Bob McC


    Message 13


  • INDEX
  • Back to Main INDEX
  • PREVIOUS
  • Skip to PREVIOUS Message
  • NEXT
  • Skip to NEXT Message
  • LIST
  • Reply to LIST Regarding this Message
  • SENDER
  • Reply to SENDER Regarding this Message
    Time: 10:18:31 AM PST US
    From: Bill Watson <Mauledriver@nc.rr.com>
    Subject: Re: Illuminated rocker switch
    In AML 24, 34 and 26 (you probably have AML24) any light circuits are independent of the switch circuits. Looking at the spec sheet, they only show the diagram for the various switched poles. You just hook up the lights directly to power and ground and possibly a dimmer. I don't think I ever saw a diagram showing the light circuit. The AML36 series has versions where the lamp circuit is integral to switch circuit. I'm unfamiliar with those. I used a number AML 24 and 34 switches, all with independent lamp circuits. I had no desire to have the light do anything other than light up the switch label for night ops. My switches were spec'd for incandescent lamps, however I replaced them with LED lamps with integral resistors sourced from one of the panel shops. They are also dimmed with units from Perihelion. If you need indicator lamps, the AML41 indicators are a nice complement. The dimming is critical. A bank of these switches and/or indicators will blind you at night. At the same time, they are very nice at night when properly dimmed. Re the indicators, I did not dim the 'warning' and 'fault' indicators, i.e. Oil Press, Low Voltage, Master Warn, Door Open, because they should be seen no matter how the dimmer is set. I did dim the 'status' indicators, i.e. Buss Crossfeed and Boost Pump, because I didn't want to be blinded when those indicators are on for extended periods. Here is a page showing some switch wiring - note that none of the switch terminals are connected, only the light circuits are wired. http://www.mykitlog.com/users/display_log.php?user=MauleDriver&project=224&category=5253&log=122434&row=2 Here a page showing the switches and indicator lights on the panel (while under construction) http://www.mykitlog.com/users/display_log.php?user=MauleDriver&project=224&category=5253&log=91400&row=6 On 12/28/2013 11:59 AM, Carlos Trigo wrote: > > Jerry > > In that case, the switch light is not commanded by the switch itself, isn't > it? > So, if I want the lamp to illuminate when I turn On the switch, I'll have to > wire that externally. Am I correct? > > Carlos > > > -----Original Message----- > From: owner-aeroelectric-list-server@matronics.com > [mailto:owner-aeroelectric-list-server@matronics.com] On Behalf Of > racerjerry > Sent: sbado, 28 de Dezembro de 2013 16:44 > To: aeroelectric-list@matronics.com > Subject: AeroElectric-List: Re: Illuminated rocker switch > > --> <gki@suffolk.lib.ny.us> > > Hi Carlos, > It would be helpful if you would provide any markings shown on the switch > housing / packaging. > > At the bottom of the download document aml_30.pdf, on page 4, it shows > connections for the internal light. On many switches, the lamp circuit is > independent of the switch circuit. I am guessing that you have an isolated > lamp circuit and that the two straight terminals are for the internal light. > > Hope that this helps. Have a great new year. > > Jerry King >


    Message 14


  • INDEX
  • Back to Main INDEX
  • PREVIOUS
  • Skip to PREVIOUS Message
  • NEXT
  • Skip to NEXT Message
  • LIST
  • Reply to LIST Regarding this Message
  • SENDER
  • Reply to SENDER Regarding this Message
    Time: 11:27:52 AM PST US
    Subject: FS:Apple iPad Air Wi-Fi 128GB.$410.00
    From: "8U8U8U" <phppp@yahoo.com>
    Number 1 authorize wholesaler / reseller so our price can not be the same as the retail price.Most retailers do get there order from us and resell, But we get all our products directly from there various respective manufacturer in bulk, and that is why we offer them for those prices. We offer wholesales for Brand New Latest Apple Products such as iPhone 4, iphone 4S & iPad2. All products are from Apple company, 100% original and official unlocked, with the original sealed new box and all the accessories, come with Apple manufacturers 12 month guarantee. WE DEAL ON OTHER BRANDS OF MOBILE PHONES TOO FOR MORE PRODUCTS VISIT OUR OFFICIAL WEBSITE (WWW.MOZAKDELIGHTS.COM) Contact Name : Phillip Mecow Send Enquiry to : mozak.ph@gmail.com Website: (WWW.MOZAKDELIGHTS.COM) NOTE : Price is Negotiable and also we are running promo right now. CHECK OUT ITEMS WE STOCK ON SALES : --- Brand new Apple iPhone 5S 16GB Black/White :... $400usd Brand new Apple iPhone 5S 32GB Black/White :... $430usd Brand new Apple iPhone 5S 64GB Black/White :... $450usd Brand new Apple iPhone 5C 16GB Black/White :... $350usd Brand new Apple iPhone 5C 32GB Black/White :... $380usd Apple iPhone 5 64GB ----- $300.00 Apple iPhone 5 32GB ----- $290.00 Apple iPhone 5 16GB ------ $280.00 Send Enquiry to : ph.mozak@yahoo.com Apple iPads: Apple iPad Air Wi-Fi 128GB..................................$410.00 Apple iPad mini 2 Wi-Fi + Cellular 128GB .........$400.00 Apple iPad 4 Wi-Fi + 4G 64GB...............$390.00 Apple iPad 4 Wi-Fi + 4G 32GB...............$360.00 Apple iPad 4 Wi-Fi + 4G 16GB...............$340.00 Apple iPad mini Wi-Fi + Cellular............$310.00 Blackberry Z30 white and black $360 Blackberry Z10 white and black $345 Blackberry Q10 White and Black $320 Blackberry Q5 White and Black $290usd Sony PlayStation 4 - 500 GB Jet Black Console...$350.00 Samsung: Samsung Galaxy Note 3..................$350.00 Samsung Galaxy S4 zoom...............$330.00 Samsung Galaxy Mega 6.3 I9200.....$330.00 Samsung I9502 Galaxy S4..................$320.00 Samsung Galaxy S4 CDMA................$320.00 Samsung I9500 Galaxy S 4.................$320.00 PlayStation 4 Knack Bundle PS490003 Two Dualshock4 Controllers Price.......$368 PlayStation 4 Killzone Bundle PS490001 Two Dualshock4 Controllers Price.......$421 PlayStation 4 System One Dualshock4 Controllers Price.......$316 Others :: Leica S-Adapter for Hasselblad H-System Lenses Leica | 50mm f/0.95 Noctilux M Aspherical Manual Focus Lens Leica S - Type 006 - Digital Medium Format Slr Camera Body Miller 903471 XMT 304 CC/CV 208-230/460 W/Auto-Link.....$1,700 Canon EOS 5D Mark II .... $700 HP ENVY 14 Beats edition series...... $999.99 Bose Lifestyle 235 Home Entertainment System ........... $1,599 Bose Lifestyle V25 Home Entertainment System ........... $1,610 Apple MacBook Air - Core 2 Duo 2.13 GHz - 13.3 ------ 400.00 Email us At: ph.mozak@yahoo.com Shipping way: DHL, TNT, UPS, EMS, FedEx (delivery to any given address worldwide) DELIVERY TIME Within UK,USA & CANADA 2-3 days OTHER EU,MIDDLE EAST & ASIA COUNTRIES 3-4 days Drop shipping is available, we can drop ship individual orders directly to your clients. Contact Name : Phillip Mecow Send Enquiry to : mozak.ph@gmail.caom Website: (WWW.MOZAKDELIGHTS.COM) Read this topic online here: http://forums.matronics.com/viewtopic.php?p=416290#416290


    Message 15


  • INDEX
  • Back to Main INDEX
  • PREVIOUS
  • Skip to PREVIOUS Message
  • NEXT
  • Skip to NEXT Message
  • LIST
  • Reply to LIST Regarding this Message
  • SENDER
  • Reply to SENDER Regarding this Message
    Time: 12:59:35 PM PST US
    Subject: Source for Relay =?ISO-8859-1?Q?=93?= DPDT (On) Off
    (On) ?
    From: "Valin" <thorn@starflight.aero>
    Hey gang, Can anyone help me find a source for this type relay DPDT (On) Off (On), 28 VDC, Max 15 Amps? Online I can find plenty of DPDT relays but not with the (On) Off (On) throw Im trying to make the VPXs flap controls circuit/logic work with the Lancair Legacys flap circuitry that provides motor braking at the limits by grounding both sides of the motor. Thanks, Valin Thorn Lancair Legacy Project Boulder, Colorado Read this topic online here: http://forums.matronics.com/viewtopic.php?p=416291#416291


    Message 16


  • INDEX
  • Back to Main INDEX
  • PREVIOUS
  • Skip to PREVIOUS Message
  • NEXT
  • Skip to NEXT Message
  • LIST
  • Reply to LIST Regarding this Message
  • SENDER
  • Reply to SENDER Regarding this Message
    Time: 01:57:57 PM PST US
    From: Ron Quillin <rjquillin@cox.net>
    Subject: Re: Source for Relay =?iso-8859-1?Q?=93?= DPDT (On)
    Off (On) ? Unlikely you'll find what you describe. Have you considered and dismissed the use of two DPDT relays? At 12:58 12/28/2013, you wrote: > >Hey gang, > >Can anyone help me find a source for this type >relay =93 DPDT (On) Off (On), 28 VDC, Max 15 >Amps? Online I can find plenty of DPDT relays >but not with the (On) Off (On) throw > >I=99m trying to make the VPX=99s flap controls >circuit/logic work with the Lancair Legacy=99s >flap circuitry that provides motor braking at >the limits by grounding both sides of the motor. > >Thanks, > >Valin Thorn >Lancair Legacy Project >Boulder, Colorado > > >Read this topic online here: > >http://forums.matronics.com/viewtopic.php?p=416291#416291 > >


    Message 17


  • INDEX
  • Back to Main INDEX
  • PREVIOUS
  • Skip to PREVIOUS Message
  • NEXT
  • Skip to NEXT Message
  • LIST
  • Reply to LIST Regarding this Message
  • SENDER
  • Reply to SENDER Regarding this Message
    Time: 02:24:42 PM PST US
    From: Bob McCallum <robert.mccallum2@sympatico.ca>
    Subject: RE:_AeroElectric-List:_Source_fo?= =?UTF-8?Q?r_Relay_=C3=A2=82=AC=9C_DPDT_=28On=29_Off_=28On=29_=3F?
    Valin; The functionality you're describing would normally incorporate two DPDT relays and would unlikely be found in a single relay package. Bob McC > -----Original Message----- > From: owner-aeroelectric-list-server@matronics.com [mailto:owner-aeroelectric-list- > server@matronics.com] On Behalf Of Valin > Sent: Saturday, December 28, 2013 3:58 PM > To: aeroelectric-list@matronics.com > Subject: AeroElectric-List: Source for Relay DPDT (On) Off (On) ? > > > Hey gang, > > Can anyone help me find a source for this type relay DPDT (On) Off (On), 28 VDC, > Max 15 Amps? Online I can find plenty of DPDT relays but not with the (On) Off (On) > throw > > Im trying to make the VPXs flap controls circuit/logic work with the Lancair > Legacys flap circuitry that provides motor braking at the limits by grounding both > sides of the motor. > > Thanks, > > Valin Thorn > Lancair Legacy Project > Boulder, Colorado > > > > > Read this topic online here: > > http://forums.matronics.com/viewtopic.php?p=416291#416291 > > > > > > > > _- > ===================================================== > ===== > _- > ===================================================== > ===== > _- > ===================================================== > ===== > _- > ===================================================== > ===== > >


    Message 18


  • INDEX
  • Back to Main INDEX
  • PREVIOUS
  • Skip to PREVIOUS Message
  • NEXT
  • Skip to NEXT Message
  • LIST
  • Reply to LIST Regarding this Message
  • SENDER
  • Reply to SENDER Regarding this Message
    Time: 02:33:25 PM PST US
    Subject: =?windows-1252?Q?Re=3A_AeroElectric=2DList=3A_Source_for_Relay_=93_DPD?=
    =?windows-1252?Q?T_=28On=29_Off_=28On=29_=3F?
    From: Joe Motis <joemotis@gmail.com>
    http://www.eaton.com/ecm/groups/public/@pub/@eaton/@aero/documents/content/ pct_228168.pdf Joe On Sat, Dec 28, 2013 at 12:58 PM, Valin <thorn@starflight.aero> wrote: > > Hey gang, > > Can anyone help me find a source for this type relay ' DPDT (On) Off (O n), > 28 VDC, Max 15 Amps? Online I can find plenty of DPDT relays but not wit h > the (On) Off (On) throw=85 > > I=92m trying to make the VPX=92s flap controls circuit/logic work with th e > Lancair Legacy=92s flap circuitry that provides motor braking at the limi ts > by grounding both sides of the motor. > > Thanks, > > Valin Thorn > Lancair Legacy Project > Boulder, Colorado > > > Read this topic online here: > > http://forums.matronics.com/viewtopic.php?p=416291#416291 > > =========== =========== =========== =========== > >


    Message 19


  • INDEX
  • Back to Main INDEX
  • PREVIOUS
  • Skip to PREVIOUS Message
  • NEXT
  • Skip to NEXT Message
  • LIST
  • Reply to LIST Regarding this Message
  • SENDER
  • Reply to SENDER Regarding this Message
    Time: 04:57:48 PM PST US
    Subject: Re: Illuminated rocker switch
    From: Carlos Trigo <trigo@mail.telepac.pt>
    Thanks to all who responded. As usual you've been very helpful. Now that I know the lamp circuit is independent from the 2 poles, I will hav e to design my wiring for the illumination to work as I had planned. Back to the bench Carlos Enviado do meu iPhone No dia 28/12/2013, =C3-s 18:05, "Robert L. Nuckolls, III" <nuckolls.bob@ae roelectric.com> escreveu: > At 10:11 AM 12/28/2013, you wrote: >> Bob >> Thank you for your quick answer. >> >> I already had grabed those 2 documents over the internet, and in none of t hem I was able to conclude how does the lamp circuit works, and how shall I w ire these critters to get them illuminated >> >> Could you draw a simple hand sketch? > > According to the number you cited, the switches you have > are black, rectangular devices with one lamp circuit, no > lamp installed, with .187 fast-on terminals and two Form A > contacts (two poles). > <6c7bf9.jpg> > > > I presume you have #73 or #85 lamps to install > > > <6c7c56.jpg> > > The schematic for these switches > > <6c7cb4.jpg> > > Shows the two poles on terminals 11/12 and 21/22 with > the lamp isolated on the other two terminals. The elsewhere > in the literature I found this rear view of the termina > arrangement > > <6c7ce3.jpg> > > If you look at the back of your switches, you'll probably > find numbers molded into the housings. > > You probably only need one of the two poles to switch > a load so you can use either the 11/12 or 21/22 path > for this task. I presume that you're going to power all > the lights from a dimmer so one of the two lamp terminals > would be tied to ground . . . the other to your dimmer > output. For side-by-side switches, you can daisy-chain > jumpers across the row of switches to parallel all the > lamps and take single conductors to ground and dimmer. > > . . . sorta like this. > > <6c7d12.jpg> > > > > > > Bob . . .


    Message 20


  • INDEX
  • Back to Main INDEX
  • PREVIOUS
  • Skip to PREVIOUS Message
  • NEXT
  • Skip to NEXT Message
  • LIST
  • Reply to LIST Regarding this Message
  • SENDER
  • Reply to SENDER Regarding this Message
    Time: 07:26:58 PM PST US
    Subject: Re: Source for Relay =?ISO-8859-1?Q?=93?= DPDT (On)
    Off (On) ?
    From: "nuckollsr" <bob.nuckolls@aeroelectric.com>
    That functionality can be accomplished with two, spdt relays as shown here: http://tinyurl.com/lw8uh8x Sealed, plastic, automotive relays are very suited to this task. Bob . . . Read this topic online here: http://forums.matronics.com/viewtopic.php?p=416306#416306


    Message 21


  • INDEX
  • Back to Main INDEX
  • PREVIOUS
  • Skip to PREVIOUS Message
  • NEXT
  • Skip to NEXT Message
  • LIST
  • Reply to LIST Regarding this Message
  • SENDER
  • Reply to SENDER Regarding this Message
    Time: 09:36:36 PM PST US
    Subject: Re: Source for Relay =?ISO-8859-1?Q?=93?= DPDT (On)
    Off (On) ?
    From: "Valin" <thorn@starflight.aero>
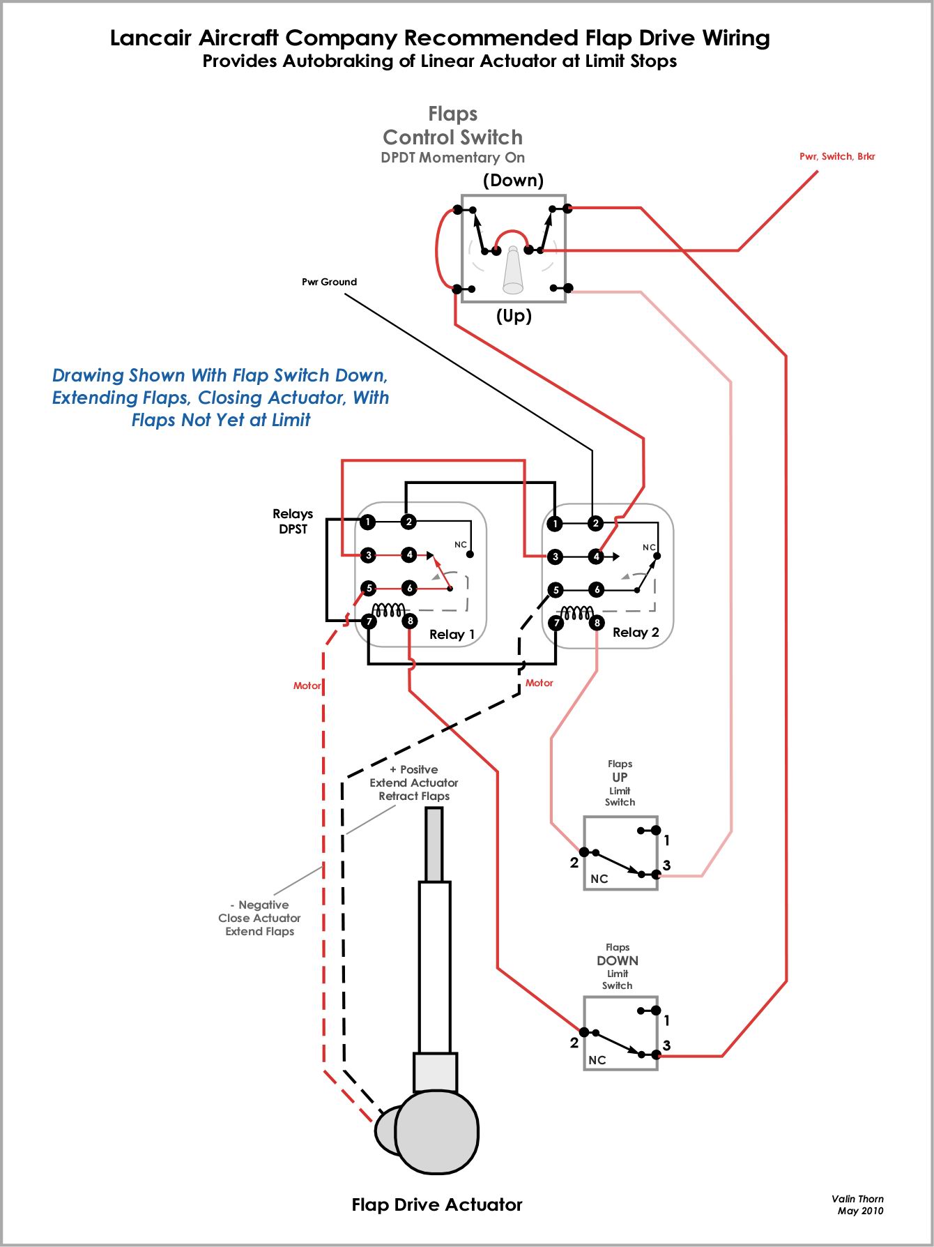
    Here's more detail in what I'm trying to accomplish in trying to use the VPX and its flap control features with the motor breaking circuitry of the Lancair Legacy flap control mechanism. The good things the VPX does for flap control is not allow deployment above the maximum flap extended speed, incremental deployment/retraction with flap momentary switch activation, and read/display its position. The VPX controls the flap motor by changing the polarity of the outputs driving the flap motor. The Legacy's flap control circuitry, with motor braking (grounding both sides) when not driving the motor or at its deploy and retraction limits, drives the motor in different direction at the flap switch (DPDT (Retract) Off (Deploy)) with the positive electrical connection to both the retract and deploy circuits. See attachment. This is much the way Bob N. showed how to do it where he was switching the ground. So it seems that with the VPS sending out motor commands just directly changing the polarity that it could be hooked up to a Relay replacing the manual flap switch function DPDT (On) Off (On). But as some have pointed out, there's apparently no such animal. I'm not sure how to take the changing flap control polarity coming out of the VPX and set up two relays to achieve the same result in the Lancair wiring of the DPDT flap control switch. I'm at novice at this but will think about it some more tomorrow. If anyone can suggest a specific solution to this interesting challenge Id sure appreciate it. Thanks, Valin Read this topic online here: http://forums.matronics.com/viewtopic.php?p=416309#416309 Attachments: http://forums.matronics.com//files/lancair_flap_drive_wiring_drawing_111.jpg


    Message 22


  • INDEX
  • Back to Main INDEX
  • PREVIOUS
  • Skip to PREVIOUS Message
  • NEXT
  • Skip to NEXT Message
  • LIST
  • Reply to LIST Regarding this Message
  • SENDER
  • Reply to SENDER Regarding this Message
    Time: 09:50:45 PM PST US
    Subject: Problem Creating AeroElectric Forum Postings
    From: "Valin" <thorn@starflight.aero>
    When I type in a post, if it gets too long, the auto preview runs over the typing window and makes it impossible to edit. See screen shot example attachment. I'm using Internet Explorer 10. Does anyone know how to stop this? Thanks, Valin Read this topic online here: http://forums.matronics.com/viewtopic.php?p=416310#416310 Attachments: http://forums.matronics.com//files/aeroelectric_postings_problem_478.jpg




    Other Matronics Email List Services

  • Post A New Message
  •   aeroelectric-list@matronics.com
  • UN/SUBSCRIBE
  •   http://www.matronics.com/subscription
  • List FAQ
  •   http://www.matronics.com/FAQ/AeroElectric-List.htm
  • Web Forum Interface To Lists
  •   http://forums.matronics.com
  • Matronics List Wiki
  •   http://wiki.matronics.com
  • 7-Day List Browse
  •   http://www.matronics.com/browse/aeroelectric-list
  • Browse AeroElectric-List Digests
  •   http://www.matronics.com/digest/aeroelectric-list
  • Browse Other Lists
  •   http://www.matronics.com/browse
  • Live Online Chat!
  •   http://www.matronics.com/chat
  • Archive Downloading
  •   http://www.matronics.com/archives
  • Photo Share
  •   http://www.matronics.com/photoshare
  • Other Email Lists
  •   http://www.matronics.com/emaillists
  • Contributions
  •   http://www.matronics.com/contribution

    These Email List Services are sponsored solely by Matronics and through the generous Contributions of its members.

    -- Please support this service by making your Contribution today! --