Today's Message Index:
----------------------
 
     1. 03:51 AM - Re: Ohio Pietenpol Gathering june 18 (Kip and Beth Gardner)
     2. 08:26 AM - Cabane Fittings (K5YAC)
     3. 08:51 AM - Re: Cabane Fittings (Charles Campbell)
     4. 09:12 AM - Re: Cabane Fittings (Billy McCaskill)
     5. 09:14 AM - Re: West Coast Gathering (AircamperN11MS)
     6. 09:21 AM - Off topic, another beer statistic (AircamperN11MS)
     7. 09:26 AM - Re: Cabane Fittings (K5YAC)
     8. 09:34 AM - Re: Re: Cabane Fittings (Ken Bickers)
     9. 09:55 AM - Re: Cabane Fittings (K5YAC)
    10. 09:57 AM - Re: Re: Cabane Fittings (Gboothe5)
    11. 10:13 AM - Cabane Fittings (santiago morete)
    12. 10:24 AM - Re: Ohio Pietenpol Gathering june 18 (shad bell)
    13. 10:25 AM - Big Piet Blast from the PAST! (Barry Davis)
    14. 10:29 AM - Re: Cabane Fittings (Billy McCaskill)
    15. 10:31 AM - Re: Cabane Fittings (K5YAC)
    16. 10:33 AM - Re: Cabane Fittings (Jack)
    17. 10:33 AM - Re: Cabane Fittings (Catdesigns)
    18. 10:34 AM - Re: Cabane Fittings (Bill Church)
    19. 11:02 AM - Re: Cabane Fittings (K5YAC)
    20. 11:07 AM - A ignition (bender)
    21. 12:16 PM - Re: Re: Cabane Fittings (Jim Boyer)
    22. 03:53 PM - Re: A ignition (helspersew@aol.com)
    23. 04:05 PM - Re: A ignition (Paul Jaffray)
    24. 04:19 PM - Re: A ignition (gboothe5@comcast.net)
    25. 04:30 PM - Re: Flying again (kevinpurtee)
    26. 06:42 PM - Re: Re: Cabane Fittings (Jack Phillips)
    27. 07:20 PM - Re: A ignition (shad bell)
    28. 07:51 PM - Re: Ohio Pietenpol Gathering june 18 (Kip and Beth Gardner)
    29. 08:37 PM - Re: Cabane Fittings (K5YAC)
    30. 08:57 PM - Re: Cabane Fittings (K5YAC)
    31. 09:18 PM - Re: A ignition (Billy McCaskill)
    32. 09:24 PM - Re: Flying again (Billy McCaskill)
    33. 11:46 PM - Re: Off topic, another beer statistic (Clif Dawson)
 
 
 
Message 1
| 					INDEX |  Back to Main INDEX |  
| 					NEXT |  Skip to NEXT Message |  
| 	LIST |  Reply to LIST Regarding this Message |  
| 		SENDER |  Reply to SENDER Regarding this Message |  
  | 
      
      
| Subject:  | Re: Ohio Pietenpol Gathering june 18 | 
      
      Hi Shad,
      
      Unfortunately I won't make it this year.  The excessive rain this  
      Spring makes farm work a priority now.  With any luck we'll still have  
      a decent year.
      
      Kip Gardner
      
      On Jun 6, 2011, at 10:38 AM, shad bell wrote:
      
      >
      >
      > Fellow Pieters, Just a reminder of my fly-in on saturday june 18  
      > here at Chapman Memorial Field (6CM) in Centerburg Ohio.  It will be  
      > a pot luck style event and tent camping here on friday and saturday  
      > nights.  Hope to see many as many of you Ohio area Guys as  
      > possible.  Drive ins are welcome, and parking shouldn't be a  
      > problem.  Please contact me by email, on list or off, if you plan on  
      > attending. I will give out pattern instructions, driving directions  
      > etc.
      >
      > Hope to see Y'all here, Sat June 18
      > Shad
      >
      >
      
      
Message 2
| 					INDEX |  Back to Main INDEX |  
| 				PREVIOUS |  Skip to PREVIOUS Message |  
| 					NEXT |  Skip to NEXT Message |  
| 	LIST |  Reply to LIST Regarding this Message |  
| 		SENDER |  Reply to SENDER Regarding this Message |  
  | 
      
      
      
      
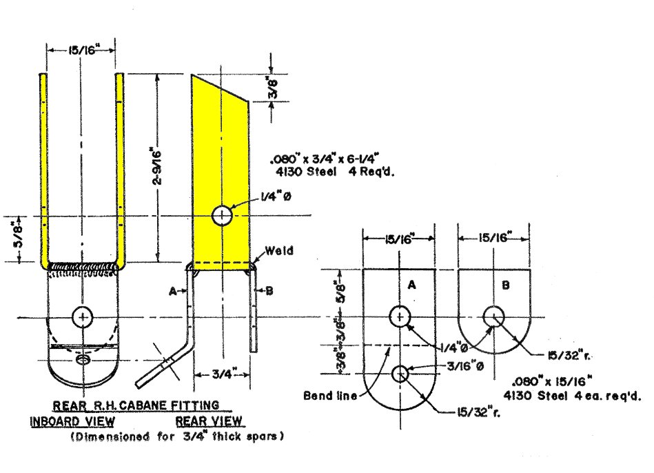
      I am struggling with how to bend my cabane strut fittings.  I've looked in the
      archives using the search engine and still haven't come up with any ideas. 
      
      It is obvious to me that I can make one 90 degree bend with my vise brake, but
      making the second bend so close to the first on a part that is nearly 3" long
      isn't possible with that type of tool.  So I thought that I might initiate both
      bends to whatever degree possible and use a bending block to beat them to 90
      degrees, but without being firmly clamped on the adjacent side this only makes
      for a bowed bend.  My next thought was to heat them with my torch and apply
      the same force (hammer), but I don't like that idea.  Small, cherry red fittings
      that need to be positioned properly on a form once hot... yeah, I'm probably
      going to get burned.  
      
      I've see some photos of other's completed fittings and they don't look like they
      have been heated.  I looked at Jack Textor's fittings in a recent thread and
      they look very nice.  I also plan to do the overlapping fittings rather than
      the 3-piece welded fittings, but again, the main issue is making the bends on
      the long pieces.  
      
      Any suggestions would be greatly appreciated.
      
      --------
      Mark Chouinard
      Wings, Center Section and Empannage framed up - Working on Fuselage
      
      
      Read this topic online here:
      
      http://forums.matronics.com/viewtopic.php?p=342296#342296
      
      
      Attachments: 
      
      http://forums.matronics.com//files/cabane_fittings_738.jpg
      
      
Message 3
| 					INDEX |  Back to Main INDEX |  
| 				PREVIOUS |  Skip to PREVIOUS Message |  
| 					NEXT |  Skip to NEXT Message |  
| 	LIST |  Reply to LIST Regarding this Message |  
| 		SENDER |  Reply to SENDER Regarding this Message |  
  | 
      
      
| Subject:  | Re: Cabane Fittings | 
      
      
      The mechanic who did my fittings did them the way the plans call for --  
      bending the long piece 90 degrees in two places, making the two tabs in 
      separate pieces, and welding them to the long, U shaped piece.  He told me 
      later that if he had done it his way he would have made it in one piece of 
      metal with four bends (five, counting the 45 degree bend).  chuck
      ----- Original Message ----- 
      From: "K5YAC" <hangar10@cox.net>
      Sent: Tuesday, June 07, 2011 11:24 AM
      Subject: Pietenpol-List: Cabane Fittings
      
      
      >
      > I am struggling with how to bend my cabane strut fittings.  I've looked in 
      > the archives using the search engine and still haven't come up with any 
      > ideas.
      >
      > It is obvious to me that I can make one 90 degree bend with my vise brake, 
      > but making the second bend so close to the first on a part that is nearly 
      > 3" long isn't possible with that type of tool.  So I thought that I might 
      > initiate both bends to whatever degree possible and use a bending block to 
      > beat them to 90 degrees, but without being firmly clamped on the adjacent 
      > side this only makes for a bowed bend.  My next thought was to heat them 
      > with my torch and apply the same force (hammer), but I don't like that 
      > idea.  Small, cherry red fittings that need to be positioned properly on a 
      > form once hot... yeah, I'm probably going to get burned.
      >
      > I've see some photos of other's completed fittings and they don't look 
      > like they have been heated.  I looked at Jack Textor's fittings in a 
      > recent thread and they look very nice.  I also plan to do the overlapping 
      > fittings rather than the 3-piece welded fittings, but again, the main 
      > issue is making the bends on the long pieces.
      >
      > Any suggestions would be greatly appreciated.
      >
      > --------
      > Mark Chouinard
      > Wings, Center Section and Empannage framed up - Working on Fuselage
      >
      >
      > Read this topic online here:
      >
      > http://forums.matronics.com/viewtopic.php?p=342296#342296
      >
      >
      > Attachments:
      >
      > http://forums.matronics.com//files/cabane_fittings_738.jpg
      >
      >
      > 
      
      
Message 4
| 					INDEX |  Back to Main INDEX |  
| 				PREVIOUS |  Skip to PREVIOUS Message |  
| 					NEXT |  Skip to NEXT Message |  
| 	LIST |  Reply to LIST Regarding this Message |  
| 		SENDER |  Reply to SENDER Regarding this Message |  
  | 
      
      
| Subject:  | Re: Cabane Fittings | 
      
      
      Looks like if you had a bending block about 3" long and 15/16" thick, you could
      clamp the bracket around it after the 1st 90 degree bend so that you could hammer
      it around to get the 2nd 90 degree bend you need.  That's what I would try
      to do, can't think of any easier way to do it besides that.
      
      --------
      Billy McCaskill
      Urbana, IL
      tail section almost done, starting on ribs soon
      
      
      Read this topic online here:
      
      http://forums.matronics.com/viewtopic.php?p=342301#342301
      
      
Message 5
| 					INDEX |  Back to Main INDEX |  
| 				PREVIOUS |  Skip to PREVIOUS Message |  
| 					NEXT |  Skip to NEXT Message |  
| 	LIST |  Reply to LIST Regarding this Message |  
| 		SENDER |  Reply to SENDER Regarding this Message |  
  | 
      
      
| Subject:  | Re: West Coast Gathering | 
      
      
      Oscar,
      
      You just described "unusual" perfectly, unless you live where I do, then it's the
      norm.  Spring time at my house usually includes winds at 15 gusting to 25 or
      30 knots with an occasional calm day or two in between.  It typically last from
      March through the middle of June.  Sounds like how you describe Texas.  Anyway,
      welcome to the Left Coast.  I remember when I flew my Piet around Mt Shasta
      it made me feel like an ant on this planet.  You'll enjoy the flight when
      it happens.  
      
      Happy Landings,
      
      --------
      Scott Liefeld
      Flying N11MS since March 1972
      Steel Tube
      C-85-12
      Wire Wheels
      Brodhead in 1996
      
      
      Read this topic online here:
      
      http://forums.matronics.com/viewtopic.php?p=342303#342303
      
      
Message 6
| 					INDEX |  Back to Main INDEX |  
| 				PREVIOUS |  Skip to PREVIOUS Message |  
| 					NEXT |  Skip to NEXT Message |  
| 	LIST |  Reply to LIST Regarding this Message |  
| 		SENDER |  Reply to SENDER Regarding this Message |  
  | 
      
      
| Subject:  | Off topic, another beer statistic | 
      
      
      Finally, another meaningful and encouraging static,
      
      A 2006 study found that the average American walks about 900 miles a year.
      
      Another study found that Americans drink an average of 22 gallons of beer a year.
      
      That means, on average, Americans get about 41 miles per gallon.
      
      Not Bad!!!  Maybe I should start drinking beer again?
      
      --------
      Scott Liefeld
      Flying N11MS since March 1972
      Steel Tube
      C-85-12
      Wire Wheels
      Brodhead in 1996
      
      
      Read this topic online here:
      
      http://forums.matronics.com/viewtopic.php?p=342304#342304
      
      
Message 7
| 					INDEX |  Back to Main INDEX |  
| 				PREVIOUS |  Skip to PREVIOUS Message |  
| 					NEXT |  Skip to NEXT Message |  
| 	LIST |  Reply to LIST Regarding this Message |  
| 		SENDER |  Reply to SENDER Regarding this Message |  
  | 
      
      
| Subject:  | Re: Cabane Fittings | 
      
      
      
      Billy McCaskill wrote:
      > Looks like if you had a bending block about 3" long and 15/16" thick, you could
      clamp the bracket around it after the 1st 90 degree bend so that you could
      hammer it around to get the 2nd 90 degree bend you need.  That's what I would
      try to do, can't think of any easier way to do it besides that.
      
      
      I tried that with similar results to the second method I mentioned, using a bending
      block... but I end up with a rounded bend instead of a boxed fitting.  I
      guess I didn't clamp the part tightly enough or something.
      
      --------
      Mark Chouinard
      Wings, Center Section and Empannage framed up - Working on Fuselage
      
      
      Read this topic online here:
      
      http://forums.matronics.com/viewtopic.php?p=342305#342305
      
      
Message 8
| 					INDEX |  Back to Main INDEX |  
| 				PREVIOUS |  Skip to PREVIOUS Message |  
| 					NEXT |  Skip to NEXT Message |  
| 	LIST |  Reply to LIST Regarding this Message |  
| 		SENDER |  Reply to SENDER Regarding this Message |  
  | 
      
      
| Subject:  | Re: Cabane Fittings | 
      
      I used a scrap piece of 1" square tube that was about 8 or 10 inches
      long to which I clamped, using a beat up old C-clamp, the metal strap
      that I wanted to bend.  Imagine the piece of strap forming a T with
      the square tube, such that the ears of the piece of strap were ready
      to bend down over the square tube.  I then tightened the 1" tube into
      a table vise.  I heated the piece of strap before bending, one ear at
      a time.  At a dull red, the strap bent nicely.
      
      I also did the nested approach.  I waited to do most of the cutting
      and trimming until after I had welded the pairs of straps together.
      See attached photo.
      
      Cheers, Ken
      
      
      On Tue, Jun 7, 2011 at 10:09 AM, Billy McCaskill <billmz@cox.net> wrote:
      >
      > Looks like if you had a bending block about 3" long and 15/16" thick, you
       could clamp the bracket around it after the 1st 90 degree bend so that you
       could hammer it around to get the 2nd 90 degree bend you need. -That's w
      hat I would try to do, can't think of any easier way to do it besides that.
      >
      > --------
      > Billy McCaskill
      > Urbana, IL
      > tail section almost done, starting on ribs soon
      >
      >
      > Read this topic online here:
      >
      > http://forums.matronics.com/viewtopic.php?p=342301#342301
      >
      >
      ===========
      ===========
      ===========
      alle, List Admin.
      ===========
      >
      >
      
Message 9
| 					INDEX |  Back to Main INDEX |  
| 				PREVIOUS |  Skip to PREVIOUS Message |  
| 					NEXT |  Skip to NEXT Message |  
| 	LIST |  Reply to LIST Regarding this Message |  
| 		SENDER |  Reply to SENDER Regarding this Message |  
  | 
      
      
| Subject:  | Re: Cabane Fittings | 
      
      
      Seems that I'm on the right track based on the initial comments... I guess I just
      need to work on my technique a bit.
      
      --------
      Mark Chouinard
      Wings, Center Section and Empannage framed up - Working on Fuselage
      
      
      Read this topic online here:
      
      http://forums.matronics.com/viewtopic.php?p=342310#342310
      
      
Message 10
| 					INDEX |  Back to Main INDEX |  
| 				PREVIOUS |  Skip to PREVIOUS Message |  
| 					NEXT |  Skip to NEXT Message |  
| 	LIST |  Reply to LIST Regarding this Message |  
| 		SENDER |  Reply to SENDER Regarding this Message |  
  | 
      
      
| Subject:  | Re: Cabane Fittings | 
      
      
      That's exactly how I did mine, using C-clamps and the ever useful bench
      vise.
      
      Gary
      
      -----Original Message-----
      From: owner-pietenpol-list-server@matronics.com
      [mailto:owner-pietenpol-list-server@matronics.com] On Behalf Of Billy
      McCaskill
      Sent: Tuesday, June 07, 2011 9:10 AM
      Subject: Pietenpol-List: Re: Cabane Fittings
      
      
      Looks like if you had a bending block about 3" long and 15/16" thick, you
      could clamp the bracket around it after the 1st 90 degree bend so that you
      could hammer it around to get the 2nd 90 degree bend you need.  That's what
      I would try to do, can't think of any easier way to do it besides that.
      
      --------
      Billy McCaskill
      Urbana, IL
      tail section almost done, starting on ribs soon
      
      
      Read this topic online here:
      
      http://forums.matronics.com/viewtopic.php?p=342301#342301
      
      
Message 11
| 					INDEX |  Back to Main INDEX |  
| 				PREVIOUS |  Skip to PREVIOUS Message |  
| 					NEXT |  Skip to NEXT Message |  
| 	LIST |  Reply to LIST Regarding this Message |  
| 		SENDER |  Reply to SENDER Regarding this Message |  
  | 
      
      
      
      or.... http://www.eaavideo.org/video.aspx?v=1858922506
      
Message 12
| 					INDEX |  Back to Main INDEX |  
| 				PREVIOUS |  Skip to PREVIOUS Message |  
| 					NEXT |  Skip to NEXT Message |  
| 	LIST |  Reply to LIST Regarding this Message |  
| 		SENDER |  Reply to SENDER Regarding this Message |  
  | 
      
      
| Subject:  | Re: Ohio Pietenpol Gathering june 18 | 
      
      Kip, I just got back from driving up to sw canton this morning, what a stor
      m!- I got into hail high winds and some pretty good down pours.- It is 
      definitly WET up that way, I saw what I thought was swamp on the south side
       of rt 30, just to see it was a field.- Good Luck with your planting, and
       may you have a good yeild.
      -
      Shad
      
      --- On Tue, 6/7/11, Kip and Beth Gardner <kipandbeth@earthlink.net> wrote:
      
      
      From: Kip and Beth Gardner <kipandbeth@earthlink.net>
      Subject: Re: Pietenpol-List: Ohio Pietenpol Gathering june 18
      
      
      Hi Shad,
      
      
      Unfortunately I won't make it this year. -The excessive rain this Spring 
      makes farm work a priority now. -With any luck we'll still have a decent 
      year.
      
      
      Kip Gardner
      
      
      On Jun 6, 2011, at 10:38 AM, shad bell wrote:
      
      
      Fellow Pieters, Just a reminder of my fly-in on saturday june 18 here at Ch
      apman Memorial Field (6CM) in Centerburg Ohio.- It will be a pot luck sty
      le event and tent camping here on friday and saturday nights.- Hope to se
      e many as many of you Ohio area Guys as possible.- Drive ins are welcome,
       and parking shouldn't be a problem.- Please contact me by email, on list
       or off, if you plan on attending. I will give out pattern instructions, dr
      iving directions etc.
      -
      Hope to see Y'all here, Sat June 18
      Shad
      
      href="http://www.matronics.com/Navigator?Pietenpol-List">http://www.matro
      nics.com/Navigator?Pietenpol-List
      href="http://forums.matronics.com">http://forums.matronics.com
      href="http://www.matronics.com/contribution">http://www.matronics.com/con
      tribution
      
      
Message 13
| 					INDEX |  Back to Main INDEX |  
| 				PREVIOUS |  Skip to PREVIOUS Message |  
| 					NEXT |  Skip to NEXT Message |  
| 	LIST |  Reply to LIST Regarding this Message |  
| 		SENDER |  Reply to SENDER Regarding this Message |  
  | 
      
      
| Subject:  | Big Piet Blast from the PAST! | 
      
      Just looking through some old Piet pictures and thought someone might enjoy
      these. 
      The first picture shows all the parts to build 6 Corvair engines. Note the
      table is divided into sections with blue tape and well organized. Three
      minutes after this picture was taken, all hell broke loose and the building
      began. I don't have the heart to show the picture of how the shop looked
      after parts started flying together, but it looked like a poorly organized
      disaster area.
      The second picture is of Doc Mosher's visit to the Big Piet Factory in
      Carrollton, Ga.
      Barry Davis
      NX973BP
      
Message 14
| 					INDEX |  Back to Main INDEX |  
| 				PREVIOUS |  Skip to PREVIOUS Message |  
| 					NEXT |  Skip to NEXT Message |  
| 	LIST |  Reply to LIST Regarding this Message |  
| 		SENDER |  Reply to SENDER Regarding this Message |  
  | 
      
      
| Subject:  | Re: Cabane Fittings | 
      
      
      Excellent link, Santiago.  I think I remember reading something very similar to
      this method in the Bingelis books...
      
      --------
      Billy McCaskill
      Urbana, IL
      tail section almost done, starting on ribs soon
      
      
      Read this topic online here:
      
      http://forums.matronics.com/viewtopic.php?p=342315#342315
      
      
Message 15
| 					INDEX |  Back to Main INDEX |  
| 				PREVIOUS |  Skip to PREVIOUS Message |  
| 					NEXT |  Skip to NEXT Message |  
| 	LIST |  Reply to LIST Regarding this Message |  
| 		SENDER |  Reply to SENDER Regarding this Message |  
  | 
      
      
| Subject:  | Re: Cabane Fittings | 
      
      
      [quote="moretesantiago(at)yahoo.c"]or.... http://www.eaavideo.org/video.aspx?v=1858922506 (http://www.eaavideo.org/video.aspx?v=1858922506) 
      > [b]
      
      
      That is an interesting approach Santiago.  Thanks!
      
      --------
      Mark Chouinard
      Wings, Center Section and Empannage framed up - Working on Fuselage
      
      
      Read this topic online here:
      
      http://forums.matronics.com/viewtopic.php?p=342316#342316
      
      
Message 16
| 					INDEX |  Back to Main INDEX |  
| 				PREVIOUS |  Skip to PREVIOUS Message |  
| 					NEXT |  Skip to NEXT Message |  
| 	LIST |  Reply to LIST Regarding this Message |  
| 		SENDER |  Reply to SENDER Regarding this Message |  
  | 
      
      
      
      Mark,
      I pre-bent each side as far as possible then finished off as seen in the
      attachment.
      Jack
      DSM
      
      -----Original Message-----
      From: owner-pietenpol-list-server@matronics.com
      [mailto:owner-pietenpol-list-server@matronics.com] On Behalf Of K5YAC
      Sent: Tuesday, June 07, 2011 10:24 AM
      Subject: Pietenpol-List: Cabane Fittings
      
      
      I am struggling with how to bend my cabane strut fittings.  I've looked in
      the archives using the search engine and still haven't come up with any
      ideas. 
      
      It is obvious to me that I can make one 90 degree bend with my vise brake,
      but making the second bend so close to the first on a part that is nearly 3"
      long isn't possible with that type of tool.  So I thought that I might
      initiate both bends to whatever degree possible and use a bending block to
      beat them to 90 degrees, but without being firmly clamped on the adjacent
      side this only makes for a bowed bend.  My next thought was to heat them
      with my torch and apply the same force (hammer), but I don't like that idea.
      Small, cherry red fittings that need to be positioned properly on a form
      once hot... yeah, I'm probably going to get burned.  
      
      I've see some photos of other's completed fittings and they don't look like
      they have been heated.  I looked at Jack Textor's fittings in a recent
      thread and they look very nice.  I also plan to do the overlapping fittings
      rather than the 3-piece welded fittings, but again, the main issue is making
      the bends on the long pieces.  
      
      Any suggestions would be greatly appreciated.
      
      --------
      Mark Chouinard
      Wings, Center Section and Empannage framed up - Working on Fuselage
      
      
      Read this topic online here:
      
      http://forums.matronics.com/viewtopic.php?p=342296#342296
      
      
      Attachments: 
      
      http://forums.matronics.com//files/cabane_fittings_738.jpg
      
      
Message 17
| 					INDEX |  Back to Main INDEX |  
| 				PREVIOUS |  Skip to PREVIOUS Message |  
| 					NEXT |  Skip to NEXT Message |  
| 	LIST |  Reply to LIST Regarding this Message |  
| 		SENDER |  Reply to SENDER Regarding this Message |  
  | 
      
      
| Subject:  | Re: Cabane Fittings | 
      
      
      Mark
      
      Yes, you need to build bending blocks for this fitting.  I use some scrap 3/8th
      inch steel I found at the scrap yard. Round the edge to the correct bend radius.
      You can see the blocks in this picture.
      
      http://www.westcoastpiet.com/images/Chris%20Tracy/images/IMG_0048.JPG
      
      
      For this fitting I had to have the blocks hang off the end of the bench vice so
      the fitting would clear the jaws as it bent.  The free end was clamped together
      with a big C-clamp. It will make sense when you try it. 
      
      Clamp the long side of the fitting between the blocks and bend the short side until
      you get to 90 degrees.  Then bend the other side the same way (clamp the
      long side , bend the short).  The side will stay nice and strait if you hit the
      fitting just above where you want it to bend. I found the best way to not damage
      your fitting is to use a 1/2 inch brass rod between the hammer and the steel,
      wood was destroyed to fast.
      
      --------
      Chris
      Sacramento, CA
      WestCoastPiet.com
      
      
      Read this topic online here:
      
      http://forums.matronics.com/viewtopic.php?p=342318#342318
      
      
Message 18
| 					INDEX |  Back to Main INDEX |  
| 				PREVIOUS |  Skip to PREVIOUS Message |  
| 					NEXT |  Skip to NEXT Message |  
| 	LIST |  Reply to LIST Regarding this Message |  
| 		SENDER |  Reply to SENDER Regarding this Message |  
  | 
      
      
| Subject:  | Re: Cabane Fittings | 
      
      
      Mark,
      Your answer is in your question. You mentioned Jack Textors' fittings. If you go
      to Jack's website, way down near the bottom are a couple of photos that show
      a good method.
      First one 90 degree bend is made, using the vise mounted bending dies. Then the
      second bend is started, and bent as far as the equipment will allow. Then, the
      third leg is clamped tightly between two substantial metal bars, with the bend
      line at the edge of the bars, and the rest of the bend is completed with a
      hammer (and possibly a hardwood block or brass bar). I've attached copies of the
      relevant photos from Jack's site.
      
      Of course, the other way to make a bend like that is with a brake press and gooseneck
      dies, but not too many of us have access to that kind of equipment.
      
      Bill C.
      
      
      Read this topic online here:
      
      http://forums.matronics.com/viewtopic.php?p=342319#342319
      
      
      Attachments: 
      
      http://forums.matronics.com//files/cabane_fittings_009_645.jpg
      http://forums.matronics.com//files/cabane_fittings_010_102.jpg
      
      
Message 19
| 					INDEX |  Back to Main INDEX |  
| 				PREVIOUS |  Skip to PREVIOUS Message |  
| 					NEXT |  Skip to NEXT Message |  
| 	LIST |  Reply to LIST Regarding this Message |  
| 		SENDER |  Reply to SENDER Regarding this Message |  
  | 
      
      
| Subject:  | Re: Cabane Fittings | 
      
      
      Excellent!  I feel better knowing that my thinking wasn't too far off... I just
      need to grab some scrap and practice making a few bends.  Without a hydraulic
      press and proper dies, it seems that these require a little grunt work no matter
      which approach is used.  Thanks a lot for the input fellas!
      
      --------
      Mark Chouinard
      Wings, Center Section and Empannage framed up - Working on Fuselage
      
      
      Read this topic online here:
      
      http://forums.matronics.com/viewtopic.php?p=342321#342321
      
      
Message 20
| 					INDEX |  Back to Main INDEX |  
| 				PREVIOUS |  Skip to PREVIOUS Message |  
| 					NEXT |  Skip to NEXT Message |  
| 	LIST |  Reply to LIST Regarding this Message |  
| 		SENDER |  Reply to SENDER Regarding this Message |  
  | 
      
      
      
      
      I've been working away... elevators connected.. tail all braced up..
      making a couple of pulley brackets for the ailerons.. and all the while trying
      to find the right engine parts
      
      there are no dual plug model a heads out there.... snyders is working on it but
      no idea when they are coming.. even the single plug heads out there are hard
      to come by
      
      so i can get a Thomas aluminum head... and i'm thinking about the corvair ignition
      idea..
      ie; dual point distributor..two coils...double throw switch and the msd coil switcher..
      
      i'm guessing its been reliable on the corvair
      
      the other option is the single magneto
      i just happen to be friends with the president of champion aviation.. and don't
      want to take advantage but i've been offered a new slick magneto if i want one....
      he wants a prop for his office... maybe i could carve a practice piet prop
      in trade..
      
      seems a lot of A piets have a single ignition...and i'm sure its great but the
      dual point distributor thing would be really easy.. and maybe lighter
      
      any thoughts
      
      
      jeff
      
      
      Read this topic online here:
      
      http://forums.matronics.com/viewtopic.php?p=342322#342322
      
      
Message 21
| 					INDEX |  Back to Main INDEX |  
| 				PREVIOUS |  Skip to PREVIOUS Message |  
| 					NEXT |  Skip to NEXT Message |  
| 	LIST |  Reply to LIST Regarding this Message |  
| 		SENDER |  Reply to SENDER Regarding this Message |  
  | 
      
      
| Subject:  | Re: Cabane Fittings | 
      
      
      Hi Mark, 
      
      I did my cabane fittings with the vise, a steel block about 7/8" thick and 
      some pieces of .090 to use to make up the difference. 
      
      I first bent the first 90 and then the second 90 as far as possible, wedged
       in the block and shims, and pounded the last side down. 
      
      I was able to put the fittings in my vise so as to keep the bottom flat by 
      clamping the steel fill block=C2-against one vise jaw and the bottom of t
      he fitting on the other=C2-vise jaw (with a piece of 090 to prevent scarr
      ing the fitting). Cranked the vise down tight and used a 2 pound short hand
      led mallet to finish off the last side. 
      
      this technique worked good for me after I made the usual first sacrificial 
      "spare part." 
      
      Cheers, 
      
      Jim B. 
      
      Piet on wheels 
      
      Tail surfaces mounted 
      
      Center section mounted 
      
      Control cables in work 
      
      
Message 22
| 					INDEX |  Back to Main INDEX |  
| 				PREVIOUS |  Skip to PREVIOUS Message |  
| 					NEXT |  Skip to NEXT Message |  
| 	LIST |  Reply to LIST Regarding this Message |  
| 		SENDER |  Reply to SENDER Regarding this Message |  
  | 
      
      
      
      
      Jeff,
      
      I would vote for the free mag in exchange for the practice prop. Not that I
       think the dual point idea is bad, but maybe you could do both. For me, car
      ving my prop was the most challenging and rewarding part of the whole const
      ruction process. It is something I thought was initially beyond the realm o
      f my ability, but like most other phases of the build, it is just a matter 
      of putting one foot ahead of the other, and slugging through it. Sure, I co
      uld have finished and flown a few months earlier, but learning new things w
      as a big part of the reason I had for building the airplane in the first pl
      ace. (Gary B. please weigh-in.)
      
      FYI I am again re-thinking my 2nd ignition source. I am looking into the WI
      CO mag that drops down into the distributor hole in the "A", (a-la Larry Wi
      lliams from a few years ago.) No battery, no coil, no distributor or points
      , or electronic ignition module. Haven't made up my mind....all I know for 
      sure is, that I want, in the worst way to fly to Brodhead with the one mag 
      I have now.
      
      Dan Helsper
      Puryear, TN 
      
      
      -----Original Message-----
      From: bender <jfaith@solairusaviation.com>
      Sent: Tue, Jun 7, 2011 1:08 pm
      Subject: Pietenpol-List: A ignition
      
      
      >
      I've been working away... elevators connected.. tail all braced up..
      aking a couple of pulley brackets for the ailerons.. and all the while tryi
      ng 
      o find the right engine parts
      there are no dual plug model a heads out there.... snyders is working on it
       but 
      o idea when they are coming.. even the single plug heads out there are hard
       to 
      ome by
      so i can get a Thomas aluminum head... and i'm thinking about the corvair
      
      gnition idea..
      e; dual point distributor..two coils...double throw switch and the msd coil
      
      witcher..
      i'm guessing its been reliable on the corvair
      the other option is the single magneto
       just happen to be friends with the president of champion aviation.. and do
      n't 
      ant to take advantage but i've been offered a new slick magneto if i want
      
      ne.... he wants a prop for his office... maybe i could carve a practice pie
      t 
      rop in trade..
      seems a lot of A piets have a single ignition...and i'm sure its great but 
      the 
      ual point distributor thing would be really easy.. and maybe lighter
      any thoughts
      
      eff
      
      
      ead this topic online here:
      http://forums.matronics.com/viewtopic.php?p=342322#342322
      
      
      -=          - The Pietenpol-List Email Forum -
      -= Use the Matronics List Features Navigator to browse
      -= the many List utilities such as List Un/Subscription,
      -= Archive Search & Download, 7-Day Browse, Chat, FAQ,
      -= Photoshare, and much much more:
      -
      -=   --> http://www.matronics.com/Navigator?Pietenpol-List
      -
      -========================
      -=               - MATRONICS WEB FORUMS -
      -= Same great content also available via the Web Forums!
      -
      -=   --> http://forums.matronics.com
      -
      -========================
      -=             - List Contribution Web Site -
      -=  Thank you for your generous support!
      -=                              -Matt Dralle, List Admin.
      -=   --> http://www.matronics.com/contribution
      -========================
      
      
Message 23
| 					INDEX |  Back to Main INDEX |  
| 				PREVIOUS |  Skip to PREVIOUS Message |  
| 					NEXT |  Skip to NEXT Message |  
| 	LIST |  Reply to LIST Regarding this Message |  
| 		SENDER |  Reply to SENDER Regarding this Message |  
  | 
      
      
      
      Have you looked at the Secrets of Speed Society?  They are at
      www.secretsofspeed.com.  They have high performance model a heads.
      On Jun 7, 2011 2:09 PM, "bender" <jfaith@solairusaviation.com> wrote:
      jfaith@solairusaviation.com>
      >
      > I've been working away... elevators connected.. tail all braced up..
      > making a couple of pulley brackets for the ailerons.. and all the while
      trying to find the right engine parts
      >
      > there are no dual plug model a heads out there.... snyders is working on
      it but no idea when they are coming.. even the single plug heads out there
      are hard to come by
      >
      > so i can get a Thomas aluminum head... and i'm thinking about the corvair
      ignition idea..
      > ie; dual point distributor..two coils...double throw switch and the msd
      coil switcher..
      >
      > i'm guessing its been reliable on the corvair
      >
      > the other option is the single magneto
      > i just happen to be friends with the president of champion aviation.. and
      don't want to take advantage but i've been offered a new slick magneto if i
      want one.... he wants a prop for his office... maybe i could carve a
      practice piet prop in trade..
      >
      > seems a lot of A piets have a single ignition...and i'm sure its great but
      the dual point distributor thing would be really easy.. and maybe lighter
      >
      > any thoughts
      >
      >
      > jeff
      >
      >
      > Read this topic online here:
      >
      > http://forums.matronics.com/viewtopic.php?p=342322#342322
      >
      >
      
Message 24
| 					INDEX |  Back to Main INDEX |  
| 				PREVIOUS |  Skip to PREVIOUS Message |  
| 					NEXT |  Skip to NEXT Message |  
| 	LIST |  Reply to LIST Regarding this Message |  
| 		SENDER |  Reply to SENDER Regarding this Message |  
  | 
      
      
      
      SmVmZiwNCg0KSSdtIHRoZSBjcmF6eSBmb29sIHRoYXQgRGFuIHRhbGtlZCBpbnRvIGNhcnZpbmcg
      bXkgcHJvcCEgQnV0LCBhcyBEYW4gc2FpZCwgb2YgYWxsIHRoZSBjb29sIHRoaW5ncyB0aGF0IEkg
      aGF2ZSBsZWFybmVkIGhvdyB0byBkbywgSSBhbSBtb3N0IHByb3VkIG9mIG15IHByb3AuIERhbidz
      IGNkIHdpbGwgd2FsayB5b3UgdGhydSB0aGUgd2hvbGUgcHJvY2Vzcy4NCg0KTXkgUGlldCB3aWxs
      IGJlIGNvcnZhaXIgcG93ZXJlZCwgc28gSSdtIGZhbWlsaWFyIHdpdGggdGhlIGR1YWwgcG9pbnQg
      aWRlYSB0aGF0IHlvdSBoYXZlLCBidXQgY2Fubm90IG9mZmVyIGFueSBhZHZpY2Ugb24geW91ciBB
      IHBvd2VycGxhbnQ7IG9ubHkgdG8gdm91Y2ggZm9yIHRoZSBodWdlIGFtb3VudCBvZiB0ZXN0aW5n
      IGFuZCBrbm93bGVkZ2UgdGhhdCBXVyBoYXMuDQoNCkdhcnkNClNlbnQgb24gdGhlIFNwcmludK4g
      Tm93IE5ldHdvcmsgZnJvbSBteSBCbGFja0JlcnJ5rg0KDQotLS0tLU9yaWdpbmFsIE1lc3NhZ2Ut
      LS0tLQ0KRnJvbTogaGVsc3BlcnNld0Bhb2wuY29tDQpTZW5kZXI6IG93bmVyLXBpZXRlbnBvbC1s
      aXN0LXNlcnZlckBtYXRyb25pY3MuY29tDQpEYXRlOiBUdWUsIDcgSnVuIDIwMTEgMTg6NTE6MDAg
      DQpUbzogPHBpZXRlbnBvbC1saXN0QG1hdHJvbmljcy5jb20+DQpSZXBseS1UbzogcGlldGVucG9s
      LWxpc3RAbWF0cm9uaWNzLmNvbVN1YmplY3Q6IFJlOiBQaWV0ZW5wb2wtTGlzdDogQSBpZ25pdGlv
      bg0KDQoNCkplZmYsDQoNCkkgd291bGQgdm90ZSBmb3IgdGhlIGZyZWUgbWFnIGluIGV4Y2hhbmdl
      IGZvciB0aGUgcHJhY3RpY2UgcHJvcC4gTm90IHRoYXQgSSB0aGluayB0aGUgZHVhbCBwb2ludCBp
      ZGVhIGlzIGJhZCwgYnV0IG1heWJlIHlvdSBjb3VsZCBkbyBib3RoLiBGb3IgbWUsIGNhcnZpbmcg
      bXkgcHJvcCB3YXMgdGhlIG1vc3QgY2hhbGxlbmdpbmcgYW5kIHJld2FyZGluZyBwYXJ0IG9mIHRo
      ZSB3aG9sZSBjb25zdHJ1Y3Rpb24gcHJvY2Vzcy4gSXQgaXMgc29tZXRoaW5nIEkgdGhvdWdodCB3
      YXMgaW5pdGlhbGx5IGJleW9uZCB0aGUgcmVhbG0gb2YgbXkgYWJpbGl0eSwgYnV0IGxpa2UgbW9z
      dCBvdGhlciBwaGFzZXMgb2YgdGhlIGJ1aWxkLCBpdCBpcyBqdXN0IGEgbWF0dGVyIG9mIHB1dHRp
      bmcgb25lIGZvb3QgYWhlYWQgb2YgdGhlIG90aGVyLCBhbmQgc2x1Z2dpbmcgdGhyb3VnaCBpdC4g
      U3VyZSwgSSBjb3VsZCBoYXZlIGZpbmlzaGVkIGFuZCBmbG93biBhIGZldyBtb250aHMgZWFybGll
      ciwgYnV0IGxlYXJuaW5nIG5ldyB0aGluZ3Mgd2FzIGEgYmlnIHBhcnQgb2YgdGhlIHJlYXNvbiBJ
      IGhhZCBmb3IgYnVpbGRpbmcgdGhlIGFpcnBsYW5lIGluIHRoZSBmaXJzdCBwbGFjZS4gKEdhcnkg
      Qi4gcGxlYXNlIHdlaWdoLWluLikNCg0KRllJIEkgYW0gYWdhaW4gcmUtdGhpbmtpbmcgbXkgMm5k
      IGlnbml0aW9uIHNvdXJjZS4gSSBhbSBsb29raW5nIGludG8gdGhlIFdJQ08gbWFnIHRoYXQgZHJv
      cHMgZG93biBpbnRvIHRoZSBkaXN0cmlidXRvciBob2xlIGluIHRoZSAiQSIsIChhLWxhIExhcnJ5
      IFdpbGxpYW1zIGZyb20gYSBmZXcgeWVhcnMgYWdvLikgTm8gYmF0dGVyeSwgbm8gY29pbCwgbm8g
      ZGlzdHJpYnV0b3Igb3IgcG9pbnRzLCBvciBlbGVjdHJvbmljIGlnbml0aW9uIG1vZHVsZS4gSGF2
      ZW4ndCBtYWRlIHVwIG15IG1pbmQuLi4uYWxsIEkga25vdyBmb3Igc3VyZSBpcywgdGhhdCBJIHdh
      bnQsIGluIHRoZSB3b3JzdCB3YXkgdG8gZmx5IHRvIEJyb2RoZWFkIHdpdGggdGhlIG9uZSBtYWcg
      SSBoYXZlIG5vdy4NCg0KRGFuIEhlbHNwZXINClB1cnllYXIsIFROIA0KDQoNCg0KDQotLS0tLU9y
      aWdpbmFsIE1lc3NhZ2UtLS0tLQ0KRnJvbTogYmVuZGVyIDxqZmFpdGhAc29sYWlydXNhdmlhdGlv
      bi5jb20+DQpUbzogcGlldGVucG9sLWxpc3QgPHBpZXRlbnBvbC1saXN0QG1hdHJvbmljcy5jb20+
      DQpTZW50OiBUdWUsIEp1biA3LCAyMDExIDE6MDggcG0NClN1YmplY3Q6IFBpZXRlbnBvbC1MaXN0
      OiBBIGlnbml0aW9uDQoNCg0KLS0+IFBpZXRlbnBvbC1MaXN0IG1lc3NhZ2UgcG9zdGVkIGJ5OiAi
      YmVuZGVyIiA8amZhaXRoQHNvbGFpcnVzYXZpYXRpb24uY29tPg0KSSd2ZSBiZWVuIHdvcmtpbmcg
      YXdheS4uLiBlbGV2YXRvcnMgY29ubmVjdGVkLi4gdGFpbCBhbGwgYnJhY2VkIHVwLi4NCmFraW5n
      IGEgY291cGxlIG9mIHB1bGxleSBicmFja2V0cyBmb3IgdGhlIGFpbGVyb25zLi4gYW5kIGFsbCB0
      aGUgd2hpbGUgdHJ5aW5nIA0KbyBmaW5kIHRoZSByaWdodCBlbmdpbmUgcGFydHMNCnRoZXJlIGFy
      ZSBubyBkdWFsIHBsdWcgbW9kZWwgYSBoZWFkcyBvdXQgdGhlcmUuLi4uIHNueWRlcnMgaXMgd29y
      a2luZyBvbiBpdCBidXQgDQpvIGlkZWEgd2hlbiB0aGV5IGFyZSBjb21pbmcuLiBldmVuIHRoZSBz
      aW5nbGUgcGx1ZyBoZWFkcyBvdXQgdGhlcmUgYXJlIGhhcmQgdG8gDQpvbWUgYnkNCnNvIGkgY2Fu
      IGdldCBhIFRob21hcyBhbHVtaW51bSBoZWFkLi4uIGFuZCBpJ20gdGhpbmtpbmcgYWJvdXQgdGhl
      IGNvcnZhaXIgDQpnbml0aW9uIGlkZWEuLg0KZTsgZHVhbCBwb2ludCBkaXN0cmlidXRvci4udHdv
      IGNvaWxzLi4uZG91YmxlIHRocm93IHN3aXRjaCBhbmQgdGhlIG1zZCBjb2lsIA0Kd2l0Y2hlci4u
      DQppJ20gZ3Vlc3NpbmcgaXRzIGJlZW4gcmVsaWFibGUgb24gdGhlIGNvcnZhaXINCnRoZSBvdGhl
      ciBvcHRpb24gaXMgdGhlIHNpbmdsZSBtYWduZXRvDQoganVzdCBoYXBwZW4gdG8gYmUgZnJpZW5k
      cyB3aXRoIHRoZSBwcmVzaWRlbnQgb2YgY2hhbXBpb24gYXZpYXRpb24uLiBhbmQgZG9uJ3QgDQph
      bnQgdG8gdGFrZSBhZHZhbnRhZ2UgYnV0IGkndmUgYmVlbiBvZmZlcmVkIGEgbmV3IHNsaWNrIG1h
      Z25ldG8gaWYgaSB3YW50IA0KbmUuLi4uIGhlIHdhbnRzIGEgcHJvcCBmb3IgaGlzIG9mZmljZS4u
      LiBtYXliZSBpIGNvdWxkIGNhcnZlIGEgcHJhY3RpY2UgcGlldCANCnJvcCBpbiB0cmFkZS4uDQpz
      ZWVtcyBhIGxvdCBvZiBBIHBpZXRzIGhhdmUgYSBzaW5nbGUgaWduaXRpb24uLi5hbmQgaSdtIHN1
      cmUgaXRzIGdyZWF0IGJ1dCB0aGUgDQp1YWwgcG9pbnQgZGlzdHJpYnV0b3IgdGhpbmcgd291bGQg
      YmUgcmVhbGx5IGVhc3kuLiBhbmQgbWF5YmUgbGlnaHRlcg0KYW55IHRob3VnaHRzDQoNCmVmZg0K
      DQoNCmVhZCB0aGlzIHRvcGljIG9ubGluZSBoZXJlOg0KaHR0cDovL2ZvcnVtcy5tYXRyb25pY3Mu
      Y29tL3ZpZXd0b3BpYy5waHA/cD0zNDIzMjIjMzQyMzIyDQoNCg0KDQotPSAgICAgICAgICAtIFRo
      ZSBQaWV0ZW5wb2wtTGlzdCBFbWFpbCBGb3J1bSAtDQotPSBVc2UgdGhlIE1hdHJvbmljcyBMaXN0
      IEZlYXR1cmVzIE5hdmlnYXRvciB0byBicm93c2UNCi09IHRoZSBtYW55IExpc3QgdXRpbGl0aWVz
      IHN1Y2ggYXMgTGlzdCBVbi9TdWJzY3JpcHRpb24sDQotPSBBcmNoaXZlIFNlYXJjaCAmIERvd25s
      b2FkLCA3LURheSBCcm93c2UsIENoYXQsIEZBUSwNCi09IFBob3Rvc2hhcmUsIGFuZCBtdWNoIG11
      Y2ggbW9yZToNCi09DQotPSAgIC0tPiBodHRwOi8vd3d3Lm1hdHJvbmljcy5jb20vTmF2aWdhdG9y
      P1BpZXRlbnBvbC1MaXN0DQotPQ0KLT09PT09PT09PT09PT09PT09PT09PT09PS09ICAgICAgICAg
      ICAgICAgLSBNQVRST05JQ1MgV0VCIEZPUlVNUyAtDQotPSBTYW1lIGdyZWF0IGNvbnRlbnQgYWxz
      byBhdmFpbGFibGUgdmlhIHRoZSBXZWIgRm9ydW1zIQ0KLT0NCi09ICAgLS0+IGh0dHA6Ly9mb3J1
      bXMubWF0cm9uaWNzLmNvbQ0KLT0NCi09PT09PT09PT09PT09PT09PT09PT09PT0tPSAgICAgICAg
      ICAgICAtIExpc3QgQ29udHJpYnV0aW9uIFdlYiBTaXRlIC0NCi09ICBUaGFuayB5b3UgZm9yIHlv
      dXIgZ2VuZXJvdXMgc3VwcG9ydCENCi09ICAgICAgICAgICAgICAgICAgICAgICAgICAgICAgLU1h
      dHQgRHJhbGxlLCBMaXN0IEFkbWluLg0KLT0gICAtLT4gaHR0cDovL3d3dy5tYXRyb25pY3MuY29t
      L2NvbnRyaWJ1dGlvbg0KLT09PT09PT09PT09PT09PT09PT09PT09PQ0KDQoNCg=
      
Message 25
| 					INDEX |  Back to Main INDEX |  
| 				PREVIOUS |  Skip to PREVIOUS Message |  
| 					NEXT |  Skip to NEXT Message |  
| 	LIST |  Reply to LIST Regarding this Message |  
| 		SENDER |  Reply to SENDER Regarding this Message |  
  | 
      
      
| Subject:  | Re: Flying again | 
      
      
      Outstanding, Shad!  I know your pain.  Look forward to photographing them together
      at Brodhead (Good Lord Willin'!).  And yes, 100LL has gone up lately.
      
      do not archive
      
      --------
      Kevin "Axel" Purtee
      NX899KP
      Austin/Georgetown, TX
      
      
      Read this topic online here:
      
      http://forums.matronics.com/viewtopic.php?p=342356#342356
      
      
Message 26
| 					INDEX |  Back to Main INDEX |  
| 				PREVIOUS |  Skip to PREVIOUS Message |  
| 					NEXT |  Skip to NEXT Message |  
| 	LIST |  Reply to LIST Regarding this Message |  
| 		SENDER |  Reply to SENDER Regarding this Message |  
  | 
      
      
| Subject:  | Re: Cabane Fittings | 
      
      
      Try reading Tony Bingelis' books.  He explains in infinite detail exactly
      how to do it.  This is true for 99% of the questions you will have as you
      build your Pietenpol.
      
      Jack Phillips
      NX899JP  "Icarus Plummet"
      Smith Mountain Lake, Virginia
      
      -----Original Message-----
      From: owner-pietenpol-list-server@matronics.com
      [mailto:owner-pietenpol-list-server@matronics.com] On Behalf Of Gboothe5
      Sent: Tuesday, June 07, 2011 12:54 PM
      Subject: RE: Pietenpol-List: Re: Cabane Fittings
      
      
      That's exactly how I did mine, using C-clamps and the ever useful bench
      vise.
      
      Gary
      
      -----Original Message-----
      From: owner-pietenpol-list-server@matronics.com
      [mailto:owner-pietenpol-list-server@matronics.com] On Behalf Of Billy
      McCaskill
      Sent: Tuesday, June 07, 2011 9:10 AM
      Subject: Pietenpol-List: Re: Cabane Fittings
      
      
      Looks like if you had a bending block about 3" long and 15/16" thick, you
      could clamp the bracket around it after the 1st 90 degree bend so that you
      could hammer it around to get the 2nd 90 degree bend you need.  That's what
      I would try to do, can't think of any easier way to do it besides that.
      
      --------
      Billy McCaskill
      Urbana, IL
      tail section almost done, starting on ribs soon
      
      
      Read this topic online here:
      
      http://forums.matronics.com/viewtopic.php?p=342301#342301
      
      
Message 27
| 					INDEX |  Back to Main INDEX |  
| 				PREVIOUS |  Skip to PREVIOUS Message |  
| 					NEXT |  Skip to NEXT Message |  
| 	LIST |  Reply to LIST Regarding this Message |  
| 		SENDER |  Reply to SENDER Regarding this Message |  
  | 
      
      
      
      
      No experiance on the "A"'s (except driving dad's 1932 A V-8-1.5 ton truck
      ), but the msd coil switcher, duel point dist, and duel coil single plug ig
      nition has worked without any problems on our crank snapp'n vair.- It sho
      uld work fine on a A.- The hardest part might be getting both sets of poi
      nts timed exactly the same.- The points have to be pretty dern close (exa
      ctly) 180 degrees apart, and gapped the same to keep the timing exact on bo
      th sets of points, but only one set is firing at a time, the other stricly 
      for back-up.
      -
      Shad
      
Message 28
| 					INDEX |  Back to Main INDEX |  
| 				PREVIOUS |  Skip to PREVIOUS Message |  
| 					NEXT |  Skip to NEXT Message |  
| 	LIST |  Reply to LIST Regarding this Message |  
| 		SENDER |  Reply to SENDER Regarding this Message |  
  | 
      
      
| Subject:  | Re: Ohio Pietenpol Gathering june 18 | 
      
      Thanks Shad,
      
      By the time I got to the farm this AM, the sky was completely black &  
      we wound up getting about an inch of rain in less than an hour.  We  
      missed the hail at the farm, but I heard we got it back in town & at  
      my in-laws.  We'd had ALMOST an entire week of dry weather & we'd  
      hoped to plow & harrow today, but maybe tomorrow.  It's been a crazy  
      spring.  Figures, seeing as it's the first year I decided to farm full  
      time :(
      
      Kip
      
      Do not Archive
      
      On Jun 7, 2011, at 1:21 PM, shad bell wrote:
      
      > Kip, I just got back from driving up to sw canton this morning, what  
      > a storm!  I got into hail high winds and some pretty good down  
      > pours.  It is definitly WET up that way, I saw what I thought was  
      > swamp on the south side of rt 30, just to see it was a field.  Good  
      > Luck with your planting, and may you have a good yeild.
      >
      > Shad
      >
      > --- On Tue, 6/7/11, Kip and Beth Gardner <kipandbeth@earthlink.net>  
      > wrote:
      >
      > From: Kip and Beth Gardner <kipandbeth@earthlink.net>
      > Subject: Re: Pietenpol-List: Ohio Pietenpol Gathering june 18
      > To: pietenpol-list@matronics.com
      > Date: Tuesday, June 7, 2011, 6:49 AM
      >
      > Hi Shad,
      >
      > Unfortunately I won't make it this year.  The excessive rain this  
      > Spring makes farm work a priority now.  With any luck we'll still  
      > have a decent year.
      >
      > Kip Gardner
      >
      > On Jun 6, 2011, at 10:38 AM, shad bell wrote:
      >
      >>
      >>
      >> Fellow Pieters, Just a reminder of my fly-in on saturday june 18  
      >> here at Chapman Memorial Field (6CM) in Centerburg Ohio.  It will  
      >> be a pot luck style event and tent camping here on friday and  
      >> saturday nights.  Hope to see many as many of you Ohio area Guys as  
      >> possible.  Drive ins are welcome, and parking shouldn't be a  
      >> problem.  Please contact me by email, on list or off, if you plan  
      >> on attending. I will give out pattern instructions, driving  
      >> directions etc.
      >>
      >> Hope to see Y'all here, Sat June 18
      >> Shad
      >>
      >>
      >> href="http://www.matronics.com/Navigator?Pietenpol-List">http://www.matronics.com/Navigator?Pietenpol-List
      >> href="http://forums.matronics.com">http://forums.matronics.com
      >> href="http://www.matronics.com/contribution">http://www.matronics.com/contribution
      >>
      >
      >
      > " rel=nofollow target=_blank>http://www.matronics.com/Navigator?Pietenpol-List
      > et=_blank>http://forums.matronics.com
      > llow target=_blank>http://www.matronics.com/contribution
      >
      >
      
      
Message 29
| 					INDEX |  Back to Main INDEX |  
| 				PREVIOUS |  Skip to PREVIOUS Message |  
| 					NEXT |  Skip to NEXT Message |  
| 	LIST |  Reply to LIST Regarding this Message |  
| 		SENDER |  Reply to SENDER Regarding this Message |  
  | 
      
      
| Subject:  | Re: Cabane Fittings | 
      
      
      
      pietflyr(at)bellsouth.net wrote:
      > Try reading Tony Bingelis' books.  He explains in infinite detail exactly
      > how to do it.  This is true for 99% of the questions you will have as you
      > build your Pietenpol.
      > 
      > Jack Phillips
      > NX899JP  "Icarus Plummet"
      > Smith Mountain Lake, Virginia
      > 
      > --
      
      
      Ill do that... I've got his books, but must have overlooked that part, or perhaps
      I just forgot.
      
      --------
      Mark Chouinard
      Wings, Center Section and Empannage framed up - Working on Fuselage
      
      
      Read this topic online here:
      
      http://forums.matronics.com/viewtopic.php?p=342379#342379
      
      
Message 30
| 					INDEX |  Back to Main INDEX |  
| 				PREVIOUS |  Skip to PREVIOUS Message |  
| 					NEXT |  Skip to NEXT Message |  
| 	LIST |  Reply to LIST Regarding this Message |  
| 		SENDER |  Reply to SENDER Regarding this Message |  
  | 
      
      
| Subject:  | Re: Cabane Fittings | 
      
      
      Yep, there it is... starting on page 38 of Sportplane Construction Techniques.
      
      
      We now return you to your regular programming... Brodhead, beets and bad jokes.
      [Rolling Eyes]
      
      Do not archive
      
      --------
      Mark Chouinard
      Wings, Center Section and Empannage framed up - Working on Fuselage
      
      
      Read this topic online here:
      
      http://forums.matronics.com/viewtopic.php?p=342380#342380
      
      
Message 31
| 					INDEX |  Back to Main INDEX |  
| 				PREVIOUS |  Skip to PREVIOUS Message |  
| 					NEXT |  Skip to NEXT Message |  
| 	LIST |  Reply to LIST Regarding this Message |  
| 		SENDER |  Reply to SENDER Regarding this Message |  
  | 
      
      
      
      
      I guess your decision pretty much rests on 2 basic thoughts... 1) do you want a
      battery and alternator (more weight and complexity) and a more elaborate electrical
      system that is untried on a Model A and will require some fabrication and
      experimentation, and 2) do you want a simpler, lighter, more proven, more period-correct
      ignition system that probably won't require as much experimentation
      and testing?  Ultimately it is your plane and your decision, you just have
      to weigh the options carefully and choose the system that will best meet your
      requirements.
      
      --------
      Billy McCaskill
      Urbana, IL
      tail section almost done, starting on ribs soon
      
      
      Read this topic online here:
      
      http://forums.matronics.com/viewtopic.php?p=342383#342383
      
      
Message 32
| 					INDEX |  Back to Main INDEX |  
| 				PREVIOUS |  Skip to PREVIOUS Message |  
| 					NEXT |  Skip to NEXT Message |  
| 	LIST |  Reply to LIST Regarding this Message |  
| 		SENDER |  Reply to SENDER Regarding this Message |  
  | 
      
      
| Subject:  | Re: Flying again | 
      
      
      I'll be there again this year with my camera, and would be happy to take some pictures
      for you Kevin/Shad, or anyone else.  I'd even be willing to do some aerial
      photography of group or formation flights or whatever. 
      
       (This is my way of begging for rides!)  [Wink]
      
      --------
      Billy McCaskill
      Urbana, IL
      tail section almost done, starting on ribs soon
      
      
      Read this topic online here:
      
      http://forums.matronics.com/viewtopic.php?p=342384#342384
      
      
Message 33
| 					INDEX |  Back to Main INDEX |  
| 				PREVIOUS |  Skip to PREVIOUS Message |  
| 					NEXT |  Skip to NEXT Message |  
| 	LIST |  Reply to LIST Regarding this Message |  
| 		SENDER |  Reply to SENDER Regarding this Message |  
  | 
      
      
| Subject:  | Re: Off topic, another beer statistic | 
      
      
      That's really good! Us Canucks only get 10!
      And we walk and paddle a lot more than
      900 I can tell you!
      
      Clif
      >
      > Finally, another meaningful and encouraging static,
      >
      > A 2006 study found that the average American walks about 900 miles a year.
      >
      > Another study found that Americans drink an average of 22 gallons of beer 
      > a year.
      >
      > That means, on average, Americans get about 41 miles per gallon.
      >
      > Not Bad!!!  Maybe I should start drinking beer again?
      >
      > --------
      > Scott Liefeld
      
      
 
Other Matronics Email List Services
 
 
These Email List Services are sponsored solely by Matronics and through the generous Contributions of its members.
 
 
-- Please support this service by making your Contribution today! --
  
 |