 |
Matronics Email Lists Web Forum Interface to the Matronics Email Lists
|
| View previous topic :: View next topic |
| Author |
Message |
user9253
Joined: 28 Mar 2008 Posts: 1969 Location: Riley TWP Michigan
|
Posted: Tue Feb 18, 2014 5:28 pm Post subject: Audio Amp input |
|
|
Bob's audio amplifier http://www.aeroelectric.com/DIY/Audio_Iso_Amp_9009-700L.pdf has 10 microfarad capacitors connected to the LM386 input. Does the polarity matter in this circuit? If so, I assume that the curved part of the capacitor symbol is negative.
Are the values of the input capacitors and resistors critical? I have seen similar circuits whose capacitors are 1 microfarad and whose resistors are 10K or even 100K.
Thanks, Joe
| | - The Matronics AeroElectric-List Email Forum - | | | Use the List Feature Navigator to browse the many List utilities available such as the Email Subscriptions page, Archive Search & Download, 7-Day Browse, Chat, FAQ, Photoshare, and much more:
http://www.matronics.com/Navigator?AeroElectric-List |
|
_________________ Joe Gores |
|
| Back to top |
|
 |
ceengland7(at)gmail.com Guest
|
Posted: Tue Feb 18, 2014 6:09 pm Post subject: Audio Amp input |
|
|
On 2/18/2014 7:28 PM, user9253 wrote:
| Quote: |
Bob's audio amplifier http://www.aeroelectric.com/DIY/Audio_Iso_Amp_9009-700L.pdf has 10 microfarad capacitors connected to the LM386 input. Does the polarity matter in this circuit? If so, I assume that the curved part of the capacitor symbol is negative.
Are the values of the input capacitors and resistors critical? I have seen similar circuits whose capacitors are 1 microfarad and whose resistors are 10K or even 100K.
Thanks, Joe
--------
Joe Gores
The straight line is the positive terminal of the capacitor.
|
https://www.google.com/search?q=electrolytic+capacitor+symbol&espv=210&es_sm=93&tbm=isch&tbo=u&source=univ&sa=X&ei=aBEEU5SrG43ykQfX-YHQDQ&ved=0CDUQsAQ&biw=1920&bih=993
| | - The Matronics AeroElectric-List Email Forum - | | | Use the List Feature Navigator to browse the many List utilities available such as the Email Subscriptions page, Archive Search & Download, 7-Day Browse, Chat, FAQ, Photoshare, and much more:
http://www.matronics.com/Navigator?AeroElectric-List |
|
|
|
| Back to top |
|
 |
edpav8r(at)yahoo.com Guest
|
Posted: Tue Feb 18, 2014 9:48 pm Post subject: Audio Amp input |
|
|
Joe,
If you really want to split hairs, the symbol on Bob's schematic does mean polarized capacitor, but many symbol guides use it interchangeably with the symbol that uses two straight lines (unpolarized). For schematics drawn in the US, unless you see a "+" on the straight line, it's generally safe to assume the cap is unpolarized.
If you look at the photos of Bob's circuit board, you can see that he used unpolarized ceramic capacitors across the board.
I'll leave it to Bob to handle your question about R and C values on the input. I suspect he chose those values for reasons of impedance matching...
Eric
On Feb 18, 2014, at 8:28 PM, "user9253" <fransew(at)gmail.com> wrote:
| Quote: | Bob's audio amplifier http://www.aeroelectric.com/DIY/Audio_Iso_Amp_9009-700L.pdf has 10 microfarad capacitors connected to the LM386 input. Does the polarity matter in this circuit? If so, I assume that the curved part of the capacitor symbol is negative.
Are the values of the input capacitors and resistors critical? I have seen similar circuits whose capacitors are 1 microfarad and whose resistors are 10K or even 100K.
Thanks, Joe
--------
Joe Gores
|
| | - The Matronics AeroElectric-List Email Forum - | | | Use the List Feature Navigator to browse the many List utilities available such as the Email Subscriptions page, Archive Search & Download, 7-Day Browse, Chat, FAQ, Photoshare, and much more:
http://www.matronics.com/Navigator?AeroElectric-List |
|
|
|
| Back to top |
|
 |
nuckolls.bob(at)aeroelect Guest
|
Posted: Wed Feb 19, 2014 8:18 am Post subject: Audio Amp input |
|
|
At 07:28 PM 2/18/2014, you wrote:
--> AeroElectric-List message posted by: "user9253" <fransew(at)gmail.com>
Bob's audio amplifier http://www.aeroelectric.com/DIY/Audio_Iso_Amp_9009-700L.pdf has 10 microfarad capacitors connected to the LM386 input. Does the polarity matter in this circuit? If so, I assume that the curved part of the capacitor symbol is negative.
Are the values of the input capacitors and resistors critical? I have seen similar circuits whose capacitors are 1 microfarad and whose resistors are 10K or even 100K.
Thanks, Joe
Those resistors were selected with two criteria in
mind
(1) the input impedance of the amplifier was crafted
to be in the same ballpark as the aviation headsets
150-600 ohms. Hence the suggested first-choice values
for resistors on the gain-selection sockets of 150 ohms.
(2) the 'amplifier' didn't really need to have any
gain . . . we're wanting to simply mix a combination
of headset audio values together into an output on
the same order. The LM386 chip as a minimum gain
of 20
http://tinyurl.com/ps3zj69
so the downstream resistor wanted to offer some
attenuation of the incoming signal. In this
case, 10 ohm resistors offered a 15:1 attenuation
ratio.
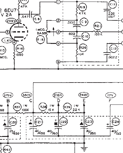
The figures on Page 8 of the assembly manual show
dipped tantalum capacitors in most of the slots, exceptions
being 120, 121 and 127 which are monolythic ceramics.
However, these three capacitors COULD also be tantalums
which is why the parts locator drawing has polarity dots
on the capacitor locations to denote the more positive
terminal.
Input coupling capacitor polarity is not critical . . .
if any DC differences are expected between the amplifier
and a signal source, it is supposed to be zero to very
small . . . there is little potential for undesired
performance should these capacitors be installed the
other way.
Most schematics will use the flat-plate/curved-plate
symbol for all capacitors. About the only time you'll
find flat/flat symbols is in the legacy literature.
If the bill of materials calls out electrolytic
for a particular capacitor, then the schematic will
often included a + adjacent to the positive terminal
but lacking specific instructions, the flat plate is
supposed to always be +.
http://tinyurl.com/ps3zj69
Flat/flat capacitor symbols didn't garner favor for
very long. Some of the oldest Heathkit and ARRL publications
went flat/curved for all variants of the capacitor
[img]cid:.0[/img]
Bob . . .
| | - The Matronics AeroElectric-List Email Forum - | | | Use the List Feature Navigator to browse the many List utilities available such as the Email Subscriptions page, Archive Search & Download, 7-Day Browse, Chat, FAQ, Photoshare, and much more:
http://www.matronics.com/Navigator?AeroElectric-List |
|
| Description: |
|
| Filesize: |
128.77 KB |
| Viewed: |
4042 Time(s) |

|
|
|
| Back to top |
|
 |
user9253
Joined: 28 Mar 2008 Posts: 1969 Location: Riley TWP Michigan
|
Posted: Wed Feb 19, 2014 9:10 am Post subject: Re: Audio Amp input |
|
|
Bob and all, thanks for the explanations. Using a capacitor symbol with a curved line avoids confusion with the symbol for relay contacts which has two straight lines.
Joe
| | - The Matronics AeroElectric-List Email Forum - | | | Use the List Feature Navigator to browse the many List utilities available such as the Email Subscriptions page, Archive Search & Download, 7-Day Browse, Chat, FAQ, Photoshare, and much more:
http://www.matronics.com/Navigator?AeroElectric-List |
|
_________________ Joe Gores |
|
| Back to top |
|
 |
|
|
You cannot post new topics in this forum You cannot reply to topics in this forum You cannot edit your posts in this forum You cannot delete your posts in this forum You cannot vote in polls in this forum You cannot attach files in this forum You can download files in this forum
|
Powered by phpBB © 2001, 2005 phpBB Group
|