 |
Matronics Email Lists Web Forum Interface to the Matronics Email Lists
|
| View previous topic :: View next topic |
| Author |
Message |
billhuntersemail(at)gmail Guest
|
Posted: Tue Jan 03, 2017 6:57 pm Post subject: SD-20/SD-60 Question |
|
|
Hi Again…On a Roll Tonight I guess!!!
I am running a SD-60 and a LR3C-14 Voltage Regulator on one bus with its own battery and a SD-20 with its own LR3C-14 Voltage Regulator on the second bus with its own battery. The engine is a Lycoming IO-540.
QUESTION 1: I intend to operate my two electrical systems isolated with a bus tie that will be used for engine start only and then untied afterwards. What happens if I forget to untie the two busses after engine start and both the SD-60 and the SD-20 are providing current to the combined system? Do they share the load equally on the combined system? What happens should the system load reach 50 AMPS? Does the SD-20 simply max out at 20 AMPS and then the SD-60 picks up the rest of the 30 AMPS?
QUESTION 2: If I do remember to untie the busses…What happens to the single system when there is a temporary current spike on that isolated system? Example: Should the alternator be running at 90 percent of its capacity and then the electric landing gear hydraulic pump cycles and draws another 25-30 AMPS. Does the voltage regulator simply limit the alternator output to its max output of 60/20 AMPS and then the system draws down the battery during the short time the gear pump is active or does the voltage regulator deactivate the SD-60 requiring a reset?
QUESTION 3: How much output does the SD-60 and the SD-20 really put out both at idle and at cruise RPM? I heard that the belt driven alternator will put out full production at low RPM however the SD-20 will only put out lower production at low RPM and only reach it’s full rated production at max RPM?
THANKS AGAIN ALL.
OH…BTW…I wish you all a prosperous New Year!!!
..
Cheers!!!
Bill Hunter
| | - The Matronics AeroElectric-List Email Forum - | | | Use the List Feature Navigator to browse the many List utilities available such as the Email Subscriptions page, Archive Search & Download, 7-Day Browse, Chat, FAQ, Photoshare, and much more:
http://www.matronics.com/Navigator?AeroElectric-List |
|
|
|
| Back to top |
|
 |
user9253
Joined: 28 Mar 2008 Posts: 1967 Location: Riley TWP Michigan
|
Posted: Tue Jan 03, 2017 8:00 pm Post subject: Re: SD-20/SD-60 Question |
|
|
Answer 1: The alternators do not share the load equally. The load will draw current from the source with the highest voltage. It depends on what voltage each regulator is set at. If the 60 amp is set at a higher voltage, it will provide all of the current. If the 20 amp is set at a higher voltage and the load is higher than 20 amps, the 20 amp alternator will put out its maximum current but will not be able to maintain the voltage because the load is too great. Once the voltage sags below the set point of the 60 amp alternator, then the 60 amp alternator will turn on and help the 20 amp alternator. The 20 amp alternator will still be putting out its maximum current which could cause it to get hot if not provided with cooling. There could be some instability where each alternator output varies up and down.
Answer 2: Here again, the load will draw current from the source with the highest voltage. If the alternator voltage sags due to excessive current, when the alternator voltage sags to battery voltage, then part of the current will come from the battery and part from the alternator. A voltage regulator regulates voltage, not current. If the voltage sags, the regulator will increase alternator field current in an attempt to maintain the set point voltage. If the load is too great, the alternator output voltage will sag while its output current will be at maximum. Alternator output current is self limiting. It is only capable of so much. I have never heard of a voltage regulator deactivating and requiring a reset.
Answer 3: I do not know.
| | - The Matronics AeroElectric-List Email Forum - | | | Use the List Feature Navigator to browse the many List utilities available such as the Email Subscriptions page, Archive Search & Download, 7-Day Browse, Chat, FAQ, Photoshare, and much more:
http://www.matronics.com/Navigator?AeroElectric-List |
|
_________________ Joe Gores |
|
| Back to top |
|
 |
johnbright

Joined: 14 Dec 2011 Posts: 166 Location: Newport News, VA
|
Posted: Tue Jan 03, 2017 10:02 pm Post subject: Re: SD-20/SD-60 Question |
|
|
1/2)
Diagram Z-12 calls for:
Two alternators and one battery.
SD-60 alternator with LR-3 regulator. B and C presets this regulator to 14.2 volts.
SD-20 alternator with SB-1 regulator, B and C presets this regulator to 13.0 volts.
The SD-60 will carry all the load because it is set higher; but Z-12 has SD-20 switched off until needed.
When SD-60 is inoperative Z-12 calls for:
A panel light that will flash above 20 amps calling for you to shed load.
The panel light flashes if you install the SBK-14 option for the SB1B-14 regulator.
I interpolate the SD-20 will make 20 amps at 1750 rpm.
I think the battery will absorb most of the short-term hydraulic pump current. Also think about what engine RPM will be.
But are you using Z-14? Z-14 calls for two two alternators at 14.2 volts. Ref its description in Appendix Z and also in Chapter 17 "Electrical System Reliability"; paragraph "Dual Alternator/Dual Battery . . . the mother of all electrical systems. . . ."
3)
SD-20, ref page 2 here:
https://bandc.com/wp-content/uploads/2019/08/quickfacts_bc410-h_2019.pdf
Runs at 1.3 times crank RPM.
| | - The Matronics AeroElectric-List Email Forum - | | | Use the List Feature Navigator to browse the many List utilities available such as the Email Subscriptions page, Archive Search & Download, 7-Day Browse, Chat, FAQ, Photoshare, and much more:
http://www.matronics.com/Navigator?AeroElectric-List |
|
Last edited by johnbright on Tue Oct 29, 2019 8:49 pm; edited 3 times in total |
|
| Back to top |
|
 |
Mauledriver(at)nc.rr.com Guest
|
Posted: Wed Jan 04, 2017 8:56 am Post subject: SD-20/SD-60 Question |
|
|
On 1/3/2017 9:55 PM, William Hunter wrote:
| Quote: | <![endif]--> <![endif]-->
I am running a SD-60 and a LR3C-14 Voltage Regulator on one bus with its own battery and a SD-20 with its own LR3C-14 Voltage Regulator on the second bus with its own battery. The engine is a Lycoming IO-540.
| I have been operating an RV10 with a Z-14, LR3Cs, an SD40 and SD20, all on an IO-540. A Z-14 is what you are describing.
| Quote: |
QUESTION 1: I intend to operate my two electrical systems isolated with a bus tie that will be used for engine start only and then untied afterwards. What happens if I forget to untie the two busses after engine start and both the SD-60 and the SD-20 are providing current to the combined system? Do they share the load equally on the combined system? What happens should the system load reach 50 AMPS? Does the SD-20 simply max out at 20 AMPS and then the SD-60 picks up the rest of the 30 AMPS?
| Operationally, the idea is to use the systems tied for the start, then untie them for flight. I've run them both ways, 50:50, over 800 hours. No problems either way but I can't tell you exactly what was charging what, when, due a voltage measurement problem (see way below).
A big reason you run them split is so you can detect any problems. I recently 'lost' the SD-40 in IMC - low voltage light came on and bus voltage dropped to battery levels on the one bus. Nothing popped or anything so I simply cross-tied the buses and turned off the Alt/Batt switch on the SD-40 side. The SD-20 kept the voltage at an acceptable, constant level until the flight was completed. (the problem on the SD-40 bus turned out to a degraded connection somewhere in the LR3-switch-bus circuit that detects field voltage. Executing B&C LR3 troubleshooting procedure identified the problem. All connections were physically reset and problem resolved)
| Quote: |
QUESTION 2: If I do remember to untie the busses…What happens to the single system when there is a temporary current spike on that isolated system? Example: Should the alternator be running at 90 percent of its capacity and then the electric landing gear hydraulic pump cycles and draws another 25-30 AMPS. Does the voltage regulator simply limit the alternator output to its max output of 60/20 AMPS and then the system draws down the battery during the short time the gear pump is active or does the voltage regulator deactivate the SD-60 requiring a reset?
| Just like a single bus/alt/batt, it draws on the battery but you won't even notice.
| Quote: |
QUESTION 3: How much output does the SD-60 and the SD-20 really put out both at idle and at cruise RPM? I heard that the belt driven alternator will put out full production at low RPM however the SD-20 will only put out lower production at low RPM and only reach it’s full rated production at max RPM?
| Yes, the SD-20 will put out considerably less than 20amps at idle. Doesn't really matter in my experience
Voltage Measurement: I created a problem with how I measured bus voltages. I have a GRT panel with (3) EFISs and (1) EIS. I took one voltage measurement from the EIS and the other from the EFIS, and then displayed the 2 voltages on the EFIS. This was easy since the EFISs were on 1 bus and the EIS on the other. In both cases I was getting the voltage level of the feeds for each system. However the EFISs represent a significant load and the voltage there was about .6 volts less than bus voltage. On the other hand, the EIS is a very low, constant load device and the voltage there more or less was equal to bus voltage. Many problems resulted from this. The solution is to get your 2 bus measurements from places that match bus voltages.
Load Balancing: Distinguish between constant loads and temporary loads. My understanding is that you generally balance for constant loads (Powered on panel devices, strobes, running lights) and rely on your excess capacity and battery for the others (gear, landing lights, radio transmit, engine start). I got a bit fancy and started with too many constant loads on the SD-20. Though the SD-20 will run everything on both buses in daytime cruise and keep the battery fully charged.
Charging voltage levels: If you are using AGM batteries (PC680s here) be careful about low bus voltages. 14.2 is a good minimum and you should see at least 14 on both buses at shutdown. Anything less means that your battery is being stored at less than full charge and that will shorten its life. Any shutdown voltage level of 13.x is going to cost you extra battery money in my experience.
Bill "wishing for FIKI" Watson
This email has been checked for viruses by Avast antivirus software.
www.avast.com
| | - The Matronics AeroElectric-List Email Forum - | | | Use the List Feature Navigator to browse the many List utilities available such as the Email Subscriptions page, Archive Search & Download, 7-Day Browse, Chat, FAQ, Photoshare, and much more:
http://www.matronics.com/Navigator?AeroElectric-List |
|
|
|
| Back to top |
|
 |
nuckolls.bob(at)aeroelect Guest
|
Posted: Wed Jan 04, 2017 10:16 am Post subject: SD-20/SD-60 Question |
|
|
I am running a SD-60 and a LR3C-14 Voltage Regulator on one bus with its own battery and a SD-20 with its own LR3C-14 Voltage Regulator on the second bus with its own battery. The engine is a Lycoming IO-540.
Okay, Figure Z-14 . . .
QUESTION 1: I intend to operate my two electrical systems isolated with a bus tie that will be used for engine start only and then untied afterwards. What happens if I forget to untie the two busses after engine start and both the SD-60 and the SD-20 are providing current to the combined system? Do they share the load equally on the combined system? What happens should the system load reach 50 AMPS? Does the SD-20 simply max out at 20 AMPS and then the SD-60 picks up the rest of the 30 AMPS?
Not necessarily. Both regulators should be set for
optimal BATTERY maintenance (14.2 to 14.6 volts).
It’s practically impossible to set them to the same
voltage. Hence, while paralleled, the alternator
with the slightly higher setting will ‘hog’ the
load until such time as it maxes out, bus voltage
falls until the alternator with the lower set-point
picks up the difference.
QUESTION 2: If I do remember to untie the busses . . .
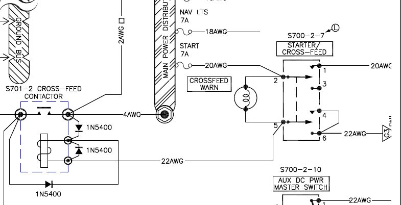
How would this happen? If wired per the published
drawing, the crossfeed contactor is automatically
closed when a SPRING LOADED switch is moved to
START position. This gets you two batteries for
cranking while illuminating a CROSSFEED WARN
light. When the engine starts, the switch is
released, the contactor opens, the light goes
out. Nothing to 'forget'.
[img]cid:.0[/img]
What happens to the single system when there is a temporary current spike on that isolated system? Example: Should the alternator be running at 90 percent of its capacity and then the electric landing gear hydraulic pump cycles and draws another 25-30 AMPS. Does the voltage regulator simply limit the alternator output to its max output of 60/20 AMPS and then the system draws down the battery during the short time the gear pump is active or does the voltage regulator deactivate the SD-60 requiring a reset?
Not sure what the concern is here. First, how do
you expect to normally load either alternator so
heavily? Both sides should be designed to achieve
25% or so of headroom on the alternator for battery
charging.
But even if the inrush current from a pump motor
exceeds an alternator's rated capacity, the bus
voltage sags, the battery picks up the difference,
and all returns to normal after the event . . . which
is generally over in tens of milliseconds. No big
deal.
QUESTION 3: How much output does the SD-60 and the SD-20 really put out both at idle and at cruise RPM? I heard that the belt driven alternator will put out full production at low RPM however the SD-20 will only put out lower production at low RPM and only reach it’s full rated production at max RPM?
Generally true. Don't go by what you HEAR . . . go
get the specs from the folks who design, manufacture,
sell and support the systems. Generally speaking,
B&C belt driven alternators DO run fast . . . unlike
alternators deliberately slowed by installation of
larger pulleys (to save bearings), the B&C alternators
(and most others) produce a substantial fraction of
rated output at taxi speeds.
The SD-20 is mechanically crippled by installation on
a drive pad with a max rpm on the order of 4K . . . LESS
than minimum speed for full output from the 40A core
from which the SD-20 is manufactured.
Have offered that, it behooves every builder to KNOW
what the in flight running loads are on ANY alternators.
To KNOW what headroom is available to recharge the
companion battery. To KNOW what energy levels are
stored in any combination of batteries.
Figure Z-14 offers a tall fire-wall against failures
but it does not negate the value of discovering and
understanding EVERYTHING there is to know about how
all the pieces fit together along with the effect
any single failure might have on in-flight systems
operations.
Bob . . .
This email has been checked for viruses by Avast antivirus software.
www.avast.com
| | - The Matronics AeroElectric-List Email Forum - | | | Use the List Feature Navigator to browse the many List utilities available such as the Email Subscriptions page, Archive Search & Download, 7-Day Browse, Chat, FAQ, Photoshare, and much more:
http://www.matronics.com/Navigator?AeroElectric-List |
|
| Description: |
|
| Filesize: |
110.65 KB |
| Viewed: |
4845 Time(s) |

|
|
|
| Back to top |
|
 |
|
|
You cannot post new topics in this forum You cannot reply to topics in this forum You cannot edit your posts in this forum You cannot delete your posts in this forum You cannot vote in polls in this forum You cannot attach files in this forum You can download files in this forum
|
Powered by phpBB © 2001, 2005 phpBB Group
|