 |
Matronics Email Lists Web Forum Interface to the Matronics Email Lists
|
| View previous topic :: View next topic |
| Author |
Message |
kenryan
Joined: 20 Oct 2009 Posts: 429
|
Posted: Tue Nov 11, 2014 7:54 am Post subject: alternator / generator |
|
|
The Rotax 914 wiring diagram shows an integrated generator with external regulator-rectifier and an external alternator with built in regulator. It looks like the integrated generator is disconnected from the battery (by relay) when the master is off but the external alternator remains connected. The text indicates the integrated generator will run the battery down if not disconnected, but does not say that for the external alternator. Does this make sense?
[quote][b]
| | - The Matronics AeroElectric-List Email Forum - | | | Use the List Feature Navigator to browse the many List utilities available such as the Email Subscriptions page, Archive Search & Download, 7-Day Browse, Chat, FAQ, Photoshare, and much more:
http://www.matronics.com/Navigator?AeroElectric-List |
|
|
|
| Back to top |
|
 |
nuckolls.bob(at)aeroelect Guest
|
Posted: Tue Nov 11, 2014 6:42 pm Post subject: alternator / generator |
|
|
At 09:52 2014-11-11, you wrote:
| Quote: | The Rotax 914 wiring diagram shows an integrated generator with
external regulator-rectifier and an external alternator with built
in regulator. It looks like the integrated generator is disconnected
from the battery (by relay) when the master is off but the external
alternator remains connected. The text indicates the integrated
generator will run the battery down if not disconnected, but does
not say that for the external alternator. Does this make sense?
|
It makes sense to Rotax . . . but Rotax doesn't
build or fly airplanes. This is a case similar
the one where Garmin recommended an electrical sytem
architecture in the back of one of their EFIS
installation manuals. Never a good idea.
How do YOU want your airplane to work? Check out
Z-13/8, Z-12, and Z-14 in the 'Connection along
with their companion narratives in Chapter 17
and YOU decide what makes sense for you.
Bob . . .
| | - The Matronics AeroElectric-List Email Forum - | | | Use the List Feature Navigator to browse the many List utilities available such as the Email Subscriptions page, Archive Search & Download, 7-Day Browse, Chat, FAQ, Photoshare, and much more:
http://www.matronics.com/Navigator?AeroElectric-List |
|
|
|
| Back to top |
|
 |
kenryan
Joined: 20 Oct 2009 Posts: 429
|
Posted: Tue Nov 11, 2014 8:25 pm Post subject: alternator / generator |
|
|
Sheesh. Let me try again: The Rotax (major, major manufacturer of aircraft engines) wiring diagram seems to indicate that the "integrated generator" (which has an external regulator-rectifier) must be disconnected from the battery to avoid discharging the battery when it is not turning. On the other hand, the external "alternator" (which has a built in regulator) is wired directly to the battery, indicating that it does NOT need to be disconnected to avoid running down the battery. Is this consistent with you knowledgeable folks' understanding of these sorts of generators and alternators?
On Tue, Nov 11, 2014 at 5:41 PM, Robert L. Nuckolls, III <nuckolls.bob(at)aeroelectric.com (nuckolls.bob(at)aeroelectric.com)> wrote:
[quote]--> AeroElectric-List message posted by: "Robert L. Nuckolls, III" <nuckolls.bob(at)aeroelectric.com (nuckolls.bob(at)aeroelectric.com)>
At 09:52 2014-11-11, you wrote:
| Quote: | The Rotax 914 wiring diagram shows an integrated generator with external regulator-rectifier and an external alternator with built in regulator. It looks like the integrated generator is disconnected from the battery (by relay) when the master is off but the external alternator remains connected. The text indicates the integrated generator will run the battery down if not disconnected, but does not say that for the external alternator. Does this make sense?
|
  It makes sense to Rotax . . . but Rotax doesn't
  build or fly airplanes. This is a case similar
  the one where Garmin recommended an electrical sytem
  architecture in the back of one of their EFIS
  installation manuals. Never a good idea.
  How do YOU want your airplane to work? Check out
  Z-13/8, Z-12, and Z-14 in the 'Connection along
  with their companion narratives in Chapter 17
  and YOU decide what makes sense for you.
 Bob . . .
====================================
br> fts!)
r> > /www.aeroelectric.com" target="_blank">www.aeroelectric.com
w.buildersbooks.com" target="_blank">www.buildersbooks.com
p.com" target="_blank">www.homebuilthelp.com
e.com" target="_blank">www.mypilotstore.com
" target="_blank">www.mrrace.com
target="_blank">http://www.matronics.com/contribution
     -Matt Dralle, List Admin.
====================================
-
Electric-List" target="_blank">http://www.matronics.com/Navigator?AeroElectric-List
====================================
FORUMS -
_blank">http://forums.matronics.com
====================================
[b]
| | - The Matronics AeroElectric-List Email Forum - | | | Use the List Feature Navigator to browse the many List utilities available such as the Email Subscriptions page, Archive Search & Download, 7-Day Browse, Chat, FAQ, Photoshare, and much more:
http://www.matronics.com/Navigator?AeroElectric-List |
|
|
|
| Back to top |
|
 |
yellowduckduo(at)gmail.co Guest
|
Posted: Wed Nov 12, 2014 5:24 am Post subject: alternator / generator |
|
|
Yes (probably)
If you have the external alternator connect it to a battery and measure
the standby current for a definitive answer.
Most vehicles leave the alternator connected 24/7 and they usually draw
an acceptable couple of mA drain. Sounds like that is the case for your
unit although I also have been appalled by the documentation
accompanying equipment from "major manufacturers" so I would not put a
lot of money on it.
For example the 40A IR Nippondenso that I use was only installed on non
road equipment and it draws 2 Amps with the motor off so this one indeed
needs to be disconnected.
Perhaps someone who has a rotax will chime in with specific details for you.
Ken
On 11/11/2014 11:23 PM, Ken Ryan wrote:
| Quote: | Sheesh. Let me try again: The Rotax (major, major manufacturer of
aircraft engines) wiring diagram seems to indicate that the
"integrated generator" (which has an external regulator-rectifier)
must be disconnected from the battery to avoid discharging the battery
when it is not turning. On the other hand, the external "alternator"
(which has a built in regulator) is wired directly to the battery,
indicating that it does NOT need to be disconnected to avoid running
down the battery. Is this consistent with you knowledgeable folks'
understanding of these sorts of generators and alternators?
On Tue, Nov 11, 2014 at 5:41 PM, Robert L. Nuckolls, III
<nuckolls.bob(at)aeroelectric.com <mailto:nuckolls.bob(at)aeroelectric.com>>
wrote:
<nuckolls.bob(at)aeroelectric.com <mailto:nuckolls.bob(at)aeroelectric.com>>
At 09:52 2014-11-11, you wrote:
The Rotax 914 wiring diagram shows an integrated generator
with external regulator-rectifier and an external alternator
with built in regulator. It looks like the integrated
generator is disconnected from the battery (by relay) when the
master is off but the external alternator remains connected.
The text indicates the integrated generator will run the
battery down if not disconnected, but does not say that for
the external alternator. Does this make sense?
It makes sense to Rotax . . . but Rotax doesn't
build or fly airplanes. This is a case similar
the one where Garmin recommended an electrical sytem
architecture in the back of one of their EFIS
installation manuals. Never a good idea.
How do YOU want your airplane to work? Check out
Z-13/8, Z-12, and Z-14 in the 'Connection along
with their companion narratives in Chapter 17
and YOU decide what makes sense for you.
Bob . . .
====================================
br> fts!)
r> > /www.aeroelectric.com" target="_blank">www.aeroelectric.com
w.buildersbooks.com" target="_blank">www.buildersbooks.com
p.com" target="_blank">www.homebuilthelp.com
e.com" target="_blank">www.mypilotstore.com
" target="_blank">www.mrrace.com
target="_blank">http://www.matronics.com/contribution
-Matt Dralle, List Admin.
====================================
-
Electric-List"
target="_blank">http://www.matronics.com/Navigator?AeroElectric-List
====================================
FORUMS -
_blank">http://forums.matronics.com
====================================
*
*
|
| | - The Matronics AeroElectric-List Email Forum - | | | Use the List Feature Navigator to browse the many List utilities available such as the Email Subscriptions page, Archive Search & Download, 7-Day Browse, Chat, FAQ, Photoshare, and much more:
http://www.matronics.com/Navigator?AeroElectric-List |
|
|
|
| Back to top |
|
 |
user9253
Joined: 28 Mar 2008 Posts: 1948 Location: Riley TWP Michigan
|
Posted: Wed Nov 12, 2014 6:06 am Post subject: Re: alternator / generator |
|
|
On page 110 of the Rotax 914 installation manual (July 1 2008) http://www.flyrotax.com/portaldata/5/dokus/d04273.pdf
The wiring diagram has a master battery contactor that disconnects the battery from the aircraft electrical system including both alternators.
The rectifier/regulator that controls the integrated dynamo has a terminal "C" that senses system voltage and enables the rectifier/regulator. It could run down the battery over a period of time.
The external alternator has a terminal "IG" that powers the field. It would also run down the battery if left on.
Joe
| | - The Matronics AeroElectric-List Email Forum - | | | Use the List Feature Navigator to browse the many List utilities available such as the Email Subscriptions page, Archive Search & Download, 7-Day Browse, Chat, FAQ, Photoshare, and much more:
http://www.matronics.com/Navigator?AeroElectric-List |
|
_________________ Joe Gores |
|
| Back to top |
|
 |
raymondj(at)frontiernet.n Guest
|
Posted: Wed Nov 12, 2014 7:04 am Post subject: alternator / generator |
|
|
There is a Rotax list here on the Matronics server that has some very
knowledgeable people on it. There might be a thread in the archives. If
not, it's likely someone will have an answer to your question.
Raymond Julian
Kettle River, MN
The things we admire in men, kindness and generosity, openness, honesty,
understanding and feeling are the concomitants of failure in our system.
And those traits we detest, sharpness, greed, acquisitiveness, meanness,
egotism and self-interest are the traits of success. And while men
admire the quality of the first they love the produce of the second.
-John Steinbeck, novelist, Nobel laureate (1902-1968)
On 11/11/2014 10:23 PM, Ken Ryan wrote:
| Quote: | Sheesh. Let me try again: The Rotax (major, major manufacturer of
aircraft engines) wiring diagram seems to indicate that the "integrated
generator" (which has an external regulator-rectifier) must be
disconnected from the battery to avoid discharging the battery when it
is not turning. On the other hand, the external "alternator" (which has
a built in regulator) is wired directly to the battery, indicating that
it does NOT need to be disconnected to avoid running down the battery.
Is this consistent with you knowledgeable folks' understanding of these
sorts of generators and alternators?
On Tue, Nov 11, 2014 at 5:41 PM, Robert L. Nuckolls, III
<nuckolls.bob(at)aeroelectric.com <mailto:nuckolls.bob(at)aeroelectric.com>>
wrote:
<nuckolls.bob(at)aeroelectric.com <mailto:nuckolls.bob(at)aeroelectric.com>__>
At 09:52 2014-11-11, you wrote:
The Rotax 914 wiring diagram shows an integrated generator with
external regulator-rectifier and an external alternator with
built in regulator. It looks like the integrated generator is
disconnected from the battery (by relay) when the master is off
but the external alternator remains connected. The text
indicates the integrated generator will run the battery down if
not disconnected, but does not say that for the external
alternator. Does this make sense?
It makes sense to Rotax . . . but Rotax doesn't
build or fly airplanes. This is a case similar
the one where Garmin recommended an electrical sytem
architecture in the back of one of their EFIS
installation manuals. Never a good idea.
How do YOU want your airplane to work? Check out
Z-13/8, Z-12, and Z-14 in the 'Connection along
with their companion narratives in Chapter 17
and YOU decide what makes sense for you.
Bob . . .
====__==============================__==
br> fts!)
r> > /www.aeroelectric.com" target="_blank">www.aeroelectric.com
w.buildersbooks.com" target="_blank">www.buildersbooks.com
p.com" target="_blank">www.homebuilthelp.com
e.com" target="_blank">www.mypilotstore.com
" target="_blank">www.mrrace.com
target="_blank">http://www.matronics.com/__contribution
-Matt Dralle, List Admin.
====__==============================__==
-
Electric-List"
target="_blank">http://www.matronics.com/__Navigator?AeroElectric-List
====__==============================__==
FORUMS -
_blank">http://forums.matronics.com
====__==============================__==
*
*
|
| | - The Matronics AeroElectric-List Email Forum - | | | Use the List Feature Navigator to browse the many List utilities available such as the Email Subscriptions page, Archive Search & Download, 7-Day Browse, Chat, FAQ, Photoshare, and much more:
http://www.matronics.com/Navigator?AeroElectric-List |
|
|
|
| Back to top |
|
 |
kenryan
Joined: 20 Oct 2009 Posts: 429
|
Posted: Wed Nov 12, 2014 7:28 am Post subject: alternator / generator |
|
|
Thanks Joe and Ken. Joe's answer I believe answers my question. I was thinking that circuit was just for the warning lamp. Didn't know it was the IG wire that would run down the battery.Â
That brings me to another question: What do those warning lamps typically indicate? A negative current? There's one for each of the two charging devices. Also, I have heard that these lamps must be incandescent (not LED). Unfortunately I cannot not find a answers to even these basic questions in the Rotax reference materials.
On Wed, Nov 12, 2014 at 5:06 AM, user9253 <fransew(at)gmail.com (fransew(at)gmail.com)> wrote:
[quote]--> AeroElectric-List message posted by: "user9253" <fransew(at)gmail.com (fransew(at)gmail.com)>
On page 110 of the Rotax 914 installation manual (July 1 2008) http://www.flyrotax.com/portaldata/5/dokus/d04273.pdf
The wiring diagram has a master battery contactor that disconnects the battery from the aircraft electrical system including both alternators.
 The rectifier/regulator that controls the integrated dynamo has a terminal "C" that senses system voltage and enables the rectifier/regulator. It could run down the battery over a period of time.
 The external alternator has a terminal "IG" that powers the field. It would also run down the battery if left on.
Joe
--------
Joe Gores
Read this topic online here:
http://forums.matronics.com/viewtopic.php?p=433504#433504
===========
br> fts!)
r> > com" target="_blank">www.aeroelectric.com
w.buildersbooks.com" target="_blank">www.buildersbooks.com
p.com" target="_blank">www.homebuilthelp.com
e.com" target="_blank">www.mypilotstore.com
" target="_blank">www.mrrace.com
target="_blank">http://www.matronics.com/contribution
     -Matt Dralle, List Admin.
===========
-
Electric-List" target="_blank">http://www.matronics.com/Navigator?AeroElectric-List
===========
FORUMS -
_blank">http://forums.matronics.com
===========
[b]
| | - The Matronics AeroElectric-List Email Forum - | | | Use the List Feature Navigator to browse the many List utilities available such as the Email Subscriptions page, Archive Search & Download, 7-Day Browse, Chat, FAQ, Photoshare, and much more:
http://www.matronics.com/Navigator?AeroElectric-List |
|
|
|
| Back to top |
|
 |
kenryan
Joined: 20 Oct 2009 Posts: 429
|
Posted: Wed Nov 12, 2014 7:40 am Post subject: alternator / generator |
|
|
Thanks Raymond. I will attempt to check the Rotax list. I like your Steinbeck quote. It seems familiar. Is it from Cannery Row, when talking about the Model T?
On Wed, Nov 12, 2014 at 6:02 AM, rayj <raymondj(at)frontiernet.net (raymondj(at)frontiernet.net)> wrote:
[quote]--> AeroElectric-List message posted by: rayj <raymondj(at)frontiernet.net (raymondj(at)frontiernet.net)>
There is a Rotax list here on the Matronics server that has some very knowledgeable people on it. There might be a thread in the archives. If not, it's likely someone will have an answer to your question.
Raymond Julian
Kettle River, MN
The things we admire in men, kindness and generosity, openness, honesty, understanding and feeling are the concomitants of failure in our system. And those traits we detest, sharpness, greed, acquisitiveness, meanness, egotism and self-interest are the traits of success. And while men admire the quality of the first they love the produce of the second. -John Steinbeck, novelist, Nobel laureate (1902-1968)
On 11/11/2014 10:23 PM, Ken Ryan wrote:
| Quote: | Sheesh. Let me try again: The Rotax (major, major manufacturer of
aircraft engines) wiring diagram seems to indicate that the "integrated
generator" (which has an external regulator-rectifier) must be
disconnected from the battery to avoid discharging the battery when it
is not turning. On the other hand, the external "alternator" (which has
a built in regulator) is wired directly to the battery, indicating that
it does NOT need to be disconnected to avoid running down the battery.
Is this consistent with you knowledgeable folks' understanding of these
sorts of generators and alternators?
On Tue, Nov 11, 2014 at 5:41 PM, Robert L. Nuckolls, III
<nuckolls.bob(at)aeroelectric.com (nuckolls.bob(at)aeroelectric.com) <mailto:nuckolls.bob(at)aeroelectric.com (nuckolls.bob(at)aeroelectric.com)>>
wrote:
  --> AeroElectric-List message posted by: "Robert L. Nuckolls, III"
  <nuckolls.bob(at)aeroelectric.com (nuckolls.bob(at)aeroelectric.com) <mailto:nuckolls.bob(at)aeroelectric.com (nuckolls.bob(at)aeroelectric.com)>__>
  At 09:52 2014-11-11, you wrote:
    The Rotax 914 wiring diagram shows an integrated generator with
    external regulator-rectifier and an external alternator with
    built in regulator. It looks like the integrated generator is
    disconnected from the battery (by relay) when the master is off
    but the external alternator remains connected. The text
    indicates the integrated generator will run the battery down if
    not disconnected, but does not say that for the external
    alternator. Does this make sense?
    It makes sense to Rotax . . . but Rotax doesn't
    build or fly airplanes. This is a case similar
    the one where Garmin recommended an electrical sytem
    architecture in the back of one of their EFIS
    installation manuals. Never a good idea.
    How do YOU want your airplane to work? Check out
    Z-13/8, Z-12, and Z-14 in the 'Connection along
    with their companion narratives in Chapter 17
    and YOU decide what makes sense for you.
    Bob . . .
  ====__==============================__==
  br> fts!)
  r> > /www.aeroelectric.com" target="_blank">www.aeroelectric.com
  w.buildersbooks.com" target="_blank">www.buildersbooks.com
  p.com" target="_blank">www.homebuilthelp.com
  e.com" target="_blank">www.mypilotstore.com
  " target="_blank">www.mrrace.com
  target="_blank">http://www.matronics.com/__contribution
        -Matt Dralle, List Admin.
  ====__==============================__==
  -
  Electric-List"
  target="_blank">http://www.matronics.com/__Navigator?AeroElectric-List
  ====__==============================__==
  FORUMS -
  _blank">http://forums.matronics.com
  ====__==============================__==
*
*
|
====================================
br> fts!)
r> > /www.aeroelectric.com" target="_blank">www.aeroelectric.com
w.buildersbooks.com" target="_blank">www.buildersbooks.com
p.com" target="_blank">www.homebuilthelp.com
e.com" target="_blank">www.mypilotstore.com
" target="_blank">www.mrrace.com
target="_blank">http://www.matronics.com/contribution
     -Matt Dralle, List Admin.
====================================
-
Electric-List" target="_blank">http://www.matronics.com/Navigator?AeroElectric-List
====================================
FORUMS -
_blank">http://forums.matronics.com
====================================
[b]
| | - The Matronics AeroElectric-List Email Forum - | | | Use the List Feature Navigator to browse the many List utilities available such as the Email Subscriptions page, Archive Search & Download, 7-Day Browse, Chat, FAQ, Photoshare, and much more:
http://www.matronics.com/Navigator?AeroElectric-List |
|
|
|
| Back to top |
|
 |
raymondj(at)frontiernet.n Guest
|
Posted: Wed Nov 12, 2014 8:32 am Post subject: alternator / generator |
|
|
The one guy I'm thinking of on the Rotax list has the signature:
Roger Lee
Tucson, Az.
Light Sport Repairman - Maintenance Rated
Rotax Repair Center - Heavy Maint. Rated
Home 520-574-1080 TRY HOME FIRST
Cell 520-349-7056
The list has been pretty dead lately but I bet if you post, he'll answer.
I didn't end up getting a Rotax, but he was helpful to me when I was
trying to make up my mind. I have also watched him help many others on
the list.
As far as the quote, I don't know what it's from. I found it on a
word-a-day email list I'm on and thought it deserved wider circulation.
Raymond Julian
Kettle River, MN
The things we admire in men, kindness and generosity, openness, honesty,
understanding and feeling are the concomitants of failure in our system.
And those traits we detest, sharpness, greed, acquisitiveness, meanness,
egotism and self-interest are the traits of success. And while men
admire the quality of the first they love the produce of the second.
-John Steinbeck, novelist, Nobel laureate (1902-1968)
On 11/12/2014 09:39 AM, Ken Ryan wrote:
| Quote: | Thanks Raymond. I will attempt to check the Rotax list. I like your
Steinbeck quote. It seems familiar. Is it from Cannery Row, when talking
about the Model T?
On Wed, Nov 12, 2014 at 6:02 AM, rayj <raymondj(at)frontiernet.net
<mailto:raymondj(at)frontiernet.net>> wrote:
<raymondj(at)frontiernet.net <mailto:raymondj(at)frontiernet.net>>
There is a Rotax list here on the Matronics server that has some
very knowledgeable people on it. There might be a thread in the
archives. If not, it's likely someone will have an answer to your
question.
Raymond Julian
Kettle River, MN
The things we admire in men, kindness and generosity, openness,
honesty, understanding and feeling are the concomitants of failure
in our system. And those traits we detest, sharpness, greed,
acquisitiveness, meanness, egotism and self-interest are the traits
of success. And while men admire the quality of the first they love
the produce of the second. -John Steinbeck, novelist, Nobel laureate
(1902-1968)
On 11/11/2014 10:23 PM, Ken Ryan wrote:
Sheesh. Let me try again: The Rotax (major, major manufacturer of
aircraft engines) wiring diagram seems to indicate that the
"integrated
generator" (which has an external regulator-rectifier) must be
disconnected from the battery to avoid discharging the battery
when it
is not turning. On the other hand, the external "alternator"
(which has
a built in regulator) is wired directly to the battery,
indicating that
it does NOT need to be disconnected to avoid running down the
battery.
Is this consistent with you knowledgeable folks' understanding
of these
sorts of generators and alternators?
On Tue, Nov 11, 2014 at 5:41 PM, Robert L. Nuckolls, III
<nuckolls.bob(at)aeroelectric.com
<mailto:nuckolls.bob(at)aeroelectric.com>
<mailto:nuckolls.bob(at)__aeroelectric.com
<mailto:nuckolls.bob(at)aeroelectric.com>>>
wrote:
Nuckolls, III"
<nuckolls.bob(at)aeroelectric.com
<mailto:nuckolls.bob(at)aeroelectric.com>
<mailto:nuckolls.bob(at)__aeroelectric.com
<mailto:nuckolls.bob(at)aeroelectric.com>>__>
At 09:52 2014-11-11, you wrote:
The Rotax 914 wiring diagram shows an integrated
generator with
external regulator-rectifier and an external alternator
with
built in regulator. It looks like the integrated
generator is
disconnected from the battery (by relay) when the
master is off
but the external alternator remains connected. The text
indicates the integrated generator will run the battery
down if
not disconnected, but does not say that for the external
alternator. Does this make sense?
It makes sense to Rotax . . . but Rotax doesn't
build or fly airplanes. This is a case similar
the one where Garmin recommended an electrical sytem
architecture in the back of one of their EFIS
installation manuals. Never a good idea.
How do YOU want your airplane to work? Check out
Z-13/8, Z-12, and Z-14 in the 'Connection along
with their companion narratives in Chapter 17
and YOU decide what makes sense for you.
Bob . . .
====__========================__======__==
br> fts!)
r> > /www.aeroelectric.com <http://www.aeroelectric.com>"
target="_blank">www.__aeroelectric.com <http://www.aeroelectric.com>
w.buildersbooks.com <http://w.buildersbooks.com>"
target="_blank">www.__buildersbooks.com
<http://www.buildersbooks.com>
p.com <http://p.com>" target="_blank">www.__homebuilthelp.com
<http://www.homebuilthelp.com>
e.com <http://e.com>" target="_blank">www.__mypilotstore.com
<http://www.mypilotstore.com>
" target="_blank">www.mrrace.com <http://www.mrrace.com>
target="_blank">http://www.__matronics.com/__contribution
<http://www.matronics.com/__contribution>
-Matt Dralle, List Admin.
====__========================__======__==
-
Electric-List"
target="_blank">http://www.__matronics.com/__Navigator?__AeroElectric-List
<http://www.matronics.com/__Navigator?AeroElectric-List>
====__========================__======__==
FORUMS -
_blank">http://forums.__matronics.com
<http://forums.matronics.com>
====__========================__======__==
*
*
====__==============================__==
br> fts!)
r> > /www.aeroelectric.com" target="_blank">www.aeroelectric.com
w.buildersbooks.com" target="_blank">www.buildersbooks.com
p.com" target="_blank">www.homebuilthelp.com
e.com" target="_blank">www.mypilotstore.com
" target="_blank">www.mrrace.com
target="_blank">http://www.matronics.com/__contribution
-Matt Dralle, List Admin.
====__==============================__==
-
Electric-List"
target="_blank">http://www.matronics.com/__Navigator?AeroElectric-List
====__==============================__==
FORUMS -
_blank">http://forums.matronics.com
====__==============================__==
*
*
|
| | - The Matronics AeroElectric-List Email Forum - | | | Use the List Feature Navigator to browse the many List utilities available such as the Email Subscriptions page, Archive Search & Download, 7-Day Browse, Chat, FAQ, Photoshare, and much more:
http://www.matronics.com/Navigator?AeroElectric-List |
|
|
|
| Back to top |
|
 |
nuckolls.bob(at)aeroelect Guest
|
Posted: Wed Nov 12, 2014 8:45 am Post subject: alternator / generator |
|
|
At 22:23 2014-11-11, you wrote:
| Quote: | Sheesh. Let me try again: The Rotax (major, major manufacturer of
aircraft engines) wiring diagram seems to indicate that the
"integrated generator" (which has an external regulator-rectifier)
must be disconnected from the battery to avoid discharging the
battery when it is not turning. On the other hand, the external
"alternator" (which has a built in regulator) is wired directly to
the battery, indicating that it does NOT need to be disconnected to
avoid running down the battery. Is this consistent with you
knowledgeable folks' understanding of these sorts of generators and
alternators?
|
Short answer: Yes, this is consistent with the
way these two critters work.
BOTH devices are alternators. The word "dynamo"
has been often used to describe the built-in, permanent
magnet devices common to all Rotax engines, Jabiru,
et als. The one built into the 912 engine is a single-
phase device that requires a special rectifier/regulator
to convert the wild-frequency, wild-voltage output
from the alternator into stable DC.
Here's one of several conversations that have transpired
here on the list about PM alternators and their rectifier/
regulators . . .
http://tinyurl.com/mpxxech
If ROTAX is still using the Ducati rectifier/regulator
I'm familiar with, this device DOES draw milliamps
of current back-fed into the output wires when
then engine is stopped. But if you configure your
P/M alternator to drive the electrical system
DOWNSTREAM of the battery master relay, then the
alternator is powered down when the master switch
is opened and the powered-down draw is eliminated.
The other device is legacy wound-field technology
wherein the regulator is small enough to be included
inside the alternator . . . as on most cars.
The b-lead terminal of the wound-field alternator
is the (+) output terminal from an array of diodes
that prevent any back-flow during power down. Hence
the b-lead CAN be left connected to the battery
at all times . . . cars do it. But it's not been
done in T/C aircraft that I know of.
Suggest you consider a Z-13/8 architecture . . .
http://tinyurl.com/kgg8nva
. . . . which describes a recommended architecture
for your pair of alternators (the wound-field alternator
shows an external regulator . . . your internally
regulated alternator works there too).
The two alternators and their regulators are described
in the AeroElectric Connection which is available
for about $20 from a variety of sources . . . or
you can download here
http://tinyurl.com/pt97pha
What airplane are you building?
Bob . . .
| | - The Matronics AeroElectric-List Email Forum - | | | Use the List Feature Navigator to browse the many List utilities available such as the Email Subscriptions page, Archive Search & Download, 7-Day Browse, Chat, FAQ, Photoshare, and much more:
http://www.matronics.com/Navigator?AeroElectric-List |
|
|
|
| Back to top |
|
 |
nuckolls.bob(at)aeroelect Guest
|
Posted: Wed Nov 12, 2014 9:02 am Post subject: alternator / generator |
|
|
At 09:27 2014-11-12, you wrote:
| Quote: | Thanks Joe and Ken. Joe's answer I believe answers my question. I was thinking that circuit was just for the warning lamp. Didn't know it was the IG wire that would run down the battery.Â
That brings me to another question: What do those warning lamps typically indicate? A negative current? There's one for each of the two charging devices. Also, I have heard that these lamps must be incandescent (not LED). Unfortunately I cannot not find a answers to even these basic questions in the Rotax reference materials. |
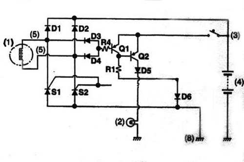
The warning output from these simple regulators is
generally limited to showing that the alternator is
not turning (broken belt) or output failed (broken
wire).
[img]cid:.0[/img]
The exemplar schematic for the PM alternator warning light (2)
shows that the light is dark any time the alternator is
rotating and delivering some voltage . . . even when that
voltage is too low to charge a battery or run your accessories.
The preferred methodology for detecting alternator
insufficiency is LOW VOLTAGE WARN set to light a lamp
any time the bus is less than about 13.0 volts. A
lead-acid battery system cannot rise above 13.0 unless
the alternator pushes it up there. So voltage monitoring
is the one-light-tells-all-tales approach to annunciating
system health.
This is why none of the Z-figures utilize the lamp output
lead on any of the PM rectifier/regulators depicted.
Bob . . .
| | - The Matronics AeroElectric-List Email Forum - | | | Use the List Feature Navigator to browse the many List utilities available such as the Email Subscriptions page, Archive Search & Download, 7-Day Browse, Chat, FAQ, Photoshare, and much more:
http://www.matronics.com/Navigator?AeroElectric-List |
|
| Description: |
|
| Filesize: |
63.38 KB |
| Viewed: |
18738 Time(s) |

|
|
|
| Back to top |
|
 |
kenryan
Joined: 20 Oct 2009 Posts: 429
|
Posted: Wed Nov 12, 2014 9:03 am Post subject: alternator / generator |
|
|
Thanks Bob. I do have the book. I am building a Just Aircraft SuperSTOL. A previous lister said that the IG wire from the external alternator needs to be disconnected to avoid drawing down the battery, which it is on the Rotax diagram (via the master switch). Are you saying that you disagree with this and that the IG wired does not need to be disconnected to avoid drawing down the battery?
On Wed, Nov 12, 2014 at 7:44 AM, Robert L. Nuckolls, III <nuckolls.bob(at)aeroelectric.com (nuckolls.bob(at)aeroelectric.com)> wrote:
[quote]--> AeroElectric-List message posted by: "Robert L. Nuckolls, III" <nuckolls.bob(at)aeroelectric.com (nuckolls.bob(at)aeroelectric.com)>
At 22:23 2014-11-11, you wrote:
| Quote: | Sheesh. Let me try again: The Rotax (major, major manufacturer of aircraft engines) wiring diagram seems to indicate that the "integrated generator" (which has an external regulator-rectifier) must be disconnected from the battery to avoid discharging the battery when it is not turning. On the other hand, the external "alternator" (which has a built in regulator) is wired directly to the battery, indicating that it does NOT need to be disconnected to avoid running down the battery. Is this consistent with you knowledgeable folks' understanding of these sorts of generators and alternators?
|
  Short answer: Yes, this is consistent with the
  way these two critters work.
  BOTH devices are alternators. The word "dynamo"
  has been often used to describe the built-in, permanent
  magnet devices common to all Rotax engines, Jabiru,
  et als. The one built into the 912 engine is a single-
  phase device that requires a special rectifier/regulator
  to convert the wild-frequency, wild-voltage output
  from the alternator into stable DC.
  Here's one of several conversations that have transpired
  here on the list about PM alternators and their rectifier/
  regulators . . .
http://tinyurl.com/mpxxech
  If ROTAX is still using the Ducati rectifier/regulator
  I'm familiar with, this device DOES draw milliamps
  of current back-fed into the output wires when
  then engine is stopped. But if you configure your
  P/M alternator to drive the electrical system
  DOWNSTREAM of the battery master relay, then the
  alternator is powered down when the master switch
  is opened and the powered-down draw is eliminated.
  The other device is legacy wound-field technology
  wherein the regulator is small enough to be included
  inside the alternator . . . as on most cars.
  The b-lead terminal of the wound-field alternator
  is the (+) output terminal from an array of diodes
  that prevent any back-flow during power down. Hence
  the b-lead CAN be left connected to the battery
  at all times . . . cars do it. But it's not been
  done in T/C aircraft that I know of.
  Suggest you consider a Z-13/8 architecture . . .
http://tinyurl.com/kgg8nva
  . . . . which describes a recommended architecture
  for your pair of alternators (the wound-field alternator
  shows an external regulator . . . your internally
  regulated alternator works there too).
  The two alternators and their regulators are described
  in the AeroElectric Connection which is available
  for about $20 from a variety of sources . . . or
  you can download here
http://tinyurl.com/pt97pha
  What airplane are you building?
 Bob . . .
====================================
br> fts!)
r> > /www.aeroelectric.com" target="_blank">www.aeroelectric.com
w.buildersbooks.com" target="_blank">www.buildersbooks.com
p.com" target="_blank">www.homebuilthelp.com
e.com" target="_blank">www.mypilotstore.com
" target="_blank">www.mrrace.com
target="_blank">http://www.matronics.com/contribution
     -Matt Dralle, List Admin.
====================================
-
Electric-List" target="_blank">http://www.matronics.com/Navigator?AeroElectric-List
====================================
FORUMS -
_blank">http://forums.matronics.com
====================================
[b]
| | - The Matronics AeroElectric-List Email Forum - | | | Use the List Feature Navigator to browse the many List utilities available such as the Email Subscriptions page, Archive Search & Download, 7-Day Browse, Chat, FAQ, Photoshare, and much more:
http://www.matronics.com/Navigator?AeroElectric-List |
|
|
|
| Back to top |
|
 |
nuckolls.bob(at)aeroelect Guest
|
Posted: Wed Nov 12, 2014 9:11 am Post subject: alternator / generator |
|
|
At 07:23 2014-11-12, you wrote:
| Quote: |
Yes (probably)
If you have the external alternator connect it to a battery and
measure the standby current for a definitive answer.
Most vehicles leave the alternator connected 24/7 and they usually
draw an acceptable couple of mA drain. Sounds like that is the case
for your unit although I also have been appalled by the
documentation accompanying equipment from "major manufacturers" so I
would not put a lot of money on it.
For example the 40A IR Nippondenso that I use was only installed on
non road equipment and it draws 2 Amps with the motor off so this
one indeed needs to be disconnected.
|
Your observation illustrates the fact that not all
alternators are the same. Back in the day, externally
regulated alternators got their field current from
the switched bus in an automobile. One-wire alternators
will get their power from the b-terminal which means
that full field current will be drawn into the b-terminal
when the alternator is not running . . . but still
connected to the battery.
The condition becomes moot when you adopt the legacy
philosophy for minimizing hot-wires when the master
switch is off. This philosophy bypasses all the
risks for powered-down, parasitic currents that might
deplete the battery in a parked airplane . . . it also
goes toward achieving 'max-cold' wiring for reducing
risks of after crash fire.
Bob . . .
| | - The Matronics AeroElectric-List Email Forum - | | | Use the List Feature Navigator to browse the many List utilities available such as the Email Subscriptions page, Archive Search & Download, 7-Day Browse, Chat, FAQ, Photoshare, and much more:
http://www.matronics.com/Navigator?AeroElectric-List |
|
|
|
| Back to top |
|
 |
nuckolls.bob(at)aeroelect Guest
|
Posted: Wed Nov 12, 2014 9:13 am Post subject: alternator / generator |
|
|
At 07:23 2014-11-12, you wrote:
| Quote: |
Yes (probably)
If you have the external alternator connect it to a battery and
measure the standby current for a definitive answer.
Most vehicles leave the alternator connected 24/7 and they usually
draw an acceptable couple of mA drain. Sounds like that is the case
for your unit although I also have been appalled by the
documentation accompanying equipment from "major manufacturers" so I
would not put a lot of money on it.
For example the 40A IR Nippondenso that I use was only installed on
non road equipment and it draws 2 Amps with the motor off so this
one indeed needs to be disconnected.
|
Your observation illustrates the fact that not all
alternators are the same. Back in the day, externally
regulated alternators got their field current from
the switched bus in an automobile. One-wire alternators
will get their power from the b-terminal which means
that full field current will be drawn into the b-terminal
when the alternator is not running . . . but still
connected to the battery.
The condition becomes moot when you adopt the legacy
philosophy for minimizing hot-wires when the master
switch is off. This philosophy bypasses all the
risks for powered-down, parasitic currents that might
deplete the battery in a parked airplane . . . it also
goes toward achieving 'max-cold' wiring for reducing
risks of after crash fire.
Bob . . .
| | - The Matronics AeroElectric-List Email Forum - | | | Use the List Feature Navigator to browse the many List utilities available such as the Email Subscriptions page, Archive Search & Download, 7-Day Browse, Chat, FAQ, Photoshare, and much more:
http://www.matronics.com/Navigator?AeroElectric-List |
|
|
|
| Back to top |
|
 |
user9253
Joined: 28 Mar 2008 Posts: 1948 Location: Riley TWP Michigan
|
Posted: Wed Nov 12, 2014 10:15 am Post subject: Re: alternator / generator |
|
|
Yes, Roger Lee is the Rotax expert and likes to answer Rotax questions. I have no experience with the Rotax external alternator. I posted above that leaving the IG terminal connected to the battery would drain it. That is because that terminal is described as "Field Circuit" on page 123 of the Rotax installation manual. Sometimes the actual meaning gets lost in translation from German. Even if the field is not actually powered by the IG terminal, (but by the B lead) I would not leave it connected to the battery with the engine off.
Joe
| | - The Matronics AeroElectric-List Email Forum - | | | Use the List Feature Navigator to browse the many List utilities available such as the Email Subscriptions page, Archive Search & Download, 7-Day Browse, Chat, FAQ, Photoshare, and much more:
http://www.matronics.com/Navigator?AeroElectric-List |
|
_________________ Joe Gores |
|
| Back to top |
|
 |
nuckolls.bob(at)aeroelect Guest
|
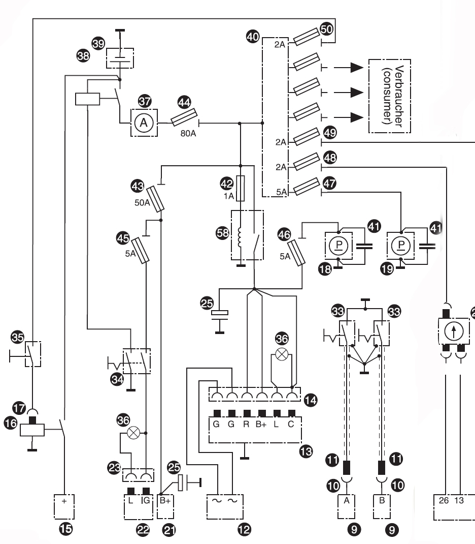
Posted: Wed Nov 12, 2014 10:18 am Post subject: alternator / generator |
|
|
At 11:01 2014-11-12, you wrote:
| Quote: | | Thanks Bob. I do have the book. I am building a Just Aircraft SuperSTOL. A previous lister said that the IG wire from the external alternator needs to be disconnected to avoid drawing down the battery, which it is on the Rotax diagram (via the master switch). Are you saying that you disagree with this and that the IG wired does not need to be disconnected to avoid drawing down the battery? |
Ooops . . . sorry 'bout that. We're talking about the wound-field
alternator . . . not the PM machine. That light doesn't work with much more
intelligence than that annunciator on the PM rectifier/regulator.
It's definitely dark when the alternator is working but may
not light when the alternator is inadequate to system
needs. I don't use those outputs either.
If you're planning on ACTIVE NOTIFICATION OF LOW VOLTS then
you can simply leave the light off the panel and leave the
terminal disconnected.
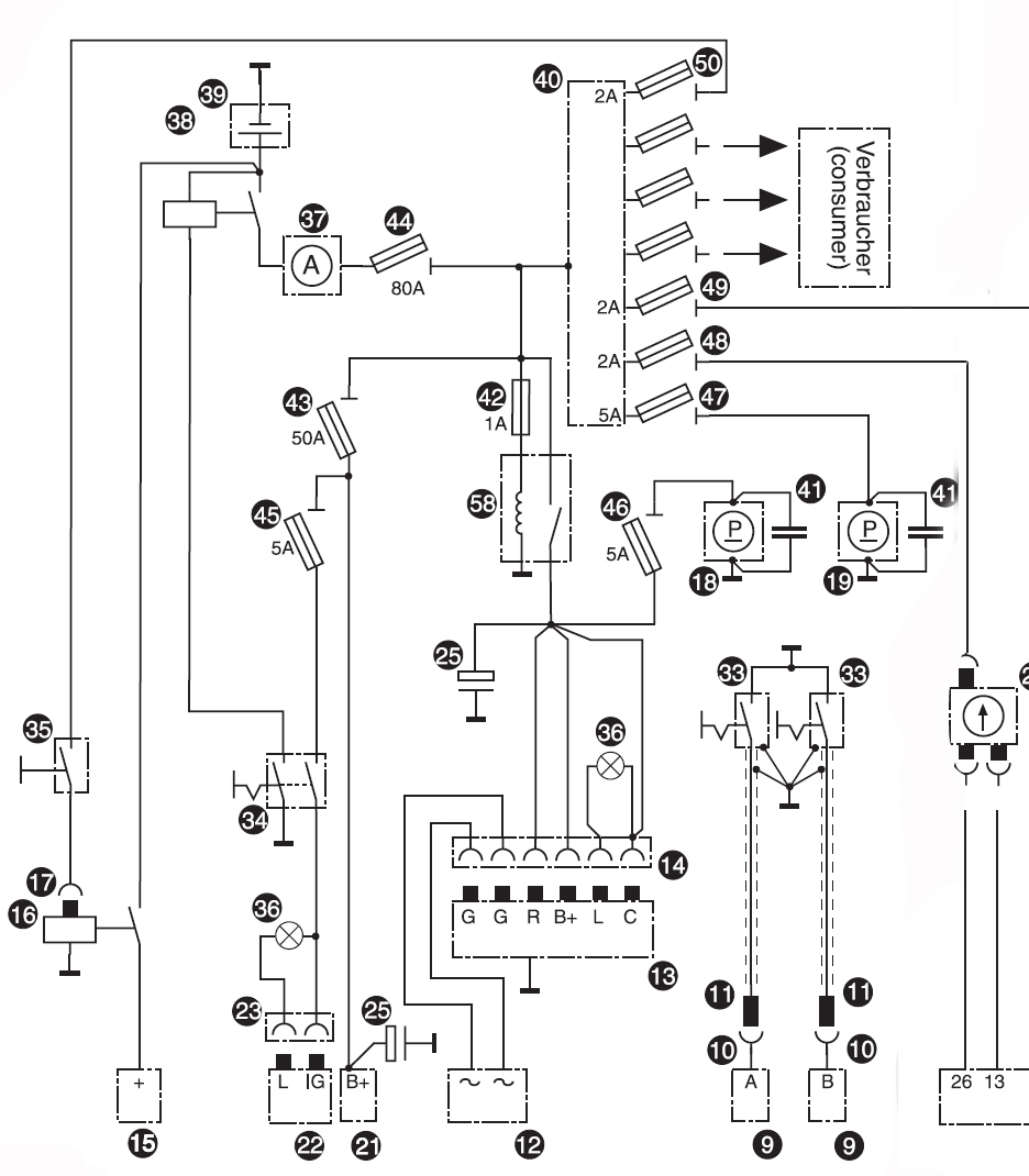
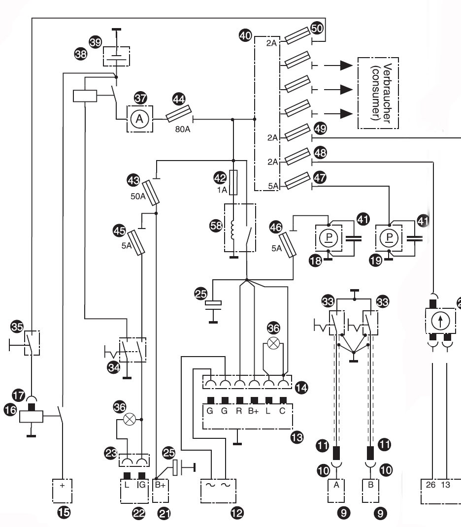
But you're correct, when wired per the Rotax drawing, IG gets
disconnected when the big-alternator switch is OFF . . . so if
you plan to use the light, wired as shown eliminates the
concern.
An interesting feature of their wiring gives you no control
over the little alternator . . . it is automatically switched
ON via relay (5 with an unnecessary, 1A fuse in the coil
lead. This relay closes as soon as you turn on the master
switch and will stay closed as long as the engine is running
even if battery relay (3 is opened. Bringing engine
rpm down will slowly drop voltage on the bus . . . and
might cause the little-alternator relay to drop but
this raises all kinds of questions about the behaviors
of the ship's accessories.
The relay will certainly drop after the engine is shut
down.
Another interesting feature uses the little-alternator
output to power up one of two fuel pumps whether or not
the master switch is ON.
The 80A breaker is, in US TC aircraft philosophy, not
necessary or useful.
[img]cid:.0[/img]
Bob . . .
| | - The Matronics AeroElectric-List Email Forum - | | | Use the List Feature Navigator to browse the many List utilities available such as the Email Subscriptions page, Archive Search & Download, 7-Day Browse, Chat, FAQ, Photoshare, and much more:
http://www.matronics.com/Navigator?AeroElectric-List |
|
| Description: |
|
| Filesize: |
274.22 KB |
| Viewed: |
18736 Time(s) |

|
|
|
| Back to top |
|
 |
kenryan
Joined: 20 Oct 2009 Posts: 429
|
Posted: Wed Nov 12, 2014 10:34 am Post subject: alternator / generator |
|
|
Thanks Joe. Although I have been studying the diagram for a long time, to me it is like trying to read a foreign language. I now realize that the IG is indeed disconnected from the battery when the master is off, because when the master is off the battery relay is open, and that disconnects everything except the starter. Your point about the German translation is well taken. It amazes me that a company that makes as many engines as Rotax (according to December 2014 Kitplanes it's 215,000 per year) doesn't think it's important to hire a competent German-English translator.
On Wed, Nov 12, 2014 at 9:15 AM, user9253 <fransew(at)gmail.com (fransew(at)gmail.com)> wrote:
[quote]--> AeroElectric-List message posted by: "user9253" <fransew(at)gmail.com (fransew(at)gmail.com)>
Yes, Roger Lee is the Rotax expert and likes to answer Rotax questions. I have no experience with the Rotax external alternator. I posted above that leaving the IG terminal connected to the battery would drain it. That is because that terminal is described as "Field Circuit" on page 123 of the Rotax installation manual. Sometimes the actual meaning gets lost in translation from German. Even if the field is not actually powered by the IG terminal, (but by the B lead) I would not leave it connected to the battery with the engine off.
Joe
--------
Joe Gores
Read this topic online here:
http://forums.matronics.com/viewtopic.php?p=433530#433530
===========
br> fts!)
r> > com" target="_blank">www.aeroelectric.com
w.buildersbooks.com" target="_blank">www.buildersbooks.com
p.com" target="_blank">www.homebuilthelp.com
e.com" target="_blank">www.mypilotstore.com
" target="_blank">www.mrrace.com
target="_blank">http://www.matronics.com/contribution
     -Matt Dralle, List Admin.
===========
-
Electric-List" target="_blank">http://www.matronics.com/Navigator?AeroElectric-List
===========
FORUMS -
_blank">http://forums.matronics.com
===========
[b]
| | - The Matronics AeroElectric-List Email Forum - | | | Use the List Feature Navigator to browse the many List utilities available such as the Email Subscriptions page, Archive Search & Download, 7-Day Browse, Chat, FAQ, Photoshare, and much more:
http://www.matronics.com/Navigator?AeroElectric-List |
|
|
|
| Back to top |
|
 |
kenryan
Joined: 20 Oct 2009 Posts: 429
|
Posted: Wed Nov 12, 2014 10:48 am Post subject: alternator / generator |
|
|
Thanks Bob,
I was wondering about that 80 amp fuse. It seems better to connect the bus directly to the battery. With regards to the 1 amp fuse that you say is unnecessary, why do you say that? Isn't it there to protect the wire that runs from the battery to relay 58? I think the reasoning behind wiring one fuel pump to the generator, is because the 914 relies on an electric fuel pump, and they are trying to provide two independent power sources for each pump.
On Wed, Nov 12, 2014 at 9:18 AM, Robert L. Nuckolls, III <nuckolls.bob(at)aeroelectric.com (nuckolls.bob(at)aeroelectric.com)> wrote:
| Quote: | At 11:01 2014-11-12, you wrote:
| Quote: | | Thanks Bob. I do have the book. I am building a Just Aircraft SuperSTOL. A previous lister said that the IG wire from the external alternator needs to be disconnected to avoid drawing down the battery, which it is on the Rotax diagram (via the master switch). Are you saying that you disagree with this and that the IG wired does not need to be disconnected to avoid drawing down the battery? |
 Ooops . . . sorry 'bout that. We're talking about the wound-field
 alternator . . . not the PM machine. That light doesn't work with much more
 intelligence than that annunciator on the PM rectifier/regulator.
 It's definitely dark when the alternator is working but may
 not light when the alternator is inadequate to system
 needs. I don't use those outputs either.
 If you're planning on ACTIVE NOTIFICATION OF LOW VOLTS then
 you can simply leave the light off the panel and leave the
 terminal disconnected.
 But you're correct, when wired per the Rotax drawing, IG gets
 disconnected when the big-alternator switch is OFF . . . so if
 you plan to use the light, wired as shown eliminates the
 concern.
 An interesting feature of their wiring gives you no control
 over the little alternator . . . it is automatically switched
 ON via relay (5 with an unnecessary, 1A fuse in the coil
 lead. This relay closes as soon as you turn on the master
 switch and will stay closed as long as the engine is running
 even if battery relay (3 is opened. Bringing engine
 rpm down will slowly drop voltage on the bus . . . and
 might cause the little-alternator relay to drop but
 this raises all kinds of questions about the behaviors
 of the ship's accessories.
 The relay will certainly drop after the engine is shut
 down.
 Another interesting feature uses the little-alternator
 output to power up one of two fuel pumps whether or not
 the master switch is ON.
 The 80A breaker is, in US TC aircraft philosophy, not
 necessary or useful.
[img]cid:.0[/img]Â Â Â Â Â Â Â Â
 Bob . . .
|
| | - The Matronics AeroElectric-List Email Forum - | | | Use the List Feature Navigator to browse the many List utilities available such as the Email Subscriptions page, Archive Search & Download, 7-Day Browse, Chat, FAQ, Photoshare, and much more:
http://www.matronics.com/Navigator?AeroElectric-List |
|
| Description: |
|
| Filesize: |
274.22 KB |
| Viewed: |
18728 Time(s) |

|
|
|
| Back to top |
|
 |
rickofudall

Joined: 19 Sep 2009 Posts: 1392 Location: Udall, KS, USA
|
Posted: Mon Nov 24, 2014 7:10 pm Post subject: alternator / generator |
|
|
Ken, I've been off the forum for a few weeks and just saw your request for info on the Rotax alternator (dynamo). Can you quote chapter and verse of the manual you are referencing? One of my custormers has a 912 in a JA Highlander that was down for months fixing a long list of defects found during the annual conditional inspection and the battery started the engine just fine when we were done. The 582 on my Kolb has the same basic alternator. I did a major rebuild on the airplane and it was down for over 18 months. The engine started right up when I took it out and that was with a five year old 18 AH  SLA battery.
Rick Girard
On Wed, Nov 12, 2014 at 12:47 PM, Ken Ryan <keninalaska(at)gmail.com (keninalaska(at)gmail.com)> wrote:
| Quote: | Thanks Bob,
I was wondering about that 80 amp fuse. It seems better to connect the bus directly to the battery. With regards to the 1 amp fuse that you say is unnecessary, why do you say that? Isn't it there to protect the wire that runs from the battery to relay 58? I think the reasoning behind wiring one fuel pump to the generator, is because the 914 relies on an electric fuel pump, and they are trying to provide two independent power sources for each pump.
On Wed, Nov 12, 2014 at 9:18 AM, Robert L. Nuckolls, III <nuckolls.bob(at)aeroelectric.com (nuckolls.bob(at)aeroelectric.com)> wrote:
| Quote: | At 11:01 2014-11-12, you wrote:
| Quote: | | Thanks Bob. I do have the book. I am building a Just Aircraft SuperSTOL. A previous lister said that the IG wire from the external alternator needs to be disconnected to avoid drawing down the battery, which it is on the Rotax diagram (via the master switch). Are you saying that you disagree with this and that the IG wired does not need to be disconnected to avoid drawing down the battery? |
 Ooops . . . sorry 'bout that. We're talking about the wound-field
 alternator . . . not the PM machine. That light doesn't work with much more
 intelligence than that annunciator on the PM rectifier/regulator.
 It's definitely dark when the alternator is working but may
 not light when the alternator is inadequate to system
 needs. I don't use those outputs either.
 If you're planning on ACTIVE NOTIFICATION OF LOW VOLTS then
 you can simply leave the light off the panel and leave the
 terminal disconnected.
 But you're correct, when wired per the Rotax drawing, IG gets
 disconnected when the big-alternator switch is OFF . . . so if
 you plan to use the light, wired as shown eliminates the
 concern.
 An interesting feature of their wiring gives you no control
 over the little alternator . . . it is automatically switched
 ON via relay (5 with an unnecessary, 1A fuse in the coil
 lead. This relay closes as soon as you turn on the master
 switch and will stay closed as long as the engine is running
 even if battery relay (3 is opened. Bringing engine
 rpm down will slowly drop voltage on the bus . . . and
 might cause the little-alternator relay to drop but
 this raises all kinds of questions about the behaviors
 of the ship's accessories.
 The relay will certainly drop after the engine is shut
 down.
 Another interesting feature uses the little-alternator
 output to power up one of two fuel pumps whether or not
 the master switch is ON.
 The 80A breaker is, in US TC aircraft philosophy, not
 necessary or useful.
[img]cid:.0[/img]Â Â Â Â Â Â Â Â
 Bob . . .
|
|
--
Believe those who are seeking the truth, doubt those who find it.
-Andre Gide
| | - The Matronics AeroElectric-List Email Forum - | | | Use the List Feature Navigator to browse the many List utilities available such as the Email Subscriptions page, Archive Search & Download, 7-Day Browse, Chat, FAQ, Photoshare, and much more:
http://www.matronics.com/Navigator?AeroElectric-List |
|
| Description: |
|
| Filesize: |
274.22 KB |
| Viewed: |
18681 Time(s) |

|
_________________ The smallest miracle right in front of you is enough to make you happy.... |
|
| Back to top |
|
 |
kenryan
Joined: 20 Oct 2009 Posts: 429
|
Posted: Mon Nov 24, 2014 10:22 pm Post subject: alternator / generator |
|
|
Rick, It's the wiring diagram from the Installation Manual for the 914.
On Mon, Nov 24, 2014 at 7:08 PM, Richard Girard <aslsa.rng(at)gmail.com (aslsa.rng(at)gmail.com)> wrote:
| Quote: | Ken, I've been off the forum for a few weeks and just saw your request for info on the Rotax alternator (dynamo). Can you quote chapter and verse of the manual you are referencing? One of my custormers has a 912 in a JA Highlander that was down for months fixing a long list of defects found during the annual conditional inspection and the battery started the engine just fine when we were done. The 582 on my Kolb has the same basic alternator. I did a major rebuild on the airplane and it was down for over 18 months. The engine started right up when I took it out and that was with a five year old 18 AH  SLA battery.
Rick Girard
On Wed, Nov 12, 2014 at 12:47 PM, Ken Ryan <keninalaska(at)gmail.com (keninalaska(at)gmail.com)> wrote:
| Quote: | Thanks Bob,
I was wondering about that 80 amp fuse. It seems better to connect the bus directly to the battery. With regards to the 1 amp fuse that you say is unnecessary, why do you say that? Isn't it there to protect the wire that runs from the battery to relay 58? I think the reasoning behind wiring one fuel pump to the generator, is because the 914 relies on an electric fuel pump, and they are trying to provide two independent power sources for each pump.
On Wed, Nov 12, 2014 at 9:18 AM, Robert L. Nuckolls, III <nuckolls.bob(at)aeroelectric.com (nuckolls.bob(at)aeroelectric.com)> wrote:
| Quote: | At 11:01 2014-11-12, you wrote:
| Quote: | | Thanks Bob. I do have the book. I am building a Just Aircraft SuperSTOL. A previous lister said that the IG wire from the external alternator needs to be disconnected to avoid drawing down the battery, which it is on the Rotax diagram (via the master switch). Are you saying that you disagree with this and that the IG wired does not need to be disconnected to avoid drawing down the battery? |
 Ooops . . . sorry 'bout that. We're talking about the wound-field
 alternator . . . not the PM machine. That light doesn't work with much more
 intelligence than that annunciator on the PM rectifier/regulator.
 It's definitely dark when the alternator is working but may
 not light when the alternator is inadequate to system
 needs. I don't use those outputs either.
 If you're planning on ACTIVE NOTIFICATION OF LOW VOLTS then
 you can simply leave the light off the panel and leave the
 terminal disconnected.
 But you're correct, when wired per the Rotax drawing, IG gets
 disconnected when the big-alternator switch is OFF . . . so if
 you plan to use the light, wired as shown eliminates the
 concern.
 An interesting feature of their wiring gives you no control
 over the little alternator . . . it is automatically switched
 ON via relay (5 with an unnecessary, 1A fuse in the coil
 lead. This relay closes as soon as you turn on the master
 switch and will stay closed as long as the engine is running
 even if battery relay (3 is opened. Bringing engine
 rpm down will slowly drop voltage on the bus . . . and
 might cause the little-alternator relay to drop but
 this raises all kinds of questions about the behaviors
 of the ship's accessories.
 The relay will certainly drop after the engine is shut
 down.
 Another interesting feature uses the little-alternator
 output to power up one of two fuel pumps whether or not
 the master switch is ON.
 The 80A breaker is, in US TC aircraft philosophy, not
 necessary or useful.
[img]cid:.0[/img]Â Â Â Â Â Â Â Â
 Bob . . .
|
|
--
Believe those who are seeking the truth, doubt those who find it.
-Andre Gide
|
| | - The Matronics AeroElectric-List Email Forum - | | | Use the List Feature Navigator to browse the many List utilities available such as the Email Subscriptions page, Archive Search & Download, 7-Day Browse, Chat, FAQ, Photoshare, and much more:
http://www.matronics.com/Navigator?AeroElectric-List |
|
| Description: |
|
| Filesize: |
274.22 KB |
| Viewed: |
18680 Time(s) |

|
|
|
| Back to top |
|
 |
|
|
You cannot post new topics in this forum You cannot reply to topics in this forum You cannot edit your posts in this forum You cannot delete your posts in this forum You cannot vote in polls in this forum You cannot attach files in this forum You can download files in this forum
|
Powered by phpBB © 2001, 2005 phpBB Group
|