nuckolls.bob(at)aeroelect Guest
|
Posted: Wed Dec 03, 2014 9:16 am Post subject: Toroid beads VOR antenna vs. Active VOR antenna |
|
|
| Quote: |
All perfectly doable. I just need to get a better understanding of the necessities of your request.
Thanks again,
James |
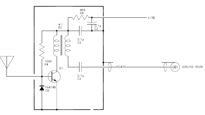
Understand. My current vision of this antenna suggests
that it will look like a piece of RG coax with a little
"lump" of a splice onto a 6-inch piece of wire. The
'lumpy splice' will contain a handful of components that
allows the relatively poor antenna to deliver energy into
the 50-ohm coax (end impedance of too-short element is
WAAayyyy to high).
A little background:
Active antennas have been around for a long time.
Adding some form of amplifier with a high input
impedance to the antenna-end of a low impedance
coax allows the 'crippled' but still quite serviceable
antenna to deliver its energy into the low impedance
feed line.
Here are some examples:
http://tinyurl.com/npdmnsw
In particular, I'll call your attention to one
of many versions described. Check out the
"AA7" . ..
It has an HF, VHF 'band' switch. You'll note that
in the VHF position, the active circuitry consists
of the single transistor and a couple of passive
components. The circuit I posted earlier . . .
[img]cid:.0[/img]
was an adaptation of the AA7 configuration. Most
active antenna designs bring rf energy down the
feed line and send dc power up to the antenna
on the same feed line. I decided to keep coax
installation as pristine as possible and not
mess with the feed line after it leaves the antenna.
So, the ready-to-install antenna assembly
takes on the form described above where you
hopefully will be able to offer a conduit through
which the antenna can be extended into the wing.
To eliminate the 'monkey motion' at the
receiver end of the coax, dc power will have
to be brought out to the amplifier on a
separate, 22 awg wire that can be fed from
the same breaker as the radio . . .
The ferrite transformer cores came in last
week. I need to brass-board this thing
on the bench and verify performance before I
squish it down into that 'lump' described earlier.
An interesting and important feature of this
experiment is to not glass the critter into
place so that any future fiddling with the
design doesn't take a hack saw to the airplane.
I may mount one of this things on my roof and
see how it compares with monitor antennas I
have for listening to local city, police and
fire services.
I have one HF active antenna up there already.
http://tinyurl.com/ou2ezdy
The 'antenna' part of this critter is only a
few inches long. I don't have any other HF
optimized antennas up yet to compare it to . . .
but this 'lump' on the end of a piece of coax
hears 'lots of stuff'. Given that the 'stuff'
of which VOR is made (high power, line of sight)
it seems that our little experiment has a high
probability of success for replacing the legacy
dipoles and whiskers so favored by our TC
brothers.
Bob . . .
| | - The Matronics AeroElectric-List Email Forum - | | | Use the List Feature Navigator to browse the many List utilities available such as the Email Subscriptions page, Archive Search & Download, 7-Day Browse, Chat, FAQ, Photoshare, and much more:
http://www.matronics.com/Navigator?AeroElectric-List |
|
| Description: |
|
| Filesize: |
36.84 KB |
| Viewed: |
1419 Time(s) |

|
|
|