 |
Matronics Email Lists Web Forum Interface to the Matronics Email Lists
|
| View previous topic :: View next topic |
| Author |
Message |
dsavarese(at)elmore.rr.co Guest
|
Posted: Tue Jul 25, 2006 2:54 pm Post subject: High pressure grease ( was Re: Flap) |
|
|
High pressure grease can be found at McMaster-Carr; www.mcmaster.com, page
2021. They also carry Dow Corning grease, but did not see any Dow Corning
high pressure grease. Anyway, check them out.
Dennis
---
| | - The Matronics Yak-List Email Forum - | | | Use the List Feature Navigator to browse the many List utilities available such as the Email Subscriptions page, Archive Search & Download, 7-Day Browse, Chat, FAQ, Photoshare, and much more:
http://www.matronics.com/Navigator?Yak-List |
|
|
|
| Back to top |
|
 |
F16ftrplt(at)aol.com Guest
|
Posted: Tue Jul 25, 2006 3:04 pm Post subject: High pressure grease ( was Re: Flap) |
|
|
Thanks guys for all the info. Doug is right, the list is a great resource and as newbie I certainly appreciate the help.
I am heading out to Oshkosh (airline) tomorrow and will get working as soon as I get back Saturday.
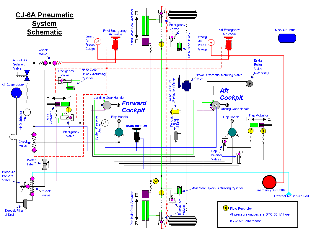
Does anyone have a "good" scanned diagram of the CJ-6 flap pneumatic system
Med Ragheb
| | - The Matronics Yak-List Email Forum - | | | Use the List Feature Navigator to browse the many List utilities available such as the Email Subscriptions page, Archive Search & Download, 7-Day Browse, Chat, FAQ, Photoshare, and much more:
http://www.matronics.com/Navigator?Yak-List |
|
|
|
| Back to top |
|
 |
rvfltd(at)televar.com Guest
|
Posted: Tue Jul 25, 2006 3:36 pm Post subject: High pressure grease ( was Re: Flap) |
|
|
Don't have any scanned but do have them in the manuals. Contact me off list when you get back. Wish I could be there also, but the apple tree gods willed it otherwise.
Always Yakin,
Doug Sapp [quote] --
| | - The Matronics Yak-List Email Forum - | | | Use the List Feature Navigator to browse the many List utilities available such as the Email Subscriptions page, Archive Search & Download, 7-Day Browse, Chat, FAQ, Photoshare, and much more:
http://www.matronics.com/Navigator?Yak-List |
|
|
|
| Back to top |
|
 |
viperdoc(at)mindspring.co Guest
|
Posted: Tue Jul 25, 2006 4:01 pm Post subject: High pressure grease ( was Re: Flap) |
|
|
Yes, but at least they gave you a soft landing so your old crumagen posterior did not get bent!
Doc
[quote] ---
| | - The Matronics Yak-List Email Forum - | | | Use the List Feature Navigator to browse the many List utilities available such as the Email Subscriptions page, Archive Search & Download, 7-Day Browse, Chat, FAQ, Photoshare, and much more:
http://www.matronics.com/Navigator?Yak-List |
|
|
|
| Back to top |
|
 |
JBernier(at)dart.org Guest
|
Posted: Wed Jul 26, 2006 6:32 am Post subject: High pressure grease ( was Re: Flap) |
|
|
Med
The attached should help. It's a "good" scanned diagram of the CJ-6 flap pneumatic system.
Enjoy.
Jim B
| Quote: | >> F16ftrplt(at)aol.com 07/25/06 6:04 PM >>>
Thanks guys for all the info. Doug is right, the list is a great resource
|
and as newbie I certainly appreciate the help.
I am heading out to Oshkosh (airline) tomorrow and will get working as soon
as I get back Saturday.
Does anyone have a "good" scanned diagram of the CJ-6 flap pneumatic system
Med Ragheb
| | - The Matronics Yak-List Email Forum - | | | Use the List Feature Navigator to browse the many List utilities available such as the Email Subscriptions page, Archive Search & Download, 7-Day Browse, Chat, FAQ, Photoshare, and much more:
http://www.matronics.com/Navigator?Yak-List |
|
| Description: |
|
| Filesize: |
411.07 KB |
| Viewed: |
314 Time(s) |

|
|
|
| Back to top |
|
 |
F16ftrplt(at)aol.com Guest
|
Posted: Wed Jul 26, 2006 3:44 pm Post subject: High pressure grease ( was Re: Flap) |
|
|
Jim
This is outstanding. I just had a great afternoon with a bunch of great CJ and Yak guys here in Oshkosh. I like this group already. Once again, thank you very much the schematic is great - it is almost "Med Proof"
All the best,
Med
| | - The Matronics Yak-List Email Forum - | | | Use the List Feature Navigator to browse the many List utilities available such as the Email Subscriptions page, Archive Search & Download, 7-Day Browse, Chat, FAQ, Photoshare, and much more:
http://www.matronics.com/Navigator?Yak-List |
|
|
|
| Back to top |
|
 |
JBernier(at)dart.org Guest
|
Posted: Thu Jul 27, 2006 9:40 am Post subject: High pressure grease ( was Re: Flap) |
|
|
The group is great because we love these planes almost as much as we do our wives.
Glad to be of help.
Jim B
This is outstanding. I just had a great afternoon with a bunch of great CJ
and Yak guys here in Oshkosh. I like this group already. Once again, thank
you very much the schematic is great - it is almost "Med Proof"
All the best,
Med
| | - The Matronics Yak-List Email Forum - | | | Use the List Feature Navigator to browse the many List utilities available such as the Email Subscriptions page, Archive Search & Download, 7-Day Browse, Chat, FAQ, Photoshare, and much more:
http://www.matronics.com/Navigator?Yak-List |
|
|
|
| Back to top |
|
 |
viperdoc(at)mindspring.co Guest
|
Posted: Thu Jul 27, 2006 11:44 am Post subject: High pressure grease ( was Re: Flap) |
|
|
Jim,
In some cases, I would say there are a few that would say more. Gotta admit
I do love both Miss Mollie (YAK-52) and Mrs Mollie! Just depends which day
of the week it is that I love more! Sat AM with good weather, well the Mrs
loses out to the Miss!
Doc Kemp
| Quote: | [Original Message]
From: Jim Bernier <JBernier(at)dart.org>
To: <yak-list(at)matronics.com>
Date: 7/27/2006 12:57:02 PM
Subject: Re: High pressure grease ( was Re: Flap)
The group is great because we love these planes almost as much as we do
our wives.
|
| Quote: | Glad to be of help.
Jim B
>>> F16ftrplt(at)aol.com 07/26/06 6:44 PM >>>
Jim
This is outstanding. I just had a great afternoon with a bunch of great
CJ
|
| Quote: | and Yak guys here in Oshkosh. I like this group already. Once again,
thank
|
| Quote: | you very much the schematic is great - it is almost "Med Proof"
All the best,
Med
|
| | - The Matronics Yak-List Email Forum - | | | Use the List Feature Navigator to browse the many List utilities available such as the Email Subscriptions page, Archive Search & Download, 7-Day Browse, Chat, FAQ, Photoshare, and much more:
http://www.matronics.com/Navigator?Yak-List |
|
|
|
| Back to top |
|
 |
mark.bitterlich(at)navy.m Guest
|
Posted: Thu Jul 27, 2006 12:29 pm Post subject: High pressure grease ( was Re: Flap) |
|
|
Thanks for letting me know that Doc. Now WHAT was your home address again?
BIG smile.....
Mark Bitterlich
N50YK
--
| | - The Matronics Yak-List Email Forum - | | | Use the List Feature Navigator to browse the many List utilities available such as the Email Subscriptions page, Archive Search & Download, 7-Day Browse, Chat, FAQ, Photoshare, and much more:
http://www.matronics.com/Navigator?Yak-List |
|
|
|
| Back to top |
|
 |
viperdoc(at)mindspring.co Guest
|
Posted: Thu Jul 27, 2006 4:13 pm Post subject: High pressure grease ( was Re: Flap) |
|
|
08A (Wetumpka,Al), Ol' Boy...that's where you'll find "Miss Mollie" and the
"Smokin' 50" hanging out.
Doc
| Quote: | [Original Message]
From: Bitterlich, Mark G CIV Det Cherry Point, MALS-14 64E
<mark.bitterlich(at)navy.mil>
|
| Quote: | To: <yak-list(at)matronics.com>
Date: 7/27/2006 3:36:47 PM
Subject: RE: High pressure grease ( was Re: Flap)
MALS-14 64E" <mark.bitterlich(at)navy.mil>
|
| Quote: |
Thanks for letting me know that Doc. Now WHAT was your home address
again?
|
[quote]
BIG smile.....
Mark Bitterlich
N50YK
--
| | - The Matronics Yak-List Email Forum - | | | Use the List Feature Navigator to browse the many List utilities available such as the Email Subscriptions page, Archive Search & Download, 7-Day Browse, Chat, FAQ, Photoshare, and much more:
http://www.matronics.com/Navigator?Yak-List |
|
|
|
| Back to top |
|
 |
|
|
You cannot post new topics in this forum You cannot reply to topics in this forum You cannot edit your posts in this forum You cannot delete your posts in this forum You cannot vote in polls in this forum You cannot attach files in this forum You can download files in this forum
|
Powered by phpBB © 2001, 2005 phpBB Group
|