 |
Matronics Email Lists Web Forum Interface to the Matronics Email Lists
|
| View previous topic :: View next topic |
| Author |
Message |
BobbyPaulk(at)comcast.net Guest
|
Posted: Fri May 15, 2015 6:22 am Post subject: Tachometer |
|
|
List
Does anyone know of of a situation where the Tachometer output of the Rotec E-Mag ( Square wave ) is hooked to a Dynon EMS?
I can not get the amplitude of the signal from Rotec and Dynon says it must be 12 v and not more than 50.
Bobby
Zodiac 601 XL "B"
Jabiru 3300 S/N 1141
Status - Flying 236 hrs.
Do Not Archive
[quote][b]
| | - The Matronics AeroElectric-List Email Forum - | | | Use the List Feature Navigator to browse the many List utilities available such as the Email Subscriptions page, Archive Search & Download, 7-Day Browse, Chat, FAQ, Photoshare, and much more:
http://www.matronics.com/Navigator?AeroElectric-List |
|
|
|
| Back to top |
|
 |
user9253
Joined: 28 Mar 2008 Posts: 1969 Location: Riley TWP Michigan
|
Posted: Fri May 15, 2015 8:52 am Post subject: Re: Tachometer |
|
|
What model Dynon EMS are you using? The SkyView EMS has both a high voltage and a low voltage tach input. The high voltage input can come from a "P" lead with a 30K resistor. The low voltage input can be less than 12 volts.
| | - The Matronics AeroElectric-List Email Forum - | | | Use the List Feature Navigator to browse the many List utilities available such as the Email Subscriptions page, Archive Search & Download, 7-Day Browse, Chat, FAQ, Photoshare, and much more:
http://www.matronics.com/Navigator?AeroElectric-List |
|
_________________ Joe Gores |
|
| Back to top |
|
 |
BobbyPaulk(at)comcast.net Guest
|
Posted: Fri May 15, 2015 10:50 am Post subject: Tachometer |
|
|
Joe,
I am trying to tie my Dynon DEK - 180 ( 2007 vintage) Pin #32 Green / White RPM Left into the Tachometer output ( Pin 7 Square Wave ) of the Rotec E-Mag.
I can not get a go or no go from either Dynon or Rotec.
Any help would be appreciated.
bobby
[quote][b]
| | - The Matronics AeroElectric-List Email Forum - | | | Use the List Feature Navigator to browse the many List utilities available such as the Email Subscriptions page, Archive Search & Download, 7-Day Browse, Chat, FAQ, Photoshare, and much more:
http://www.matronics.com/Navigator?AeroElectric-List |
|
|
|
| Back to top |
|
 |
user9253
Joined: 28 Mar 2008 Posts: 1969 Location: Riley TWP Michigan
|
Posted: Fri May 15, 2015 11:53 am Post subject: Re: Tachometer |
|
|
Bobby,
The safe way to hook it up, so as to not risk damaging anything, is to use a 30K resistor in series between the ignition pin 7 and the EMS pin 32. If the D-180 does not display an RPM, then look at the signal with an oscilloscope or digital meter that reads peak voltage.
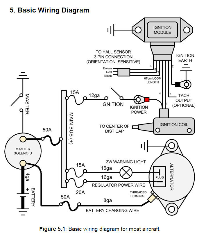
Or you could use the trial and error method. If the tachometer does not work with a 30K resistor, then remove it and connect ignition pin 7 directly to EMS pim 32. Looking at Rotec's documentation, my guess is that the tach signal is not high voltage.
http://www.rotecaerosport.com/faqs/ign-plug/
| | - The Matronics AeroElectric-List Email Forum - | | | Use the List Feature Navigator to browse the many List utilities available such as the Email Subscriptions page, Archive Search & Download, 7-Day Browse, Chat, FAQ, Photoshare, and much more:
http://www.matronics.com/Navigator?AeroElectric-List |
|
| Description: |
|
| Filesize: |
84.45 KB |
| Viewed: |
5012 Time(s) |

|
_________________ Joe Gores |
|
| Back to top |
|
 |
user9253
Joined: 28 Mar 2008 Posts: 1969 Location: Riley TWP Michigan
|
Posted: Sat May 16, 2015 7:38 am Post subject: Re: Tachometer |
|
|
Even if the amplitude of the square wave from the Rotec tachometer is less than 12 volts, someone on this list can design a simple transistor amplifier that will boost the voltage above the minimum required for the Dynon D-180 tachometer input.
| | - The Matronics AeroElectric-List Email Forum - | | | Use the List Feature Navigator to browse the many List utilities available such as the Email Subscriptions page, Archive Search & Download, 7-Day Browse, Chat, FAQ, Photoshare, and much more:
http://www.matronics.com/Navigator?AeroElectric-List |
|
_________________ Joe Gores |
|
| Back to top |
|
 |
|
|
You cannot post new topics in this forum You cannot reply to topics in this forum You cannot edit your posts in this forum You cannot delete your posts in this forum You cannot vote in polls in this forum You cannot attach files in this forum You can download files in this forum
|
Powered by phpBB © 2001, 2005 phpBB Group
|