 |
Matronics Email Lists Web Forum Interface to the Matronics Email Lists
|
| View previous topic :: View next topic |
| Author |
Message |
wgreenley
Joined: 09 Jan 2010 Posts: 100 Location: Dowagiac, MI
|
Posted: Thu Dec 22, 2016 7:35 am Post subject: IBBS battery with B and C alternators? |
|
|
Still learning about alternators and have a question. Building an RV-10 with IO-540 engine. Have to mount on the engine BC460-H belt driven 60 amp alternator, and BC410-H accessory case mounted backup alternator. Thinking about failure scenarios. My understanding is that a master contactor or battery failure would take out both alternators as they need a battery online to help control the operation of the alternator. With the IBBS 6 AH battery having a charging line off of the main power bus, would that have any influence on this?Bill Greenley
| | - The Matronics AeroElectric-List Email Forum - | | | Use the List Feature Navigator to browse the many List utilities available such as the Email Subscriptions page, Archive Search & Download, 7-Day Browse, Chat, FAQ, Photoshare, and much more:
http://www.matronics.com/Navigator?AeroElectric-List |
|
|
|
| Back to top |
|
 |
user9253
Joined: 28 Mar 2008 Posts: 1972 Location: Riley TWP Michigan
|
Posted: Thu Dec 22, 2016 11:04 am Post subject: Re: IBBS battery with B and C alternators? |
|
|
Once up and running, an alternator will keep working even if the battery is disconnected. However, the the alternator output might be unstable without a battery. A contactor failure or battery open circuit failure will not take out an alternator, but the output voltage might fluctuate. Yes, a 6 amp hour will have a stabilizing affect. Exactly how much will need to be determined by testing. It is very rare for a battery to fail suddenly without warning, although my PC680 did suddenly develop an internal open circuit. The vast majority of small planes are flying without backup batteries or backup contactors.
| | - The Matronics AeroElectric-List Email Forum - | | | Use the List Feature Navigator to browse the many List utilities available such as the Email Subscriptions page, Archive Search & Download, 7-Day Browse, Chat, FAQ, Photoshare, and much more:
http://www.matronics.com/Navigator?AeroElectric-List |
|
_________________ Joe Gores |
|
| Back to top |
|
 |
rnewman(at)tcwtech.com Guest
|
Posted: Thu Dec 22, 2016 5:36 pm Post subject: IBBS battery with B and C alternators? |
|
|
The IBBS will detect any failure of the main bus that results in a bus voltage falling below 11 volts, regardless of the cause. When this occurs, backup battery voltage will be provided to all of the connected equipment powered via the outputs of the ibbs.
Bob Newman
TCW Technologies, LLC
610-928-3420
| Quote: | On Dec 22, 2016, at 10:34 AM, William Greenley <wgreenley(at)gmail.com> wrote:
Still learning about alternators and have a question. Building an RV-10 with IO-540 engine. Have to mount on the engine BC460-H belt driven 60 amp alternator, and BC410-H accessory case mounted backup alternator. Thinking about failure scenarios. My understanding is that a master contactor or battery failure would take out both alternators as they need a battery online to help control the operation of the alternator. With the IBBS 6 AH battery having a charging line off of the main power bus, would that have any influence on this?
Bill Greenley
|
| | - The Matronics AeroElectric-List Email Forum - | | | Use the List Feature Navigator to browse the many List utilities available such as the Email Subscriptions page, Archive Search & Download, 7-Day Browse, Chat, FAQ, Photoshare, and much more:
http://www.matronics.com/Navigator?AeroElectric-List |
|
|
|
| Back to top |
|
 |
wgreenley
Joined: 09 Jan 2010 Posts: 100 Location: Dowagiac, MI
|
Posted: Thu Dec 22, 2016 5:59 pm Post subject: IBBS battery with B and C alternators? |
|
|
I understand how the IBBS battery system works as a backup, and that is why I am buying. What I am trying to figure out is since alternators (at least most included B & C's) need the battery to be online to "buffer" the alternator output, does the IBBS battery charging line on the main bus offer any of this "buffer" capability so that an alterntor would keep running even if he main contactor were to fail. I am thinking it would not since the charge line is one way only, the IBBS battery would not put out any current unless their was a power failure.
On Thu, Dec 22, 2016 at 8:34 PM, Tcwtech <rnewman(at)tcwtech.com (rnewman(at)tcwtech.com)> wrote:
| Quote: | --> AeroElectric-List message posted by: Tcwtech <rnewman(at)tcwtech.com (rnewman(at)tcwtech.com)>
The IBBS will detect any failure of the main bus that results in a bus voltage falling below 11 volts, regardless of the cause. When this occurs, backup battery voltage will be provided to all of the connected equipment powered via the outputs of the ibbs.
Bob Newman
TCW Technologies, LLC
[url=tel:610-928-3420]610-928-3420[/url]
> On Dec 22, 2016, at 10:34 AM, William Greenley <wgreenley(at)gmail.com (wgreenley(at)gmail.com)> wrote:
>
> Still learning about alternators and have a question. Building an RV-10 with IO-540 engine. Have to mount on the engine BC460-H belt driven 60 amp alternator, and BC410-H accessory case mounted backup alternator. Thinking about failure scenarios. My understanding is that a master contactor or battery failure would take out both alternators as they need a battery online to help control the operation of the alternator. With the IBBS 6 AH battery having a charging line off of the main power bus, would that have any influence on this?
> Bill Greenley
======================================
br> fts!)
r> > com" rel="noreferrer" target="_blank">www.aeroelectric.com
w.buildersbooks.com" rel="noreferrer" target="_blank">www.buildersbooks.com
p.com" rel="noreferrer" target="_blank">www.homebuilthelp.com
e.com" rel="noreferrer" target="_blank">www.mypilotstore.com
" rel="noreferrer" target="_blank">www.mrrace.com
rel="noreferrer" target="_blank">http://www.matronics.com/contribution
-Matt Dralle, List Admin.
====================================
-
Electric-List" rel="noreferrer" target="_blank">http://www.matronics.com/Navigator?AeroElectric-List
====================================
FORUMS -
eferrer" target="_blank">http://forums.matronics.com
====================================
WIKI -
errer" target="_blank">http://wiki.matronics.com
====================================
b Site -
-Matt Dralle, List Admin.
rel="noreferrer" target="_blank">http://www.matronics.com/contribution
====================================
|
| | - The Matronics AeroElectric-List Email Forum - | | | Use the List Feature Navigator to browse the many List utilities available such as the Email Subscriptions page, Archive Search & Download, 7-Day Browse, Chat, FAQ, Photoshare, and much more:
http://www.matronics.com/Navigator?AeroElectric-List |
|
|
|
| Back to top |
|
 |
peter(at)sportingaero.com Guest
|
Posted: Fri Dec 23, 2016 1:39 am Post subject: IBBS battery with B and C alternators? |
|
|
I don't really understand what you mean by 'one way'? If the alternator and ibbs are both connected to the bus bar current will flow to the device with the lower potential, for the circuit to work they must also be grounded. If the master relay fails why won't everything keep working until you land? Why do you need a additional battery? Master relay failure is rare.
Peter
On 23 Dec 2016 02:11, "William Greenley" <wgreenley(at)gmail.com (wgreenley(at)gmail.com)> wrote: | Quote: | I understand how the IBBS battery system works as a backup, and that is why I am buying. What I am trying to figure out is since alternators (at least most included B & C's) need the battery to be online to "buffer" the alternator output, does the IBBS battery charging line on the main bus offer any of this "buffer" capability so that an alterntor would keep running even if he main contactor were to fail. I am thinking it would not since the charge line is one way only, the IBBS battery would not put out any current unless their was a power failure.
On Thu, Dec 22, 2016 at 8:34 PM, Tcwtech <rnewman(at)tcwtech.com (rnewman(at)tcwtech.com)> wrote:
| Quote: | --> AeroElectric-List message posted by: Tcwtech <rnewman(at)tcwtech.com (rnewman(at)tcwtech.com)>
The IBBS will detect any failure of the main bus that results in a bus voltage falling below 11 volts, regardless of the cause. When this occurs, backup battery voltage will be provided to all of the connected equipment powered via the outputs of the ibbs.
Bob Newman
TCW Technologies, LLC
[url=tel:610-928-3420]610-928-3420[/url]
> On Dec 22, 2016, at 10:34 AM, William Greenley <wgreenley(at)gmail.com (wgreenley(at)gmail.com)> wrote:
>
> Still learning about alternators and have a question. Building an RV-10 with IO-540 engine. Have to mount on the engine BC460-H belt driven 60 amp alternator, and BC410-H accessory case mounted backup alternator. Thinking about failure scenarios. My understanding is that a master contactor or battery failure would take out both alternators as they need a battery online to help control the operation of the alternator. With the IBBS 6 AH battery having a charging line off of the main power bus, would that have any influence on this?
> Bill Greenley
=============
br> fts!)
r> > com" rel="noreferrer" target="_blank">www.aeroelectric.com
w.buildersbooks.com" rel="noreferrer" target="_blank">www.buildersbooks.com
p.com" rel="noreferrer" target="_blank">www.homebuilthelp.com
e.com" rel="noreferrer" target="_blank">www.mypilotstore.com
" rel="noreferrer" target="_blank">www.mrrace.com
rel="noreferrer" target="_blank">http://www.matronics.com/contribution
-Matt Dralle, List Admin.
===========
-
Electric-List" rel="noreferrer" target="_blank">http://www.matronics.com/Navigator?AeroElectric-List
===========
FORUMS -
eferrer" target="_blank">http://forums.matronics.com
===========
WIKI -
errer" target="_blank">http://wiki.matronics.com
===========
b Site -
-Matt Dralle, List Admin.
rel="noreferrer" target="_blank">http://www.matronics.com/contribution
===========
|
|
| | - The Matronics AeroElectric-List Email Forum - | | | Use the List Feature Navigator to browse the many List utilities available such as the Email Subscriptions page, Archive Search & Download, 7-Day Browse, Chat, FAQ, Photoshare, and much more:
http://www.matronics.com/Navigator?AeroElectric-List |
|
|
|
| Back to top |
|
 |
rnewman(at)tcwtech.com Guest
|
Posted: Fri Dec 23, 2016 2:28 am Post subject: IBBS battery with B and C alternators? |
|
|
The charge/sense line will not provide any substantial buffering of the main bus. It is an input only and the ibbs battery is not "seen by" the main bus. There is a series of input capacitors amounting to about 40 uF from our emi filter that the voltage regulator of the alternator would see, but to the extent that this satisfies the control loop in the alternator/regulator system we really can not comment.
Bob NewmanTCW Technologies, LLC
610-928-3420
On Dec 22, 2016, at 8:58 PM, William Greenley <wgreenley(at)gmail.com (wgreenley(at)gmail.com)> wrote:
| Quote: | I understand how the IBBS battery system works as a backup, and that is why I am buying. What I am trying to figure out is since alternators (at least most included B & C's) need the battery to be online to "buffer" the alternator output, does the IBBS battery charging line on the main bus offer any of this "buffer" capability so that an alterntor would keep running even if he main contactor were to fail. I am thinking it would not since the charge line is one way only, the IBBS battery would not put out any current unless their was a power failure.
On Thu, Dec 22, 2016 at 8:34 PM, Tcwtech <rnewman(at)tcwtech.com (rnewman(at)tcwtech.com)> wrote:
| Quote: | --> AeroElectric-List message posted by: Tcwtech <rnewman(at)tcwtech.com (rnewman(at)tcwtech.com)>
The IBBS will detect any failure of the main bus that results in a bus voltage falling below 11 volts, regardless of the cause. When this occurs, backup battery voltage will be provided to all of the connected equipment powered via the outputs of the ibbs.
Bob Newman
TCW Technologies, LLC
[url=tel:610-928-3420]610-928-3420[/url]
> On Dec 22, 2016, at 10:34 AM, William Greenley <wgreenley(at)gmail.com (wgreenley(at)gmail.com)> wrote:
>
> Still learning about alternators and have a question. Building an RV-10 with IO-540 engine. Have to mount on the engine BC460-H belt driven 60 amp alternator, and BC410-H accessory case mounted backup alternator. Thinking about failure scenarios. My understanding is that a master contactor or battery failure would take out both alternators as they need a battery online to help control the operation of the alternator. With the IBBS 6 AH battery having a charging line off of the main power bus, would that have any influence on this?
> Bill Greenley
======================================
br> fts!)
r> > com" rel="noreferrer" target="_blank">www.aeroelectric.com
w.buildersbooks.com" rel="noreferrer" target="_blank">www.buildersbooks.com
p.com" rel="noreferrer" target="_blank">www.homebuilthelp.com
e.com" rel="noreferrer" target="_blank">www.mypilotstore.com
" rel="noreferrer" target="_blank">www.mrrace.com
rel="noreferrer" target="_blank">http://www.matronics.com/contribution
-Matt Dralle, List Admin.
====================================
-
Electric-List" rel="noreferrer" target="_blank">http://www.matronics.com/Navigator?AeroElectric-List
====================================
FORUMS -
eferrer" target="_blank">http://forums.matronics.com
====================================
WIKI -
errer" target="_blank">http://wiki.matronics.com
====================================
b Site -
-Matt Dralle, List Admin.
rel="noreferrer" target="_blank">http://www.matronics.com/contribution
====================================
|
|
| | - The Matronics AeroElectric-List Email Forum - | | | Use the List Feature Navigator to browse the many List utilities available such as the Email Subscriptions page, Archive Search & Download, 7-Day Browse, Chat, FAQ, Photoshare, and much more:
http://www.matronics.com/Navigator?AeroElectric-List |
|
|
|
| Back to top |
|
 |
user9253
Joined: 28 Mar 2008 Posts: 1972 Location: Riley TWP Michigan
|
Posted: Fri Dec 23, 2016 8:13 am Post subject: Re: IBBS battery with B and C alternators? |
|
|
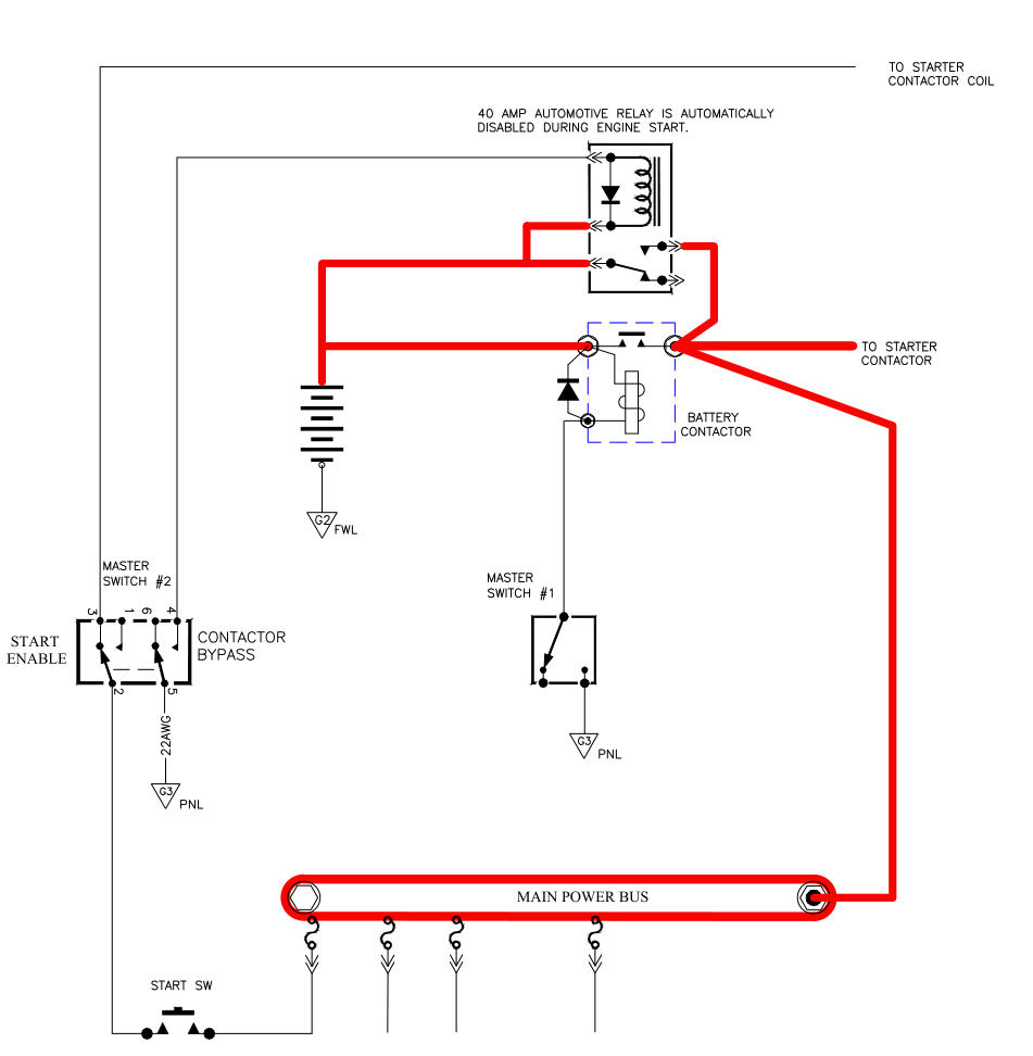
Here is a circuit for those concerned about the master contactor failing. An automotive relay is connected in parallel with the master contactor. The relay is disabled during engine starting to prevent excessive current from flowing through the relay contacts. Prior to turning on the master contactor, the relay can be energized to be sure that it works. The relay must be shut off to start the engine. After engine start, the relay may be turned back on. If the alternator fails, the battery master contactor can be shut off to conserve energy.
During cruise flight, the relay will only carry battery charging current. Aircraft load current will flow directly from the alternator to the main power bus, not through the relay.
When playing with avionics in the hangar with the engine off, the relay can be turned on instead of master contactor. Notice that the arrows on arc-suppression diodes point towards positive.
| | - The Matronics AeroElectric-List Email Forum - | | | Use the List Feature Navigator to browse the many List utilities available such as the Email Subscriptions page, Archive Search & Download, 7-Day Browse, Chat, FAQ, Photoshare, and much more:
http://www.matronics.com/Navigator?AeroElectric-List |
|
| Description: |
|
| Filesize: |
77.52 KB |
| Viewed: |
14801 Time(s) |

|
| Description: |
|
 Download |
| Filename: |
Contactor Bypass.pdf |
| Filesize: |
19.12 KB |
| Downloaded: |
680 Time(s) |
_________________ Joe Gores |
|
| Back to top |
|
 |
alec(at)alecmyers.com Guest
|
Posted: Fri Dec 23, 2016 9:54 am Post subject: IBBS battery with B and C alternators? |
|
|
If you're going to that much trouble why not just have two independently switched contactors?
| Quote: | On Dec 23, 2016, at 11:13 AM, user9253 <fransew(at)gmail.com> wrote:
Here is a circuit for those concerned about the master contactor failing. An automotive relay is connected in parallel with the master contactor. The relay is disabled during engine starting to prevent excessive current from flowing through the relay contacts. Prior to turning on the master contactor, the relay can be energized to be sure that it works. The relay must be shut off to start the engine. After engine start, the relay may be turned back on. If the alternator fails, the battery master contactor can be shut off to conserve energy.
During cruise flight, the relay will only carry battery charging current. Aircraft load current will flow directly from the alternator to the main power bus, not through the relay.
When playing with avionics in the hangar with the engine off, the relay can be turned on instead of master contactor. Notice that the arrows on arc-suppression diodes point towards positive.
--------
Joe Gores
Read this topic online here:
http://forums.matronics.com/viewtopic.php?p=464274#464274
Attachments:
http://forums.matronics.com//files/contactor_bypass_462.pdf
http://forums.matronics.com//files/contactor_bypass_143.jpg
|
| | - The Matronics AeroElectric-List Email Forum - | | | Use the List Feature Navigator to browse the many List utilities available such as the Email Subscriptions page, Archive Search & Download, 7-Day Browse, Chat, FAQ, Photoshare, and much more:
http://www.matronics.com/Navigator?AeroElectric-List |
|
|
|
| Back to top |
|
 |
user9253
Joined: 28 Mar 2008 Posts: 1972 Location: Riley TWP Michigan
|
Posted: Fri Dec 23, 2016 10:12 am Post subject: Re: IBBS battery with B and C alternators? |
|
|
| Quote: | | If you're going to that much trouble why not just have two independently switched contactors? |
There is not much trouble, same number of components either way. The relay has the advantage of less current, less weight, less cost, and less space. I am not necessarily recommending this circuit. Just offering it for others who want redundancy.
| | - The Matronics AeroElectric-List Email Forum - | | | Use the List Feature Navigator to browse the many List utilities available such as the Email Subscriptions page, Archive Search & Download, 7-Day Browse, Chat, FAQ, Photoshare, and much more:
http://www.matronics.com/Navigator?AeroElectric-List |
|
_________________ Joe Gores |
|
| Back to top |
|
 |
alec(at)alecmyers.com Guest
|
Posted: Fri Dec 23, 2016 3:26 pm Post subject: IBBS battery with B and C alternators? |
|
|
The only contactor failure I've had is when it welded itself shut, due to a short in the starter motor. It's quite unusual not being able to turn off the aircraft..
On 23Dec2016, at 7:12 PM, user9253 <fransew(at)gmail.com> wrote:
| Quote: | If you're going to that much trouble why not just have two independently switched contactors?
|
There is not much trouble, same number of components either way. The relay has the advantage of less current, less weight, less cost, and less space. I am not necessarily recommending this circuit. Just offering it for others who want redundancy.
--------
Joe Gores
Read this topic online here:
http://forums.matronics.com/viewtopic.php?p=464278#464278
| | - The Matronics AeroElectric-List Email Forum - | | | Use the List Feature Navigator to browse the many List utilities available such as the Email Subscriptions page, Archive Search & Download, 7-Day Browse, Chat, FAQ, Photoshare, and much more:
http://www.matronics.com/Navigator?AeroElectric-List |
|
|
|
| Back to top |
|
 |
Tundra10
Joined: 14 Jun 2010 Posts: 102 Location: Scarborough, Ontario
|
Posted: Sat Dec 24, 2016 10:33 am Post subject: IBBS battery with B and C alternators? |
|
|
In the event of an emergency landing or fire, it is necessary to turn
off both switches.
I suggest making that ergonomically easy to do in a single motion.
Jeff Page
Dream Aircraft Tundra #10
| Quote: | Time: 08:14:43 AM PST US
Subject: Re: IBBS battery with B and C alternators?
From: "user9253" <fransew(at)gmail.com>
Here is a circuit for those concerned about the master contactor
failing. An automotive
relay is connected in parallel with the master contactor. The relay
is disabled during engine starting to prevent excessive current from flowing
through the relay contacts. Prior to turning on the master
contactor, the relay
can be energized to be sure that it works. The relay must be shut off to
start the engine. After engine start, the relay may be turned back
on. If the
alternator fails, the battery master contactor can be shut off to
conserve energy.
During cruise flight, the relay will only carry battery charging
current. Aircraft
load current will flow directly from the alternator to the main power bus,
not through the relay.
When playing with avionics in the hangar with the engine off, the
relay can be
turned on instead of master contactor. Notice that the arrows on
arc-suppression
diodes point towards positive.
--------
Joe Gores
Read this topic online here:
http://forums.matronics.com/viewtopic.php?p=464274#464274
Attachments:
http://forums.matronics.com//files/contactor_bypass_462.pdf
http://forums.matronics.com//files/contactor_bypass_143.jpg
|
| | - The Matronics AeroElectric-List Email Forum - | | | Use the List Feature Navigator to browse the many List utilities available such as the Email Subscriptions page, Archive Search & Download, 7-Day Browse, Chat, FAQ, Photoshare, and much more:
http://www.matronics.com/Navigator?AeroElectric-List |
|
|
|
| Back to top |
|
 |
|
|
You cannot post new topics in this forum You cannot reply to topics in this forum You cannot edit your posts in this forum You cannot delete your posts in this forum You cannot vote in polls in this forum You cannot attach files in this forum You can download files in this forum
|
Powered by phpBB © 2001, 2005 phpBB Group
|