 |
Matronics Email Lists Web Forum Interface to the Matronics Email Lists
|
| View previous topic :: View next topic |
| Author |
Message |
wlday18(at)yahoo.com Guest
|
Posted: Fri Feb 24, 2017 3:52 am Post subject: Revmaster with EFIS |
|
|
<![endif]--> Normal 0 false false false EN-US X-NONE X-NONE <![endif]--> <![endif]--> /* Style Definitions */ table.MsoNormalTable {mso-style-name:"Table Normal"; mso-tstyle-rowband-size:0; mso-tstyle-colband-size:0; mso-style-noshow:yes; mso-style-priority:99; mso-style-parent:""; mso-padding-alt:0in 5.4pt 0in 5.4pt; mso-para-margin:0in; mso-para-margin-bottom:.0001pt; mso-pagination:widow-orphan; font-size:11.0pt; font-family:"Calibri",sans-serif; mso-ascii-font-family:Calibri; mso-ascii-theme-font:minor-latin; mso-hansi-font-family:Calibri; mso-hansi-theme-font:minor-latin;} <![endif]-->
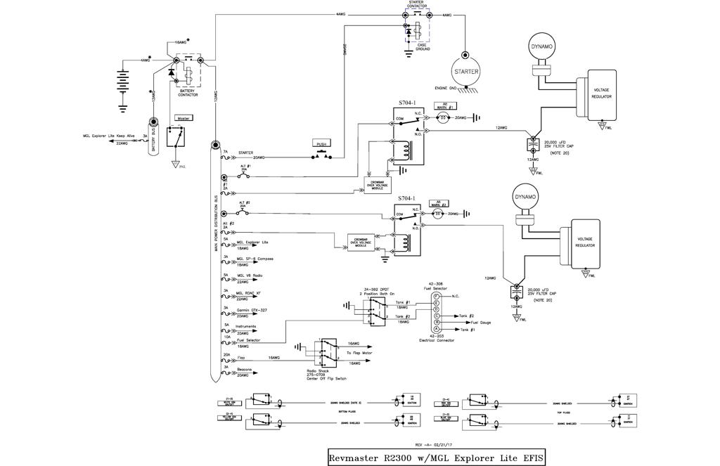
I am working on my electrical bus diagram.
Is it better to have both PM Alternators connected at the same time or switch between them?
I have not been able to find much on this.
I’ve included my rough draft version.
Thanks
Bill
Thatcher CX-5
| | - The Matronics AeroElectric-List Email Forum - | | | Use the List Feature Navigator to browse the many List utilities available such as the Email Subscriptions page, Archive Search & Download, 7-Day Browse, Chat, FAQ, Photoshare, and much more:
http://www.matronics.com/Navigator?AeroElectric-List |
|
| Description: |
|
| Filesize: |
48.35 KB |
| Viewed: |
11066 Time(s) |

|
|
|
| Back to top |
|
 |
user9253
Joined: 28 Mar 2008 Posts: 1970 Location: Riley TWP Michigan
|
Posted: Fri Feb 24, 2017 7:05 am Post subject: Re: Revmaster with EFIS |
|
|
Alternators with field coils can fight each other if the regulator voltage set points are near each other. I do not know about permanent magnet dynamos. But regardless, I would leave the switch controls as they are. Leave it up to the pilot to turn on one at a time or both at once. Trying to design it so that only one dynamo will supply power at a time will result in a single failure point.
The indicator lights are not necessary or even desired. The pilot will soon become accustomed to one being on and ignore the lights. The EFIS should warn of low voltage.
A PDF schematic would be much easier to read then a blurry JPG.
| | - The Matronics AeroElectric-List Email Forum - | | | Use the List Feature Navigator to browse the many List utilities available such as the Email Subscriptions page, Archive Search & Download, 7-Day Browse, Chat, FAQ, Photoshare, and much more:
http://www.matronics.com/Navigator?AeroElectric-List |
|
_________________ Joe Gores |
|
| Back to top |
|
 |
wlday18(at)yahoo.com Guest
|
Posted: Sat Feb 25, 2017 4:53 am Post subject: Revmaster with EFIS |
|
|
Here's an updated diagram.
It was stated that I don't need the O.V. protection.
Is that correct?
Thanks
Bill
Thatcher CX-5
| | - The Matronics AeroElectric-List Email Forum - | | | Use the List Feature Navigator to browse the many List utilities available such as the Email Subscriptions page, Archive Search & Download, 7-Day Browse, Chat, FAQ, Photoshare, and much more:
http://www.matronics.com/Navigator?AeroElectric-List |
|
| Description: |
|
 Download |
| Filename: |
Revmaster_and_EFIS_(2).pdf |
| Filesize: |
96.71 KB |
| Downloaded: |
670 Time(s) |
|
|
| Back to top |
|
 |
user9253
Joined: 28 Mar 2008 Posts: 1970 Location: Riley TWP Michigan
|
Posted: Sat Feb 25, 2017 7:00 am Post subject: Re: Revmaster with EFIS |
|
|
I do not know how I missed it on your first schematic, but there are no switches to control the alternator relays. Without switches, the relays serve no useful purpose. The alternator output could be wired directly to the main power bus. However, I recommend relays with control switches so that the pilot can choose which alternator to use and so that the pilot can shut off all sources of power in case of smoke in the cockpit.
There are pros and cons to over-voltage protection. I think that the majority of small aircraft do not have it. It is one more thing that can fail. And it has failed on rare occasions. On the other hand, voltage regulators can also fail and cause the alternator to put too much voltage, which can destroy electrical equipment. Avionics used to be made to operate at a certain voltage, either 12 volts or 24 volts. But many modern avionics can operate anywhere from 10 up to 30 volts. In that case, over-voltage is not likely to damage them. So, is over-voltage protection needed? No. But is it desirable? It is up to the designer to decide. Van's Aircraft has not included over-voltage protection in their RV-12. And there are over 500 of them flying and another 500 under construction.
I would reduce the size of the starter contactor coil fuse to 3 amps or 5 at the most. My RV-12 has a 2 amp fuse for that coil circuit.
| | - The Matronics AeroElectric-List Email Forum - | | | Use the List Feature Navigator to browse the many List utilities available such as the Email Subscriptions page, Archive Search & Download, 7-Day Browse, Chat, FAQ, Photoshare, and much more:
http://www.matronics.com/Navigator?AeroElectric-List |
|
_________________ Joe Gores |
|
| Back to top |
|
 |
wlday18(at)yahoo.com Guest
|
Posted: Sat Feb 25, 2017 11:44 am Post subject: Revmaster with EFIS |
|
|
Attempt #3
I put the switches on the relays and removed the warning lights.
Do the switched need to be 1A or just straight toggle?
Changed the starter to 3A.
The review is greatly appreciated.
On 2/25/2017 7:49 AM, William wrote:
| Quote: | Here's an updated diagram.
It was stated that I don't need the O.V. protection.
Is that correct?
Thanks
Bill
Thatcher CX-5
|
| | - The Matronics AeroElectric-List Email Forum - | | | Use the List Feature Navigator to browse the many List utilities available such as the Email Subscriptions page, Archive Search & Download, 7-Day Browse, Chat, FAQ, Photoshare, and much more:
http://www.matronics.com/Navigator?AeroElectric-List |
|
| Description: |
|
 Download |
| Filename: |
Revmaster_and_EFIS_(3).pdf |
| Filesize: |
93.49 KB |
| Downloaded: |
662 Time(s) |
|
|
| Back to top |
|
 |
user9253
Joined: 28 Mar 2008 Posts: 1970 Location: Riley TWP Michigan
|
Posted: Sat Feb 25, 2017 12:36 pm Post subject: Re: Revmaster with EFIS |
|
|
I do not see the alternator switches unless they are combination circuit breaker-switches.
The relay coils need diodes across them with the arrow (banded end) pointing towards positive, just like on contactor coils. Diodes will protect switch contacts from arcing.
Not sure what you mean by, "Do the switched need to be 1A or just straight toggle?"
Since you have decided not to install over-voltage protection, fuses can be used instead of circuit breakers for a lot less money. Depending on the type of relay, 1 amp should be adequate. But 3 amp could also be used.
VansAircraft sells fuses that glow (3 amp and above) when blown (provided that the load has not opened). 3 amp part number: ES-00203
http://www.vansaircraft.com/public/parts.txt
Depending on the size of the starter motor and the distance from the battery, cable smaller than 4 AWG might adequate. Ask Revmaster or someone with a similar engine. If you have not purchased the capacitors yet, you might consider 35 volt instead of 25 volt.
| | - The Matronics AeroElectric-List Email Forum - | | | Use the List Feature Navigator to browse the many List utilities available such as the Email Subscriptions page, Archive Search & Download, 7-Day Browse, Chat, FAQ, Photoshare, and much more:
http://www.matronics.com/Navigator?AeroElectric-List |
|
_________________ Joe Gores |
|
| Back to top |
|
 |
JohnInReno
Joined: 08 Sep 2007 Posts: 150
|
Posted: Sat Feb 25, 2017 5:03 pm Post subject: Revmaster with EFIS |
|
|
What happens to your Revmaster's ignition system during an over-voltage
event? Is it electrically dependent?
john
On 2/25/2017 5:49 AM, William wrote:
| Quote: | Here's an updated diagram.
It was stated that I don't need the O.V. protection.
Is that correct?
Thanks
Bill
Thatcher CX-5
|
| | - The Matronics AeroElectric-List Email Forum - | | | Use the List Feature Navigator to browse the many List utilities available such as the Email Subscriptions page, Archive Search & Download, 7-Day Browse, Chat, FAQ, Photoshare, and much more:
http://www.matronics.com/Navigator?AeroElectric-List |
|
_________________ John Morgensen
RV-9A - Born on July 3, 2013
RV4 - for sale |
|
| Back to top |
|
 |
jim(at)PoogieBearRanch.co Guest
|
Posted: Sat Feb 25, 2017 6:04 pm Post subject: Revmaster with EFIS |
|
|
Joe (or anyone else),
Do you know what kind of fuse block Vans use on the RV-12? I like the
look of that, rather than CBs, and suspect it's cheaper. I looked
through the parts list, but came up empty - likely isn't called what I
think it is...
Jim Parker
------
| | - The Matronics AeroElectric-List Email Forum - | | | Use the List Feature Navigator to browse the many List utilities available such as the Email Subscriptions page, Archive Search & Download, 7-Day Browse, Chat, FAQ, Photoshare, and much more:
http://www.matronics.com/Navigator?AeroElectric-List |
|
|
|
| Back to top |
|
 |
user9253
Joined: 28 Mar 2008 Posts: 1970 Location: Riley TWP Michigan
|
Posted: Sat Feb 25, 2017 7:01 pm Post subject: Re: Revmaster with EFIS |
|
|
Van's has changed the design over time. The latest version is the
AV-50001 SWITCH & FUSE MODULE
Since it is a unique proprietary design, it is probably expensive.
| | - The Matronics AeroElectric-List Email Forum - | | | Use the List Feature Navigator to browse the many List utilities available such as the Email Subscriptions page, Archive Search & Download, 7-Day Browse, Chat, FAQ, Photoshare, and much more:
http://www.matronics.com/Navigator?AeroElectric-List |
|
_________________ Joe Gores |
|
| Back to top |
|
 |
|
|
You cannot post new topics in this forum You cannot reply to topics in this forum You cannot edit your posts in this forum You cannot delete your posts in this forum You cannot vote in polls in this forum You cannot attach files in this forum You can download files in this forum
|
Powered by phpBB © 2001, 2005 phpBB Group
|