 |
Matronics Email Lists Web Forum Interface to the Matronics Email Lists
|
| View previous topic :: View next topic |
| Author |
Message |
ronburnett(at)charter.net Guest
|
Posted: Wed Mar 08, 2017 7:52 pm Post subject: Hobbs wiring |
|
|
Although I have this engine time on my GRT EIS I would like to have this already installed additional system on my RV-6A which has a zero time rebuilt Lycoming.
I have a master key and start button which I believe should be spliced into the starter switch from the lamp, which being red when engine isn't running will also serve as a reminder to shut it off after the flight.
Then I should wire from the Hobbs meter to my fuse panel. Could someone please confirm for my pace of mind?
Thanks,
RonBurnett
May you have the Lord's blessings today!
Sent from my iPad
| | - The Matronics AeroElectric-List Email Forum - | | | Use the List Feature Navigator to browse the many List utilities available such as the Email Subscriptions page, Archive Search & Download, 7-Day Browse, Chat, FAQ, Photoshare, and much more:
http://www.matronics.com/Navigator?AeroElectric-List |
|
| Description: |
|
| Filesize: |
1.64 MB |
| Viewed: |
11193 Time(s) |

|
|
|
| Back to top |
|
 |
user9253
Joined: 28 Mar 2008 Posts: 1969 Location: Riley TWP Michigan
|
Posted: Thu Mar 09, 2017 5:55 am Post subject: Re: Hobbs wiring |
|
|
You are on the right track if my interpretation of your post is correct. But I can not say for sure until seeing a complete schematic of your proposed circuit including the master switch and battery contactor. A picture is worth a thousand words.
| | - The Matronics AeroElectric-List Email Forum - | | | Use the List Feature Navigator to browse the many List utilities available such as the Email Subscriptions page, Archive Search & Download, 7-Day Browse, Chat, FAQ, Photoshare, and much more:
http://www.matronics.com/Navigator?AeroElectric-List |
|
_________________ Joe Gores |
|
| Back to top |
|
 |
millner(at)me.com Guest
|
Posted: Thu Mar 09, 2017 8:51 am Post subject: Hobbs wiring |
|
|
Ron, starter switch is not wired to Hobbs meter.
Paul
Sent from my iPhone
| Quote: | On Mar 8, 2017, at 7:49 PM, Ron Burnett <ronburnett(at)charter.net> wrote:
Although I have this engine time on my GRT EIS I would like to have this already installed additional system on my RV-6A which has a zero time rebuilt Lycoming.
I have a master key and start button which I believe should be spliced into the starter switch from the lamp, which being red when engine isn't running will also serve as a reminder to shut it off after the flight.
Then I should wire from the Hobbs meter to my fuse panel. Could someone please confirm for my pace of mind?
Thanks,
RonBurnett
<D7891D3F-0CEE-4F2F-8694-E4BFA25E7C3F.JPG>
May you have the Lord's blessings today!
Sent from my iPad
|
| | - The Matronics AeroElectric-List Email Forum - | | | Use the List Feature Navigator to browse the many List utilities available such as the Email Subscriptions page, Archive Search & Download, 7-Day Browse, Chat, FAQ, Photoshare, and much more:
http://www.matronics.com/Navigator?AeroElectric-List |
|
|
|
| Back to top |
|
 |
ronburnett(at)charter.net Guest
|
Posted: Sat Mar 11, 2017 5:12 am Post subject: Hobbs wiring |
|
|
Joe,
Don't have picture so will try to describe. I have converted from a Subaru back to a Lycoming, so I have a keyed master switch and EFII ignition. The whole system comes alive with the key, but has a switch that bypasses all if necessary.
Trying to tie in a Hobbs bought and in panel but never hooked up before. Now I have the oil pressure activated switch teed into the VDO oil pressure sender for the GRT EIS.
Thanks,
Ron Burnett
May you have the Lord's blessings today!
Sent from my iPad
| Quote: | On Mar 9, 2017, at 7:55 AM, user9253 <fransew(at)gmail.com> wrote:
You are on the right track if my interpretation of your post is correct. But I can not say for sure until seeing a complete schematic of your proposed circuit including the master switch and battery contactor. A picture is worth a thousand words.
--------
Joe Gores
Read this topic online here:
http://forums.matronics.com/viewtopic.php?p=467106#467106
|
| | - The Matronics AeroElectric-List Email Forum - | | | Use the List Feature Navigator to browse the many List utilities available such as the Email Subscriptions page, Archive Search & Download, 7-Day Browse, Chat, FAQ, Photoshare, and much more:
http://www.matronics.com/Navigator?AeroElectric-List |
|
|
|
| Back to top |
|
 |
Kellym
Joined: 10 Jan 2006 Posts: 1706 Location: Sun Lakes AZ
|
Posted: Sat Mar 11, 2017 5:30 am Post subject: Hobbs wiring |
|
|
What might be the advantage of a hobbs in a plane that cannot be used
for hire? Just curious.
Seems like tach would be more than sufficient.
A hobbs will accelerate when maintenance is required, make the aircraft
look higher time than it really is, etc. Not to mention the extra
complexity and potential failure points.
Certainly your choice to do if you want one.
On 3/11/2017 6:09 AM, Ron Burnett wrote:
| Quote: |
Joe,
Don't have picture so will try to describe. I have converted from a Subaru back to a Lycoming, so I have a keyed master switch and EFII ignition. The whole system comes alive with the key, but has a switch that bypasses all if necessary.
Trying to tie in a Hobbs bought and in panel but never hooked up before. Now I have the oil pressure activated switch teed into the VDO oil pressure sender for the GRT EIS.
Thanks,
Ron Burnett
|
| | - The Matronics AeroElectric-List Email Forum - | | | Use the List Feature Navigator to browse the many List utilities available such as the Email Subscriptions page, Archive Search & Download, 7-Day Browse, Chat, FAQ, Photoshare, and much more:
http://www.matronics.com/Navigator?AeroElectric-List |
|
_________________ Kelly McMullen
A&P/IA, EAA Tech Counselor # 5286
KCHD |
|
| Back to top |
|
 |
user9253
Joined: 28 Mar 2008 Posts: 1969 Location: Riley TWP Michigan
|
Posted: Sat Mar 11, 2017 6:39 am Post subject: Re: Hobbs wiring |
|
|
Ron,
It doesn't matter where the 12 volt supply comes from
as long as it goes on and off with the battery contactor.
Just connect 12 volts to the hobbs meter and to the
indicator light as pictured in your original post.
This advice is based on the assumption that the switch
in your picture is an oil pressure switch.
| | - The Matronics AeroElectric-List Email Forum - | | | Use the List Feature Navigator to browse the many List utilities available such as the Email Subscriptions page, Archive Search & Download, 7-Day Browse, Chat, FAQ, Photoshare, and much more:
http://www.matronics.com/Navigator?AeroElectric-List |
|
_________________ Joe Gores |
|
| Back to top |
|
 |
alec(at)alecmyers.com Guest
|
Posted: Sat Mar 11, 2017 7:33 am Post subject: Hobbs wiring |
|
|
Most TC aircraft Hobbes meters don't get switched via the battery master. Too easy to hide time by flying with the master off.
| Quote: | On Mar 11, 2017, at 9:39 AM, user9253 <fransew(at)gmail.com> wrote:
Ron,
It doesn't matter where the 12 volt supply comes from as long as it goes on and off with the battery contactor. Just connect 12 volts to the hobbs meter and to the indicator light as pictured in your original post. This advice is based on the assumption that the switch in your picture is an oil pressure switch.
--------
Joe Gores
Read this topic online here:
http://forums.matronics.com/viewtopic.php?p=467166#467166
|
| | - The Matronics AeroElectric-List Email Forum - | | | Use the List Feature Navigator to browse the many List utilities available such as the Email Subscriptions page, Archive Search & Download, 7-Day Browse, Chat, FAQ, Photoshare, and much more:
http://www.matronics.com/Navigator?AeroElectric-List |
|
|
|
| Back to top |
|
 |
nuckolls.bob(at)aeroelect Guest
|
Posted: Sat Mar 11, 2017 9:10 am Post subject: Hobbs wiring |
|
|
At 09:31 AM 3/11/2017, you wrote:
| Quote: | --> AeroElectric-List message posted by: Alec Myers <alec(at)alecmyers.com>
Most TC aircraft Hobbes meters don't get switched via the battery master. Too easy to hide time by flying with the master off.
|
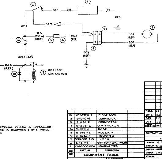
Correct. Most folks are unaware of the fact that
tens of thousands of Cessnas had an always hot
battery bus right at the battery contactor. It
feed two fuses . . . one for the Hobbs meter controlled
through an oil pressure switch . . . the other for
the electric clock.
If one would like to add a low oil pressure warning
light, then the hobbs feeder needs to drive from
a controlled source. In OBAM aircraft a good alternative
feed is the e-bus.
Now the low oil pressure light (and perhaps warning buzzer)
serves four functions. It monitors oil pressure, it controls
the Hobbs meter to measure ENGINE RUN time, it gives warning
at shut down that both the DC master and E-Bus alternate
feed switches are open.
See . . .
http://tinyurl.com/zlpjzuc
If you have an engine fitted with a PM alternator
(a la Rotax or SD-8 standby) one COULD fabricate a
circuit to watch for the existence of AC voltage
on the alternator winding and use this signal to
control the Hobbs and offer warnings for DC power
shutdown . . . you just wouldn't have oil pressure
warning.
Bob . . .
| | - The Matronics AeroElectric-List Email Forum - | | | Use the List Feature Navigator to browse the many List utilities available such as the Email Subscriptions page, Archive Search & Download, 7-Day Browse, Chat, FAQ, Photoshare, and much more:
http://www.matronics.com/Navigator?AeroElectric-List |
|
|
|
| Back to top |
|
 |
nuckolls.bob(at)aeroelect Guest
|
Posted: Sat Mar 11, 2017 9:16 am Post subject: Hobbs wiring |
|
|
At 11:07 AM 3/11/2017, you wrote:
| Quote: | At 09:31 AM 3/11/2017, you wrote:
| Quote: | --> AeroElectric-List message posted by: Alec Myers <alec(at)alecmyers.com>
Most TC aircraft Hobbes meters don't get switched via the battery master. Too easy to hide time by flying with the master off. |
Correct. Most folks are unaware of the fact that
tens of thousands of Cessnas had an always hot
battery bus right at the battery contactor. It
feed two fuses . . . one for the Hobbs meter controlled
through an oil pressure switch . . . the other for
the electric clock |
Hmmm . . . not always two fuses . . . seems the 1976
C-172 drove the Hobbs and clock from the same fuse
[img]cid:7.1.0.9.0.20170311111312.055a9338(at)aeroelectric.com.0[/img]
Bob . . .
| | - The Matronics AeroElectric-List Email Forum - | | | Use the List Feature Navigator to browse the many List utilities available such as the Email Subscriptions page, Archive Search & Download, 7-Day Browse, Chat, FAQ, Photoshare, and much more:
http://www.matronics.com/Navigator?AeroElectric-List |
|
| Description: |
|
| Filesize: |
118.46 KB |
| Viewed: |
11137 Time(s) |

|
|
|
| Back to top |
|
 |
ronburnett(at)charter.net Guest
|
Posted: Sat Mar 11, 2017 2:14 pm Post subject: Hobbs wiring |
|
|
My only tach is provided by the EIS.
I do not have an engine tach.
Thanks.
Ron Burnett
May you have the Lord's blessings today!
Sent from my iPad
| Quote: | On Mar 11, 2017, at 7:28 AM, Kelly McMullen <kellym(at)aviating.com> wrote:
What might be the advantage of a hobbs in a plane that cannot be used for hire? Just curious.
Seems like tach would be more than sufficient.
A hobbs will accelerate when maintenance is required, make the aircraft look higher time than it really is, etc. Not to mention the extra complexity and potential failure points.
Certainly your choice to do if you want one.
> On 3/11/2017 6:09 AM, Ron Burnett wrote:
>
>
> Joe,
>
> Don't have picture so will try to describe. I have converted from a Subaru back to a Lycoming, so I have a keyed master switch and EFII ignition. The whole system comes alive with the key, but has a switch that bypasses all if necessary.
>
> Trying to tie in a Hobbs bought and in panel but never hooked up before. Now I have the oil pressure activated switch teed into the VDO oil pressure sender for the GRT EIS.
>
> Thanks,
>
> Ron Burnett
|
| | - The Matronics AeroElectric-List Email Forum - | | | Use the List Feature Navigator to browse the many List utilities available such as the Email Subscriptions page, Archive Search & Download, 7-Day Browse, Chat, FAQ, Photoshare, and much more:
http://www.matronics.com/Navigator?AeroElectric-List |
|
|
|
| Back to top |
|
 |
|
|
You cannot post new topics in this forum You cannot reply to topics in this forum You cannot edit your posts in this forum You cannot delete your posts in this forum You cannot vote in polls in this forum You cannot attach files in this forum You can download files in this forum
|
Powered by phpBB © 2001, 2005 phpBB Group
|