 |
Matronics Email Lists Web Forum Interface to the Matronics Email Lists
|
| View previous topic :: View next topic |
| Author |
Message |
Airdog77
Joined: 24 Nov 2013 Posts: 80 Location: Northern Virginia
|
Posted: Sat Feb 25, 2017 8:19 pm Post subject: 3PDT switch swap for relay? |
|
|
Hi All,
I'm hoping to get some help in swapping out a 3PDT switch with a 3PDT relay.
Here's the background: I'm building a Long-EZ and there is a promising new electrical scheme to drive the electrical nose gear actuator in canards. This new wiring calls for replacing the old SPST (1-1, ON-OFF-ON) Nose Gear Up/Down switch with a 3PDT ON-OFF-ON switch.
The problem for me is that I already have my current nose gear switch nicely configured and installed in my throttle handle, and I really, really don't want to swap it out. So, I was thinking I could swap out the newly required 3PDT switch with a 3PDT relay.
However, with this being the gear switch, in my mind there's a problem in doing this since there's that pesky "-OFF-" position on the switch, that to my knowledge doesn't translate over to a "middle position" between N.O. and N.C. on a relay. As you probably know, on canards we don't simply use a binary, all-the-way up or down gear position (only for TO/landing ops), but use the gear switch to position the nose in a myriad of heights off the ground when parked. Thus I need to be able to hit the nose gear up/down position, have it run down for a few seconds and then move the switch to the "OFF" position to stop the gear from moving any forward.
I've attached a diagram to show what I'm talking about. Any help would be greatly appreciated.
Thanks!
Wade
| | - The Matronics AeroElectric-List Email Forum - | | | Use the List Feature Navigator to browse the many List utilities available such as the Email Subscriptions page, Archive Search & Download, 7-Day Browse, Chat, FAQ, Photoshare, and much more:
http://www.matronics.com/Navigator?AeroElectric-List |
|
| Description: |
|
| Filesize: |
48.8 KB |
| Viewed: |
23483 Time(s) |

|
_________________ Airdog
Wade Parton
Building Long-EZ N916WP
www.longezpush.com |
|
| Back to top |
|
 |
ceengland7(at)gmail.com Guest
|
Posted: Sat Feb 25, 2017 8:53 pm Post subject: 3PDT switch swap for relay? |
|
|
On 2/25/2017 10:19 PM, Airdog77 wrote:
| Quote: |
Hi All,
I'm hoping to get some help in swapping out a 3PDT switch with a 3PDT relay.
Here's the background: I'm building a Long-EZ and there is a promising new electrical scheme to drive the electrical nose gear actuator in canards. This new wiring calls for replacing the old SPST (1-1, ON-OFF-ON) Nose Gear Up/Down switch with a 3PDT ON-OFF-ON switch.
The problem for me is that I already have my current nose gear switch nicely configured and installed in my throttle handle, and I really, really don't want to swap it out. So, I was thinking I could swap out the newly required 3PDT switch with a 3PDT relay.
However, with this being the gear switch, in my mind there's a problem in doing this since there's that pesky "-OFF-" position on the switch, that to my knowledge doesn't translate over to a "middle position" between N.O. and N.C. on a relay. As you probably know, on canards we don't simply use a binary, all-the-way up or down gear position (only for TO/landing ops), but use the gear switch to position the nose in a myriad of heights off the ground when parked. Thus I need to be able to hit the nose gear up/down position, have it run down for a few seconds and then move the switch to the "OFF" position to stop the gear from moving any forward.
I've attached a diagram to show what I'm talking about. Any help would be greatly appreciated.
Thanks!
Wade
--------
Airdog
Wade Parton
Building Long-EZ 916WP
www.longezpush.com
How about 2 separate 3 pole relays? Both off with switch in center, one
|
or the other active with switch up or down.
| | - The Matronics AeroElectric-List Email Forum - | | | Use the List Feature Navigator to browse the many List utilities available such as the Email Subscriptions page, Archive Search & Download, 7-Day Browse, Chat, FAQ, Photoshare, and much more:
http://www.matronics.com/Navigator?AeroElectric-List |
|
|
|
| Back to top |
|
 |
Airdog77
Joined: 24 Nov 2013 Posts: 80 Location: Northern Virginia
|
Posted: Sat Feb 25, 2017 9:06 pm Post subject: Re: 3PDT switch swap for relay? |
|
|
Ok, I think I see how that would work to solve the center "off" dilemma. Now, would it be more advisable to use two 3PST relays? Or does it matter at all?
Thanks!
Wade
| | - The Matronics AeroElectric-List Email Forum - | | | Use the List Feature Navigator to browse the many List utilities available such as the Email Subscriptions page, Archive Search & Download, 7-Day Browse, Chat, FAQ, Photoshare, and much more:
http://www.matronics.com/Navigator?AeroElectric-List |
|
_________________ Airdog
Wade Parton
Building Long-EZ N916WP
www.longezpush.com |
|
| Back to top |
|
 |
Airdog77
Joined: 24 Nov 2013 Posts: 80 Location: Northern Virginia
|
Posted: Sat Feb 25, 2017 10:31 pm Post subject: Re: 3PDT switch swap for relay? |
|
|
I'm pretty sure I got it! Thanks CE, you definitely got me thinking in the right direction.
Because the new required 3PDT switch had 2 poles in one direction and one in the other I was able to pare down the two 3PDT relays into a DPDT and an SPDT relay set.
Attached is a diagram showing the implementation of these relays to allow me to continue to use my SPST (1-1) ON-OFF-ON landing gear up/down switch as per my original design.
Excellent.... thanks for the help!
Wade
| | - The Matronics AeroElectric-List Email Forum - | | | Use the List Feature Navigator to browse the many List utilities available such as the Email Subscriptions page, Archive Search & Download, 7-Day Browse, Chat, FAQ, Photoshare, and much more:
http://www.matronics.com/Navigator?AeroElectric-List |
|
| Description: |
|
| Filesize: |
62.66 KB |
| Viewed: |
23471 Time(s) |

|
_________________ Airdog
Wade Parton
Building Long-EZ N916WP
www.longezpush.com |
|
| Back to top |
|
 |
nuckolls.bob(at)aeroelect Guest
|
Posted: Sun Feb 26, 2017 1:45 pm Post subject: 3PDT switch swap for relay? |
|
|
| Quote: |
Attached is a diagram showing the implementation of these relays to allow me to continue to use my SPST (1-1) ON-OFF-ON landing gear up/down switch as per my original design. |
Could you publish the complete schematic
showing supply, switchgear, motor and limit
switches (if any). I'm having a hard
time putting my head around the need
for a 3 pole relay in the first place . . .
Thanks!
Bob . . .
| | - The Matronics AeroElectric-List Email Forum - | | | Use the List Feature Navigator to browse the many List utilities available such as the Email Subscriptions page, Archive Search & Download, 7-Day Browse, Chat, FAQ, Photoshare, and much more:
http://www.matronics.com/Navigator?AeroElectric-List |
|
|
|
| Back to top |
|
 |
Airdog77
Joined: 24 Nov 2013 Posts: 80 Location: Northern Virginia
|
Posted: Sun Feb 26, 2017 2:40 pm Post subject: Re: 3PDT switch swap for relay? |
|
|
Hi Bob,
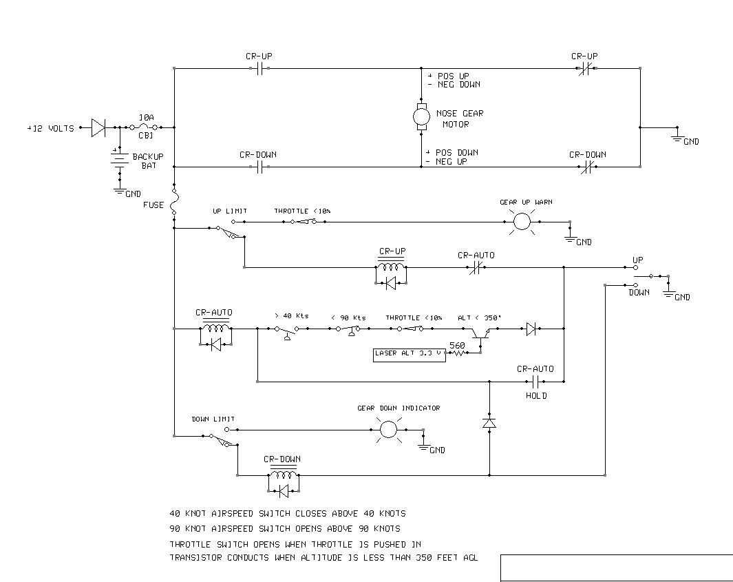
I've attached the entire schematic here for clarity. I was reluctant to add all of it earlier since this is the result of Marc Zeitlin's work over the past year to improve the canard electric nose gear system. This modified system shown is specifically Jack Wilhelmson's from eznoselift.com.
In the diagram, everything to the right of the P1 connector is Jack's original system. Everything to the left (virtually all of it) is Marc's new system. The one issue I've been asking about on the Cozy forum is how to tie back in the backup battery (in red, lower right corner) that was/is a part of Jack's original system, but left out of Marc's new variant since Marc has a mechanical means of lowering the gear in case of an electrical failure.
This diagram is my latest version, showing my swapping out the required 3PDT gear up/down switch with the DPDT and SPDT relays to allow me to use my original SPST switch.
Thanks!
Wade
| | - The Matronics AeroElectric-List Email Forum - | | | Use the List Feature Navigator to browse the many List utilities available such as the Email Subscriptions page, Archive Search & Download, 7-Day Browse, Chat, FAQ, Photoshare, and much more:
http://www.matronics.com/Navigator?AeroElectric-List |
|
| Description: |
|
 Download |
| Filename: |
NOSE GEAR.M.Zeitlin-AEX.PDF |
| Filesize: |
206.17 KB |
| Downloaded: |
536 Time(s) |
_________________ Airdog
Wade Parton
Building Long-EZ N916WP
www.longezpush.com |
|
| Back to top |
|
 |
nuckolls.bob(at)aeroelect Guest
|
Posted: Mon Feb 27, 2017 8:49 am Post subject: 3PDT switch swap for relay? |
|
|
At 04:40 PM 2/26/2017, you wrote:
| Quote: | --> AeroElectric-List message posted by: "Airdog77" <Airdog77(at)gmail.com>
Hi Bob,
I've attached the entire schematic here for clarity. I was reluctant to add all of it earlier since this is the result of Marc Zeitlin's work over the past year to improve the canard electric nose gear system. This modified system shown is specifically Jack Wilhelmson's from eznoselift.com.
In the diagram, everything to the right of the P1 connector is Jack's original system. Everything to the left (virtually all of it) is Marc's new system. |
How was the original system found wanting?
| Quote: | | The one issue I've been asking about on the Cozy forum is how to tie back in the backup battery (in red, lower right corner) that was/is a part of Jack's original system, but left out of Marc's new variant since Marc has a mechanical means of lowering the gear in case of an electrical failure. |
If plan-b is mechanically independent
of electrical system then why a 'backup'
electrical circuit?
When was the last time anyone suffered
a bad day in the cockpit from failure of
an purposefully maintained battery?
| Quote: | | This diagram is my latest version, showing my swapping out the required 3PDT gear up/down switch with the DPDT and SPDT relays to allow me to use my original SPST switch. |
This drawing is labeled for a flap system
but is applicable to any PM motor driven
mechanism with limit switches.
http://tinyurl.com/jefoakh
It's not clear to me what advantages
are realized with the added complexity.
Bob . . .
| | - The Matronics AeroElectric-List Email Forum - | | | Use the List Feature Navigator to browse the many List utilities available such as the Email Subscriptions page, Archive Search & Download, 7-Day Browse, Chat, FAQ, Photoshare, and much more:
http://www.matronics.com/Navigator?AeroElectric-List |
|
|
|
| Back to top |
|
 |
Airdog77
Joined: 24 Nov 2013 Posts: 80 Location: Northern Virginia
|
Posted: Mon Feb 27, 2017 9:57 am Post subject: Re: 3PDT switch swap for relay? |
|
|
Bob,
| Quote: |
How was the original system found wanting? |
The automatic extension system on the original system only had one parameter: to drive the gear to extend when a preset airspeed, normally 90 knots, was reached as the aircraft decreased airspeed. It's simply an optional automatic feature to prevent a gear-up landing.
Recently, Marc Zeitlin concluded a 1-year effort to modify this automatic extension system to add more parameters and eliminate the annoyances inherent to the single-parameter system, i.e. gear deployment during slow flight and stall practice.
Marc added a lower speed parameter to create an upper and lower bracket for the airspeed to ensure that it must be above 40 knots for the system to operate. This was to eliminate another annoyance of the system in that a circuit breaker had to be pulled on the ground lest the system kick in with an ensuing uncommanded raising of the nose when the master switch was flipped on. Of course, due to CG reasons, we canard types like to keep our nose towards the pavement when the aircraft is not moving.
Finally, to ensure it was simply an emergency backup for landing, Marc added a laser altimeter into the system and dialed it in to allow system operation only at or below 350 ft AGL. In other words, no more system nuisance deployments on high angle/slow climbouts.
| Quote: |
If plan-b is mechanically independent
of electrical system then why a 'backup'
electrical circuit? |
There are different versions of the EZnoselift nose gear system. One backup system is a mechanical setup where a ratchet wrench is used to ratchet the front gear down if one experiences an electrical system failure. Another backup system variant employs a small 1.2A battery that is used as an emergency power source to get the gear down in case of an electrical system failure. Marc has the mechanical backup system, and I have the backup battery system.
The reasons for picking either (or none) backup version is of course personal preference. I chose the battery backup because it weighs considerably less, takes up no panel space as does the mechanical unit, and most importantly --for me-- if I'm working any non-standard issue while in the process of landing, I don't want to be messing around with a ratchet (which itself weighs as much as the small backup battery) and spending time getting the gear down when the flick of a switch will do it for me.
| Quote: | It's not clear to me what advantages
are realized with the added complexity. |
I'm not sure about the complexity of the system inherent to its design, either this version or the previous version. I do understand my goals and requirements, and how those stack up to availability of technology. I had the original system with its auto extension system. I was willing to accept its deficiencies for what it provided. After testing the backup battery I was also pleased that for a very small battery and 4 wires I had a viable backup for nose gear deployment separate from ship's power. When Marc developed his new auto extension system with more parameters, it fit the bill of exactly the type of system I was looking for (except no inclusion of the backup battery). Thus, through Marc's design, technology caught up to my preferred requirements.
In regards to adding the two relays in place of one switch, I'll chalk it up managing effort within the project itself. I have motivation to implement Marc's new design for the features it offers, but I am not overly motivated to rip out a lot of previous work simply to eliminate a bit of acceptable complexity (in my book) in comparison to the effort required if I didn't add that complexity.
In short, yes, I want the best systems possible ... but moreover, I want to get this bird in the air before I'm too old to fly it!
Thanks!
Wade
| | - The Matronics AeroElectric-List Email Forum - | | | Use the List Feature Navigator to browse the many List utilities available such as the Email Subscriptions page, Archive Search & Download, 7-Day Browse, Chat, FAQ, Photoshare, and much more:
http://www.matronics.com/Navigator?AeroElectric-List |
|
_________________ Airdog
Wade Parton
Building Long-EZ N916WP
www.longezpush.com |
|
| Back to top |
|
 |
ceengland7(at)gmail.com Guest
|
Posted: Mon Feb 27, 2017 12:39 pm Post subject: 3PDT switch swap for relay? |
|
|
On Mon, Feb 27, 2017 at 11:57 AM, Airdog77 <Airdog77(at)gmail.com (Airdog77(at)gmail.com)> wrote:
| Quote: | --> AeroElectric-List message posted by: "Airdog77" <Airdog77(at)gmail.com (Airdog77(at)gmail.com)>
>
> How was the original system found wanting?
The automatic extension system on the original system only had one parameter: to drive the gear to extend when a preset airspeed, normally 90 knots, was reached as the aircraft decreased airspeed. It's simply an optional automatic feature to prevent a gear-up landing.
Recently, Marc Zeitlin concluded a 1-year effort to modify this automatic extension system to add more parameters and eliminate the annoyances inherent to the single-parameter system, i.e. gear deployment during slow flight and stall practice.
Marc added a lower speed parameter to create an upper and lower bracket for the airspeed to ensure that it must be above 40 knots for the system to operate. This is was to eliminate another annoyance of the system in that a circuit breaker had to pulled on the ground lest the system kick in with an ensuing uncommanded raising of the nose when the master switch was flipped on. Of course, due to CG reasons, we canard types like to keep our nose towards the pavement when the aircraft is not moving.
Finally, to ensure it was simply an emergency backup for landing, Marc added a laser altimeter into the system and dialed it in to allow system operation only at or below 350 ft AGL. In other words, no more system nuisance deployments on high angle/slow climbouts.
>
> If plan-b is mechanically independent
> of electrical system then why a 'backup'
> electrical circuit?
There are different versions of the EZnoselift nose gear system. One backup system is a mechanical setup where a ratchet wrench is used to ratchet the front gear down if one experiences an electrical system failure. Another backup system variant employs a small 1.2A battery that is used as an emergency power source to get the gear down in case of an electrical system failure. Marc has the mechanical backup system, and I have the backup battery system.
The reasons for picking either (or none) backup version is of course personal preference. I chose the battery backup because it weighs considerably less, takes up no panel space as does the mechanical unit, and most importantly --for me-- if I'm working any non-standard issue while in the process of landing, I don't want to be messing around with a ratchet (which itself weighs as much as the small backup battery) and spending time getting the gear down when the flick of a switch will do it for me.
> It's not clear to me what advantages
> are realized with the added complexity.
I'm not sure about the complexity of the system inherent to its design, either this version or the previous version. I do understand my goals and requirements, and how those stack up to availability of technology. I had the original system with its auto extension system. I was willing to accept its deficiencies for what it provided. After testing the backup battery I was also pleased that for a very small battery and 4 wires I had a viable backup for nose gear deployment separate from ship's power. When Marc developed his new auto extension system with more parameters, it fit the bill of exactly the type of system I was looking for (except no inclusion of the backup battery). Thus, through Marc's design, technology caught up to my preferred requirements.
In regards to adding the two relays in place of one switch, I'll chalk it up managing effort within the project itself. I have motivation to implement Marc's new design for the features it offers, but I am not overly motivated to rip out a lot of previous work simply to eliminate a bit of acceptable complexity (in my book) in comparison to the effort required if I didn't add that complexity.
In short, yes, I want the best systems possible ... but moreover, I want to get this bird in the air before I'm too old to fly it!
Thanks!
Wade
--------
Airdog
Wade Parton
Building Long-EZ 916WP
www.longezpush.com
| Â
My experience with retracts is somewhat limited (couple hundred hrs in a Swift), but something that seems common with backup gear systems is using an alternative method instead of a duplicate method. I'd assume that the ratchet method effectively bypasses or ignores the motor itself, while the backup power path you're using assumes that the motor itself, or its wiring, won't fail. The Swift I flew (electric pump driving hydraulic actuators) had a hand-cranked cable system to extend the gear. Nothing automatic about it, but if you had an electrical *or* hydraulic failure of any sort, you could still get the gear down.
Is yours a nose-only retract, or all 3 legs? IIRC, the original VariEze just had a sacrificial pad under the nose, so if you forgot to extend the gear, you just rubbed off a bit of the pad. Is it different for the Long?
Charlie
| | - The Matronics AeroElectric-List Email Forum - | | | Use the List Feature Navigator to browse the many List utilities available such as the Email Subscriptions page, Archive Search & Download, 7-Day Browse, Chat, FAQ, Photoshare, and much more:
http://www.matronics.com/Navigator?AeroElectric-List |
|
|
|
| Back to top |
|
 |
Airdog77
Joined: 24 Nov 2013 Posts: 80 Location: Northern Virginia
|
Posted: Mon Feb 27, 2017 1:21 pm Post subject: Re: 3PDT switch swap for relay? |
|
|
Hi Charlie,
Yes, the ratchet method does bypass the gear motor. So if the electronics on the gear motor is bad, then you're right in that the backup battery wouldn't of course help anyway. As I mentioned to Bob, the ratchet system also takes up a lot of space behind the panel, which there is very little to start with in a Long-EZ. And again there's the heavier weight of it. As with any design endeavor on our planes that we build, I had to balance the pros and cons of each component that could possibly be pressed into use, this being one of them.
Since I only have the conventional Long-EZ retractable nose gear like the Vari-Eze (vs. all 3 gear retracting), then a nose gear up landing becomes more about hurt pride and a day in the shop fixing a nose boo-boo. Of course this was a major deciding factor in going with a small, light backup battery that can be stuffed into a corner --and in a Long-EZ, that's saying a lot! -- over the ratchet system.
Here's a quote off of Jack Wilhelmson's EZNoseLift.com site, which I think helps explain the automatic retraction/extension system (yes, which is normally separate than the backup battery issue):
"What is the main advantage of the automatic system over the manual system?
The automatic system relieves the pilot of concern about forgetting to extend the gear due to distractions. A very large percentage of canard pilots have forgotten to extend the gear. While this is not the major catastrophe that it is in other aircraft, it is still causes damage to both the aircraft and the pilots confidence (EGO). I personally have forgotten to put the gear down. It is very unnerving especially to passengers. Also at large airports it becomes a reportable incident to the FAA. Some pilots have admitted to forgetting to put the gear down two or three times."
Although the quote above may not necessarily paint canard pilots in a favorable light [maybe that's why I'm building one... ha!], it is being honest.
Regards,
Wade
| | - The Matronics AeroElectric-List Email Forum - | | | Use the List Feature Navigator to browse the many List utilities available such as the Email Subscriptions page, Archive Search & Download, 7-Day Browse, Chat, FAQ, Photoshare, and much more:
http://www.matronics.com/Navigator?AeroElectric-List |
|
_________________ Airdog
Wade Parton
Building Long-EZ N916WP
www.longezpush.com |
|
| Back to top |
|
 |
nuckolls.bob(at)aeroelect Guest
|
Posted: Mon Feb 27, 2017 1:28 pm Post subject: 3PDT switch swap for relay? |
|
|
| Quote: |
In short, yes, I want the best systems possible ... but moreover, I want to get this bird in the air before I'm too old to fly it!
Thanks!
Wade |
Understand . . .
Bob . . .
| | - The Matronics AeroElectric-List Email Forum - | | | Use the List Feature Navigator to browse the many List utilities available such as the Email Subscriptions page, Archive Search & Download, 7-Day Browse, Chat, FAQ, Photoshare, and much more:
http://www.matronics.com/Navigator?AeroElectric-List |
|
|
|
| Back to top |
|
 |
user9253
Joined: 28 Mar 2008 Posts: 1969 Location: Riley TWP Michigan
|
Posted: Tue Feb 28, 2017 8:27 am Post subject: Re: 3PDT switch swap for relay? |
|
|
Wade,
There are 3 diodes in your drawing that appear to have their anodes connected together, even though there is no dot. Are they supposed to be connected? If so, how can current flow through back to back diodes? I understand that the diode pointing up is for arc suppression.
How can the AUTO relay be energized when the negative side of its coil is connected to ground through its own normally open contacts?
What am I missing?
| | - The Matronics AeroElectric-List Email Forum - | | | Use the List Feature Navigator to browse the many List utilities available such as the Email Subscriptions page, Archive Search & Download, 7-Day Browse, Chat, FAQ, Photoshare, and much more:
http://www.matronics.com/Navigator?AeroElectric-List |
|
_________________ Joe Gores |
|
| Back to top |
|
 |
user9253
Joined: 28 Mar 2008 Posts: 1969 Location: Riley TWP Michigan
|
Posted: Tue Feb 28, 2017 8:36 am Post subject: Re: 3PDT switch swap for relay? |
|
|
Never mind. I realize that is a holding circuit as long as the switch is in the UP position. But there is a connecting dot missing, right?
| | - The Matronics AeroElectric-List Email Forum - | | | Use the List Feature Navigator to browse the many List utilities available such as the Email Subscriptions page, Archive Search & Download, 7-Day Browse, Chat, FAQ, Photoshare, and much more:
http://www.matronics.com/Navigator?AeroElectric-List |
|
_________________ Joe Gores |
|
| Back to top |
|
 |
Airdog77
Joined: 24 Nov 2013 Posts: 80 Location: Northern Virginia
|
Posted: Wed Mar 01, 2017 8:09 am Post subject: Re: 3PDT switch swap for relay? |
|
|
Joe,
Yes, that connecting dot is missing!
That's how it was in the original diagram that I copied, and I spent quite a while trying to figure it out! I actually figured it out --with copious amounts of head scratching-- after I posted this latest diagram. I'm no electronics guru, but I had never seen diodes configured like that before on a diagram.
As you may have noted, that relay (which has the 3 diodes treed off of it) is the heart of the auto gear extend feature and the its coil will not get powered unless EVERY parameter required occurs (throttle less than 10 percent and airspeed between 40 knots & 90 knots) with the transistor opening to ground by the laser altimeter when it reaches <= 350 ft AGL. It's pretty slick once you see what it's actually doing.
Cheers,
Wade
| | - The Matronics AeroElectric-List Email Forum - | | | Use the List Feature Navigator to browse the many List utilities available such as the Email Subscriptions page, Archive Search & Download, 7-Day Browse, Chat, FAQ, Photoshare, and much more:
http://www.matronics.com/Navigator?AeroElectric-List |
|
_________________ Airdog
Wade Parton
Building Long-EZ N916WP
www.longezpush.com |
|
| Back to top |
|
 |
user9253
Joined: 28 Mar 2008 Posts: 1969 Location: Riley TWP Michigan
|
Posted: Fri Mar 03, 2017 12:42 pm Post subject: Re: 3PDT switch swap for relay? |
|
|
Cozy Nose Gear circuit is attached. I do not have a Cozy.
If switch is in "UP" position and airspeed is greater than 40 and less than 90 and if throttle is closed and if altitude is less than 350 feet, then "AUTO" relay will energize and hold. The "UP" relay will drop out (if it was energized). The "DOWN" relay will energize. The "AUTO" relay will remain energized and holding until the switch is moved to the center, off, position or moved to the down position. "Auto down" is disabled when switch is off.
Comments and criticism welcome.
| | - The Matronics AeroElectric-List Email Forum - | | | Use the List Feature Navigator to browse the many List utilities available such as the Email Subscriptions page, Archive Search & Download, 7-Day Browse, Chat, FAQ, Photoshare, and much more:
http://www.matronics.com/Navigator?AeroElectric-List |
|
| Description: |
|
| Filesize: |
80.7 KB |
| Viewed: |
23311 Time(s) |

|
_________________ Joe Gores |
|
| Back to top |
|
 |
user9253
Joined: 28 Mar 2008 Posts: 1969 Location: Riley TWP Michigan
|
Posted: Tue Mar 14, 2017 6:38 am Post subject: Landing Gear Auto Down |
|
|
I converted the schematic diagram into a wiring diagram.
Laser altimeter - https://www.parallax.com/product/28054
| | - The Matronics AeroElectric-List Email Forum - | | | Use the List Feature Navigator to browse the many List utilities available such as the Email Subscriptions page, Archive Search & Download, 7-Day Browse, Chat, FAQ, Photoshare, and much more:
http://www.matronics.com/Navigator?AeroElectric-List |
|
| Description: |
|
| Filesize: |
84.28 KB |
| Viewed: |
23238 Time(s) |

|
| Description: |
|
 Download |
| Filename: |
LANDING GEAR JOE 7.pdf |
| Filesize: |
23.27 KB |
| Downloaded: |
512 Time(s) |
_________________ Joe Gores |
|
| Back to top |
|
 |
ranchlaseigneurie(at)hotm Guest
|
|
| Back to top |
|
 |
user9253
Joined: 28 Mar 2008 Posts: 1969 Location: Riley TWP Michigan
|
Posted: Tue Mar 14, 2017 10:30 am Post subject: Re: 3PDT switch swap for relay? |
|
|
| Quote: | | Can it be use for landing on glassy water....for float plane.. |
Gee, I do not know. Try calling the laser altimeter manufacturer. I have never used their product. I just drew the diagram for Wade, the original poster of this thread. I assume that you only want the altimeter feature and not the gear extend.
| | - The Matronics AeroElectric-List Email Forum - | | | Use the List Feature Navigator to browse the many List utilities available such as the Email Subscriptions page, Archive Search & Download, 7-Day Browse, Chat, FAQ, Photoshare, and much more:
http://www.matronics.com/Navigator?AeroElectric-List |
|
_________________ Joe Gores |
|
| Back to top |
|
 |
Airdog77
Joined: 24 Nov 2013 Posts: 80 Location: Northern Virginia
|
Posted: Wed Mar 15, 2017 4:12 am Post subject: Re: 3PDT switch swap for relay? |
|
|
From what I understand it's SUPPOSED to provide a good reading over water, but hasn't been specifically tested yet for that functionality. Some of the canard folks were asking the same question.
In short, specs say yes, but hasn't been tested on an actual flying canard that I know of.
Joe, thanks a million for your diagrams and great advice! All of it is super helpful!
Warm Regards,
Wade
| | - The Matronics AeroElectric-List Email Forum - | | | Use the List Feature Navigator to browse the many List utilities available such as the Email Subscriptions page, Archive Search & Download, 7-Day Browse, Chat, FAQ, Photoshare, and much more:
http://www.matronics.com/Navigator?AeroElectric-List |
|
_________________ Airdog
Wade Parton
Building Long-EZ N916WP
www.longezpush.com |
|
| Back to top |
|
 |
|
|
You cannot post new topics in this forum You cannot reply to topics in this forum You cannot edit your posts in this forum You cannot delete your posts in this forum You cannot vote in polls in this forum You cannot attach files in this forum You can download files in this forum
|
Powered by phpBB © 2001, 2005 phpBB Group
|