 |
Matronics Email Lists Web Forum Interface to the Matronics Email Lists
|
| View previous topic :: View next topic |
| Author |
Message |
donjohnston
Joined: 13 Dec 2009 Posts: 232
|
Posted: Mon May 01, 2017 1:48 pm Post subject: Overvoltage event (non-lithium battery) |
|
|
I had what is suspected as being an overvoltage event take out my nav radio recently.
Here's the platform data:
Continental IO550
24v electrical system
VPX Power Distribution system
Stock 50a alternator w/B&C LR3C-24 voltage regulator
SD20 backup alternator w/B&C LS-1A voltage regulator
Val Avionics NAV2KR nav radio
The other day I got a circuit fault alarm on the nav radio circuit when I hit the avionics master. When I switched to the screen to get details, it showed "short circuit". Powered cycled the circuit and the fault returned. Went to troubleshoot once I got home and found no fault in the wiring. Sent the radio back to Val and got a call that the overvoltage protection circuit was blown. That it would have taken 50+ volts to cause that. Talked with them for a while about what could have caused the OV and the only thing they could think of after describing how I operate was powering on the alternator AFTER engine start.
I was told (and have since done) to start on battery only then after the engine was running, turn on the alternator. And I never turn on the avionics until the alternator is on.
Then I threw the scenario to the VPX guys. They don't know what could have caused an OV event to take out the nav radio (and only the nav radio since all other devices are fine) because the VPX has OV protection. But they agreed with Val that the alternator should be on during engine start.
So I guess my question is: Have I been starting planes the wrong way for the past 20 years? Should the alternator be on during engine start?
| | - The Matronics AeroElectric-List Email Forum - | | | Use the List Feature Navigator to browse the many List utilities available such as the Email Subscriptions page, Archive Search & Download, 7-Day Browse, Chat, FAQ, Photoshare, and much more:
http://www.matronics.com/Navigator?AeroElectric-List |
|
|
|
| Back to top |
|
 |
nuckolls.bob(at)aeroelect Guest
|
Posted: Mon May 01, 2017 6:02 pm Post subject: Overvoltage event (non-lithium battery) |
|
|
At 04:48 PM 5/1/2017, you wrote:
| Quote: | --> AeroElectric-List message posted by: "donjohnston" <don(at)velocity-xl.com>
I had what is suspected as being an overvoltage event take out my nav radio recently.
Here's the platform data:
Continental IO550
24v electrical system
VPX Power Distribution system
Stock 50a alternator w/B&C LR3C-24 voltage regulator
SD20 backup alternator w/B&C LS-1A voltage regulator
Val Avionics NAV2KR nav radio
The other day I got a circuit fault alarm on the nav radio circuit when I hit the avionics master. When I switched to the screen to get details, it showed "short circuit". Powered cycled the circuit and the fault returned. Went to troubleshoot once I got home and found no fault in the wiring. Sent the radio back to Val and got a call that the overvoltage protection circuit was blown. That it would have taken 50+ volts to cause that. Talked with them for a while about what could have caused the OV and the only thing they could think of after describing how I operate was powering on the alternator AFTER engine start.
I was told (and have since done) to start on battery only then after the engine was running, turn on the alternator. And I never turn on the avionics until the alternator is on.
Then I threw the scenario to the VPX guys. They don't know what could have caused an OV event to take out the nav radio (and only the nav radio. All other devices are fine). But they agreed with Val that the alternator should be on during engine start. And that the VPX has overvoltage protection but only when the alternator is on.
So I guess my question is: Have I been starting planes the wrong way for the past 20 years? Should the alternator be on during engine start? |
It doesn't matter. Waazayyy back when, the exemplar generator
regulator had three principal components. Three relay-looking
devices were configured (1) to prevent the back-feed of battery
voltage into the generator (making it run like a motor), (2) an
output current limiter to prevent smoking the armature wires
due to overload and (3) a voltage regulator.
[img]cid:.0[/img]
Unlike the generators of yesteryear, an alternator is
inherently current limited by its magnetics. This feature,
combined with the diode array (converts stator winding
AC voltage in to battery friendly DC) means that CURRENT
LIMIT and reverse current cuttouts are not necessary.
[img]cid:.1[/img]
The key phrase in the foregoing narrative is CURRENT
LIMITING. Whether you're speaking of generators or alternators,
there is a finite limit to the current they can supply.
That current level is only a small fraction greater than
the nameplate rating of the machine.
Wwwaaay back when, the avionics master switch was
perceived to be a prophylactic against 'spike generated
by starters'. In years since, DO160/Mil-STD-704 design
verification guided the appliance designer in the
simple task of making their product immune to any
voltage excursions one might expect from the ship's
DC power system. Over those same years, I've had
occasion to attach data acquisition systems to dozens
of airplanes. Like the elusive 'snipe', no matter how
close I looked or longingly I called . . . no such
critter ever emerged.
A question I've asked dozens of appliance engineers
goes something like this: "Under what conditions of
normal or inadvertent abnormal management of the aircraft's
power system will bus voltage exceed catastrophic
failure limits for your product?"
The real answer should be "none". In 50 years
of working with alternators, starter generators
and batteries both in the lab and in aircraft,
I've never had the slightest concerns for turning
batteries and alternators on/off in any order.
An alternator coming on after the engine is started
may deliver a small overshoot . . . usually less than
1 volt due to regulation dynamics. But in no way
can it push the bus to levels suggested by your
radio guy.
Another set of questions to ask: "How much current
do you need to push into a battery to elevate the
28v bus to say, 50 volts?" The answer is:
"hundreds of amps for an EXTENDED period of time . . .
like tens of seconds."
The next question: "How does an alternator rated
at 60 amps produce such an event?" The answer is:
"It can't".
If the ov protection system built into the radio
was damaged, I hypothesize a design or manufacturing
flaw. I'd be willing to help them sort it out . . .
Bob . . .
| | - The Matronics AeroElectric-List Email Forum - | | | Use the List Feature Navigator to browse the many List utilities available such as the Email Subscriptions page, Archive Search & Download, 7-Day Browse, Chat, FAQ, Photoshare, and much more:
http://www.matronics.com/Navigator?AeroElectric-List |
|
| Description: |
|
| Filesize: |
213.63 KB |
| Viewed: |
20769 Time(s) |

|
| Description: |
|
| Filesize: |
110.3 KB |
| Viewed: |
20769 Time(s) |

|
|
|
| Back to top |
|
 |
cluros(at)gmail.com Guest
|
Posted: Mon May 01, 2017 7:25 pm Post subject: Overvoltage event (non-lithium battery) |
|
|
I have met a couple pilots who insist on starting the engine with the alternator off. I seem to remember that this was to protect the alternator. I'm not sure from what. Has anyone ever seen an alternator that has been damaged (or stressed or worn) by being on during start?
Also Bob, please forgive what is probably a silly question that I should think about rather than asking but if an alternator can't raise bus voltage enough to damage avionics why am I building a crowbar disconnect over voltage module?
Or is it just this particular avionic that cannot be damaged by an alternator but others are vulnerable? Or something to do with it being a 28V system instead of 14V?
Sebastien
On May 1, 2017, at 18:59, Robert L. Nuckolls, III <nuckolls.bob(at)aeroelectric.com (nuckolls.bob(at)aeroelectric.com)> wrote:
| Quote: | At 04:48 PM 5/1/2017, you wrote:
| Quote: | --> AeroElectric-List message posted by: "donjohnston" <don(at)velocity-xl.com (don(at)velocity-xl.com)>
I had what is suspected as being an overvoltage event take out my nav radio recently.
Here's the platform data:
Continental IO550
24v electrical system
VPX Power Distribution system
Stock 50a alternator w/B&C LR3C-24 voltage regulator
SD20 backup alternator w/B&C LS-1A voltage regulator
Val Avionics NAV2KR nav radio
The other day I got a circuit fault alarm on the nav radio circuit when I hit the avionics master. When I switched to the screen to get details, it showed "short circuit". Powered cycled the circuit and the fault returned. Went to troubleshoot once I got home and found no fault in the wiring. Sent the radio back to Val and got a call that the overvoltage protection circuit was blown. That it would have taken 50+ volts to cause that. Talked with them for a while about what could have caused the OV and the only thing they could think of after describing how I operate was powering on the alternator AFTER engine start.
I was told (and have since done) to start on battery only then after the engine was running, turn on the alternator. And I never turn on the avionics until the alternator is on.
Then I threw the scenario to the VPX guys. They don't know what could have caused an OV event to take out the nav radio (and only the nav radio. All other devices are fine). But they agreed with Val that the alternator should be on during engine start. And that the VPX has overvoltage protection but only when the alternator is on.
So I guess my question is: Have I been starting planes the wrong way for the past 20 years? Should the alternator be on during engine start? |
It doesn't matter. Waazayyy back when, the exemplar generator
regulator had three principal components. Three relay-looking
devices were configured (1) to prevent the back-feed of battery
voltage into the generator (making it run like a motor), (2) an
output current limiter to prevent smoking the armature wires
due to overload and (3) a voltage regulator.
<2afa004.jpg>
Unlike the generators of yesteryear, an alternator is
inherently current limited by its magnetics. This feature,
combined with the diode array (converts stator winding
AC voltage in to battery friendly DC) means that CURRENT
LIMIT and reverse current cuttouts are not necessary.
<2afa061.jpg>
The key phrase in the foregoing narrative is CURRENT
LIMITING. Whether you're speaking of generators or alternators,
there is a finite limit to the current they can supply.
That current level is only a small fraction greater than
the nameplate rating of the machine.
Wwwaaay back when, the avionics master switch was
perceived to be a prophylactic against 'spike generated
by starters'. In years since, DO160/Mil-STD-704 design
verification guided the appliance designer in the
simple task of making their product immune to any
voltage excursions one might expect from the ship's
DC power system. Over those same years, I've had
occasion to attach data acquisition systems to dozens
of airplanes. Like the elusive 'snipe', no matter how
close I looked or longingly I called . . . no such
critter ever emerged.
A question I've asked dozens of appliance engineers
goes something like this: "Under what conditions of
normal or inadvertent abnormal management of the aircraft's
power system will bus voltage exceed catastrophic
failure limits for your product?"
The real answer should be "none". In 50 years
of working with alternators, starter generators
and batteries both in the lab and in aircraft,
I've never had the slightest concerns for turning
batteries and alternators on/off in any order.
An alternator coming on after the engine is started
may deliver a small overshoot . . . usually less than
1 volt due to regulation dynamics. But in no way
can it push the bus to levels suggested by your
radio guy.
Another set of questions to ask: "How much current
do you need to push into a battery to elevate the
28v bus to say, 50 volts?" The answer is:
"hundreds of amps for an EXTENDED period of time . . .
like tens of seconds."
The next question: "How does an alternator rated
at 60 amps produce such an event?" The answer is:
"It can't".
If the ov protection system built into the radio
was damaged, I hypothesize a design or manufacturing
flaw. I'd be willing to help them sort it out . . .
Bob . . .
|
| | - The Matronics AeroElectric-List Email Forum - | | | Use the List Feature Navigator to browse the many List utilities available such as the Email Subscriptions page, Archive Search & Download, 7-Day Browse, Chat, FAQ, Photoshare, and much more:
http://www.matronics.com/Navigator?AeroElectric-List |
|
| Description: |
|
| Filesize: |
213.63 KB |
| Viewed: |
20765 Time(s) |

|
| Description: |
|
| Filesize: |
110.3 KB |
| Viewed: |
20765 Time(s) |

|
|
|
| Back to top |
|
 |
alec(at)alecmyers.com Guest
|
Posted: Mon May 01, 2017 9:40 pm Post subject: Overvoltage event (non-lithium battery) |
|
|
| Quote: | >Also Bob, please forgive what is probably a silly question that I should think about rather than asking but if an alternator can't raise bus voltage enough to damage avionics why am I building a crowbar disconnect over voltage module?
|
A defective regulator can raise the bus voltage high enough to damage the battery.
| | - The Matronics AeroElectric-List Email Forum - | | | Use the List Feature Navigator to browse the many List utilities available such as the Email Subscriptions page, Archive Search & Download, 7-Day Browse, Chat, FAQ, Photoshare, and much more:
http://www.matronics.com/Navigator?AeroElectric-List |
|
|
|
| Back to top |
|
 |
nuckolls.bob(at)aeroelect Guest
|
Posted: Tue May 02, 2017 5:25 am Post subject: Overvoltage event (non-lithium battery) |
|
|
At 10:23 PM 5/1/2017, you wrote:
| Quote: | | I have met a couple pilots who insist on starting the engine with the alternator off. I seem to remember that this was to protect the alternator. I'm not sure from what. Has anyone ever seen an alternator that has been damaged (or stressed or worn) by being on during start? |
That can't happen either. Energy input to
the alternator is RPM x Torque. Torque
is absolutely proportional to output
current. Field current rise from a de-energized
state rises on the classic t=l/r time
constant curve over a period of tens
of milliseconds. It's a gentle increase
in alternator effort with no sudden 'peaks'
in mechanical or electrical stress.
Those worries were never given foundation
in physics.
| Quote: | | Also Bob, please forgive what is probably a silly question that I should think about rather than asking but if an alternator can't raise bus voltage enough to damage avionics why am I building a crowbar disconnect over voltage module? |
An alternator driven by a failed regulator
has full bus voltage applied to the field.
At cruise rpms, the alternator goes into
a current limited runaway for voltage.
If your airplane needs say 15A from the
alternator in normal flight . . . then
a 60A alternator will produce something on
the order of 50-60 amps of EXCESS battery
charge current.
The voltage will begin to rise as the battery
grunts the excess energy production. In
tens to a couple hundred milliseconds after
the failure event, the bus voltage will rise
above the ov protection trip point . . . generally
32 to 33 volts in a 28v airplane.
were it not for the BATTERY, the bus voltage
could rise much more rapidly with an upper
bound of 100 to 200 volts. In this case,
the ov protection system is still expected
to bring the alternator to heel in a time
frame LESS than 100 milliseconds.
Given that your supplier speaks of a 50 volt
ov protection system, I suspect the appliance
is qualified to DO-160 Category A for abnormal
DC surge voltage. Quoting from DO-160 we find.
[img]cid:.0[/img]
These numbers give rise to a design goal for ov
protection systems to LIMIT a runaway alternator's
output voltage to less than those values in the time
frames cited.
| Quote: | | Or is it just this particular avionic that cannot be damaged by an alternator but others are vulnerable? Or something to do with it being a 28V system instead of 14V? |
No. If your battery was on line at the time of the
radio's failure . . . then there was no way that
bus voltage would rise to levels claimed by the
radio technician. If the battery were off line,
then you would have experienced a trip of the
ov protection system in an magnitude/time frame
that was UNDER the envelope cited in DO-160.
You are not the first owner/operator of an aircraft
to be told that "a spike from your airplane killed
your radio" . . . but in fact, if your battery was
on line and you did not experience an ov trip, then
there is no way that your airplane put any stress
on the radio that it was NOT designed to deal with.
14 volt appliances use 1/2 the 28v qualification
levels. I've always designed to Category Z.
[img]cid:.1[/img]
[img]cid:.2[/img]
Note that category Z considers the extra hazard
for having a very small or no battery at all.
It's not hard to do . . .
Bob . . .
| | - The Matronics AeroElectric-List Email Forum - | | | Use the List Feature Navigator to browse the many List utilities available such as the Email Subscriptions page, Archive Search & Download, 7-Day Browse, Chat, FAQ, Photoshare, and much more:
http://www.matronics.com/Navigator?AeroElectric-List |
|
| Description: |
|
| Filesize: |
121.11 KB |
| Viewed: |
20757 Time(s) |

|
| Description: |
|
| Filesize: |
118.78 KB |
| Viewed: |
20757 Time(s) |

|
| Description: |
|
| Filesize: |
104.55 KB |
| Viewed: |
20757 Time(s) |

|
|
|
| Back to top |
|
 |
nuckolls.bob(at)aeroelect Guest
|
Posted: Tue May 02, 2017 5:29 am Post subject: Overvoltage event (non-lithium battery) |
|
|
At 12:36 AM 5/2/2017, you wrote:
| Quote: | --> AeroElectric-List message posted by: Alec Myers <alec(at)alecmyers.com>
>>Also Bob, please forgive what is probably a silly question that I should think about rather than asking but if an alternator can't raise bus voltage enough to damage avionics why am I building a crowbar disconnect over voltage module?
A defective regulator can raise the bus voltage high enough to damage the battery. |
A battery that is well maintained. I.e. periodically
cap and load checked, will be taken out of the airplane
when it no longer meets design goals for battery only
endurance. Such a battery will grunt the alternator's
abusive output during a runaway event for the time
it takes to activate the ov protection system.
In virtually EVERY ov event I have deliberately
generated in 28v systems on the test bench, the
bus voltage has NEVER exceeded 33 volts. The
battery was not damaged and no appliances were
harmed in the making of the video.
Bob . . .
| | - The Matronics AeroElectric-List Email Forum - | | | Use the List Feature Navigator to browse the many List utilities available such as the Email Subscriptions page, Archive Search & Download, 7-Day Browse, Chat, FAQ, Photoshare, and much more:
http://www.matronics.com/Navigator?AeroElectric-List |
|
|
|
| Back to top |
|
 |
alec(at)alecmyers.com Guest
|
Posted: Tue May 02, 2017 5:36 am Post subject: Overvoltage event (non-lithium battery) |
|
|
If the OV protection is absent, a defective regulator regulating the bus voltage to 18V (for a 12V system) will eventually damage the battery, but not the avionics.
So isn't it fair to characterize the battery as being there to protect the avionics, and the OV crowbar being there to protect the battery?
On 2May2017, at 9:26 AM, Robert L. Nuckolls, III <nuckolls.bob(at)aeroelectric.com> wrote:
At 12:36 AM 5/2/2017, you wrote:
| Quote: |
>>Also Bob, please forgive what is probably a silly question that I should think about rather than asking but if an alternator can't raise bus voltage enough to damage avionics why am I building a crowbar disconnect over voltage module?
A defective regulator can raise the bus voltage high enough to damage the battery.
|
A battery that is well maintained. I.e. periodically
cap and load checked, will be taken out of the airplane
when it no longer meets design goals for battery only
endurance. Such a battery will grunt the alternator's
abusive output during a runaway event for the time
it takes to activate the ov protection system.
In virtually EVERY ov event I have deliberately
generated in 28v systems on the test bench, the
bus voltage has NEVER exceeded 33 volts. The
battery was not damaged and no appliances were
harmed in the making of the video.
Bob . . .
| | - The Matronics AeroElectric-List Email Forum - | | | Use the List Feature Navigator to browse the many List utilities available such as the Email Subscriptions page, Archive Search & Download, 7-Day Browse, Chat, FAQ, Photoshare, and much more:
http://www.matronics.com/Navigator?AeroElectric-List |
|
|
|
| Back to top |
|
 |
nuckolls.bob(at)aeroelect Guest
|
Posted: Tue May 02, 2017 10:00 am Post subject: Overvoltage event (non-lithium battery) |
|
|
At 08:33 AM 5/2/2017, you wrote:
| Quote: | --> AeroElectric-List message posted by: Alec Myers <alec(at)alecmyers.com>
If the OV protection is absent, a defective regulator regulating the bus voltage to 18V (for a 12V system) will eventually damage the battery, but not the avionics. |
Yyeeaah . . . sort of. A battery that's in good
condition will willingly and ably stand off
most alternators until the ov protection system
can react. If the ov protection is absent, voltage
will rise with a rate dependent on battery condition
and magnitude of the 'overcharge' current.
We've seen cases of sustained ov on a good
battery . . . and yes, it's really hard
on the battery. But this event took a long
time . . . perhaps hours, perhaps more than
one flight to evolve to this condition.
[img]cid:.0[/img]
. . . and yes, the battery was trashed. I don't
recall if any other system components were
damaged . . .
| Quote: | | So isn't it fair to characterize the battery as being there to protect the avionics, and the OV crowbar being there to protect the battery? |
No . . . batteries are there to start engines
and back up alternators. A properly designed
ov protection system will arrest a runaway
alternator before the damages propagate to other
components in the system . . . whether the
battery is on line or not.
It's a happy coincidence that a robust battery
contributes to a graceful recovery from an
ov event . . . but there is no expansion of
a battery's primary role of offering a reversible
chemical energy source.
Bob . . .
| | - The Matronics AeroElectric-List Email Forum - | | | Use the List Feature Navigator to browse the many List utilities available such as the Email Subscriptions page, Archive Search & Download, 7-Day Browse, Chat, FAQ, Photoshare, and much more:
http://www.matronics.com/Navigator?AeroElectric-List |
|
| Description: |
|
| Filesize: |
112.25 KB |
| Viewed: |
20750 Time(s) |

|
|
|
| Back to top |
|
 |
john(at)johnkeen.com.au Guest
|
Posted: Wed May 03, 2017 4:49 pm Post subject: Overvoltage event (non-lithium battery) |
|
|
This may be a naive question but is there any reason why then I can't use one master switch to turn on both the battery and alternator?
If I turn my master off and e-bus on I would then be on battery-only operation.
John Keen0412 141 833
On 2 May 2017, at 11:59, Robert L. Nuckolls, III <nuckolls.bob(at)aeroelectric.com (nuckolls.bob(at)aeroelectric.com)> wrote:
| Quote: | At 04:48 PM 5/1/2017, you wrote:
| Quote: | --> AeroElectric-List message posted by: "donjohnston" <don(at)velocity-xl.com (don(at)velocity-xl.com)>
I had what is suspected as being an overvoltage event take out my nav radio recently.
Here's the platform data:
Continental IO550
24v electrical system
VPX Power Distribution system
Stock 50a alternator w/B&C LR3C-24 voltage regulator
SD20 backup alternator w/B&C LS-1A voltage regulator
Val Avionics NAV2KR nav radio
The other day I got a circuit fault alarm on the nav radio circuit when I hit the avionics master. When I switched to the screen to get details, it showed "short circuit". Powered cycled the circuit and the fault returned. Went to troubleshoot once I got home and found no fault in the wiring. Sent the radio back to Val and got a call that the overvoltage protection circuit was blown. That it would have taken 50+ volts to cause that. Talked with them for a while about what could have caused the OV and the only thing they could think of after describing how I operate was powering on the alternator AFTER engine start.
I was told (and have since done) to start on battery only then after the engine was running, turn on the alternator. And I never turn on the avionics until the alternator is on.
Then I threw the scenario to the VPX guys. They don't know what could have caused an OV event to take out the nav radio (and only the nav radio. All other devices are fine). But they agreed with Val that the alternator should be on during engine start. And that the VPX has overvoltage protection but only when the alternator is on.
So I guess my question is: Have I been starting planes the wrong way for the past 20 years? Should the alternator be on during engine start? |
It doesn't matter. Waazayyy back when, the exemplar generator
regulator had three principal components. Three relay-looking
devices were configured (1) to prevent the back-feed of battery
voltage into the generator (making it run like a motor), (2) an
output current limiter to prevent smoking the armature wires
due to overload and (3) a voltage regulator.
[img]cid:.0[/img]
Unlike the generators of yesteryear, an alternator is
inherently current limited by its magnetics. This feature,
combined with the diode array (converts stator winding
AC voltage in to battery friendly DC) means that CURRENT
LIMIT and reverse current cuttouts are not necessary.
[img]cid:.1[/img]
The key phrase in the foregoing narrative is CURRENT
LIMITING. Whether you're speaking of generators or alternators,
there is a finite limit to the current they can supply.
That current level is only a small fraction greater than
the nameplate rating of the machine.
Wwwaaay back when, the avionics master switch was
perceived to be a prophylactic against 'spike generated
by starters'. In years since, DO160/Mil-STD-704 design
verification guided the appliance designer in the
simple task of making their product immune to any
voltage excursions one might expect from the ship's
DC power system. Over those same years, I've had
occasion to attach data acquisition systems to dozens
of airplanes. Like the elusive 'snipe', no matter how
close I looked or longingly I called . . . no such
critter ever emerged.
A question I've asked dozens of appliance engineers
goes something like this: "Under what conditions of
normal or inadvertent abnormal management of the aircraft's
power system will bus voltage exceed catastrophic
failure limits for your product?"
The real answer should be "none". In 50 years
of working with alternators, starter generators
and batteries both in the lab and in aircraft,
I've never had the slightest concerns for turning
batteries and alternators on/off in any order.
An alternator coming on after the engine is started
may deliver a small overshoot . . . usually less than
1 volt due to regulation dynamics. But in no way
can it push the bus to levels suggested by your
radio guy.
Another set of questions to ask: "How much current
do you need to push into a battery to elevate the
28v bus to say, 50 volts?" The answer is:
"hundreds of amps for an EXTENDED period of time . . .
like tens of seconds."
The next question: "How does an alternator rated
at 60 amps produce such an event?" The answer is:
"It can't".
If the ov protection system built into the radio
was damaged, I hypothesize a design or manufacturing
flaw. I'd be willing to help them sort it out . . .
Bob . . .
|
| | - The Matronics AeroElectric-List Email Forum - | | | Use the List Feature Navigator to browse the many List utilities available such as the Email Subscriptions page, Archive Search & Download, 7-Day Browse, Chat, FAQ, Photoshare, and much more:
http://www.matronics.com/Navigator?AeroElectric-List |
|
| Description: |
|
| Filesize: |
155.64 KB |
| Viewed: |
20726 Time(s) |

|
| Description: |
|
| Filesize: |
110.3 KB |
| Viewed: |
20726 Time(s) |

|
|
|
| Back to top |
|
 |
nuckolls.bob(at)aeroelect Guest
|
Posted: Thu May 04, 2017 9:39 am Post subject: Overvoltage event (non-lithium battery) |
|
|
At 07:47 PM 5/3/2017, you wrote:
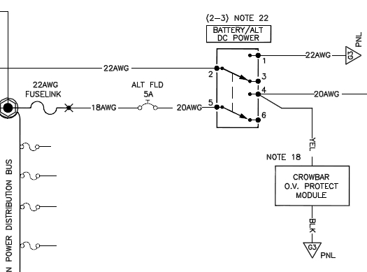
| Quote: | This may be a naive question but is there any reason why then I can't use one master switch to turn on both the battery and alternator?
If I turn my master off and e-bus on I would then be on battery-only operation. |
That's fine . . . in fact, that configuration
is illustrated in Z-13/8
http://tinyurl.com/kgg8nva
[img]cid:7.1.0.9.0.20170504123207.05567330(at)aeroelectric.com.2[/img]
This configuration exploits the fact that
crowbar ovm systems are typically installed
with the popular miniature pullable breakers.
This means that when you want to do battery-only
ground operations for maintenance, you can pull
the alternator field breaker and REMOVE a
significant (2.5 to 3 amp) drain on the
battery by the field circuit of a non-rotating
alternator.
But if you system is all fuses or non-pullable
breaker, then the progressive transfer switching
of battery/alternator (al la legacy split rocker
switches), is recommended.
Bob . . .
| | - The Matronics AeroElectric-List Email Forum - | | | Use the List Feature Navigator to browse the many List utilities available such as the Email Subscriptions page, Archive Search & Download, 7-Day Browse, Chat, FAQ, Photoshare, and much more:
http://www.matronics.com/Navigator?AeroElectric-List |
|
| Description: |
|
| Filesize: |
51.33 KB |
| Viewed: |
20709 Time(s) |

|
|
|
| Back to top |
|
 |
JOHN TIPTON
Joined: 17 Sep 2006 Posts: 239 Location: Torquay - England
|
Posted: Thu May 04, 2017 10:14 am Post subject: Overvoltage event (non-lithium battery) |
|
|
So: those aircraft which have an array of switches together either their array of CB's only really need the CB's
John
Sent from my iPad
----x--O--x----
On 4 May 2017, at 06:37 pm, "Robert L. Nuckolls, III" <nuckolls.bob(at)aeroelectric.com (nuckolls.bob(at)aeroelectric.com)> wrote:
| Quote: | At 07:47 PM 5/3/2017, you wrote:
| Quote: | This may be a naive question but is there any reason why then I can't use one master switch to turn on both the battery and alternator?
If I turn my master off and e-bus on I would then be on battery-only operation. |
That's fine . . . in fact, that configuration
is illustrated in Z-13/8
http://tinyurl.com/kgg8nva
<10578c0e.jpg>
This configuration exploits the fact that
crowbar ovm systems are typically installed
with the popular miniature pullable breakers.
This means that when you want to do battery-only
ground operations for maintenance, you can pull
the alternator field breaker and REMOVE a
significant (2.5 to 3 amp) drain on the
battery by the field circuit of a non-rotating
alternator.
But if you system is all fuses or non-pullable
breaker, then the progressive transfer switching
of battery/alternator (al la legacy split rocker
switches), is recommended.
Bob . . .
|
| | - The Matronics AeroElectric-List Email Forum - | | | Use the List Feature Navigator to browse the many List utilities available such as the Email Subscriptions page, Archive Search & Download, 7-Day Browse, Chat, FAQ, Photoshare, and much more:
http://www.matronics.com/Navigator?AeroElectric-List |
|
|
|
| Back to top |
|
 |
nuckolls.bob(at)aeroelect Guest
|
Posted: Thu May 04, 2017 12:14 pm Post subject: Overvoltage event (non-lithium battery) |
|
|
At 01:13 PM 5/4/2017, you wrote:
| Quote: | So: those aircraft which have an array of switches together either their array of CB's only really need the CB's
John
|
No . . . breakers and/or fuses are not operational
devices . . . only protective with the occasional instance
of being a useful maintenance adjunct.
Lots of aircraft maintenance procedures will call
for disabling a system by opening the circuit
protection . . . but the pilot's operating handbook
will (or at least should) never call for routinely
operating a breaker as part of normal operations.
Circuit protection clusters at the power distribution
bus(ses) grouped according to power distribution
design goals.
On the other hand, switches may be organized for
operational functionality irrespective of the
power source.
[img]cid:7.1.0.9.0.20170504150320.01ef18c8(at)aeroelectric.com.0[/img]
Bob . . .
| | - The Matronics AeroElectric-List Email Forum - | | | Use the List Feature Navigator to browse the many List utilities available such as the Email Subscriptions page, Archive Search & Download, 7-Day Browse, Chat, FAQ, Photoshare, and much more:
http://www.matronics.com/Navigator?AeroElectric-List |
|
| Description: |
|
| Filesize: |
41.48 KB |
| Viewed: |
20703 Time(s) |

|
|
|
| Back to top |
|
 |
arcticarrow(at)gmail.com Guest
|
Posted: Thu May 04, 2017 1:27 pm Post subject: Overvoltage event (non-lithium battery) |
|
|
Some builders in an effort to reduce weight use circuit breaker switches instead of separate breakers and switches. Is this a bad idea?
Bernie
Sent from my iPhone
On May 4, 2017, at 12:13 PM, Robert L. Nuckolls, III <nuckolls.bob(at)aeroelectric.com (nuckolls.bob(at)aeroelectric.com)> wrote:
| Quote: | At 01:13 PM 5/4/2017, you wrote:
| Quote: | So: those aircraft which have an array of switches together either their array of CB's only really need the CB's
John
|
No . . . breakers and/or fuses are not operational
devices . . . only protective with the occasional instance
of being a useful maintenance adjunct.
Lots of aircraft maintenance procedures will call
for disabling a system by opening the circuit
protection . . . but the pilot's operating handbook
will (or at least should) never call for routinely
operating a breaker as part of normal operations.
Circuit protection clusters at the power distribution
bus(ses) grouped according to power distribution
design goals.
On the other hand, switches may be organized for
operational functionality irrespective of the
power source.
<10e5e47d.jpg>
Bob . . .
|
| | - The Matronics AeroElectric-List Email Forum - | | | Use the List Feature Navigator to browse the many List utilities available such as the Email Subscriptions page, Archive Search & Download, 7-Day Browse, Chat, FAQ, Photoshare, and much more:
http://www.matronics.com/Navigator?AeroElectric-List |
|
|
|
| Back to top |
|
 |
nuckolls.bob(at)aeroelect Guest
|
Posted: Thu May 04, 2017 4:37 pm Post subject: Overvoltage event (non-lithium battery) |
|
|
At 04:25 PM 5/4/2017, you wrote:
| Quote: | Some builders in an effort to reduce weight use circuit breaker switches instead of separate breakers and switches. Is this a bad idea?
Bernie |
No . . . those devices are designed for
their intended purpose . . .
But keep in mind. Breakers/fuses are
clustered on power distribution busses.
It's nice to save panel space by mounting
fuseblocks off the panel . . . out of the
way.
Once you put a row of breaker-switches on
the panel, you've committed to bring a
bus=feeder fat-wire to the panel and you
have two clusters of circuit protection.
Further, you may find that operational
grouping of switches is no longer
convenient and maybe impossible.
We used breaker/switches on the Bonanza/
Baron line . . . never did like those things
and they eventually proved to be a pain
in the a##
"saving weight" by using these things is
a poor reason for limiting your design
choices in other matters.
If it were my airplane, it would be fuse blocks
for virtually every protected circuit and
plain vanilla toggle switches arranged by
ergonomic/operational convenience.
Inexpensive, light, low cost of ownership
and unimpeded design goals.
Bob . . .
| | - The Matronics AeroElectric-List Email Forum - | | | Use the List Feature Navigator to browse the many List utilities available such as the Email Subscriptions page, Archive Search & Download, 7-Day Browse, Chat, FAQ, Photoshare, and much more:
http://www.matronics.com/Navigator?AeroElectric-List |
|
|
|
| Back to top |
|
 |
neil(at)rosoff.com Guest
|
Posted: Thu May 04, 2017 5:40 pm Post subject: Overvoltage event (non-lithium battery) |
|
|
I agree in spirit, BUT I recently ran into an issue where the procedure for handling an ignition system failure indication, is to pull the ignition system breaker while the engine is running. This is not a situation where the manufacture and myself would not want a switch.
Neil Rosoff
From: owner-aeroelectric-list-server(at)matronics.com [mailto:owner-aeroelectric-list-server(at)matronics.com] On Behalf Of Bernie
Sent: Thursday, May 4, 2017 5:25 PM
To: aeroelectric-list(at)matronics.com
Subject: Re: Overvoltage event (non-lithium battery)
Some builders in an effort to reduce weight use circuit breaker switches instead of separate breakers and switches. Is this a bad idea?
Bernie
Sent from my iPhone
On May 4, 2017, at 12:13 PM, Robert L. Nuckolls, III <nuckolls.bob(at)aeroelectric.com (nuckolls.bob(at)aeroelectric.com)> wrote:
| Quote: |
At 01:13 PM 5/4/2017, you wrote:
So: those aircraft which have an array of switches together either their array of CB's only really need the CB's
John
No . . . breakers and/or fuses are not operational
devices . . . only protective with the occasional instance
of being a useful maintenance adjunct.
Lots of aircraft maintenance procedures will call
for disabling a system by opening the circuit
protection . . . but the pilot's operating handbook
will (or at least should) never call for routinely
operating a breaker as part of normal operations.
Circuit protection clusters at the power distribution
bus(ses) grouped according to power distribution
design goals.
On the other hand, switches may be organized for
operational functionality irrespective of the
power source.
<10e5e47d.jpg>
Bob . . .
|
| | - The Matronics AeroElectric-List Email Forum - | | | Use the List Feature Navigator to browse the many List utilities available such as the Email Subscriptions page, Archive Search & Download, 7-Day Browse, Chat, FAQ, Photoshare, and much more:
http://www.matronics.com/Navigator?AeroElectric-List |
|
|
|
| Back to top |
|
 |
arcticarrow(at)gmail.com Guest
|
Posted: Thu May 04, 2017 5:52 pm Post subject: Overvoltage event (non-lithium battery) |
|
|
Got it!
Thanks, Bernie
Sent from my iPhone
On May 4, 2017, at 5:36 PM, Neil Rosoff <neil(at)rosoff.com (neil(at)rosoff.com)> wrote:
| Quote: | <![endif]--> <![endif]-->
I agree in spirit, BUT I recently ran into an issue where the procedure for handling an ignition system failure indication, is to pull the ignition system breaker while the engine is running. This is not a situation where the manufacture and myself would not want a switch.
Neil Rosoff
From: owner-aeroelectric-list-server(at)matronics.com (owner-aeroelectric-list-server(at)matronics.com) [mailto:owner-aeroelectric-list-server(at)matronics.com (owner-aeroelectric-list-server(at)matronics.com)] On Behalf Of Bernie
Sent: Thursday, May 4, 2017 5:25 PM
To: aeroelectric-list(at)matronics.com (aeroelectric-list(at)matronics.com)
Subject: Re: Overvoltage event (non-lithium battery)
Some builders in an effort to reduce weight use circuit breaker switches instead of separate breakers and switches. Is this a bad idea?
Bernie
Sent from my iPhone
On May 4, 2017, at 12:13 PM, Robert L. Nuckolls, III <nuckolls.bob(at)aeroelectric.com (nuckolls.bob(at)aeroelectric.com)> wrote:
| Quote: |
At 01:13 PM 5/4/2017, you wrote:
So: those aircraft which have an array of switches together either their array of CB's only really need the CB's
John
No . . . breakers and/or fuses are not operational
devices . . . only protective with the occasional instance
of being a useful maintenance adjunct.
Lots of aircraft maintenance procedures will call
for disabling a system by opening the circuit
protection . . . but the pilot's operating handbook
will (or at least should) never call for routinely
operating a breaker as part of normal operations.
Circuit protection clusters at the power distribution
bus(ses) grouped according to power distribution
design goals.
On the other hand, switches may be organized for
operational functionality irrespective of the
power source.
<10e5e47d.jpg>
Bob . . .
|
|
| | - The Matronics AeroElectric-List Email Forum - | | | Use the List Feature Navigator to browse the many List utilities available such as the Email Subscriptions page, Archive Search & Download, 7-Day Browse, Chat, FAQ, Photoshare, and much more:
http://www.matronics.com/Navigator?AeroElectric-List |
|
|
|
| Back to top |
|
 |
bobmeyers
Joined: 05 May 2017 Posts: 5
|
Posted: Fri May 05, 2017 9:17 am Post subject: Re: Overvoltage event (non-lithium battery) |
|
|
Bob,
Have you ever commented on these little guys. They are resettable breakers that fit into an ATC slot.
http://tinyurl.com/n4fem4d
I used fuses in my first build and also in my second build. I have looked at these as a natural fit for alternator field power.
| | - The Matronics AeroElectric-List Email Forum - | | | Use the List Feature Navigator to browse the many List utilities available such as the Email Subscriptions page, Archive Search & Download, 7-Day Browse, Chat, FAQ, Photoshare, and much more:
http://www.matronics.com/Navigator?AeroElectric-List |
|
|
|
| Back to top |
|
 |
|
|
You cannot post new topics in this forum You cannot reply to topics in this forum You cannot edit your posts in this forum You cannot delete your posts in this forum You cannot vote in polls in this forum You cannot attach files in this forum You can download files in this forum
|
Powered by phpBB © 2001, 2005 phpBB Group
|