 |
Matronics Email Lists Web Forum Interface to the Matronics Email Lists
|
| View previous topic :: View next topic |
| Author |
Message |
mike(at)vision499.com Guest
|
Posted: Tue May 30, 2017 3:54 pm Post subject: Pitot and static lines |
|
|
Is there a convention for color coding pitot and static lines to separate them visually?
Thanks
Mike
| | - The Matronics KIS-List Email Forum - | | | Use the List Feature Navigator to browse the many List utilities available such as the Email Subscriptions page, Archive Search & Download, 7-Day Browse, Chat, FAQ, Photoshare, and much more:
http://www.matronics.com/Navigator?KIS-List |
|
|
|
| Back to top |
|
 |
jarra29(at)gmail.com Guest
|
Posted: Wed May 31, 2017 8:22 am Post subject: Pitot and static lines |
|
|
RED - PITOTBLUE - STATIC
Hernán Antonio Padilla F.Técnico de Aviación La Ceiba, Atlántida. HondurasCel: (504) 3237-7799
| Quote: | El 30 may. 2017, a las 17:52, Mike Pienaar <mike(at)vision499.com (mike(at)vision499.com)> escribió:
--> KIS-List message posted by: "Mike Pienaar" <mike(at)vision499.com (mike(at)vision499.com)>Is there a convention for color coding pitot and static lines to separate them visually?ThanksMikehttp://www.matronics.com/Navigator?KIS-Listhttp://wiki.matronics.com
|
| | - The Matronics KIS-List Email Forum - | | | Use the List Feature Navigator to browse the many List utilities available such as the Email Subscriptions page, Archive Search & Download, 7-Day Browse, Chat, FAQ, Photoshare, and much more:
http://www.matronics.com/Navigator?KIS-List |
|
|
|
| Back to top |
|
 |
galinhdz(at)gmail.com Guest
|
Posted: Mon Jun 05, 2017 10:35 am Post subject: Pitot and static lines |
|
|
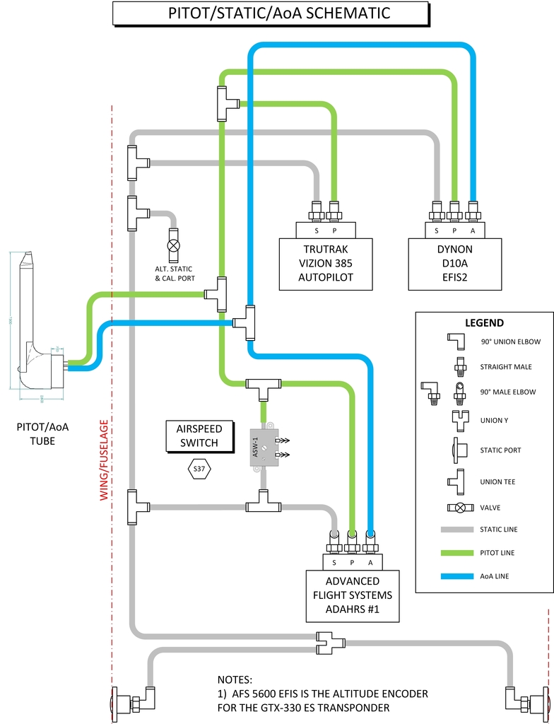
FWIW most builders use:
White - Static
Green - Pitot
Blue - AOA
As seen in the attached drawing. I did the same.
On Tuesday, May 30, 2017, Mike Pienaar <mike(at)vision499.com (mike(at)vision499.com)> wrote:
| Quote: | --> KIS-List message posted by: "Mike Pienaar" <[url=javascript:;]mike(at)vision499.com[/url]>
Is there a convention for color coding pitot and static lines to separate them visually?
Thanks
Mike
====================================
List" target="_blank">http://www.matronics.com/Navigator?KIS-List
====================================
FORUMS -
_blank">http://forums.matronics.com
====================================
WIKI -
lank">http://wiki.matronics.com
====================================
b Site -
-Matt Dralle, List Admin.
target="_blank">http://www.matronics.com/contribution
====================================
|
| | - The Matronics KIS-List Email Forum - | | | Use the List Feature Navigator to browse the many List utilities available such as the Email Subscriptions page, Archive Search & Download, 7-Day Browse, Chat, FAQ, Photoshare, and much more:
http://www.matronics.com/Navigator?KIS-List |
|
| Description: |
|
| Filesize: |
170.05 KB |
| Viewed: |
4794 Time(s) |

|
|
|
| Back to top |
|
 |
|
|
You cannot post new topics in this forum You cannot reply to topics in this forum You cannot edit your posts in this forum You cannot delete your posts in this forum You cannot vote in polls in this forum You cannot attach files in this forum You can download files in this forum
|
Powered by phpBB © 2001, 2005 phpBB Group
|