 |
Matronics Email Lists Web Forum Interface to the Matronics Email Lists
|
| View previous topic :: View next topic |
| Author |
Message |
wdaniell.longport(at)gmai Guest
|
Posted: Fri Oct 06, 2017 7:53 am Post subject: Ammeter spike |
|
|
I have a dynon skyview and the ammeter reads off the shunt per dynon manual. My electrical system is standard europa without deviation and i have a rotax 912Â
The last time a flew when i started the engine had a red x over the ammeter (ie not working) where it had worked on the previous flight.
I pulled the alt 30A cb which reset the "instrument" and thereafter it read normally. I left the 30A battery cb set during this process.
My question: When I pulled the cb the amp reading, once it came alive, spiked up to 60A. I immediately reset the cb and everything settled back down to its normal readings.
Is this spike normal?
Thanks
Will
| | - The Matronics Europa-List Email Forum - | | | Use the List Feature Navigator to browse the many List utilities available such as the Email Subscriptions page, Archive Search & Download, 7-Day Browse, Chat, FAQ, Photoshare, and much more:
http://www.matronics.com/Navigator?Europa-List |
|
|
|
| Back to top |
|
 |
peterz(at)zutrasoft.com Guest
|
Posted: Fri Oct 06, 2017 11:32 am Post subject: Ammeter spike |
|
|
Depending upon where the large capacitor is, yes, it could spike like that of it was discharged.
| Quote: | On Oct 6, 2017, at 11:52 AM, William Daniell <wdaniell.longport(at)gmail.com> wrote:
I have a dynon skyview and the ammeter reads off the shunt per dynon manual. My electrical system is standard europa without deviation and i have a rotax 912
The last time a flew when i started the engine had a red x over the ammeter (ie not working) where it had worked on the previous flight.
I pulled the alt 30A cb which reset the "instrument" and thereafter it read normally. I left the 30A battery cb set during this process.
My question: When I pulled the cb the amp reading, once it came alive, spiked up to 60A. I immediately reset the cb and everything settled back down to its normal readings.
Is this spike normal?
Thanks
Will
|
| | - The Matronics Europa-List Email Forum - | | | Use the List Feature Navigator to browse the many List utilities available such as the Email Subscriptions page, Archive Search & Download, 7-Day Browse, Chat, FAQ, Photoshare, and much more:
http://www.matronics.com/Navigator?Europa-List |
|
|
|
| Back to top |
|
 |
wdaniell.longport(at)gmai Guest
|
Posted: Fri Oct 06, 2017 11:28 pm Post subject: Ammeter spike |
|
|
Pete
thanks. Is this a problem/potential problem? Or is this a short term event?Â
Will
William Daniell
LONGPORT
+57 310 295 0744
On Fri, Oct 6, 2017 at 2:31 PM, Pete <peterz(at)zutrasoft.com (peterz(at)zutrasoft.com)> wrote:
| Quote: | --> Europa-List message posted by: Pete <peterz(at)zutrasoft.com (peterz(at)zutrasoft.com)>
Depending upon where the large capacitor is, yes, it could spike like that of it was discharged.
> On Oct 6, 2017, at 11:52 AM, William Daniell <wdaniell.longport(at)gmail.com (wdaniell.longport(at)gmail.com)> wrote:
>
> I have a dynon skyview and the ammeter reads off the shunt per dynon manual. My electrical system is standard europa without deviation and i have a rotax 912
>
> The last time a flew when i started the engine had a red x over the ammeter (ie not working) where it had worked on the previous flight.
>
> I pulled the alt 30A cb which reset the "instrument" and thereafter it read normally. I left the 30A battery cb set during this process.
>
> My question: When I pulled the cb the amp reading, once it came alive, spiked up to 60A. I immediately reset the cb and everything settled back down to its normal readings.
>
> Is this spike normal?
>
> Thanks
>
> Will
====================================
pa-List" rel="noreferrer" target="_blank">http://www.matronics.com/Navigator?Europa-List
====================================
FORUMS -
eferrer" target="_blank">http://forums.matronics.com
====================================
WIKI -
errer" target="_blank">http://wiki.matronics.com
====================================
b Site -
     -Matt Dralle, List Admin.
rel="noreferrer" target="_blank">http://www.matronics.com/contribution
====================================
|
| | - The Matronics Europa-List Email Forum - | | | Use the List Feature Navigator to browse the many List utilities available such as the Email Subscriptions page, Archive Search & Download, 7-Day Browse, Chat, FAQ, Photoshare, and much more:
http://www.matronics.com/Navigator?Europa-List |
|
|
|
| Back to top |
|
 |
peterz(at)zutrasoft.com Guest
|
Posted: Sat Oct 07, 2017 12:27 pm Post subject: Ammeter spike |
|
|
Id need to see your wiring schematic, and understand exactly when this surge occurs....but there will be a surge if the capacitor is in a discharged state, and if there is a switch and shunt between the capacitor and the ducatti dump-regulator output, and this switch is closed after the engine is already running.
On Oct 7, 2017, at 3:17 AM, William Daniell <wdaniell.longport(at)gmail.com (wdaniell.longport(at)gmail.com)> wrote:
| Quote: | Pete
thanks. Is this a problem/potential problem? Or is this a short term event?
Will
William Daniell
LONGPORT
+57 310 295 0744
On Fri, Oct 6, 2017 at 2:31 PM, Pete <peterz(at)zutrasoft.com (peterz(at)zutrasoft.com)> wrote:
| Quote: | --> Europa-List message posted by: Pete <peterz(at)zutrasoft.com (peterz(at)zutrasoft.com)>
Depending upon where the large capacitor is, yes, it could spike like that of it was discharged.
> On Oct 6, 2017, at 11:52 AM, William Daniell <wdaniell.longport(at)gmail.com (wdaniell.longport(at)gmail.com)> wrote:
>
> I have a dynon skyview and the ammeter reads off the shunt per dynon manual. My electrical system is standard europa without deviation and i have a rotax 912
>
> The last time a flew when i started the engine had a red x over the ammeter (ie not working) where it had worked on the previous flight.
>
> I pulled the alt 30A cb which reset the "instrument" and thereafter it read normally. I left the 30A battery cb set during this process.
>
> My question: When I pulled the cb the amp reading, once it came alive, spiked up to 60A. I immediately reset the cb and everything settled back down to its normal readings.
>
> Is this spike normal?
>
> Thanks
>
> Will
====================================
pa-List" rel="noreferrer" target="_blank">http://www.matronics.com/Navigator?Europa-List
====================================
FORUMS -
eferrer" target="_blank">http://forums.matronics.com
====================================
WIKI -
errer" target="_blank">http://wiki.matronics.com
====================================
b Site -
-Matt Dralle, List Admin.
rel="noreferrer" target="_blank">http://www.matronics.com/contribution
====================================
|
|
| | - The Matronics Europa-List Email Forum - | | | Use the List Feature Navigator to browse the many List utilities available such as the Email Subscriptions page, Archive Search & Download, 7-Day Browse, Chat, FAQ, Photoshare, and much more:
http://www.matronics.com/Navigator?Europa-List |
|
|
|
| Back to top |
|
 |
wdaniell.longport(at)gmai Guest
|
Posted: Mon Oct 09, 2017 4:23 am Post subject: Ammeter spike |
|
|
Pete
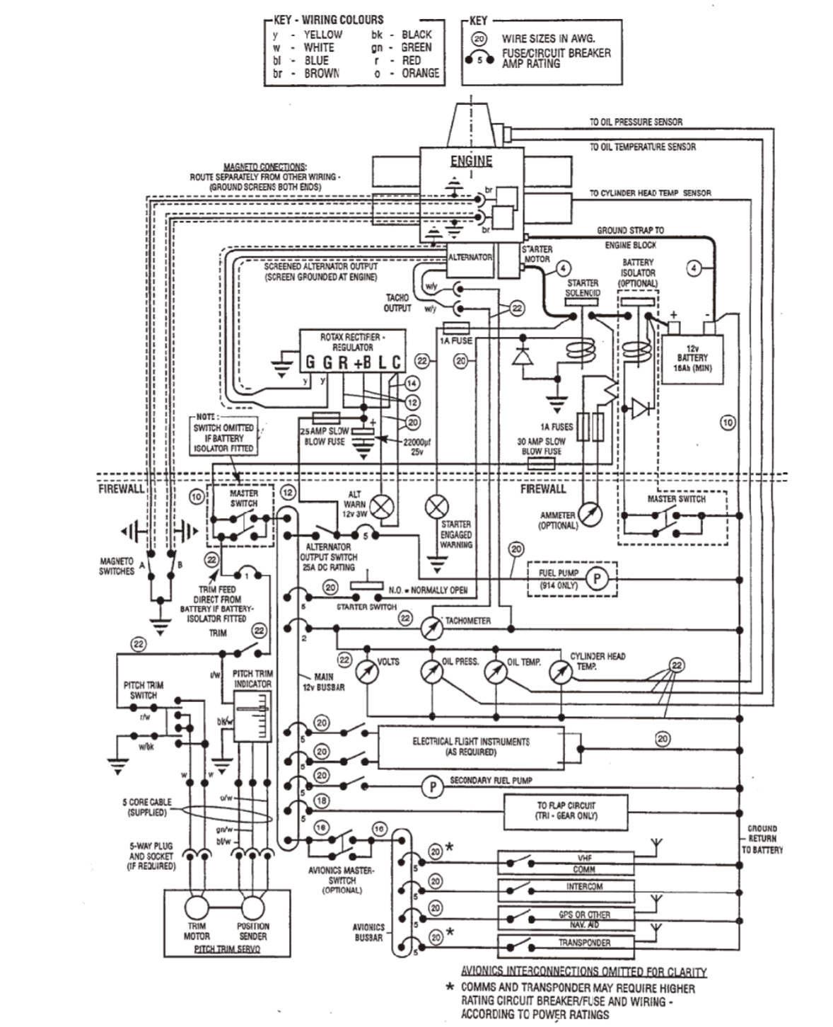
1. Here is the wiring schematic which is stock Europa.
2. the "slow blow fuzes" in the diagram where replaced with 25A and 30A Circuit breakers respectively
3. The spike occurred when I pulled the ALT circuit breaker while the engine was running. I didn't leave it out for long because I was worried about damage to the system.
4. I did not pull the battery CB at the same time.
So in summary the ALT CB, when pulled, shuts down the ALT feed to the bus.
My understanding was that one needed to be able to power the electrical system from either the battery or the alternator alone in the case an emergency.
Many thanks
Will
[img]cid:ii_15f010c55e19a0be[/img]
William Daniell
LONGPORT
+57 310 295 0744
On Sat, Oct 7, 2017 at 3:16 PM, Pete <peterz(at)zutrasoft.com (peterz(at)zutrasoft.com)> wrote:
| Quote: |
Id need to see your wiring schematic, and understand exactly when this surge occurs....but there will be a surge if the capacitor is in a discharged state, and if there is a switch and shunt between the capacitor and the ducatti dump-regulator output, and this switch is closed after the engine is already running.
On Oct 7, 2017, at 3:17 AM, William Daniell <wdaniell.longport(at)gmail.com (wdaniell.longport(at)gmail.com)> wrote:
| Quote: | Pete
thanks. Is this a problem/potential problem? Or is this a short term event?Â
Will
William Daniell
LONGPORT
+57 310 295 0744
On Fri, Oct 6, 2017 at 2:31 PM, Pete <peterz(at)zutrasoft.com (peterz(at)zutrasoft.com)> wrote:
| Quote: | --> Europa-List message posted by: Pete <peterz(at)zutrasoft.com (peterz(at)zutrasoft.com)>
Depending upon where the large capacitor is, yes, it could spike like that of it was discharged.
> On Oct 6, 2017, at 11:52 AM, William Daniell <wdaniell.longport(at)gmail.com (wdaniell.longport(at)gmail.com)> wrote:
>
> I have a dynon skyview and the ammeter reads off the shunt per dynon manual. My electrical system is standard europa without deviation and i have a rotax 912
>
> The last time a flew when i started the engine had a red x over the ammeter (ie not working) where it had worked on the previous flight.
>
> I pulled the alt 30A cb which reset the "instrument" and thereafter it read normally. I left the 30A battery cb set during this process.
>
> My question: When I pulled the cb the amp reading, once it came alive, spiked up to 60A. I immediately reset the cb and everything settled back down to its normal readings.
>
> Is this spike normal?
>
> Thanks
>
> Will
===========
pa-List" rel="noreferrer" target="_blank">http://www.matronics.com/Navigator?Europa-List
===========
FORUMS -
eferrer" target="_blank">http://forums.matronics.com
===========
WIKI -
errer" target="_blank">http://wiki.matronics.com
===========
b Site -
     -Matt Dralle, List Admin.
rel="noreferrer" target="_blank">http://www.matronics.com/contribution
===========
|
|
|
| | - The Matronics Europa-List Email Forum - | | | Use the List Feature Navigator to browse the many List utilities available such as the Email Subscriptions page, Archive Search & Download, 7-Day Browse, Chat, FAQ, Photoshare, and much more:
http://www.matronics.com/Navigator?Europa-List |
|
| Description: |
|
| Filesize: |
800.16 KB |
| Viewed: |
5791 Time(s) |

|
|
|
| Back to top |
|
 |
peterz(at)zutrasoft.com Guest
|
Posted: Mon Oct 09, 2017 10:45 am Post subject: Ammeter spike |
|
|
From your diagram, I cannot see any reason for an excessive current spike when the alt switch/breaker is pulled, and the battery is left in the circuit supplying the total load (since the capacitor i referenced is before the alt switch on the alt side). You are correct that you should be able to run off battery with the alt disconnected. What is the voltage on the bus when on battery only? What is the buss voltage and battery current with everything turned on and engine stopped (and alt cct bkr pulled)? You could also try starting and running with the alt disconnected, and monitor/record the current and voltage.
Something seems amiss if you are seeing a 60A current spike when taking the alternator out of the cct. Could it be that you actually have a short somewhere on your buss, and the alternator is working like crazy to satisfy it, partially masking the ammeter reading? Is the alternator actually charging the battery when in the cct and engine running? What is the buss voltage in that condition?
Hth,
Pete
On Oct 9, 2017, at 8:22 AM, William Daniell <wdaniell.longport(at)gmail.com (wdaniell.longport(at)gmail.com)> wrote:
| Quote: | Pete
1. Here is the wiring schematic which is stock Europa.
2. the "slow blow fuzes" in the diagram where replaced with 25A and 30A Circuit breakers respectively
3. The spike occurred when I pulled the ALT circuit breaker while the engine was running. I didn't leave it out for long because I was worried about damage to the system.
4. I did not pull the battery CB at the same time.
So in summary the ALT CB, when pulled, shuts down the ALT feed to the bus.
My understanding was that one needed to be able to power the electrical system from either the battery or the alternator alone in the case an emergency.
Many thanks
Will
<image.png>
William Daniell
LONGPORT
+57 310 295 0744
On Sat, Oct 7, 2017 at 3:16 PM, Pete <peterz(at)zutrasoft.com (peterz(at)zutrasoft.com)> wrote:
| Quote: |
Id need to see your wiring schematic, and understand exactly when this surge occurs....but there will be a surge if the capacitor is in a discharged state, and if there is a switch and shunt between the capacitor and the ducatti dump-regulator output, and this switch is closed after the engine is already running.
On Oct 7, 2017, at 3:17 AM, William Daniell <wdaniell.longport(at)gmail.com (wdaniell.longport(at)gmail.com)> wrote:
| Quote: | Pete
thanks. Is this a problem/potential problem? Or is this a short term event?
Will
William Daniell
LONGPORT
+57 310 295 0744
On Fri, Oct 6, 2017 at 2:31 PM, Pete <peterz(at)zutrasoft.com (peterz(at)zutrasoft.com)> wrote:
| Quote: | --> Europa-List message posted by: Pete <peterz(at)zutrasoft.com (peterz(at)zutrasoft.com)>
Depending upon where the large capacitor is, yes, it could spike like that of it was discharged.
> On Oct 6, 2017, at 11:52 AM, William Daniell <wdaniell.longport(at)gmail.com (wdaniell.longport(at)gmail.com)> wrote:
>
> I have a dynon skyview and the ammeter reads off the shunt per dynon manual. My electrical system is standard europa without deviation and i have a rotax 912
>
> The last time a flew when i started the engine had a red x over the ammeter (ie not working) where it had worked on the previous flight.
>
> I pulled the alt 30A cb which reset the "instrument" and thereafter it read normally. I left the 30A battery cb set during this process.
>
> My question: When I pulled the cb the amp reading, once it came alive, spiked up to 60A. I immediately reset the cb and everything settled back down to its normal readings.
>
> Is this spike normal?
>
> Thanks
>
> Will
===========
pa-List" rel="noreferrer" target="_blank">http://www.matronics.com/Navigator?Europa-List
===========
FORUMS -
eferrer" target="_blank">http://forums.matronics.com
===========
WIKI -
errer" target="_blank">http://wiki.matronics.com
===========
b Site -
-Matt Dralle, List Admin.
rel="noreferrer" target="_blank">http://www.matronics.com/contribution
===========
|
|
|
|
| | - The Matronics Europa-List Email Forum - | | | Use the List Feature Navigator to browse the many List utilities available such as the Email Subscriptions page, Archive Search & Download, 7-Day Browse, Chat, FAQ, Photoshare, and much more:
http://www.matronics.com/Navigator?Europa-List |
|
|
|
| Back to top |
|
 |
wdaniell.longport(at)gmai Guest
|
Posted: Mon Oct 09, 2017 7:16 pm Post subject: Ammeter spike |
|
|
PeteMany thanksStand by.  I am in, of all places, istanbul. On my way back to base tomorrow.
Will perforn checks over the weekend and report back.
Will
On Oct 9, 2017 21:48, "Pete" <peterz(at)zutrasoft.com (peterz(at)zutrasoft.com)> wrote: | Quote: |
From your diagram, I cannot see any reason for an excessive current spike when the alt switch/breaker is pulled, and the battery is left in the circuit supplying the total load (since the capacitor i referenced is before the alt switch on the alt side). You are correct that you should be able to run off battery with the alt disconnected. What is the voltage on the bus when on battery only? What is the buss voltage and battery current with everything turned on and engine stopped (and alt cct bkr pulled)? You could also try starting and running with the alt disconnected, and monitor/record the current and voltage.Â
Something seems amiss if you are seeing a 60A current spike when taking the alternator out of the cct. Could it be that you actually have a short somewhere on your buss, and the alternator is working like crazy to satisfy it, partially masking the ammeter reading? Is the alternator actually charging the battery when in the cct and engine running? What is the buss voltage in that condition?
Hth,
Pete
On Oct 9, 2017, at 8:22 AM, William Daniell <wdaniell.longport(at)gmail.com (wdaniell.longport(at)gmail.com)> wrote:
| Quote: | Pete
1. Here is the wiring schematic which is stock Europa.
2. the "slow blow fuzes" in the diagram where replaced with 25A and 30A Circuit breakers respectively
3. The spike occurred when I pulled the ALT circuit breaker while the engine was running. I didn't leave it out for long because I was worried about damage to the system.
4. I did not pull the battery CB at the same time.
So in summary the ALT CB, when pulled, shuts down the ALT feed to the bus.
My understanding was that one needed to be able to power the electrical system from either the battery or the alternator alone in the case an emergency.
Many thanks
Will
<image.png>
William Daniell
LONGPORT
+57 310 295 0744
On Sat, Oct 7, 2017 at 3:16 PM, Pete <peterz(at)zutrasoft.com (peterz(at)zutrasoft.com)> wrote:
| Quote: |
Id need to see your wiring schematic, and understand exactly when this surge occurs....but there will be a surge if the capacitor is in a discharged state, and if there is a switch and shunt between the capacitor and the ducatti dump-regulator output, and this switch is closed after the engine is already running.
On Oct 7, 2017, at 3:17 AM, William Daniell <wdaniell.longport(at)gmail.com (wdaniell.longport(at)gmail.com)> wrote:
| Quote: | Pete
thanks. Is this a problem/potential problem? Or is this a short term event?Â
Will
William Daniell
LONGPORT
+57 310 295 0744
On Fri, Oct 6, 2017 at 2:31 PM, Pete <peterz(at)zutrasoft.com (peterz(at)zutrasoft.com)> wrote:
| Quote: | --> Europa-List message posted by: Pete <peterz(at)zutrasoft.com (peterz(at)zutrasoft.com)>
Depending upon where the large capacitor is, yes, it could spike like that of it was discharged.
> On Oct 6, 2017, at 11:52 AM, William Daniell <wdaniell.longport(at)gmail.com (wdaniell.longport(at)gmail.com)> wrote:
>
> I have a dynon skyview and the ammeter reads off the shunt per dynon manual. My electrical system is standard europa without deviation and i have a rotax 912
>
> The last time a flew when i started the engine had a red x over the ammeter (ie not working) where it had worked on the previous flight.
>
> I pulled the alt 30A cb which reset the "instrument" and thereafter it read normally. I left the 30A battery cb set during this process.
>
> My question: When I pulled the cb the amp reading, once it came alive, spiked up to 60A. I immediately reset the cb and everything settled back down to its normal readings.
>
> Is this spike normal?
>
> Thanks
>
> Will
===========
pa-List" rel="noreferrer" target="_blank">http://www.matronics.com/Navigator?Europa-List
===========
FORUMS -
eferrer" target="_blank">http://forums.matronics.com
===========
WIKI -
errer" target="_blank">http://wiki.matronics.com
===========
b Site -
     -Matt Dralle, List Admin.
rel="noreferrer" target="_blank">http://www.matronics.com/contribution
===========
|
|
|
|
|
| | - The Matronics Europa-List Email Forum - | | | Use the List Feature Navigator to browse the many List utilities available such as the Email Subscriptions page, Archive Search & Download, 7-Day Browse, Chat, FAQ, Photoshare, and much more:
http://www.matronics.com/Navigator?Europa-List |
|
|
|
| Back to top |
|
 |
wdaniell.longport(at)gmai Guest
|
Posted: Sun Oct 15, 2017 12:35 pm Post subject: Ammeter spike |
|
|
I had the red X over the ammeter this am and i pulled the alt cb to reset it. It spike to 60a and them immediately went bavk to 7a. I aassume that this is an instrument anomaly.
But....I want to check whether everything is behaving normally.
Both in engine running 3000 rpm (normal operation):  8 a 13.8 v
Pull the alt cb:Â indicates 1A, 15.5V and then back to 13.8
Pull the batt cb: no change:Â 8A 13.8v assume everything runs off alternator.
Pull both cb: non dynon instruments go dead...dynon continues to function on back up battery. Indicates 1a 13.9v. I am assumjng the 1a is the dynon back up btty
So to me this seems normal.
1. When you turn off the battery everything runs off the alternator - normal volts and amps.
2. When you turn off the alt the system runs off the batt...i dont understand why the batt should be 1a (the back up batt).  The main batt is an 18 amp hour batt.
Does this sound ok?
Will
| | - The Matronics Europa-List Email Forum - | | | Use the List Feature Navigator to browse the many List utilities available such as the Email Subscriptions page, Archive Search & Download, 7-Day Browse, Chat, FAQ, Photoshare, and much more:
http://www.matronics.com/Navigator?Europa-List |
|
|
|
| Back to top |
|
 |
|
|
You cannot post new topics in this forum You cannot reply to topics in this forum You cannot edit your posts in this forum You cannot delete your posts in this forum You cannot vote in polls in this forum You cannot attach files in this forum You can download files in this forum
|
Powered by phpBB © 2001, 2005 phpBB Group
|