budyerly(at)msn.com Guest
|
Posted: Tue Nov 07, 2017 6:24 am Post subject: Ammeter spike |
|
|
Will,
Your assumptions were right and the standard Rotax, Europa, Bob Knuckles Rotax powered electrical systems are all wired basically the same. The devil is sometimes in the details.
As the Capacitor discharges, it has to dump its charge somewhere. Like many others, I put a grain of wheat incandescent bulb in my alternator warning light circuit. This allows a slow path to ground for the capacitor discharge. (Evident with a slowly dimming alternator light after engine shut down.) Also, the incandescent warning light is required to properly indicate an alternator (stator) output failure in these old style regulator units. Of course, in these type systems, if the regulator fails, you get no warning from the idiot light.
Pulling the CB on the circuit and getting anything but a clean power shutdown may indicate your ammeter to shunt or your Dynon indicating system is not getting a clean break with the CB. If wired per the Europa manual, the Ducati regulator does not get a CB for the control or alternator field (as in an internal regulator) as a standard belt driven alternator would.
Email me off line with how your actual setup is, as I have found Dynon not to always discloses some of their idiosyncrasies with tach, amps, aux power, etc. I have found in many panels, how the alternator to shunt is set up will affect how sudden power changes are read. I am interested as my next project may have a Dynon Skyview, and my research on pro’s and con’s is on going.
Best Regards,
Bud Yerly
Sent from Mail for Windows 10
From: owner-europa-list-server(at)matronics.com <owner-europa-list-server(at)matronics.com> on behalf of William Daniell <wdaniell.longport(at)gmail.com>
Sent: Monday, October 9, 2017 8:22:00 AM
To: europa-list(at)matronics.com
Subject: Re: Ammeter spike
Pete
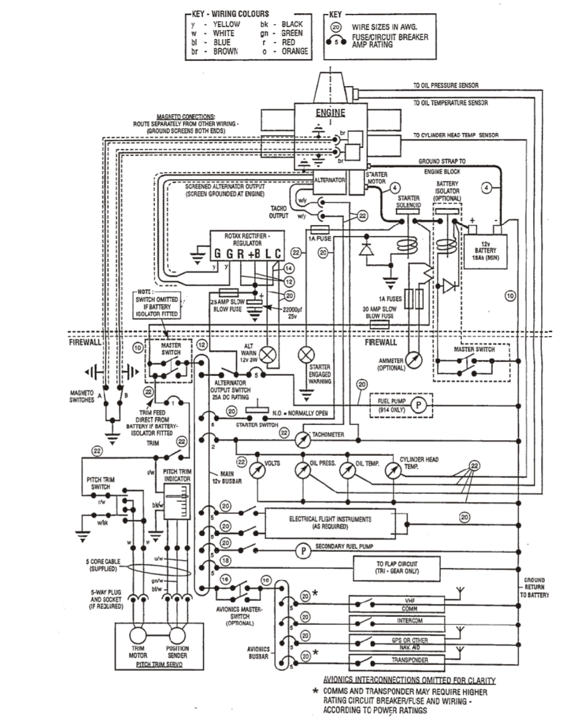
1. Here is the wiring schematic which is stock Europa.
2. the "slow blow fuzes" in the diagram where replaced with 25A and 30A Circuit breakers respectively
3. The spike occurred when I pulled the ALT circuit breaker while the engine was running. I didn't leave it out for long because I was worried about damage to the system.
4. I did not pull the battery CB at the same time.
So in summary the ALT CB, when pulled, shuts down the ALT feed to the bus.
My understanding was that one needed to be able to power the electrical system from either the battery or the alternator alone in the case an emergency.
Many thanks
Will
[img]cid:ii_15f010c55e19a0be[/img]
William Daniell
LONGPORT
+57 310 295 0744
On Sat, Oct 7, 2017 at 3:16 PM, Pete <peterz(at)zutrasoft.com (peterz(at)zutrasoft.com)> wrote:
| Quote: |
Id need to see your wiring schematic, and understand exactly when this surge occurs....but there will be a surge if the capacitor is in a discharged state, and if there is a switch and shunt between the capacitor and the ducatti dump-regulator output, and this switch is closed after the engine is already running.
On Oct 7, 2017, at 3:17 AM, William Daniell <wdaniell.longport(at)gmail.com (wdaniell.longport(at)gmail.com)> wrote:
| Quote: | Pete
thanks. Is this a problem/potential problem? Or is this a short term event?
Will
William Daniell
LONGPORT
+57 310 295 0744
On Fri, Oct 6, 2017 at 2:31 PM, Pete <peterz(at)zutrasoft.com (peterz(at)zutrasoft.com)> wrote:
| Quote: | --> Europa-List message posted by: Pete <peterz(at)zutrasoft.com (peterz(at)zutrasoft.com)>
Depending upon where the large capacitor is, yes, it could spike like that of it was discharged.
> On Oct 6, 2017, at 11:52 AM, William Daniell <wdaniell.longport(at)gmail.com (wdaniell.longport(at)gmail.com)> wrote:
>
> I have a dynon skyview and the ammeter reads off the shunt per dynon manual. My electrical system is standard europa without deviation and i have a rotax 912
>
> The last time a flew when i started the engine had a red x over the ammeter (ie not working) where it had worked on the previous flight.
>
> I pulled the alt 30A cb which reset the "instrument" and thereafter it read normally. I left the 30A battery cb set during this process.
>
> My question: When I pulled the cb the amp reading, once it came alive, spiked up to 60A. I immediately reset the cb and everything settled back down to its normal readings.
>
> Is this spike normal?
>
> Thanks
>
> Will
===========
pa-List" rel="noreferrer" target="_blank">http://www.matronics.com/Navigator?Europa-List
===========
FORUMS -
eferrer" target="_blank">http://forums.matronics.com
===========
WIKI -
errer" target="_blank">http://wiki.matronics.com
===========
b Site -
-Matt Dralle, List Admin.
rel="noreferrer" target="_blank">http://www.matronics.com/contribution
===========
|
|
|
| | - The Matronics Europa-List Email Forum - | | | Use the List Feature Navigator to browse the many List utilities available such as the Email Subscriptions page, Archive Search & Download, 7-Day Browse, Chat, FAQ, Photoshare, and much more:
http://www.matronics.com/Navigator?Europa-List |
|
| Description: |
|
| Filesize: |
800.16 KB |
| Viewed: |
1492 Time(s) |

|
|
|