 |
Matronics Email Lists Web Forum Interface to the Matronics Email Lists
|
| View previous topic :: View next topic |
| Author |
Message |
ventura(at)brandeis.edu Guest
|
Posted: Wed Oct 11, 2017 10:52 am Post subject: Constructing an automatic RCA video camera feed splitter |
|
|
What cameras are you using?
Thanks. --Joel
On Wed, Oct 11, 2017 at 12:05 PM, Airdog77 <Airdog77(at)gmail.com (Airdog77(at)gmail.com)> wrote:
| Quote: | --> AeroElectric-List message posted by: "Airdog77" <Airdog77(at)gmail.com (Airdog77(at)gmail.com)>
Hi Bob, et al.
I recently purchased a GRT EFIS for the Long-EZ that I'm building. The GRT EFIS has an option to connect up a single video feed to it via USB (in this case, my 4-port USB hub). I've tested out some mini-video cameras I picked up off of Amazon that are about the size of a dime, and the picture quality is great for what I want to use them for.
Thanks!
Wade
--------
Airdog
Wade Parton
Building Long-EZ 916WP
www.longezpush.com
Read this topic online here:
http://forums.matronics.com/viewtopic.php?p=473469#473469
====================================
-
Electric-List" rel="noreferrer" target="_blank">http://www.matronics.com/Navigator?AeroElectric-List
====================================
FORUMS -
eferrer" target="_blank">http://forums.matronics.com
====================================
WIKI -
errer" target="_blank">http://wiki.matronics.com
====================================
b Site -
-Matt Dralle, List Admin.
rel="noreferrer" target="_blank">http://www.matronics.com/contribution
====================================
|
| | - The Matronics AeroElectric-List Email Forum - | | | Use the List Feature Navigator to browse the many List utilities available such as the Email Subscriptions page, Archive Search & Download, 7-Day Browse, Chat, FAQ, Photoshare, and much more:
http://www.matronics.com/Navigator?AeroElectric-List |
|
|
|
| Back to top |
|
 |
yellowduckduo(at)gmail.co Guest
|
Posted: Wed Oct 11, 2017 11:12 am Post subject: Constructing an automatic RCA video camera feed splitter |
|
|
I'm curious why you'd consider driving relays instead of a 4 into 1
analog switching chip.
Ken
On 11/10/2017 2:22 PM, Robert L. Nuckolls, III wrote:
| Quote: | >
> Somewhere in the pile on my bench, I have some of the
> development ecbs shown on the linked page.
> You could assemble one with driver transistors
> and build an array of relays to handle video
> switching.
Found one . . .
Emacs!
Bob . . .
|
| | - The Matronics AeroElectric-List Email Forum - | | | Use the List Feature Navigator to browse the many List utilities available such as the Email Subscriptions page, Archive Search & Download, 7-Day Browse, Chat, FAQ, Photoshare, and much more:
http://www.matronics.com/Navigator?AeroElectric-List |
|
|
|
| Back to top |
|
 |
ceengland7(at)gmail.com Guest
|
Posted: Wed Oct 11, 2017 2:33 pm Post subject: Constructing an automatic RCA video camera feed splitter |
|
|
On 10/11/2017 11:05 AM, Airdog77 wrote:
| Quote: |
Hi Bob, et al.
I recently purchased a GRT EFIS for the Long-EZ that I'm building. The GRT EFIS has an option to connect up a single video feed to it via USB (in this case, my 4-port USB hub). I've tested out some mini-video cameras I picked up off of Amazon that are about the size of a dime, and the picture quality is great for what I want to use them for.
As I'm sure many of you know, most canard aircraft have fuel site gages in the back seat area. Look inside these birds parked on the ramp and invariable you'll find a mirror, which is what canard pilots often use to check out their fuel site gages in the back. I figured with such diminutive sizes on these cameras, why not hook one up focused on each site gage, and while I'm at it point a 3rd camera looking aft at the engine from atop the pilot head rest. A 4th camera on the bottom CL looking aft would be round out my initial camera installation.
My issue is that I would like to have a timed cycle display of each of these camera views in a little window on my EFIS (GRT has taken care of the EFIS display part), say 3-5 seconds per camera. However, every RCA jack 4-into-1 video channel selector I have found --while cheap-- are bulky plastic housing a large mechanical switch to select the video channel.... mainly used by video gamers. I talked with GRT and any machinations going on with the video feed is fine, as long as only one physical RCA video jack is presented to their USB video input device.
I would like to construct a 4x (or more) channel IN and 1x RCA jack channel out device that is small, and automatically cycles through each camera view, again for 3-5 seconds. Adjustable viewing times would be good, and maybe a manual pause or cycle button would be good as well.
Does anybody know of a device like this that exists? Would the circuitry for something like this be too complicated? Finally, is there any detriment to swapping out the thicker RCA cabling with 24 AWG shielded wire?
Thanks!
Wade
--------
Airdog
Wade Parton
Building Long-EZ 916WP
www.longezpush.com
There was an article on a diy 8 channel video/audio using a bank of
|
solid state switches about 30 years ago in, if memory serves, Byte
Magazine. Much easier to buy off the rack these days.
How about
http://www.ebay.com/itm/4-CH-Channel-DVR-CCTV-Quad-Video-Camera-Processor-System-Kit-Splitter-Switcher-/391156611012?epid=1839817989&hash=item5b12c037c4:g:Op4AAOxyuR5TbcoS
or
http://www.ebay.com/itm/4-Channel-Automatic-Video-Switcher-for-Automotive-Cars-/172847332805?hash=item283e80fdc5:g:UW8AAOSwmhJZqR5f
or, ask GRT why this won't work
http://www.ebay.com/itm/4-Channel-BNC-RCA-To-USB-Converter-DVR-Adapter-Camera-Video-Switcher-/191162842864?hash=item2c82317ef0:g:D3MAAOSwstxVJd7K
---
This email has been checked for viruses by Avast antivirus software.
https://www.avast.com/antivirus
| | - The Matronics AeroElectric-List Email Forum - | | | Use the List Feature Navigator to browse the many List utilities available such as the Email Subscriptions page, Archive Search & Download, 7-Day Browse, Chat, FAQ, Photoshare, and much more:
http://www.matronics.com/Navigator?AeroElectric-List |
|
|
|
| Back to top |
|
 |
yellowduckduo(at)gmail.co Guest
|
Posted: Wed Oct 11, 2017 2:35 pm Post subject: Constructing an automatic RCA video camera feed splitter |
|
|
Thanks for the explanation.
I've never played with USB video but I think the D+ and D- USB signals
are both normally only positive with respect to the power ground and
that the signal information is differential between those pins. Makes me
wonder if dual pole relays would be needed.
Ken
On 11/10/2017 5:28 PM, Robert L. Nuckolls, III wrote:
| Quote: | At 02:10 PM 10/11/2017, you wrote:
>
>
> I'm curious why you'd consider driving relays instead of a 4 into 1
> analog switching chip.
If I were laying out a board and doing it myself,
that's the first approach to be considered. Haven't
played video lately so I'm unsure what the constraints
might be for solid-state switching. Some applications
and switch choices called for +/- power supplies
which complicates the circuitry.
The next choice to consider would be taking the barefoot
chip and using digital outputs to drive low current
form A relays directly. This would let us craft the
1:4 sequential switcher with a grand total of 11
parts and no concerns for DC levels on the video
lines.
The approach being offered is the short-path, minimum
risk to success for a neophyte builder using junkbox
parts.
Bob . . .
|
| | - The Matronics AeroElectric-List Email Forum - | | | Use the List Feature Navigator to browse the many List utilities available such as the Email Subscriptions page, Archive Search & Download, 7-Day Browse, Chat, FAQ, Photoshare, and much more:
http://www.matronics.com/Navigator?AeroElectric-List |
|
|
|
| Back to top |
|
 |
ceengland7(at)gmail.com Guest
|
Posted: Wed Oct 11, 2017 3:49 pm Post subject: Constructing an automatic RCA video camera feed splitter |
|
|
On 10/11/2017 6:10 PM, Robert L. Nuckolls, III wrote:
| Quote: | | Quote: | There was an article on a diy 8 channel video/audio using a bank of solid state switches about 30 years ago in, if memory serves, Byte Magazine. Much easier to buy off the rack these days.
How about |
<snip>
These appear to be capable video switches. We'd
still need to integrate some form of sequential switching
timer . . .
Bob . . . | Don't remember if any of those links I sent include sequential switching, but I saw at least one on ebay that did include that in its functionality. Price point was in the same ~$50 range.
Virus-free. www.avast.com [url=#DAB4FAD8-2DD7-40BB-A1B8-4E2AA1F9FDF2] [/url]
| | - The Matronics AeroElectric-List Email Forum - | | | Use the List Feature Navigator to browse the many List utilities available such as the Email Subscriptions page, Archive Search & Download, 7-Day Browse, Chat, FAQ, Photoshare, and much more:
http://www.matronics.com/Navigator?AeroElectric-List |
|
|
|
| Back to top |
|
 |
csmale(at)bak.rr.com Guest
|
Posted: Wed Oct 11, 2017 4:04 pm Post subject: Constructing an automatic RCA video camera feed splitter |
|
|
On 10/11/17 09:05, Airdog77 wrote:
| Quote: |
Hi Bob, et al.
I recently purchased a GRT EFIS for the Long-EZ that I'm building. The GRT EFIS has an option to connect up a single video feed to it via USB (in this case, my 4-port USB hub). I've tested out some mini-video cameras I picked up off of Amazon that are about the size of a dime, and the picture quality is great for what I want to use them for.
As I'm sure many of you know, most canard aircraft have fuel site gages in the back seat area. Look inside these birds parked on the ramp and invariable you'll find a mirror, which is what canard pilots often use to check out their fuel site gages in the back. I figured with such diminutive sizes on these cameras, why not hook one up focused on each site gage, and while I'm at it point a 3rd camera looking aft at the engine from atop the pilot head rest. A 4th camera on the bottom CL looking aft would be round out my initial camera installation.
My issue is that I would like to have a timed cycle display of each of these camera views in a little window on my EFIS (GRT has taken care of the EFIS display part), say 3-5 seconds per camera. However, every RCA jack 4-into-1 video channel selector I have found --while cheap-- are bulky plastic housing a large mechanical switch to select the video channel.... mainly used by video gamers. I talked with GRT and any machinations going on with the video feed is fine, as long as only one physical RCA video jack is presented to their USB video input device.
I would like to construct a 4x (or more) channel IN and 1x RCA jack channel out device that is small, and automatically cycles through each camera view, again for 3-5 seconds. Adjustable viewing times would be good, and maybe a manual pause or cycle button would be good as well.
Does anybody know of a device like this that exists? Would the circuitry for something like this be too complicated? Finally, is there any detriment to swapping out the thicker RCA cabling with 24 AWG shielded wire?
Thanks!
Wade
--------
Airdog
Wade Parton
Building Long-EZ 916WP
www.longezpush.com
Read this topic online here:
http://forums.matronics.com/viewtopic.php?p=473469#473469
If you have some computer skill or know someone who has, the raspberry
|
pi can do what you want.
csmale(at)bak.rr.com
| | - The Matronics AeroElectric-List Email Forum - | | | Use the List Feature Navigator to browse the many List utilities available such as the Email Subscriptions page, Archive Search & Download, 7-Day Browse, Chat, FAQ, Photoshare, and much more:
http://www.matronics.com/Navigator?AeroElectric-List |
|
|
|
| Back to top |
|
 |
Airdog77
Joined: 24 Nov 2013 Posts: 80 Location: Northern Virginia
|
Posted: Thu Oct 12, 2017 12:03 am Post subject: Re: Constructing an automatic RCA video camera feed splitte |
|
|
Sorry for my delayed response back. Again, didn't get any of the normal email notifications that responses were being made to my question... thanks all!
The camera I'm using is a cheap 1/4" 600TVL from Amazon... the two I bought are no longer being sold, but this is close: https://tinyurl.com/yckqk3dh
Yes, I'm looking at video RCA jack OUT feed that will then go into box that hooks to USB. So I don't need to mess with anything USB as far as video is concerned.
I need to dig into all this info to figure out a way ahead.
Bob, how would I go about getting boards like the one you posted pics of?
Regards,
Wade
| | - The Matronics AeroElectric-List Email Forum - | | | Use the List Feature Navigator to browse the many List utilities available such as the Email Subscriptions page, Archive Search & Download, 7-Day Browse, Chat, FAQ, Photoshare, and much more:
http://www.matronics.com/Navigator?AeroElectric-List |
|
_________________ Airdog
Wade Parton
Building Long-EZ N916WP
www.longezpush.com |
|
| Back to top |
|
 |
ceengland7(at)gmail.com Guest
|
Posted: Thu Oct 12, 2017 10:19 am Post subject: Constructing an automatic RCA video camera feed splitter |
|
|
On 10/12/2017 11:30 AM, Airdog77 wrote:
| Quote: |
Hey Jim,
Definitely! It really is a neat little feature.
Be advised that the optional module & software to link into your EFIS runs $150 from GRT.
Cheers,
Wade
Or, there's plan B: a $10 USB camera & a $15 android cell phone.
|
---
This email has been checked for viruses by Avast antivirus software.
https://www.avast.com/antivirus
| | - The Matronics AeroElectric-List Email Forum - | | | Use the List Feature Navigator to browse the many List utilities available such as the Email Subscriptions page, Archive Search & Download, 7-Day Browse, Chat, FAQ, Photoshare, and much more:
http://www.matronics.com/Navigator?AeroElectric-List |
|
|
|
| Back to top |
|
 |
Eric Page
Joined: 15 Feb 2017 Posts: 272
|
Posted: Fri Oct 13, 2017 8:28 pm Post subject: Re: Constructing an automatic RCA video camera feed splitte |
|
|
I know Wade's specific request for camera switching has been solved, but it sounded like the sort of thing that might come up again so I thought I'd take a stab at it.
So... here's an alternative for switching cameras to a monitor or EFIS input using a couple of voltage regulators and three ICs. All components are through-hole. Everything on a single PCB, and no relays.
Reference the attached schematic:
An LM2931 5V linear regulator and a TC7660 charge pump provide +/-5V rails to power the circuit. A 555 timer is configured in astable mode to provide an output with adjustable period of about 3 to 10 seconds. This output is fed to the clock input of a CD4022B octal counter. The clock signal can be interrupted by a SP3T ON-ON-(ON) switch to stop rotation of the cameras or advance them manually. Outputs 1-3 of the counter are connected to the logic inputs of an AD8184 4:1 video multiplexer such that they cause the multiplexer to cycle through its four video inputs, connecting each in turn to the output. RCA connectors provide four camera inputs and one video output.
LM2931AZ 5V Linear Regulator: http://preview.tinyurl.com/yakjxubl
TC7660CPA Inverting Charge Pump: http://preview.tinyurl.com/y7n7g6um
ICM7555IPAZ CMOS Timer: http://preview.tinyurl.com/ybrvnnq2
CD4022BE Octal Counter: http://preview.tinyurl.com/ycjsa46w
AD8184ANZ 4:1 Video Multiplexer: http://preview.tinyurl.com/ybozz2nf
SP3T Toggle Switch: http://preview.tinyurl.com/ybpazcu5
Critiques? Suggestions?
If there's any interest, I can gin up a PCB.
Eric
| | - The Matronics AeroElectric-List Email Forum - | | | Use the List Feature Navigator to browse the many List utilities available such as the Email Subscriptions page, Archive Search & Download, 7-Day Browse, Chat, FAQ, Photoshare, and much more:
http://www.matronics.com/Navigator?AeroElectric-List |
|
| Description: |
|
 Download |
| Filename: |
4-Ch Vid Cam Mux (Rev A).pdf |
| Filesize: |
45.43 KB |
| Downloaded: |
863 Time(s) |
|
|
| Back to top |
|
 |
paulf(at)hughes.net Guest
|
Posted: Sat Oct 14, 2017 10:55 am Post subject: Constructing an automatic RCA video camera feed splitter |
|
|
Since my name was mentioned, I'll weigh in. I'll be happy to modify the
program Bob mentioned for this function, or more likely, just write a
new one using elements of the one Bob mentioned.
If I understand the AD8184 data sheet, we need to feed A0 and A1 one of
four states - 00, 01, 10, and 11. That's pretty easy to do with just
two pins. If we used the PIC12F683 (mostly because I'm familiar with
it!!), we could do this:
Pin 1 - Vdd
Pin 2 - High order bit to AD8184 (connect to A1)
Pin 3 - Low order bit to AD8184 (connect to A0)
Pin 4 - not used
Pin 5 - Run/Hold switch (pull low to hold)
Pin 6 - Step switch (pull low to immediately switch to the next input)
Pin 7 - Analog voltage (0-5V) to control the speed of switching in Run mode
Pin 8 - Vss
I think you could use the same switch (on-on-(on)) to ground pin 4 in
position 2, and ground pin 6 in the momentary position. Analog voltage
on pin 7 is similar to what you have on the proposed schematic.
Is this what we are looking for? I'll let you and Bob decide on the
hardware components necessary to make it all work, but the PIC software
sounds pretty straight forward.
Paul Fisher
On 10/14/2017 8:00 AM, Eric Page wrote:
| Quote: |
Eliminating the 16-DIP-packaged counter and most of the passives sounds fine to me. It will certainly shrink the PCB. If you can give me a pin-out for the uC you propose using, I’ll amend the schematic. I’ll need to know pin numbers for Vcc, Gnd, two outputs to the mux, how we’ll read user input for run/hold and rate, and if an ICSP header is needed. I’m guessing you propose the same (PIC12F683?) used for the recent prop current limiter...
The AD8184 multiplexer has just one output, so I didn’t figure a termination resistor was necessary. The connectors shown actually are RCA jacks, despite the CAD symbol looking like a headphone...
http://preview.tinyurl.com/ycpmbhj5
They connect the AD8184 inputs to ground with an internal switch contact if no RCA is plugged in.
Eric
Read this topic online here:
http://forums.matronics.com/viewtopic.php?p=473527#473527
|
| | - The Matronics AeroElectric-List Email Forum - | | | Use the List Feature Navigator to browse the many List utilities available such as the Email Subscriptions page, Archive Search & Download, 7-Day Browse, Chat, FAQ, Photoshare, and much more:
http://www.matronics.com/Navigator?AeroElectric-List |
|
|
|
| Back to top |
|
 |
alec(at)alecmyers.com Guest
|
Posted: Sat Oct 14, 2017 8:26 pm Post subject: Constructing an automatic RCA video camera feed splitter |
|
|
Random thoughts from someone with 15 years experience designing and programming PIC projects:
| Quote: | - It would make the project considerably less accessible to many builders. Anyone without a hardware programmer and the Microchip IDE software will either have to get them, then find the code to download and learn how to program the PIC, or buy a PIC with the code already loaded.
|
| Quote: | Can anyone deliver a programmed PIC for $3 and make it worth their trouble?
|
Yep. Arizona Microchip themselves, will. Upload the code, and they’ll send you programmed parts direct from their factory in Thailand.
If you’re going to the trouble of ordering a custom PCB, then a custom PIC really isn’t much extra bother.
| Quote: | - Software updates will require removing the unit from service, removing the PIC to send for reprogramming, or buying a new PIC to replace it.
|
It’s 2017. Never socket a PIC. Solder it to the PCB for reliability and use the ICSP header to program and reprogram, until you have the software right. If you goof and let out the magic smoke throw away the $1 PCB and $0.40 PIC and grab another one. Use a SMT part to save the cost of drilling the PCB. They’re not *that* hard to solder. In fact if you design it right you don’t need a drilled PCB at all.
| Quote: | - A PIC won't simplify the user interface. We still need a switch for the run/hold/step function and a knob to adjust scan rate. Perhaps a system using buttons or a rotary encoder could be devised, but it would probably be less intuitive than the switch and knob.
|
A one-button user interface is trivial with a PIC: press to advance to the next camera, press-and-hold to resume scanning. If you want to get fancy, double-press, double-press-and-hold are all available, for fast scan, slow scan, whatever else you want. Once you paid for the PIC you might as well load the code up with features. It doesn’t cost any extra. If Paul doesn’t want the challenge I’ll write it for you.
On the subject of adjusting the scanning speed: use the extra pins of whatever PIC you choose for selecting a scan rate. Get rid of extra resistors and other unnecessary components!
| Quote: | On Oct 14, 2017, at 8:32 PM, Eric Page <edpav8r(at)yahoo.com> wrote:
nuckolls.bob(at)aeroelect wrote:
> I propose we make this another open source program like the wig-wag was . . . I'll be pleased to set up a folder to host all the work product.
Great. I kinda figured we were doing an open-source effort. With that in mind, I had a good think about this while slogging for six hours against 145-knot headwinds this morning...
I think there are a few issues that argue against changing to a PIC microcontroller in this project. Wade alluded to the first one in his post this morning (which, along with one other from Clayton, has disappeared from the server) when he joked about the details being over his head:
- It would make the project considerably less accessible to many builders. Anyone without a hardware programmer and the Microchip IDE software will either have to get them, then find the code to download and learn how to program the PIC, or buy a PIC with the code already loaded. On the other hand, anyone pretty much anywhere with a soldering iron and minimal skill can put my design together for as long as its jellybean components are available.
- Software updates will require removing the unit from service, removing the PIC to send for reprogramming, or buying a new PIC to replace it.
- A PIC won't simplify the user interface. We still need a switch for the run/hold/step function and a knob to adjust scan rate. Perhaps a system using buttons or a rotary encoder could be devised, but it would probably be less intuitive than the switch and knob.
- If a PIC could replace the $7 video multiplexer chip, you could make a good case for lowering cost, but we're talking about replacing a couple of 50 to 80-cent jellybeans and a few passives that are tens of cents each -- about $3 total. Can anyone deliver a programmed PIC for $3 and make it worth their trouble?
- The size of the PCB is going to be driven largely by the five RCA jacks, so deleting a 16-DIP and a few passives probably won't shrink the board appreciably.
I think this is a case where a microcontroller may be overkill, given that suitable cheap ICs are readily available. Given the simplicity of the problem, wouldn't it make more sense to keep the solution simple?
Thoughts?
Eric
Read this topic online here:
http://forums.matronics.com/viewtopic.php?p=473555#473555
|
| | - The Matronics AeroElectric-List Email Forum - | | | Use the List Feature Navigator to browse the many List utilities available such as the Email Subscriptions page, Archive Search & Download, 7-Day Browse, Chat, FAQ, Photoshare, and much more:
http://www.matronics.com/Navigator?AeroElectric-List |
|
|
|
| Back to top |
|
 |
alec(at)alecmyers.com Guest
|
Posted: Sat Oct 14, 2017 8:47 pm Post subject: Constructing an automatic RCA video camera feed splitter |
|
|
If you use a PIC, you could (trivially) do the following:
Hold the button down for ten seconds to enter programming mode. Press the button briefly x times to set the scan period at x seconds. Press the button for two seconds to exit programming mode.
No need for resistors at all.
| Quote: | On Oct 14, 2017, at 8:38 PM, Eric Page <edpav8r(at)yahoo.com> wrote:
Wade,
Question: do you want to be able to adjust the scan rate as a matter of routine operation (i.e. with a panel-mounted knob), or do you envision setting the rate where you like it at installation, and leaving it alone?
The answer will dictate whether we put a small trimmer potentiometer on the circuit board or design for a larger panel-mounted potentiometer and knob.
Eric
Read this topic online here:
http://forums.matronics.com/viewtopic.php?p=473556#473556
|
| | - The Matronics AeroElectric-List Email Forum - | | | Use the List Feature Navigator to browse the many List utilities available such as the Email Subscriptions page, Archive Search & Download, 7-Day Browse, Chat, FAQ, Photoshare, and much more:
http://www.matronics.com/Navigator?AeroElectric-List |
|
|
|
| Back to top |
|
 |
alec(at)alecmyers.com Guest
|
Posted: Sun Oct 15, 2017 4:19 am Post subject: Constructing an automatic RCA video camera feed splitter |
|
|
Another possible “gotcha”:
The AD8184 doesn’t do any kind of video buffering, and the various video sources are not frame-locked. (In this scenario there is no 60Hz ac for the camera to sync to). So what the effect of switching sources will be is uncertain. Depending on the video display it could be anything from an unnoticeable half frame glitch to several seconds of rolling display before it locks into the new frame source.
It’s definitely worth experimenting before settling on the final parts list.
On Oct 15, 2017, at 00:43, Alec Myers <alec(at)alecmyers.com> wrote:
If you use a PIC, you could (trivially) do the following:
Hold the button down for ten seconds to enter programming mode. Press the button briefly x times to set the scan period at x seconds. Press the button for two seconds to exit programming mode.
No need for resistors at all.
| Quote: | On Oct 14, 2017, at 8:38 PM, Eric Page <edpav8r(at)yahoo.com> wrote:
Wade,
Question: do you want to be able to adjust the scan rate as a matter of routine operation (i.e. with a panel-mounted knob), or do you envision setting the rate where you like it at installation, and leaving it alone?
The answer will dictate whether we put a small trimmer potentiometer on the circuit board or design for a larger panel-mounted potentiometer and knob.
Eric
Read this topic online here:
http://forums.matronics.com/viewtopic.php?p=473556#473556
|
| | - The Matronics AeroElectric-List Email Forum - | | | Use the List Feature Navigator to browse the many List utilities available such as the Email Subscriptions page, Archive Search & Download, 7-Day Browse, Chat, FAQ, Photoshare, and much more:
http://www.matronics.com/Navigator?AeroElectric-List |
|
|
|
| Back to top |
|
 |
ceengland7(at)gmail.com Guest
|
Posted: Sun Oct 15, 2017 4:31 am Post subject: Constructing an automatic RCA video camera feed splitter |
|
|
That stuff is cool as far as programming tricks go, but who will be able to use the hardware except the original designer? I, and everyone else on this list, have owned dozens of electronic gadgets over the years that are absolutely impossible to set up and use without the English-as-a-second-language printed manual that you can't find after the 1st month of ownership. I have to use google on my desktop to explore how to get my phone apps to work like I want.
Just something to consider, when designing for general use instead specifically trained fighter pilots or astronauts.
On Sat, Oct 14, 2017 at 11:43 PM, Alec Myers <alec(at)alecmyers.com (alec(at)alecmyers.com)> wrote:
| Quote: | --> AeroElectric-List message posted by: Alec Myers <alec(at)alecmyers.com (alec(at)alecmyers.com)>
If you use a PIC, you could (trivially) do the following:
Hold the button down for ten seconds to enter programming mode. Press the button briefly x times to set the scan period at x seconds. Press the button for two seconds to exit programming mode.
No need for resistors at all.
> On Oct 14, 2017, at 8:38 PM, Eric Page <edpav8r(at)yahoo.com (edpav8r(at)yahoo.com)> wrote:
>
> --> AeroElectric-List message posted by: "Eric Page" <edpav8r(at)yahoo.com (edpav8r(at)yahoo.com)>
>
> Wade,
>
> Question: do you want to be able to adjust the scan rate as a matter of routine operation (i.e. with a panel-mounted knob), or do you envision setting the rate where you like it at installation, and leaving it alone?
>
> The answer will dictate whether we put a small trimmer potentiometer on the circuit board or design for a larger panel-mounted potentiometer and knob.
>
> Eric
>
|
Virus-free. www.avast.com [url=#DAB4FAD8-2DD7-40BB-A1B8-4E2AA1F9FDF2][/url]
| | - The Matronics AeroElectric-List Email Forum - | | | Use the List Feature Navigator to browse the many List utilities available such as the Email Subscriptions page, Archive Search & Download, 7-Day Browse, Chat, FAQ, Photoshare, and much more:
http://www.matronics.com/Navigator?AeroElectric-List |
|
|
|
| Back to top |
|
 |
alec(at)alecmyers.com Guest
|
Posted: Sun Oct 15, 2017 4:42 am Post subject: Constructing an automatic RCA video camera feed splitter |
|
|
Yes, you do have to make it usable.
But “push to advance, push-and-hold to cycle” is fairly straightforward. (If that’s too complex, do you really want to fly with this person?!)
When it comes to changing the cycle period I’m confident that a one-button interface can be very straightforward for that too. Certainly easier than opening the panel to adjust a twiddle pot, or getting out a soldering iron. A panel pot is simplest, but do you really want to drill your panel for a control you’re going to set on day one and then forget about?
So, it’s not about tricks. It’s about tucking away seldom used functions but still having them at your finger tips.
On Oct 15, 2017, at 08:30, Charlie England <ceengland7(at)gmail.com> wrote:
That stuff is cool as far as programming tricks go, but who will be able to use the hardware except the original designer? I, and everyone else on this list, have owned dozens of electronic gadgets over the years that are absolutely impossible to set up and use without the English-as-a-second-language printed manual that you can't find after the 1st month of ownership. I have to use google on my desktop to explore how to get my phone apps to work like I want.
Just something to consider, when designing for general use instead specifically trained fighter pilots or astronauts.
[quote] On Sat, Oct 14, 2017 at 11:43 PM, Alec Myers <alec(at)alecmyers.com> wrote:
If you use a PIC, you could (trivially) do the following:
Hold the button down for ten seconds to enter programming mode. Press the button briefly x times to set the scan period at x seconds. Press the button for two seconds to exit programming mode.
No need for resistors at all.
> On Oct 14, 2017, at 8:38 PM, Eric Page <edpav8r(at)yahoo.com> wrote:
>
>
>
> Wade,
>
> Question: do you want to be able to adjust the scan rate as a matter of routine operation (i.e. with a panel-mounted knob), or do you envision setting the rate where you like it at installation, and leaving it alone?
>
> The answer will dictate whether we put a small trimmer potentiometer on the circuit board or design for a larger panel-mounted potentiometer and knob
| | - The Matronics AeroElectric-List Email Forum - | | | Use the List Feature Navigator to browse the many List utilities available such as the Email Subscriptions page, Archive Search & Download, 7-Day Browse, Chat, FAQ, Photoshare, and much more:
http://www.matronics.com/Navigator?AeroElectric-List |
|
|
|
| Back to top |
|
 |
ceengland7(at)gmail.com Guest
|
Posted: Sun Oct 15, 2017 7:51 am Post subject: Constructing an automatic RCA video camera feed splitter |
|
|
Bob,
My comment was about 'buttonology'; not building. I've got a little clock that's RF linked to Federal time broadcasts. It's totally impossible to use any of the elaborate built-in functions with out the manual, because it has two or three unmarked buttons, and to access the various functions, you need to know the "combination". No one can use the thing without the book in front of them. Same thing for most kilo-function watches, etc. Even my old Icom A-4 handheld comm is like that. I seldom use it, so even though I've owned it for over 20 years, I still don't know how to program frequencies into it. If it had a keypad, anyone could pick it up and enter '122.75', or '125.25', etc. But since it doesn't, the unwashed can only hold the up or down button until they see the freq they want. For me, a perfect example of something simplified to the point of un-usability.
Charlie
Virus-free. www.avast.com [url=#DAB4FAD8-2DD7-40BB-A1B8-4E2AA1F9FDF2][/url]
On Sun, Oct 15, 2017 at 10:22 AM, Robert L. Nuckolls, III <nuckolls.bob(at)aeroelectric.com (nuckolls.bob(at)aeroelectric.com)> wrote:
| Quote: | At 07:30 AM 10/15/2017, you wrote:
| Quote: | | That stuff is cool as far as programming tricks go, but who will be able to use the hardware except the original designer? I, and everyone else on this list, have owned dozens of electronic gadgets over the years that are absolutely impossible to set up and use without the English-as-a-second-language printed manual that you can't find after the 1st month of ownership. I have to use google on my desktop to explore how to get my phone apps to work like I want. |
This is amongst the simplest PIC applications we'll
ever encounter . . . once the first installation
has combed out the nits . . . it seems unlikely
that there would be many if any software upgrades.
Another consideration is flexibility. Suppose the
prospective end user wants only two cameras . . . or
three? Different software . . . or strapped selection
on the ECB?
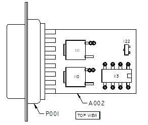
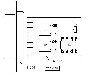
Then there's a matter of packaging. One can easily
spend more time putting a gizmo in a box and installing
it than it took to build the gizmo. Certainly, packaging
issues are a major component of a development project.
A possibility for this project is to package in a
D-sub housing. The enclosure is an off-the-shelf, inexpensive
product that simply snaps onto the final assembly.
An ECB can be soldered directly into the gap between
rows of solder-cups on a dsub.
[img]cid:.0[/img]
and dropped into a plastic housing that simply
snaps together. A product housed in a 15 pin
back shell has these dimensions.
[img]cid:.1[/img]
This project can probably be fitted into a
25 pin back shell. I perceive no particular
advantage in taking power and signals on/off
the board on RCA jacks . . . shielded
wires are just as easily dropped onto d-sub
pins. RCA plugs are not the most installer
friendly connectors.
With the extra pins, the user could intall
jumpers on the connector to select 2, 3 or 4
cameras. Other jumpers might select 3, 4 or
5 seconds per step . . . etc.
Then there's consideration for the constellation
of end users. How many would even be willing,
much less able to successfully assemble the
thing? Companies I've worked for have often
been very protective of details for how their
product was put together . . . worries about
people wanting to build it themselves. I've
observed that the $cost$ to built one-off
exceeds the selling price from a manufacturer
who is set up to build in volume while working
wayyyyyyy down on the learning curve.
It seems likely that the best way to bring
this project into the marketplace is to have
it productionized after the initial development
work is completed.
Even if supported by availability of bare
ecbs and programmed chips, it doesn't seem
like many of these things would be built.
Bob . . .
|
| | - The Matronics AeroElectric-List Email Forum - | | | Use the List Feature Navigator to browse the many List utilities available such as the Email Subscriptions page, Archive Search & Download, 7-Day Browse, Chat, FAQ, Photoshare, and much more:
http://www.matronics.com/Navigator?AeroElectric-List |
|
| Description: |
|
| Filesize: |
90.72 KB |
| Viewed: |
26495 Time(s) |

|
| Description: |
|
| Filesize: |
26.36 KB |
| Viewed: |
26495 Time(s) |

|
|
|
| Back to top |
|
 |
wtmills
Joined: 05 Feb 2007 Posts: 32
|
Posted: Sun Oct 15, 2017 9:28 am Post subject: Constructing an automatic RCA video camera feed splitter |
|
|
Ditto Charlie!
do not archive
On Sun, Oct 15, 2017 at 8:50 AM, Charlie England <ceengland7(at)gmail.com (ceengland7(at)gmail.com)> wrote:
| Quote: | Bob,
My comment was about 'buttonology'; not building. I've got a little clock that's RF linked to Federal time broadcasts. It's totally impossible to use any of the elaborate built-in functions with out the manual, because it has two or three unmarked buttons, and to access the various functions, you need to know the "combination". No one can use the thing without the book in front of them. Same thing for most kilo-function watches, etc. Even my old Icom A-4 handheld comm is like that. I seldom use it, so even though I've owned it for over 20 years, I still don't know how to program frequencies into it. If it had a keypad, anyone could pick it up and enter '122.75', or '125.25', etc. But since it doesn't, the unwashed can only hold the up or down button until they see the freq they want. For me, a perfect example of something simplified to the point of un-usability.
Charlie
Virus-free. www.avast.com [url=#m_3036080108603840177_DAB4FAD8-2DD7-40BB-A1B8-4E2AA1F9FDF2][/url]
On Sun, Oct 15, 2017 at 10:22 AM, Robert L. Nuckolls, III <nuckolls.bob(at)aeroelectric.com (nuckolls.bob(at)aeroelectric.com)> wrote:
| Quote: | At 07:30 AM 10/15/2017, you wrote:
| Quote: | | That stuff is cool as far as programming tricks go, but who will be able to use the hardware except the original designer? I, and everyone else on this list, have owned dozens of electronic gadgets over the years that are absolutely impossible to set up and use without the English-as-a-second-language printed manual that you can't find after the 1st month of ownership. I have to use google on my desktop to explore how to get my phone apps to work like I want. |
This is amongst the simplest PIC applications we'll
ever encounter . . . once the first installation
has combed out the nits . . . it seems unlikely
that there would be many if any software upgrades.
Another consideration is flexibility. Suppose the
prospective end user wants only two cameras . . . or
three? Different software . . . or strapped selection
on the ECB?
Then there's a matter of packaging. One can easily
spend more time putting a gizmo in a box and installing
it than it took to build the gizmo. Certainly, packaging
issues are a major component of a development project.
A possibility for this project is to package in a
D-sub housing. The enclosure is an off-the-shelf, inexpensive
product that simply snaps onto the final assembly.
An ECB can be soldered directly into the gap between
rows of solder-cups on a dsub.
[img]cid:.0[/img]
and dropped into a plastic housing that simply
snaps together. A product housed in a 15 pin
back shell has these dimensions.
[img]cid:.1[/img]
This project can probably be fitted into a
25 pin back shell. I perceive no particular
advantage in taking power and signals on/off
the board on RCA jacks . . . shielded
wires are just as easily dropped onto d-sub
pins. RCA plugs are not the most installer
friendly connectors.
With the extra pins, the user could intall
jumpers on the connector to select 2, 3 or 4
cameras. Other jumpers might select 3, 4 or
5 seconds per step . . . etc.
Then there's consideration for the constellation
of end users. How many would even be willing,
much less able to successfully assemble the
thing? Companies I've worked for have often
been very protective of details for how their
product was put together . . . worries about
people wanting to build it themselves. I've
observed that the $cost$ to built one-off
exceeds the selling price from a manufacturer
who is set up to build in volume while working
wayyyyyyy down on the learning curve.
It seems likely that the best way to bring
this project into the marketplace is to have
it productionized after the initial development
work is completed.
Even if supported by availability of bare
ecbs and programmed chips, it doesn't seem
like many of these things would be built.
Bob . . .
|
|
| | - The Matronics AeroElectric-List Email Forum - | | | Use the List Feature Navigator to browse the many List utilities available such as the Email Subscriptions page, Archive Search & Download, 7-Day Browse, Chat, FAQ, Photoshare, and much more:
http://www.matronics.com/Navigator?AeroElectric-List |
|
| Description: |
|
| Filesize: |
26.36 KB |
| Viewed: |
26502 Time(s) |

|
| Description: |
|
| Filesize: |
90.72 KB |
| Viewed: |
26502 Time(s) |

|
|
|
| Back to top |
|
 |
paulf(at)hughes.net Guest
|
Posted: Sun Oct 15, 2017 12:06 pm Post subject: Constructing an automatic RCA video camera feed splitter |
|
|
Eric,
This project was your suggestion, so I'll bow to whatever you want to
do. PIC, no PIC, one switch, two switches - whatever you like! I don't
believe I have a need for this device, so my opinion on the user
interface is irrelevant.
Just for my own "education and recreation", I wrote and tested the PIC
software I described (for a single on-on-(on) switch). It's very
simple, but does what I think you asked. You are welcome to the code if
you are interested.
Alec seems to have a lot more experience that I do, so since he
volunteered, we should let him contribute if you want to go the PIC
route. Either way, it was a fun Sunday afternoon project... especially
since the weather isn't that conducive to flying!
Please let me know if I can be of service. Otherwise, I'll go back into
lurker mode.
Paul Fisher
On 10/14/2017 7:32 PM, Eric Page wrote:
| Quote: |
nuckolls.bob(at)aeroelect wrote:
> I propose we make this another open source program like the wig-wag was . . . I'll be pleased to set up a folder to host all the work product.
Great. I kinda figured we were doing an open-source effort. With that in mind, I had a good think about this while slogging for six hours against 145-knot headwinds this morning...
I think there are a few issues that argue against changing to a PIC microcontroller in this project. Wade alluded to the first one in his post this morning (which, along with one other from Clayton, has disappeared from the server) when he joked about the details being over his head:
- It would make the project considerably less accessible to many builders. Anyone without a hardware programmer and the Microchip IDE software will either have to get them, then find the code to download and learn how to program the PIC, or buy a PIC with the code already loaded. On the other hand, anyone pretty much anywhere with a soldering iron and minimal skill can put my design together for as long as its jellybean components are available.
- Software updates will require removing the unit from service, removing the PIC to send for reprogramming, or buying a new PIC to replace it.
- A PIC won't simplify the user interface. We still need a switch for the run/hold/step function and a knob to adjust scan rate. Perhaps a system using buttons or a rotary encoder could be devised, but it would probably be less intuitive than the switch and knob.
- If a PIC could replace the $7 video multiplexer chip, you could make a good case for lowering cost, but we're talking about replacing a couple of 50 to 80-cent jellybeans and a few passives that are tens of cents each -- about $3 total. Can anyone deliver a programmed PIC for $3 and make it worth their trouble?
- The size of the PCB is going to be driven largely by the five RCA jacks, so deleting a 16-DIP and a few passives probably won't shrink the board appreciably.
I think this is a case where a microcontroller may be overkill, given that suitable cheap ICs are readily available. Given the simplicity of the problem, wouldn't it make more sense to keep the solution simple?
Thoughts?
Eric
Read this topic online here:
http://forums.matronics.com/viewtopic.php?p=473555#473555
|
| | - The Matronics AeroElectric-List Email Forum - | | | Use the List Feature Navigator to browse the many List utilities available such as the Email Subscriptions page, Archive Search & Download, 7-Day Browse, Chat, FAQ, Photoshare, and much more:
http://www.matronics.com/Navigator?AeroElectric-List |
|
|
|
| Back to top |
|
 |
Eric Page
Joined: 15 Feb 2017 Posts: 272
|
Posted: Sun Oct 15, 2017 7:01 pm Post subject: Re: Constructing an automatic RCA video camera feed splitte |
|
|
Well, I drafted a detailed response to all the discussion over the last day or so, when Windows 10 decided -- without any warning -- to reboot for a security update. No opportunity to save work, just a sudden blank screen. Absolutely INFURIATING, and not the first time it's happened.
Anyway, I'll probably miss something, but here's what I covered, as best I can remember...
1. Alec mentioned the possibility of video glitches or rolling when the feed is switched from camera to camera, due to the lack of video sync or frame buffering. If this happens, I will have zero idea how to fix it. I'm what you might call an ambitious hobbyist, not an engineer. Is this a high-risk thing? I have no experience here; I just found the mux IC and drew a schematic around it.
2. Alec also mentioned a Hackaday project to make an A/V switch box...
https://hackaday.com/2007/03/14/diy-av-switch/
That's a neat idea, but I struggle to understand how a digital bus switch IC can handle an AC video signal when a proper video mux needs pos/neg rails to do it. It apparently worked, but I don't understand it and comments below the project suggest that it shouldn't have worked. Again, I'm not an engineer...
3. Some good discussion between Alec and Charlie WRT user interface: buttons, knobs, switches, etc. My $0.02 is this: if we stay with discrete ICs, the interface remains a single toggle switch, and either a trimmer or knob/pot for scan rate. If we use a PIC, I would advocate for a rotary encoder with a dead simple interface: pushing the encoder switch toggles between scan and hold; when in scan mode, each click of rotation increments/decrements the pause time on each camera by 1 sec; when in hold mode, each click of rotation selects the next/previous camera feed. No user programming, just immediate response to user input. It would be nice if the PIC could write the selected scan rate to non-volatile memory each time it's changed, and recall it on power-up.
4. The AD8184 datasheet...
http://www.analog.com/media/en/technical-documentation/data-sheets/AD8184.pdf
...has a section on board layout (pg 7) that suggests a bunch of RF voodoo (striplines, microstrips, guard rings, termination resistors, etc.) related to preserving the part's 700MHz bandwidth. According to this Maxim application note...
https://www.maximintegrated.com/en/app-notes/index.mvp/id/750
...a standard definition NTSC video signal occupies 4.2MHz of bandwidth and requires 18MHz of bandwidth for 0.5dB flatness (whatever that means...). So, is any of the RF voodoo necessary, or will standard PCB traces and copper ground pours suffice? Short traces will be difficult with RCA jacks, but would be easier using a D-Sub (see below).
5. Bob made some suggestions:
A. Use a 10-turn potentiometer. I have a 1-turn cermet trimmer in the BoM right now ($0.79), but it's easily changed to a 10 or 20-turn ($1.43), or to pads for a remote pot ($0.76) if desired.
B. Design for a D-25 backshell. Good idea, but will the video signals suffer on a shielded wire -vs- an RCA cable? If not, let's do it. These NorComp parts are the only ones I can find whose datasheet includes inside dimensions...
https://www.norcomp.net/rohspdfs/BackShells/InternalDimensions/ID-983Series.pdf
...and it doesn't look like I can fit everything into the space in a D-25 shell. The D-37 shell should have room to spare. Bob, if you have a deep D-25, could you give me the part number?
C. Use excess pins in the D-Sub as selection jumpers for number of cameras, scan rate, etc. I presume this would require a PIC pin to read each jumper. Or perhaps you could use a resistor ladder across multiple D-Sub pins and read the ladder voltage with a single PIC pin to determine which jumper is installed. Very good idea for setting number of camera inputs, but I don't see the point for scan rate; a trimmer (or rotary encoder) seems fine.
D. Use ExpressPCB. I haven't used them for at least 20 years. I don't like their "walled garden" model or their prices. Their closed software is the antithesis of "open source," and I'm never in a big enough hurry to justify the expense. My work will produce standard Gerber files that any board fab can use. Anyone can order 3 copies of the board from OSH Park...
http://www.oshpark.com/
...for $5/sq inch with free shipping, or upload to any of a half dozen Chinese fabs...
http://www.pcbshopper.com/
...to get 10 copies of the board in 2-3 weeks for <$20.
E. Provide "kits" of a PCB and programmed PIC. Sounds like a fine idea to me, if a PIC is the way we go.
6. Paul has a first draft of PIC software running, and Alec has volunteered to write code as well. It sounds like we're in good shape WRT wrangling ones and zeros.
More to follow...
Eric
| | - The Matronics AeroElectric-List Email Forum - | | | Use the List Feature Navigator to browse the many List utilities available such as the Email Subscriptions page, Archive Search & Download, 7-Day Browse, Chat, FAQ, Photoshare, and much more:
http://www.matronics.com/Navigator?AeroElectric-List |
|
Last edited by Eric Page on Sun Oct 15, 2017 7:07 pm; edited 1 time in total |
|
| Back to top |
|
 |
Eric Page
Joined: 15 Feb 2017 Posts: 272
|
Posted: Sun Oct 15, 2017 7:07 pm Post subject: Re: Constructing an automatic RCA video camera feed splitte |
|
|
Wade,
We haven't heard from you for awhile. Since you're likely to be the guinea pig on this project, there are a few items you should have input on:
- Do you have a preference WRT discrete ICs -vs- a PIC microcontroller?
- Do you have any desires for additional features or functions that would push us in one direction or the other?
- Of the user interface options you've seen discussed, what would be your preference?
- For camera scan rate, would you prefer to set it once and forget it, or have an accessible control for routine use?
- Would you prefer to install a device with five RCA jacks for signal and a 2-position header for power, or one D-Sub connector for everything?
Clayton, you expressed interest in getting one of these also; feel free to offer your opinion on these questions too.
Eric
| | - The Matronics AeroElectric-List Email Forum - | | | Use the List Feature Navigator to browse the many List utilities available such as the Email Subscriptions page, Archive Search & Download, 7-Day Browse, Chat, FAQ, Photoshare, and much more:
http://www.matronics.com/Navigator?AeroElectric-List |
|
|
|
| Back to top |
|
 |
|
|
You cannot post new topics in this forum You cannot reply to topics in this forum You cannot edit your posts in this forum You cannot delete your posts in this forum You cannot vote in polls in this forum You cannot attach files in this forum You can download files in this forum
|
Powered by phpBB © 2001, 2005 phpBB Group
|