 |
Matronics Email Lists Web Forum Interface to the Matronics Email Lists
|
| View previous topic :: View next topic |
| Author |
Message |
jskiba(at)icosa.net Guest
|
Posted: Thu Jan 11, 2018 11:39 am Post subject: Need a device to send 12volts when all 3 green lights are li |
|
|
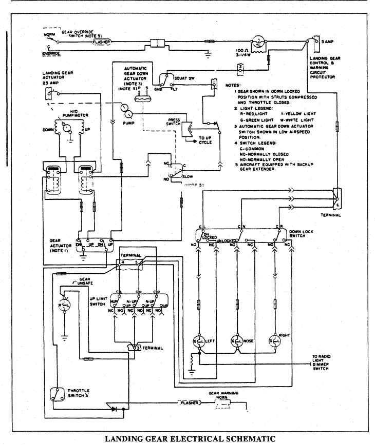
Below is the landing gear circuit, I need a device or build one that can use the 12volts coming from the gear down and locked switches and only send 12 volts to another device[for testing a led] IF ALL 3 lights (gear down and locked)
I thought use 3 NPN transistors in series but it seems on my test, if I supply 12 volts to the base of the npn it still lights the led (leak though ?) with no voltage on anything else
I am using figure two of these examples
http://www.rason.org/Projects/transwit/transwit.htm
[img]cid:image002.png(at)01D38AE1.28EBC0D0[/img]
IDEAS ?
[img]cid:image001.png(at)01D38AB2.2D717B60[/img]
| | - The Matronics AeroElectric-List Email Forum - | | | Use the List Feature Navigator to browse the many List utilities available such as the Email Subscriptions page, Archive Search & Download, 7-Day Browse, Chat, FAQ, Photoshare, and much more:
http://www.matronics.com/Navigator?AeroElectric-List |
|
| Description: |
|
| Filesize: |
132.3 KB |
| Viewed: |
1938 Time(s) |

|
| Description: |
|
| Filesize: |
2.67 KB |
| Viewed: |
1938 Time(s) |

|
|
|
| Back to top |
|
 |
|
|
You cannot post new topics in this forum You cannot reply to topics in this forum You cannot edit your posts in this forum You cannot delete your posts in this forum You cannot vote in polls in this forum You cannot attach files in this forum You can download files in this forum
|
Powered by phpBB © 2001, 2005 phpBB Group
|