 |
Matronics Email Lists Web Forum Interface to the Matronics Email Lists
|
| View previous topic :: View next topic |
| Author |
Message |
nuckolls.bob(at)aeroelect Guest
|
Posted: Mon May 21, 2018 5:43 pm Post subject: Low Battery Voltage Blows Fuel Pump Fuse? |
|
|
At 06:54 PM 5/21/2018, you wrote:
| Quote: | --> AeroElectric-List message posted by: "user9253" <fransew(at)gmail.com>
There is a recent thread on VansAirforce about the electric fuel pump 5 amp fuse blowing as a result of low battery voltage.
http://www.vansairforce.com/community/showthread.php?t=160595
I would have attributed the blown fuse to some other cause, except that two pilots reported the same symptoms on two different aircraft. The fuel pump is Facet part number 40105. According to Aircraft Spruce, that pump draws 1 amp. I measured the current draw on my spare pump (same make and model) at 3/4 amp with a light load. When I connected a 6 volt battery to the pump instead of 12 volts, the pump quit working and the current dropped to about 1/2 amp. I do not have a power supply with adjustable voltage output. Does the current draw for a DC pump motor actually increase as the voltage decreases? And even if it did, which I doubt, the current would have to increase by a factor of 5 in order to blow the fuse. |
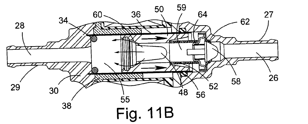
Hmmmm . . . that's a strange one. Those pumps
are strange creatures that don't behave like
what we would expect of a motor driven device.
The 'thumping' noise is a piston being magnetically
driven to compress a spring. The piston is hollow
and has check valves in each end. The 'power stroke'
compresses the spring and reduces pressure on the inlet
side. Fuel is forced past the inlet check valve
filling the piston. At the end of the power pulse,
spring pressure works to return the piston to
its resting position, increasing pressure on
the fuel which closes the inlet valve and opens
the outlet valve. Spring force and piston motion
pushes fuel out of the pump.
[img]cid:.0[/img]
Output pressure is purely a function of spring
force. Output flow is purely a function of how
much flow leaves the pump at the calibrated
pressure.
The spring, piston volume and pulse rate are
adjusted to produce the desired MAXIMUM flow
at a pressure not exceeding that which is
established by the spring.
Hence, blocking the outlet off completely does
not increase current draw . . . in fact, the
energy consumed by the pump is relatively constant
whether or not the device has fuel moving through
it.
To have one of these devices draw an extra-ordinary
current value suggests a fault in the pump power
feeder or a shorted winding in the pump's stroke
motor.
I would troubleshoot by (1) replacing the pump.
I've measured energy consumption with agile
data acquisition systems that deal with the
very intermittent nature of current flow.
It's difficult to get a 'reading' with ordinary
hand held instruments . . . but you can get
a general sense of magnitude with an analog
ammeter.
Bob . . .
| | - The Matronics AeroElectric-List Email Forum - | | | Use the List Feature Navigator to browse the many List utilities available such as the Email Subscriptions page, Archive Search & Download, 7-Day Browse, Chat, FAQ, Photoshare, and much more:
http://www.matronics.com/Navigator?AeroElectric-List |
|
| Description: |
|
| Filesize: |
190.65 KB |
| Viewed: |
18839 Time(s) |

|
|
|
| Back to top |
|
 |
user9253
Joined: 28 Mar 2008 Posts: 1969 Location: Riley TWP Michigan
|
Posted: Mon May 21, 2018 6:16 pm Post subject: Re: Low Battery Voltage Blows Fuel Pump Fuse? |
|
|
Bob,
Thanks for the reply and explanation about how the pump works. I had neglected to mention that the fuel pump fuse blows during engine cranking. I do not think that makes any difference to the pump, other than causing a voltage sag. I measured the current draw of my spare pump with an analog Simpson 260. I am as mystified as you. Unfortunately the plane is located hundreds of miles away. All I have to go by is second hand information.
| | - The Matronics AeroElectric-List Email Forum - | | | Use the List Feature Navigator to browse the many List utilities available such as the Email Subscriptions page, Archive Search & Download, 7-Day Browse, Chat, FAQ, Photoshare, and much more:
http://www.matronics.com/Navigator?AeroElectric-List |
|
_________________ Joe Gores |
|
| Back to top |
|
 |
user9253
Joined: 28 Mar 2008 Posts: 1969 Location: Riley TWP Michigan
|
Posted: Mon May 21, 2018 6:20 pm Post subject: Re: Low Battery Voltage Blows Fuel Pump Fuse? |
|
|
Bob,
Thanks for the reply and explanation about how the pump works. I had neglected to mention that the fuel pump fuse blows during engine cranking. I do not think that makes any difference to the pump, other than causing a voltage sag. I measured the current draw of my spare pump with an analog Simpson 260. I am as mystified as you. Unfortunately the plane is located hundreds of miles away. All I have to go by is second hand information.
| | - The Matronics AeroElectric-List Email Forum - | | | Use the List Feature Navigator to browse the many List utilities available such as the Email Subscriptions page, Archive Search & Download, 7-Day Browse, Chat, FAQ, Photoshare, and much more:
http://www.matronics.com/Navigator?AeroElectric-List |
|
_________________ Joe Gores |
|
| Back to top |
|
 |
nuckolls.bob(at)aeroelect Guest
|
Posted: Tue May 22, 2018 4:13 am Post subject: Low Battery Voltage Blows Fuel Pump Fuse? |
|
|
At 09:20 PM 5/21/2018, you wrote:
| Quote: | --> AeroElectric-List message posted by: "user9253" <fransew(at)gmail.com>
Bob,
Thanks for the reply and explanation about how the pump works. I had neglected to mention that the fuel pump fuse blows during engine cranking. I do not think that makes any difference to the pump, other than causing a voltage sag. I measured the current draw of my spare pump with an analog Simpson 260. I am as mystified as you. Unfortunately the plane is located hundreds of miles away. All I have to go by is second hand information. |
Yeah . . . been there. I can't begin to tally
the time expended trying to deduce root cause
of a condition based on somebody else's observations
and understanding conveyed by telephone or email.
If we could just put our hands on the thing for
a few minutes, the solution would probably become
clear.
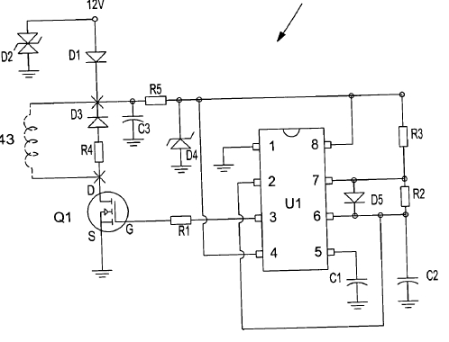
Hmmmm . . . the modern putt-putt pumps do have
solid state exciters for the motor coil . . .
I've been pondering the potential for the
electronics to go into some kind of 'crowbar'
condition during the brownout transient . . .
Here's an exemplar circuit snatched from patent
application 2005/0089418A1:
[img]cid:.0[/img]
Good ol' 555 and a FET . . . hard to see how
this might present the symptom . . .
It this a consistent phenomenon . . . pops
fuse every time?
Bob . . .
| | - The Matronics AeroElectric-List Email Forum - | | | Use the List Feature Navigator to browse the many List utilities available such as the Email Subscriptions page, Archive Search & Download, 7-Day Browse, Chat, FAQ, Photoshare, and much more:
http://www.matronics.com/Navigator?AeroElectric-List |
|
| Description: |
|
| Filesize: |
55.82 KB |
| Viewed: |
18826 Time(s) |

|
|
|
| Back to top |
|
 |
user9253
Joined: 28 Mar 2008 Posts: 1969 Location: Riley TWP Michigan
|
Posted: Tue May 22, 2018 5:00 am Post subject: Re: Low Battery Voltage Blows Fuel Pump Fuse? |
|
|
Bob,
Below are quotes from the original poster:
| Quote: | Fuel pump fuse blows out at each start
Hi all, can someone please point me in direction of troubleshooting of at each start fuel pump fuse blows out, starter feels sluggish in rotating the prop, battery is sufficiently charged. Thanks in advance.
(Blows) When key switch is turned to rotate engine at startup.
Tested battery by advanced auto store and CCA value came out for 33 ( rated 170). |
| | - The Matronics AeroElectric-List Email Forum - | | | Use the List Feature Navigator to browse the many List utilities available such as the Email Subscriptions page, Archive Search & Download, 7-Day Browse, Chat, FAQ, Photoshare, and much more:
http://www.matronics.com/Navigator?AeroElectric-List |
|
_________________ Joe Gores |
|
| Back to top |
|
 |
Eric Page
Joined: 15 Feb 2017 Posts: 274
|
Posted: Tue May 22, 2018 7:15 am Post subject: Re: Low Battery Voltage Blows Fuel Pump Fuse? |
|
|
| nuckolls.bob(at)aeroelect wrote: | I've been pondering the potential for the electronics to go into some kind of 'crowbar' condition during the brownout transient . . .
Here's an exemplar circuit snatched from patent application 2005/0089418A1: |
Link to the patent: https://goo.gl/nLh81H
Reading through the patent description, two possibilities, both admittedly remote, come to mind:
1. TVS diode D2 has seen too much abuse and has failed short. The brief current spike that results when power is applied is sufficient to blow the fuse but not to blow D2 clear.
2. MOSFET Q1 has failed short. The patent application says this about the solenoid coil: “In a preferred embodiment, [the] coil is made of 21 gauge magnet wire and is a 2mH inductor with a resistance of 1.4 ohms.” With Q1 shorted, this would draw >8A at 12V, easily blowing a 5A fuse.
The first failure would probably present as a dead short to a continuity meter across the pump’s supply wires. The second might not register as a short, but would measure as a very low resistance. Either way, putting a meter across the pump would prove or debunk my theory.
Eric
5/22/18 09:24PT: Edited theory 1 to correct diode number from D4 to D2.
| | - The Matronics AeroElectric-List Email Forum - | | | Use the List Feature Navigator to browse the many List utilities available such as the Email Subscriptions page, Archive Search & Download, 7-Day Browse, Chat, FAQ, Photoshare, and much more:
http://www.matronics.com/Navigator?AeroElectric-List |
|
|
|
| Back to top |
|
 |
Eric Page
Joined: 15 Feb 2017 Posts: 274
|
Posted: Tue May 22, 2018 8:27 am Post subject: Re: Low Battery Voltage Blows Fuel Pump Fuse? |
|
|
For the benefit of those following via email echo, in my previous post, I meant TVS diode D2, not D4. I've edited my original post on the forum to correct this error.
Eric
do not archive
| | - The Matronics AeroElectric-List Email Forum - | | | Use the List Feature Navigator to browse the many List utilities available such as the Email Subscriptions page, Archive Search & Download, 7-Day Browse, Chat, FAQ, Photoshare, and much more:
http://www.matronics.com/Navigator?AeroElectric-List |
|
|
|
| Back to top |
|
 |
nuckolls.bob(at)aeroelect Guest
|
Posted: Tue May 22, 2018 11:08 am Post subject: Low Battery Voltage Blows Fuel Pump Fuse? |
|
|
At 10:15 AM 5/22/2018, you wrote:
| Quote: | --> AeroElectric-List message posted by: "Eric Page" <edpav8r(at)yahoo.com>
nuckolls.bob(at)aeroelect wrote:
> I've been pondering the potential for the electronics to go into some kind of 'crowbar' condition during the brownout transient . . .
>
> Here's an exemplar circuit snatched from patent application 2005/0089418A1:
Link to the patent: https://goo.gl/nLh81H
Reading through the patent description, two possibilities, both admittedly remote, come to mind:
1. TVS diode D4 has seen too much abuse and has failed short. The brief current spike that results when power is applied is sufficient to blow the fuse but not to blow D4 clear. |
If a junction device goes catastrophic it generally
dead shorts or blows open (usually scattering bits
of plastic around). If this diode was shorted,
it would pop the fuse immediately on application
of battery power.
| Quote: | | 2. MOSFET Q1 has failed short. The patent application says this about the solenoid coil: “In a preferred embodiment, [the] coil is made of 21 gauge magnet wire and is a 2mH inductor with a resistance of 1.4 ohms.” With Q1 shorted, this would draw >8A at 12V, easily blowing a 5A fuse. |
I like this one . . . but again, the differential
is that the fuse would blow immediately upon
application of battery power . . . and not
wait for the starter to engage.
| Quote: | | The first failure would probably present as a dead short to a continuity meter across the pump’s supply wires. The second might not register as a short, but would measure as a very low resistance. Either way, putting a meter across the pump would prove or debunk my theory. |
Bob . . .
| | - The Matronics AeroElectric-List Email Forum - | | | Use the List Feature Navigator to browse the many List utilities available such as the Email Subscriptions page, Archive Search & Download, 7-Day Browse, Chat, FAQ, Photoshare, and much more:
http://www.matronics.com/Navigator?AeroElectric-List |
|
|
|
| Back to top |
|
 |
nuckolls.bob(at)aeroelect Guest
|
Posted: Tue May 22, 2018 11:15 am Post subject: Low Battery Voltage Blows Fuel Pump Fuse? |
|
|
At 12:20 PM 5/22/2018, you wrote:
| Quote: | --> AeroElectric-List message posted by: "user9253" <fransew(at)gmail.com>
Without seeing your battery holders and exactly what is wrong, it is hard to make a suggestion. But here is a link to battery holders and parts from Mouser:
https://www.mouser.com/Power/Battery-Holders-Clips-Contacts/_/N-cicxgZ1yzvvqx?P=1z0y6wzZ1yuke34
I have even soldered wires to batteries before using a soldering gun and short contact time to minimize damage to the cell. I remember that Bob has described welding wires to dry cells, but I can not remember how he did it. |
I did a comic book on this topic but durned if I can
put my hands on it. The process is pretty simple.
I generally glue the cells together in the shape
of the finished array. A tiny bead of E6000 or similar
at the tangent line of adjacent cells works really
well . . . observe the +/- orientation for future
jumpers . . . they're really hard to get apart after
the glue dries.
I then 'scuff' the solder spot locations with
a Dremel cutoff wheel . . . or file . . . or sharp
knife. Use a fully heated iron to 'tin' the spots . . .
get on, get off quick. 63/37 solder with good flux.
Takes less than a second.
Tin the ends of your jumper/lead wires and then
tack to the solder spots cited above. The
magic dust is a mixture of clean, hot and fast.
I've never damaged an alkaline or NiMh cell
with this technique.
Bob . . .
| | - The Matronics AeroElectric-List Email Forum - | | | Use the List Feature Navigator to browse the many List utilities available such as the Email Subscriptions page, Archive Search & Download, 7-Day Browse, Chat, FAQ, Photoshare, and much more:
http://www.matronics.com/Navigator?AeroElectric-List |
|
|
|
| Back to top |
|
 |
Eric Page
Joined: 15 Feb 2017 Posts: 274
|
Posted: Tue May 22, 2018 1:52 pm Post subject: Re: Low Battery Voltage Blows Fuel Pump Fuse? |
|
|
| nuckolls.bob(at)aeroelect wrote: | If a junction device goes catastrophic it generally dead shorts or blows open (usually scattering bits of plastic around). If this diode was shorted, it would pop the fuse immediately on application of battery power.
[…]
I like this one . . . but again, the differential is that the fuse would blow immediately upon application of battery power . . . and not wait for the starter to engage. |
Aaah, yes, of course. I think I got led astray when Joe wrote that the fuse blew upon engine cranking. The fuel pump would obviously already be running by then.
Unless these aircraft somehow have an unintentional path by which the starter or its contactor circuit can draw current through the pump fuse, I’m out of ideas.
Eric
| | - The Matronics AeroElectric-List Email Forum - | | | Use the List Feature Navigator to browse the many List utilities available such as the Email Subscriptions page, Archive Search & Download, 7-Day Browse, Chat, FAQ, Photoshare, and much more:
http://www.matronics.com/Navigator?AeroElectric-List |
|
|
|
| Back to top |
|
 |
nuckolls.bob(at)aeroelect Guest
|
Posted: Tue May 22, 2018 4:48 pm Post subject: Low Battery Voltage Blows Fuel Pump Fuse? |
|
|
But, as you say 'most'... When a shunt motor gets less voltage the motor does not stop, it tries to perform the same job as if it had full voltage. What becomes compensated is the current draw.
Shunt, PM and Brushless motor draw current
proportional to load TORQUE. It is
limited at stall by the motor's series
resistance where Eapp/Rohms = Amps which
is proportional to stall torque during
locked rotor conditions.
If a motor is driving a constant torque
load, then current will not go up as
applied voltage is reduced. The speed
will fall off until such time as stall
torque at that voltage is realized whereupon
motion stops.
I do have Fact pumps: Both the very old 20+ year old and newer 8 year old styles. I can hook then up to a heavy duty power supply and play with the voltage and see what results we get. Won't be able to do it till next week though.
No Facet pump is driven by the classic
DC motor with a rotating shaft. The Facet
pumps have roots in Bendix designs that
date back to 1920 or earlier. These
are solenoid driven pistons, springs
and check valves that produce one
'squirt' of fuel for each 'thump'
of the solenoid motor. Here's a
partial listing of patents describing
the history of these pumps.
[img]cid:.0[/img]
The current draw of these pumps is limited
by resistance of the solenoid winding which
is averaged by the intermittent nature of
the electrical pulse duration. Most
of these pumps have a very low electrical
duty cycle which produces an average current
that is a small fraction of the potential
flow that would manifest if the switching
electronics failed . . . see earlier
schematic posted.
The Facet pumps have no operating characteristics
in common with motor driven fuel pumps. And
no DC motor draws more current with decreasing
voltage UNLESS mechanical load is increasing
as motor speed drops. Given that
pump torque is proportional to output pressure,
we won't see this happening with a rotary
pumping system. I'm not aware of any
load we might drive with a DC motor that
increases torque as rpm falls.
Bob . . .
| | - The Matronics AeroElectric-List Email Forum - | | | Use the List Feature Navigator to browse the many List utilities available such as the Email Subscriptions page, Archive Search & Download, 7-Day Browse, Chat, FAQ, Photoshare, and much more:
http://www.matronics.com/Navigator?AeroElectric-List |
|
| Description: |
|
| Filesize: |
201.94 KB |
| Viewed: |
18779 Time(s) |

|
|
|
| Back to top |
|
 |
dj_theis
Joined: 28 Aug 2017 Posts: 68 Location: Minnesota
|
Posted: Tue May 22, 2018 6:26 pm Post subject: Re: Low Battery Voltage Blows Fuel Pump Fuse? |
|
|
[quote="user9253"]Bob,
Thanks for the reply and explanation about how the pump works. I had neglected to mention that the fuel pump fuse blows during engine cranking. I do not think that makes any difference to the pump, other than causing a voltage sag. I measured the current draw of my spare pump with an analog Simpson 260. I am as mystified as you. Unfortunately the plane is located hundreds of miles away. All I have to go by is second hand information.[/quote]
I've read through the comments as well as the Vans forum posts Joe references and have something to add that might confuse the issue even more (or maybe not).
I'm a member of a flying club with 5 Piper Cherokees and one Mooney. Last fall one of the members reported the same problem (fuel pump failed during cranking). I doubted the two events were related and asked the A&P the club used, to replace the fuse and I would watch the problem. A few days later the fuse (allegedly) blew again during the cranking cycle. Again, I doubted the cranking had anything to do with the fuse. It did not make any sense to me. I should note, that this plane was also having an intermittent problem with a "tired battery" during starting, particularly, now that the weather was getting colder (I should note, this was last fall in Minnesota).
A day or so after the fuse was replaced the second time I took the plane for a flight myself. Pre-flight went fine and I started the fuel pump and began to crank the engine. The weather was probably 30 degrees and the battery had a hard time turning the engine. After the flight I checked the fuel pump again and sure enough, it's fuse had blown.
I was perplexed as to how the fuel pump fuse failure could be related to starting the engine. Lower voltage during cranking was likely but I assumed this would also result in lower current (as noted by many in this post). So, I assumed there might be something wrong with the fuel pump and had the A&P install a new one.
Within a few days after the new fuel pump was installed, the problem resurfaced. Throughout all of this, the battery continued to be an issue when starting with a cold engine. Winter was coming and the battery problem would only get worse. The battery passed the A&P's load testing but it was at least 4 years old. So, following the best advice from the Aeroelectric connection, I asked the A&P to replace the battery with an RG (Recumbent Gas) battery.
Problem solved. Plane started all winter without fail and no more blown fuel pump fuses.
My only thought was that the low battery was resulting in a voltage spike, immediately after starting. The high voltage spike that would catch the fuel pump with high voltage and create an over current situation. It could be that the regulator on this plane allowed for higher than normal voltages. I did check the JPI data on the plane and yes, there were many small events that showed up to 15.1 volts but we generally don't have avionics powered up until after starting so there was no JPI data during the start cycle. I think the regulator could be set a little higher on this plane or it may have a tendency to overshoot. I don't have enough details prove this out.
In any case, replacing the fuel pump did not solve the problem. Replacing the battery did and I've not seen this issue on any other planes but their JPI records did not show the high voltage events that this Archer did.
For what its worth...
Dan Theis.
| | - The Matronics AeroElectric-List Email Forum - | | | Use the List Feature Navigator to browse the many List utilities available such as the Email Subscriptions page, Archive Search & Download, 7-Day Browse, Chat, FAQ, Photoshare, and much more:
http://www.matronics.com/Navigator?AeroElectric-List |
|
_________________ Dan Theis
Scratch building Sonex #1362
Revmaster Alternator problem solved. |
|
| Back to top |
|
 |
user9253
Joined: 28 Mar 2008 Posts: 1969 Location: Riley TWP Michigan
|
Posted: Tue May 22, 2018 6:55 pm Post subject: Re: Low Battery Voltage Blows Fuel Pump Fuse? |
|
|
Thanks Dan for that report. So it seems that the Facet fuel pump current
does go up during engine cranking.
To others, how can this be explained by the laws of physics?
| | - The Matronics AeroElectric-List Email Forum - | | | Use the List Feature Navigator to browse the many List utilities available such as the Email Subscriptions page, Archive Search & Download, 7-Day Browse, Chat, FAQ, Photoshare, and much more:
http://www.matronics.com/Navigator?AeroElectric-List |
|
_________________ Joe Gores |
|
| Back to top |
|
 |
nuckolls.bob(at)aeroelect Guest
|
Posted: Tue May 22, 2018 9:22 pm Post subject: Low Battery Voltage Blows Fuel Pump Fuse? |
|
|
| Quote: |
Within a few days after the new fuel pump was installed, the problem resurfaced. Throughout all of this, the battery continued to be an issue when starting with a cold engine. Winter was coming and the battery problem would only get worse. The battery passed the A&P's load testing but it was at least 4 years old. So, following the best advice from the Aeroelectric connection, I asked the A&P to replace the battery with an RG (Recumbent Gas) battery.
Problem solved. Plane started all winter without fail and no more blown fuel pump fuses.
My only thought was that the low battery was resulting in a voltage spike, immediately after starting. The high voltage spike that would catch the fuel pump with high voltage and create an over current situation. It could be that the regulator on this plane allowed for higher than normal voltages. I did check the JPI data on the plane and yes, there were many small events that showed up to 15.1 volts but we generally don't have avionics powered up until after starting so there was no JPI data during the start cycle. I think the regulator could be set a little higher on this plane or it may have a tendency to overshoot. I don't have enough details prove this out.
In any case, replacing the fuel pump did not solve the problem. Replacing the battery did and I've not seen this issue on any other planes but their JPI records did not show the high voltage events that this Archer did. |
Good data . . . and I think some pieces are
falling into place.
The 555 astable multivibrator driving the pump's
fet is set up to turn the fet on hard and apply
full 12v to a coil with about 1 ohm resistance.
Under normal ops, this produces a power pulse to
the 'spring winder' on the order of 12A but
only for a few tens of milliseconds out
of every cycle such that AVERAGE current
flowing is low . . . 1 to 2A.
I'm thinking the 555 multi-vibrator becomes
uncertain during a brown out event . . . and
produces a longer power pulse. Recall that
unlike breakers, fuses can be 'hammered' with
repeated over-loads.
Running a pump on the bench with a variable
supply would confirm out-of-spec operation
for the pump's electronics during the brown-out
event.
It would be easy to design a pulse generator
that would stay in spec down to much lower
voltages . . . but this is probably not
a situation that would get Faucet's attention.
Bob . . .
| | - The Matronics AeroElectric-List Email Forum - | | | Use the List Feature Navigator to browse the many List utilities available such as the Email Subscriptions page, Archive Search & Download, 7-Day Browse, Chat, FAQ, Photoshare, and much more:
http://www.matronics.com/Navigator?AeroElectric-List |
|
|
|
| Back to top |
|
 |
user9253
Joined: 28 Mar 2008 Posts: 1969 Location: Riley TWP Michigan
|
Posted: Wed May 23, 2018 5:02 pm Post subject: Re: Low Battery Voltage Blows Fuel Pump Fuse? |
|
|
I conducted an experiment today on my RV-12. Not wanting to ruin the PC680 aircraft battery, I disconnected it. In its place, I used the riding lawn mower battery connected with jumper cables. I thought that the lawn mower battery might have trouble cranking the Rotax 912ULS, but it cranked just fine. I left the ignition switches turned off so that the engine would not actually start. I turned on all electrical loads, including landing light, to run the battery down. I periodically cranked the engine as the battery slowly ran down. It took an hour and a half for that cheap $35 lawn mower battery to drop its voltage down to 11.5 volts. The engine still cranked, albeit noticeably slower. The fuel pump fuse never did blow. I was not able to duplicate the symptoms reported by others. Perhaps there is some magic voltage that causes the fuse to blow and I never happened to crank the engine at that particular voltage. In my airplane, the fuel pump is the only load on that 5 amp fuse. Other aircraft may have other loads on the same fuse. I know that all E-LSA and S-LSA RV-12s also have two 80 mm computer fans on the same circuit.
| | - The Matronics AeroElectric-List Email Forum - | | | Use the List Feature Navigator to browse the many List utilities available such as the Email Subscriptions page, Archive Search & Download, 7-Day Browse, Chat, FAQ, Photoshare, and much more:
http://www.matronics.com/Navigator?AeroElectric-List |
|
_________________ Joe Gores |
|
| Back to top |
|
 |
user9253
Joined: 28 Mar 2008 Posts: 1969 Location: Riley TWP Michigan
|
Posted: Thu May 24, 2018 3:36 am Post subject: Re: Low Battery Voltage Blows Fuel Pump Fuse? |
|
|
The original poster has reported on VansAirforce that a new PC680 battery cured the fuel pump fuse blowing problem.
| | - The Matronics AeroElectric-List Email Forum - | | | Use the List Feature Navigator to browse the many List utilities available such as the Email Subscriptions page, Archive Search & Download, 7-Day Browse, Chat, FAQ, Photoshare, and much more:
http://www.matronics.com/Navigator?AeroElectric-List |
|
_________________ Joe Gores |
|
| Back to top |
|
 |
nuckolls.bob(at)aeroelect Guest
|
Posted: Thu May 24, 2018 12:55 pm Post subject: Low Battery Voltage Blows Fuel Pump Fuse? |
|
|
At 06:36 AM 5/24/2018, you wrote:
| Quote: | --> AeroElectric-List message posted by: "user9253" <fransew(at)gmail.com>
The original poster has reported on VansAirforce that a new PC680 battery cured the fuel pump fuse blowing problem.
-------- |
Nothing like a repeatable experiment
to add foundation to a theory. It seems
that these pumps suffer anomalous behaviors
during a brown-out condition. I.e. the
the duration of the on-pulse to the
solenoid winding exceeds normal expectations
in duty-cycle limited coil current.
The reason for brownout can be any combination
of things including soggy battery, ship's wiring
and/or architecture and excessive starter current.
One easy fix would be to upsize the fuse. Recall that 20A
won't burn a 22AWG wire . . . so increasing the pump
fuse to 10A might just well be a reasonable work-around.
Obviously, if the battery is getting soggy (do a load
test) then replacing the battery is in order for a host
of reasons. Also, moving the distribution feeder for
the pump to the battery bus would bypass other voltage
drops in ship's wiring and be in agreement with the
philosophy of running all eletro-whizzies for electrically
dependent engines from the battery bus.
I've got one of those pumps around here somewhere left
over from some energy studies about 20 years ago . . .
haven't got time for a diligent hunt right now but
if it turns up, I'll go to the bench to see if I can
duplicate the behavior here.
In the mean time, if anyone on the List can conduct
the same experiment, it would be good data to gather.
Speaking of bench supplies: There are some pretty
attractive offers out there
https://goo.gl/SD52Po
https://goo.gl/vknsmw
. . . at prices like these, everyone should have one.
Bob . . .
| | - The Matronics AeroElectric-List Email Forum - | | | Use the List Feature Navigator to browse the many List utilities available such as the Email Subscriptions page, Archive Search & Download, 7-Day Browse, Chat, FAQ, Photoshare, and much more:
http://www.matronics.com/Navigator?AeroElectric-List |
|
|
|
| Back to top |
|
 |
|
|
You cannot post new topics in this forum You cannot reply to topics in this forum You cannot edit your posts in this forum You cannot delete your posts in this forum You cannot vote in polls in this forum You cannot attach files in this forum You can download files in this forum
|
Powered by phpBB © 2001, 2005 phpBB Group
|