user9253
Joined: 28 Mar 2008 Posts: 1972 Location: Riley TWP Michigan
|
Posted: Tue Oct 16, 2018 6:23 am Post subject: DIY Over Voltage Protection |
|
|
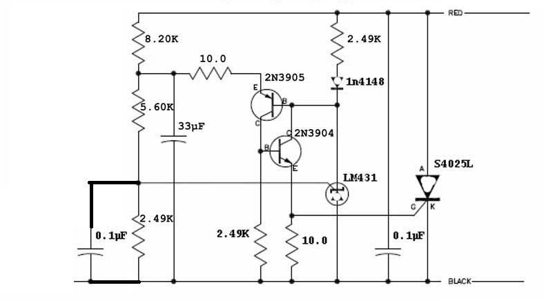
Bob,
I added a 0.1 MFD capacitor across the 2K49 resistor in the lower left corner. This has resulted in much improved stability and consistent operation.
| | - The Matronics AeroElectric-List Email Forum - | | | Use the List Feature Navigator to browse the many List utilities available such as the Email Subscriptions page, Archive Search & Download, 7-Day Browse, Chat, FAQ, Photoshare, and much more:
http://www.matronics.com/Navigator?AeroElectric-List |
|
| Description: |
|
| Filesize: |
53.35 KB |
| Viewed: |
2796 Time(s) |

|
_________________ Joe Gores |
|