 |
Matronics Email Lists Web Forum Interface to the Matronics Email Lists
|
| View previous topic :: View next topic |
| Author |
Message |
roughleg(at)gmail.com Guest
|
Posted: Wed Dec 11, 2019 8:03 pm Post subject: Flap relay |
|
|
Does anyone have experience with the Aircraft Extras relay board? I am considering two flap switches on my panel (Zenith STOL 750), one for pilot and one for instructor, which would require a relay deck to interface to the flap motor. The motor has a full-stall draw of 4A, so it is way beyond the 1A rating of the Ray Allen relay deck. The Aircraft Extras unit is rated at 10A so that should not be a problem, but I was wondering if they have a good track record for reliability, ease of installation, etc.
| | - The Matronics AeroElectric-List Email Forum - | | | Use the List Feature Navigator to browse the many List utilities available such as the Email Subscriptions page, Archive Search & Download, 7-Day Browse, Chat, FAQ, Photoshare, and much more:
http://www.matronics.com/Navigator?AeroElectric-List |
|
|
|
| Back to top |
|
 |
nuckolls.bob(at)aeroelect Guest
|
Posted: Wed Dec 11, 2019 8:34 pm Post subject: Flap relay |
|
|
At 12:49 PM 12/11/2019, you wrote:
| Quote: | | Does anyone have experience with the Aircraft Extras relay board? I am considering two flap switches on my panel (Zenith STOL 750), one for pilot and one for instructor, which would require a relay deck to interface to the flap motor. The motor has a full-stall draw of 4A, so it is way beyond the 1A rating of the Ray Allen relay deck. The Aircraft Extras unit is rated at 10A so that should not be a problem, but I was wondering if they have a good track record for reliability, ease of installation, etc. |
Buy a couple of these:
https://tinyurl.com/u2yld6d
wire them like this:
http://www.aeroelectric.com/PPS/Flight/Flaps/Flaps.pdf
Inexpensive, works good, lasts a long time
Bob . . .
| | - The Matronics AeroElectric-List Email Forum - | | | Use the List Feature Navigator to browse the many List utilities available such as the Email Subscriptions page, Archive Search & Download, 7-Day Browse, Chat, FAQ, Photoshare, and much more:
http://www.matronics.com/Navigator?AeroElectric-List |
|
|
|
| Back to top |
|
 |
roughleg(at)gmail.com Guest
|
Posted: Wed Dec 11, 2019 10:17 pm Post subject: Flap relay |
|
|
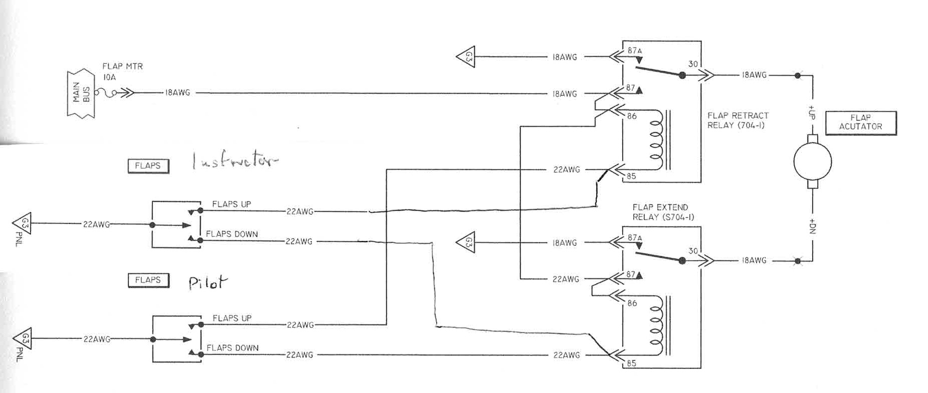
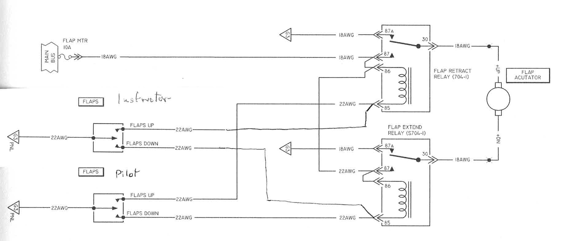
That looks great, Bob. I guess I could use these for my trim system too, less $ than the RAC relay deck..
I see that the 12V version of the unit you linked to is out of stock - should I look for any 5-pin automotive relay with similar specs, or is there something special about this one?
I tweaked your wiring diagram for my 2-switch setup:
[img]cid:ii_k42bvaxx0[/img]
On Wed, Dec 11, 2019 at 9:39 PM Robert L. Nuckolls, III <nuckolls.bob(at)aeroelectric.com (nuckolls.bob(at)aeroelectric.com)> wrote:
| Quote: | At 12:49 PM 12/11/2019, you wrote:
| Quote: | | Does anyone have experience with the Aircraft Extras relay board? I am considering two flap switches on my panel (Zenith STOL 750), one for pilot and one for instructor, which would require a relay deck to interface to the flap motor. The motor has a full-stall draw of 4A, so it is way beyond the 1A rating of the Ray Allen relay deck. The Aircraft Extras unit is rated at 10A so that should not be a problem, but I was wondering if they have a good track record for reliability, ease of installation, etc. |
Buy a couple of these:
https://tinyurl.com/u2yld6d
wire them like this:
http://www.aeroelectric.com/PPS/Flight/Flaps/Flaps.pdf
Inexpensive, works good, lasts a long time
Bob . . .
|
| | - The Matronics AeroElectric-List Email Forum - | | | Use the List Feature Navigator to browse the many List utilities available such as the Email Subscriptions page, Archive Search & Download, 7-Day Browse, Chat, FAQ, Photoshare, and much more:
http://www.matronics.com/Navigator?AeroElectric-List |
|
| Description: |
|
| Filesize: |
147.92 KB |
| Viewed: |
5402 Time(s) |

|
|
|
| Back to top |
|
 |
bob.verwey(at)gmail.com Guest
|
Posted: Wed Dec 11, 2019 11:14 pm Post subject: Flap relay |
|
|
Pat does this allow for "ïnstructor" override?
Best...Bob Verwey
082 331 2727
[img]https://docs.google.com/uc?export=download&id=0B5d7rgAInTuTUUZsUjY4QmJsdVU&revid=0B5d7rgAInTuTdDJDaXRFZVh3b3lMa3FWL0s3MFdzc01YRlNvPQ[/img]
On Thu, 12 Dec 2019 at 08:23, Pat Little <roughleg(at)gmail.com (roughleg(at)gmail.com)> wrote:
| Quote: | That looks great, Bob. I guess I could use these for my trim system too, less $ than the RAC relay deck..
I see that the 12V version of the unit you linked to is out of stock - should I look for any 5-pin automotive relay with similar specs, or is there something special about this one?
I tweaked your wiring diagram for my 2-switch setup:
[img]cid:ii_k42bvaxx0[/img]
On Wed, Dec 11, 2019 at 9:39 PM Robert L. Nuckolls, III <nuckolls.bob(at)aeroelectric.com (nuckolls.bob(at)aeroelectric.com)> wrote:
| Quote: | At 12:49 PM 12/11/2019, you wrote:
| Quote: | | Does anyone have experience with the Aircraft Extras relay board? I am considering two flap switches on my panel (Zenith STOL 750), one for pilot and one for instructor, which would require a relay deck to interface to the flap motor. The motor has a full-stall draw of 4A, so it is way beyond the 1A rating of the Ray Allen relay deck. The Aircraft Extras unit is rated at 10A so that should not be a problem, but I was wondering if they have a good track record for reliability, ease of installation, etc. |
Buy a couple of these:
https://tinyurl.com/u2yld6d
wire them like this:
http://www.aeroelectric.com/PPS/Flight/Flaps/Flaps.pdf
Inexpensive, works good, lasts a long time
Bob . . .
|
|
| | - The Matronics AeroElectric-List Email Forum - | | | Use the List Feature Navigator to browse the many List utilities available such as the Email Subscriptions page, Archive Search & Download, 7-Day Browse, Chat, FAQ, Photoshare, and much more:
http://www.matronics.com/Navigator?AeroElectric-List |
|
| Description: |
|
| Filesize: |
147.92 KB |
| Viewed: |
5402 Time(s) |

|
|
|
| Back to top |
|
 |
nuckolls.bob(at)aeroelect Guest
|
Posted: Thu Dec 12, 2019 4:39 am Post subject: Flap relay |
|
|
At 01:13 AM 12/12/2019, you wrote:
| Quote: | | Pat does this allow for "ïnstructor" override? |
Yes . . . if BOTH switches are operated
but in opposing directions . . . the motor
simply stops.
| Quote: | On Thu, 12 Dec 2019 at 08:23, Pat Little <roughleg(at)gmail.com (roughleg(at)gmail.com)> wrote:
That looks great, Bob. I guess I could use these for my trim system too, less $ than the RAC relay deck..
I see that the 12V version of the unit you linked to is out of stock - should I look for any 5-pin automotive relay with similar specs, or is there something special about this one?
I tweaked your wiring diagram for my 2-switch setup: |
Check the corrected link for the intended
wiring diagram.
Nothing 'special' . . . any of the 12v, 5-pin
devices will do nicely. Some are offered with
a mating plug and wire harness which has some
advantages but sorta complicates diode installation.
But still doable.
Going right to the relay pins with fast-on terminals
lets you mount the diodes right at the relays . . .
Bob . . .
| | - The Matronics AeroElectric-List Email Forum - | | | Use the List Feature Navigator to browse the many List utilities available such as the Email Subscriptions page, Archive Search & Download, 7-Day Browse, Chat, FAQ, Photoshare, and much more:
http://www.matronics.com/Navigator?AeroElectric-List |
|
|
|
| Back to top |
|
 |
nuckolls.bob(at)aeroelect Guest
|
Posted: Thu Dec 12, 2019 4:47 am Post subject: Flap relay |
|
|
At 01:13 AM 12/12/2019, you wrote:
| Quote: | | Pat does this allow for "ïnstructor" override? |
Yes . . . if BOTH switches are operated
but in opposing directions . . . the motor
simply stops.
| Quote: | On Thu, 12 Dec 2019 at 08:23, Pat Little <roughleg(at)gmail.com (roughleg(at)gmail.com)> wrote:
That looks great, Bob. I guess I could use these for my trim system too, less $ than the RAC relay deck..
I see that the 12V version of the unit you linked to is out of stock - should I look for any 5-pin automotive relay with similar specs, or is there something special about this one?
I tweaked your wiring diagram for my 2-switch setup: |
Check the corrected link for the intended
wiring diagram.
Nothing 'special' . . . any of the 12v, 5-pin
devices will do nicely. Some are offered with
a mating plug and wire harness which has some
advantages but sorta complicates diode installation.
But still doable.
Going right to the relay pins with fast-on terminals
lets you mount the diodes right at the relays . . .
Bob . . .
| | - The Matronics AeroElectric-List Email Forum - | | | Use the List Feature Navigator to browse the many List utilities available such as the Email Subscriptions page, Archive Search & Download, 7-Day Browse, Chat, FAQ, Photoshare, and much more:
http://www.matronics.com/Navigator?AeroElectric-List |
|
|
|
| Back to top |
|
 |
nuckolls.bob(at)aeroelect Guest
|
Posted: Thu Dec 12, 2019 8:11 am Post subject: Flap relay |
|
|
At 01:13 AM 12/12/2019, you wrote:
| Quote: | | Pat does this allow for "ïnstructor" override? |
Yes . . . if BOTH switches are operated
but in opposing directions . . . the motor
simply stops.
| Quote: | On Thu, 12 Dec 2019 at 08:23, Pat Little <roughleg(at)gmail.com (roughleg(at)gmail.com)> wrote:
That looks great, Bob. I guess I could use these for my trim system too, less $ than the RAC relay deck..
I see that the 12V version of the unit you linked to is out of stock - should I look for any 5-pin automotive relay with similar specs, or is there something special about this one?
I tweaked your wiring diagram for my 2-switch setup: |
Check the corrected link for the intended
wiring diagram.
Nothing 'special' . . . any of the 12v, 5-pin
devices will do nicely. Some are offered with
a mating plug and wire harness which has some
advantages but sorta complicates diode installation.
But still doable.
Going right to the relay pins with fast-on terminals
lets you mount the diodes right at the relays . . .
Bob . . .
| | - The Matronics AeroElectric-List Email Forum - | | | Use the List Feature Navigator to browse the many List utilities available such as the Email Subscriptions page, Archive Search & Download, 7-Day Browse, Chat, FAQ, Photoshare, and much more:
http://www.matronics.com/Navigator?AeroElectric-List |
|
|
|
| Back to top |
|
 |
|
|
You cannot post new topics in this forum You cannot reply to topics in this forum You cannot edit your posts in this forum You cannot delete your posts in this forum You cannot vote in polls in this forum You cannot attach files in this forum You can download files in this forum
|
Powered by phpBB © 2001, 2005 phpBB Group
|