 |
Matronics Email Lists Web Forum Interface to the Matronics Email Lists
|
| View previous topic :: View next topic |
| Author |
Message |
meat_ball
Joined: 05 Aug 2020 Posts: 27
|
Posted: Tue Aug 11, 2020 12:58 pm Post subject: Z-16 with a sprinkling of Z-12...help? |
|
|
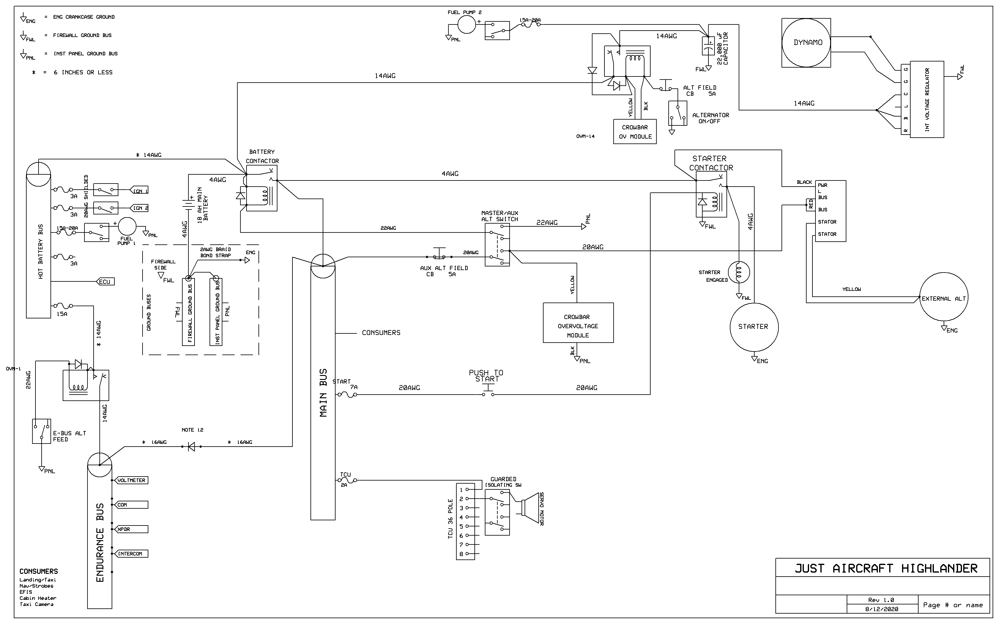
I've decided NOT to reinvent the wheel. In my previous thread I posted a wiring diagram that I thought was a good first shot at the whole process. Everyone here gave me sound advice which I thought I put into practice, however the more I thought about it, the more I realized I was not using the advice I had told my teenagers to heed many many times...work smarter, not harder.
SO....
I've decided to abandon my attempt at a diagram and build off the tried and true Z diagrams that Bob offers in the Aeroelectric Connection. Of course, it can never be easy because I've decided to go off the reservation and not use stock Rotax "stuff". That said, it is basically going to be a stock 914, with stock internal Generator but adding fuel injection and a second, 15A alternator (externally regulated) on the flywheel (I believe) to supplement the electrical system supply. I would like to use diagram Z-12 and Z-16 together since they have all I need, but am not sure how to integrate one into the other. For instance, I've decided I should have a dedicated Battery Bus for the dual electronic ignition (both on that bus?) and an ECU wire that says should come directly from the hot side of the battery.
There will be 2 fuel pumps, one rotax says has to be powered directly from the Internal Generator, and the other from the bus. Both will have their own respective switches.
My questions are thus:
1)Will both alternators have their own separate crowbar units or is that not possible? How would over voltage be incorporated?
2)I've decided I should have a dedicated Battery Bus for the dual electronic ignition and an ECU wire that says should come directly from the hot side of the battery. Should both ignitions be on that bus together?
3) Suggestions for my mostly Z-16 diagram?
I really wish I new how to use a CAD program to make this look better!!
| | - The Matronics AeroElectric-List Email Forum - | | | Use the List Feature Navigator to browse the many List utilities available such as the Email Subscriptions page, Archive Search & Download, 7-Day Browse, Chat, FAQ, Photoshare, and much more:
http://www.matronics.com/Navigator?AeroElectric-List |
|
| Description: |
|
| Filesize: |
820.84 KB |
| Viewed: |
5660 Time(s) |

|
Last edited by meat_ball on Sat Aug 15, 2020 12:00 pm; edited 2 times in total |
|
| Back to top |
|
 |
user9253
Joined: 28 Mar 2008 Posts: 1967 Location: Riley TWP Michigan
|
Posted: Tue Aug 11, 2020 3:23 pm Post subject: Re: Z-16 with a sprinkling of Z-12...help? |
|
|
Going with one of Bob's proven wiring diagrams is a good decision.
Try ExpressPCB software for drawing wiring diagrams.
https://www.expresspcb.com/expresspcb-classic-pcb-layout-software/#wow-modal-id-1
It is just about the easiest CAD program to learn.
It is a two part program. Express.sch is for drawing a schematic.
Express.pcb is for designing printed circuit boards.
| | - The Matronics AeroElectric-List Email Forum - | | | Use the List Feature Navigator to browse the many List utilities available such as the Email Subscriptions page, Archive Search & Download, 7-Day Browse, Chat, FAQ, Photoshare, and much more:
http://www.matronics.com/Navigator?AeroElectric-List |
|
_________________ Joe Gores |
|
| Back to top |
|
 |
meat_ball
Joined: 05 Aug 2020 Posts: 27
|
Posted: Thu Aug 13, 2020 11:34 am Post subject: Re: Z-16 with a sprinkling of Z-12...help? |
|
|
I've got it mostly figured out using ExpressPCB. Thanks for the suggestion, Joe!!
I have one question concerning the external alternator. It has the attached photo in the manual and it says "any hot lead with key switched on." Since I won't have a key, where should I attach this lead? By the way, i've updated my first post with the electronically produced schematic so hopefully it will be easier to read. You can see the black lead of the voltage regulator sitting in nowhere land toward the bottom.
Thanks all.
| | - The Matronics AeroElectric-List Email Forum - | | | Use the List Feature Navigator to browse the many List utilities available such as the Email Subscriptions page, Archive Search & Download, 7-Day Browse, Chat, FAQ, Photoshare, and much more:
http://www.matronics.com/Navigator?AeroElectric-List |
|
| Description: |
|
| Filesize: |
86.89 KB |
| Viewed: |
5717 Time(s) |

|
|
|
| Back to top |
|
 |
user9253
Joined: 28 Mar 2008 Posts: 1967 Location: Riley TWP Michigan
|
Posted: Thu Aug 13, 2020 3:52 pm Post subject: Re: Z-16 with a sprinkling of Z-12...help? |
|
|
The black wire both enables the regulator output and provides voltage sensing.
Connect it to the main power bus through both a 3 amp fuse and a switch.
The switch is required to shut off the regulator in case of smoke or fire.
Shutting off the battery contactor will not shut down an alternator that is already running.
Mount the regulator to an aluminum surface with heat conductive paste.
Provide forced air cooling if possible.
If the regulator ever fails, consider buying part number AM101406,or
MIA881279, or JDR1406 on eBay for as little as $17.
| | - The Matronics AeroElectric-List Email Forum - | | | Use the List Feature Navigator to browse the many List utilities available such as the Email Subscriptions page, Archive Search & Download, 7-Day Browse, Chat, FAQ, Photoshare, and much more:
http://www.matronics.com/Navigator?AeroElectric-List |
|
_________________ Joe Gores |
|
| Back to top |
|
 |
user9253
Joined: 28 Mar 2008 Posts: 1967 Location: Riley TWP Michigan
|
Posted: Thu Aug 13, 2020 3:55 pm Post subject: Re: Z-16 with a sprinkling of Z-12...help? |
|
|
Ground wires should be the same size as the positive wire. Use 12 AWG.
| | - The Matronics AeroElectric-List Email Forum - | | | Use the List Feature Navigator to browse the many List utilities available such as the Email Subscriptions page, Archive Search & Download, 7-Day Browse, Chat, FAQ, Photoshare, and much more:
http://www.matronics.com/Navigator?AeroElectric-List |
|
_________________ Joe Gores |
|
| Back to top |
|
 |
meat_ball
Joined: 05 Aug 2020 Posts: 27
|
Posted: Sat Aug 15, 2020 12:10 pm Post subject: Re: Z-16 with a sprinkling of Z-12...help? |
|
|
| user9253 wrote: | | Ground wires should be the same size as the positive wire. Use 12 AWG. |
Joe,
I appreciate the fact that you've answered my questions on here. Concerning the latest on the external regulator, is what I have on the diagram at the moment doing the trick?
1) I still don't know about the crowbar modules as I haven't gotten an answer about those just yet. Can you have them running in a system such as mine, both at the same time? Also, at the moment it doesn't appear that the crowbar module will automatically disconnect the external alternator...is that because of the type of regulator on the 13/8 diagram doesn't require one?
2)In looking at diagram Z-13/8 and trying to understand the text on fuselinks, I just don't get it. What is the point of having those?
I think I'm close, I just don't get the nuances and I'm sure those are the things that will put my plane in jeopardy...
Thank you again for your time everyone...
| | - The Matronics AeroElectric-List Email Forum - | | | Use the List Feature Navigator to browse the many List utilities available such as the Email Subscriptions page, Archive Search & Download, 7-Day Browse, Chat, FAQ, Photoshare, and much more:
http://www.matronics.com/Navigator?AeroElectric-List |
|
|
|
| Back to top |
|
 |
|
|
You cannot post new topics in this forum You cannot reply to topics in this forum You cannot edit your posts in this forum You cannot delete your posts in this forum You cannot vote in polls in this forum You cannot attach files in this forum You can download files in this forum
|
Powered by phpBB © 2001, 2005 phpBB Group
|