 |
Matronics Email Lists Web Forum Interface to the Matronics Email Lists
|
| View previous topic :: View next topic |
| Author |
Message |
melstien
Joined: 02 Feb 2013 Posts: 4
|
Posted: Mon Nov 08, 2021 3:10 pm Post subject: RV-10 Electrical Review with Electric AC and FlyEFII |
|
|
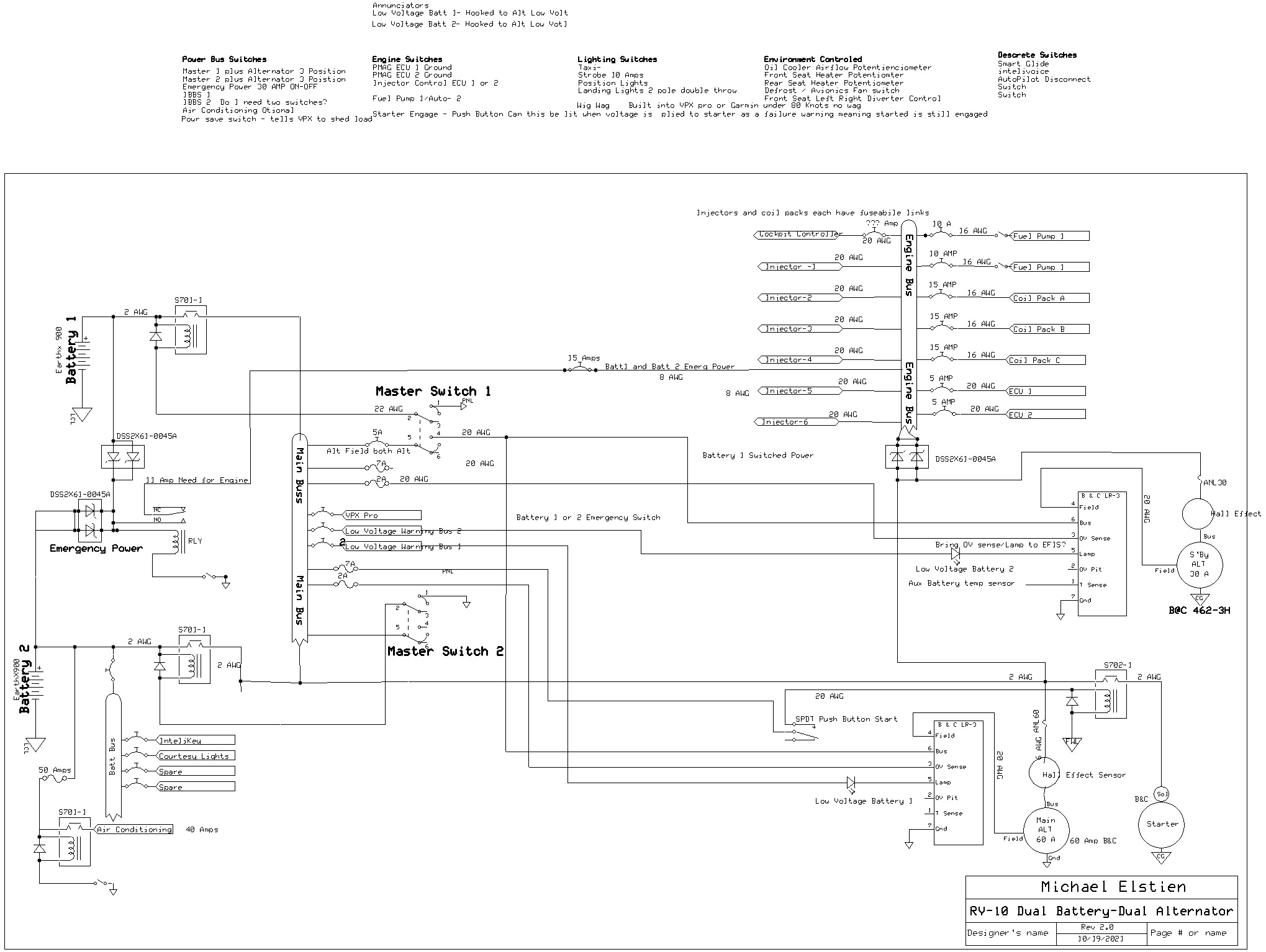
Hello,
I am looking to finalize my electrical system prior to running wires and electronics.
Mission - IFR cross country trips with my wife around the US
Airplane Specifics:
-RV-10
-BPE IO-540 D4A5 with 9:1 compression
-Fly EFII System 32 with dual controller and electronic injection and ignition
-BnC Primary belt driven alternator and controller
-BnC rear spline driven alternator and controller
-VPX-Pro to run most electronics, the engine will not be on the VPX Pro
-Electric Air Conditioner 12 volts DC at 40 Amps Max
-Electronics are all Garmin 2 screen with GTN750, audio panel, second radio, remote transponder, and 3 axis autopilot
-IBBS batteries (qty2) to keep critical flight electronics running when -Master(s) are turned off
-Batteries planned to be in rear as per plans (Earthx ETX900) qty 2 planned.
-Fly LED works Package plus one extra dual LED landing light in the cowing
Summary of electrical schematic: I have leveraged the Z101 architecture and added a second battery and master switch for it, mostly for separate Air Conditioner control and second battery charging/isolation. The AC connection is a relay or contactor and is on the hot side of the second battery master. This was done to isolate the second battery from all other ships power when needed, like when running AC on the ground or during take-off and landing operations. During flight I can turn on the second master, re-charge the second battery, run the AC off the alternator and have the extra capacity available if needed for emergency flight ops.
Alternators: Only one will be providing power at any one time. The second one on the vac pad will be set to a lower voltage and will only output power when the primary alternator voltage goes low or craps out. I may not have the sense wire or field wires correctly connected. I wish to have them both active/standby at the same time. Can one switch do this or is it best to have two switches?
Loads. The engine will require 11 Amps at full load to run the dual ECUs, 6 injectors and 3 quad coil packs and misc. engine instruments, according the manufacturer. I have individual fused power wires from each injector and each coil going to the engine bus.
One EarthX ETX900 will run a 16 amp load for close to 60 minutes.
Mission critical electronics will be powered in an emergency from the IBBS batteries if no other power is available.
I do have a hot buss that is used only for some minor items.
Example of emergency: Fire/smoke in the cockpit- both masters off, fuel off. Engine gets really quite. Select location and turn to it for landing and stabilize the aircraft in a best glide. Smart glide will be useful. If needed and if advisable, I could turn on the Emergency engine power switch and energize the engine bus. The engine buss isolated from the main power feeds using diodes.
I have read many discussions about the EFI systems vs mechanical/traditional systems. I am not asking for feedback on that aspect unless there is new information or facts that can contribute to the discussion.
One additional idea I was thinking about was to just add the second battery to the firewall and have it run just the engine in an emergency. The cable runs will be much shorter and keep everything a bit more location contained. W&B will be impacted and needs to be considered.
I welcome and appreciate feedback on the design based on my mission.
Michael
| | - The Matronics AeroElectric-List Email Forum - | | | Use the List Feature Navigator to browse the many List utilities available such as the Email Subscriptions page, Archive Search & Download, 7-Day Browse, Chat, FAQ, Photoshare, and much more:
http://www.matronics.com/Navigator?AeroElectric-List |
|
| Description: |
|
| Filesize: |
62.89 KB |
| Viewed: |
5288 Time(s) |

|
|
|
| Back to top |
|
 |
user9253
Joined: 28 Mar 2008 Posts: 1972 Location: Riley TWP Michigan
|
Posted: Mon Nov 08, 2021 4:32 pm Post subject: Re: RV-10 Electrical Review with Electric AC and FlyEFII |
|
|
There is a 15 amp breaker in series with the engine bus. Increase its size to 30 or 40 or eliminate it completely.
It is best that each alternator field have its own switch and breaker. Eliminate the single point of failure.
B&C calls for an incandescent low voltage lamp. A LED can be used if connected with series and parallel resistors of the proper size.
The alternator ANL fuses should be located at the battery end of the "B" leads, not close to the alternators.
Those fuses will limit battery current. Alternator output does not need to be fused because alternators are self current limiting.
| | - The Matronics AeroElectric-List Email Forum - | | | Use the List Feature Navigator to browse the many List utilities available such as the Email Subscriptions page, Archive Search & Download, 7-Day Browse, Chat, FAQ, Photoshare, and much more:
http://www.matronics.com/Navigator?AeroElectric-List |
|
_________________ Joe Gores |
|
| Back to top |
|
 |
ronburnett(at)charter.net Guest
|
Posted: Mon Nov 08, 2021 7:33 pm Post subject: RV-10 Electrical Review with Electric AC and FlyEFII |
|
|
My dual EFII32, 2 GRT 7 inch EFIS and strobes runs 18-19 amps on my RV-6A and 21 with wigwags.
Ron Burnett
May you have the Lord's blessings today!
Sent from my iPad
| Quote: | On Nov 8, 2021, at 5:12 PM, melstien <michael(at)elstien.us> wrote:
Hello,
I am looking to finalize my electrical system prior to running wires and electronics.
Mission - IFR cross country trips with my wife around the US
Airplane Specifics:
-RV-10
-BPE IO-540 D4A5 with 9:1 compression
-Fly EFII System 32 with dual controller and electronic injection and ignition
-BnC Primary belt driven alternator and controller
-BnC rear spline driven alternator and controller
-VPX-Pro to run most electronics, the engine will not be on the VPX Pro
-Electric Air Conditioner 12 volts DC at 40 Amps Max
-Electronics are all Garmin 2 screen with GTN750, audio panel, second radio, remote transponder, and 3 axis autopilot
-IBBS batteries (qty2) to keep critical flight electronics running when -Master(s) are turned off
-Batteries planned to be in rear as per plans (Earthx ETX900) qty 2 planned.
-Fly LED works Package plus one extra dual LED landing light in the cowing
Summary of electrical schematic: I have leveraged the Z101 architecture and added a second battery and master switch for it, mostly for separate Air Conditioner control and second battery charging/isolation. The AC connection is a relay or contactor and is on the hot side of the second battery master. This was done to isolate the second battery from all other ships power when needed, like when running AC on the ground or during take-off and landing operations. During flight I can turn on the second master, re-charge the second battery, run the AC off the alternator and have the extra capacity available if needed for emergency flight ops.
Alternators: Only one will be providing power at any one time. The second one on the vac pad will be set to a lower voltage and will only output power when the primary alternator voltage goes low or craps out. I may not have the sense wire or field wires correctly connected. I wish to have them both active/standby at the same time. Can one switch do this or is it best to have two switches?
Loads. The engine will require 11 Amps at full load to run the dual ECUs, 6 injectors and 3 quad coil packs and misc. engine instruments, according the manufacturer. I have individual fused power wires from each injector and each coil going to the engine bus.
One EarthX ETX900 will run a 16 amp load for close to 60 minutes.
Mission critical electronics will be powered in an emergency from the IBBS batteries if no other power is available.
I do have a hot buss that is used only for some minor items.
Example of emergency: Fire/smoke in the cockpit- both masters off, fuel off. Engine gets really quite. Select location and turn to it for landing and stabilize the aircraft in a best glide. Smart glide will be useful. If needed and if advisable, I could turn on the Emergency engine power switch and energize the engine bus. The engine buss isolated from the main power feeds using diodes.
I have read many discussions about the EFI systems vs mechanical/traditional systems. I am not asking for feedback on that aspect unless there is new information or facts that can contribute to the discussion.
One additional idea I was thinking about was to just add the second battery to the firewall and have it run just the engine in an emergency. The cable runs will be much shorter and keep everything a bit more location contained. W&B will be impacted and needs to be considered.
I welcome and appreciate feedback on the design based on my mission.
Michael
Read this topic online here:
http://forums.matronics.com/viewtopic.php?p=504034#504034
Attachments:
http://forums.matronics.com//files/rv_10_11_8_2021_review_draft_285.png
|
| | - The Matronics AeroElectric-List Email Forum - | | | Use the List Feature Navigator to browse the many List utilities available such as the Email Subscriptions page, Archive Search & Download, 7-Day Browse, Chat, FAQ, Photoshare, and much more:
http://www.matronics.com/Navigator?AeroElectric-List |
|
|
|
| Back to top |
|
 |
johnbright

Joined: 14 Dec 2011 Posts: 167 Location: Newport News, VA
|
Posted: Tue Nov 09, 2021 10:55 am Post subject: Re: RV-10 Electrical Review with Electric AC and FlyEFII |
|
|
Some quick thoughts re RV-10 Dual Battery - Dual Alternator rev 2.0 schematic:
Excellent you put a rev level on your schematic.
Be cautious about unintended consequences of altering Z schematics. An FMEA is in order; FWIW mine is called Failure Analysis and is in Engineering Basic Stuff folder at https://drive.google.com/drive/folders/1u6GeZo6pmBWsKykLNVQMvu4o1VEVyP4K?usp=sharing Complying with FAR 23.1361 Master Switch Arrangement is desirable also.
With a 40A air contidioner, total load could sag the main alternator and cause total field current to both alternators to trip a 5A breaker; as pointed out earlier, that CB is an SPOFs for both alternators so separate CBs are called for anyway.
Engine bus:
FYI for context my plan is SDS EFI+I on a Lycoming four cylinder.
Excellent that you put each fuel pump, coilpack, and injector on it's own feed and eliminated the automatic fuel pump relay; these are SPOFs in the EFII System 32 install manual.
I believe a 10A fuse/CB for a fuel pump is OK but I take SDS' recommendation of 15A fuse for a pump and 10A fuse for a coilpack.
I calculate 14.2A for a four-cylinder SDS system at low altitude, a six-cylinder system will add a coilpack and two injectors resulting in 15.9A. I imagine EFII brand SDS brand current draws are close to one another. Ref Load Analysis in Engineering Basic Stuff folder, same link as above.
You could use 10 awg to the engine bus.
BTW, with EFII brand EFI+I on a six cylinder engine, it looks like if you lose coilpack C you lose cylinders 5 and 6.
The latest B&C LR3, rev D (LR3D), will drive an LED. LR3C will drive an LED as shown in a Bob Nuckolls' sketch; when I google "LR3_LV_Led_1.jpg" it's the top result.
BTW FYI the terminal "OV Sense", in addition to being the V sense for the crowbar, is also the V sense for the regulator.
| | - The Matronics AeroElectric-List Email Forum - | | | Use the List Feature Navigator to browse the many List utilities available such as the Email Subscriptions page, Archive Search & Download, 7-Day Browse, Chat, FAQ, Photoshare, and much more:
http://www.matronics.com/Navigator?AeroElectric-List |
|
_________________ John Bright, RV-6A
Single battery, wound-field alternator on main bus, MZ-30 PM generator on engine/essential bus.
N1921R links |
|
| Back to top |
|
 |
melstien
Joined: 02 Feb 2013 Posts: 4
|
Posted: Tue Nov 09, 2021 6:45 pm Post subject: Re: RV-10 Electrical Review with Electric AC and FlyEFII |
|
|
Hello John,
Yes, I like to keep track of my changes so I try to add revision tags. I don't always remember.
I will take a look at the failure modes and probably better align this to the Z101 and also try to organize it so it makes physical sense. That will also allow me to see where all my connection points should be. Currently it is just electrically correct (or will be if people suggest good changes)
I will add separate filed switches on the alternators. I was not sure and that was one of my questions.
The 40 Amp AC will be an experiment. I do not plan to add it to the alternator load except during level flight at altitude and near an airport. AC is a luxury. The Earthex batteries can draw at least 100 amps continuously so I think they will pick up any sag and my IBBS batteries on critical avionics are also meant to do that as well.
Engine Bus answers:
6 Cylinder as opposed to a 4 cylinder
Yes, everything will have its own power lead and the coil packs will have a fusable link and a breaker
Injectors will have a fusible link only
I planned to not have the pump on automatice failover but to run them both during takeoff, landing and fuel tank switch-overs but Robert at FLYEFII did not suggest that. he thought it might cause cavitation on the inlet. My testing using my actual fuel lines and pressure regulator indicated that running both at the same time more than doubled the current draw (4.9 amps per pump solo) and the fule flow increased marginally. I think they were both fighting each other to supply pressure at the pump outlet and it was still only going through qty 1 -3/8 inch hose.
I had thought about splicing each injector wire and coil pack power feed into 2 wires and feeding them off Engine Bus A and engine Bus B all with diode isolation. The schematic looked cool but it introduced to many connections points which would probably have increased failures.
FLYEFII suggests a 10 Amp fuse for the for the pumps and my load testing indicates they only use 4.9 when run separately. I can review the wires size I used and see if it will support a 12 or 15 amp breaker.
FlyEFII did not state what the coil pack would need when powered separately. They have the coil packs and the injectors all being fed by 1 15 amp fuse. I suspect that the coil packs will still need a 15 amp fuse per coil pack because they all charge at different times, so splitting them into 3 does not reduce the peak current, just the frequency it occurs. (I am a Mech Engineer so I am looking for guidance on that.) I have reached out to FLY EFII and requested guidance.
FlyEFII informed me that the system at high RPM will consume 11 AMPs. That is all I have to go on. to meet my 1 hour of reserve, I can always move up the ETX 1200 battery. Its the same form factor and will carry an 18 amp load for 80 minutes. If that is not enough there is always the ETX1600 (120Amp/hours). Even two of the 1200's weight less than 1 PC680. Money is just the issue. Not a place to skimp.
Regarding the coil packs, cylinder 1-4 are spread across coil packs A and B so they are redundant. If you lose A or B you still have 1 working plug per cylinder 1-4. FLY EFII added the 3rd coil pack and both plugs for cylinders 5 and 6 are on the same pack. I have informed FLYEFII that I would suggest a different arrangement so both plugs were not on the same coil pack. I do know of a person who lost coil pack C and the engine ran without too much vibration, but I need to check into that story.
I have 2 LR3Ds and the higher output backup alternator. I just noticed they come with an amber light. I will ties these outputs into my EFIS but a good light is also nice. I Prefer LED for lower heat and better vibration and longer life.
OV Sense, so this is the contact that senses the buss voltage and is used to increase or decrease the voltage ouput? I have them both going to the Main Bus, but maybe the backup should go to the engine bus. There is a possibility the main bus has power but the engine bus does not. Your thoughts?
I reviewed your diagram and it is really what I intended mine to be, only with the second battery.
Thanks for the feedback. I appreciate it.
| | - The Matronics AeroElectric-List Email Forum - | | | Use the List Feature Navigator to browse the many List utilities available such as the Email Subscriptions page, Archive Search & Download, 7-Day Browse, Chat, FAQ, Photoshare, and much more:
http://www.matronics.com/Navigator?AeroElectric-List |
|
|
|
| Back to top |
|
 |
cluros(at)gmail.com Guest
|
Posted: Tue Nov 09, 2021 7:51 pm Post subject: RV-10 Electrical Review with Electric AC and FlyEFII |
|
|
Hello Michael,
I’m currently debugging a FLYEFII install on a Murphy Rebel. The fuel pumps are definitely a conundrum. Fuel pump dependant aircraft are nothing new and for a century the solution has been to run both the primary and the backup pump during critical phases of flight. This doesn’t seem to work well with the FLYEFII system so they have that relay to enable only one pump at a time. If you install their “Bus Manager” it includes a circuit to keep an eye on the fuel pressure and switch to the backup pump if necessary. Without this system I see only two options:
1. Create your own monitoring and automatic switching system,
2. Run both pumps during critical phases of flight. This will require careful testing since it might cause problems in an effort to avoid a potentially catastrophic one.
As for your second battery, I would suggest putting it in the front. You’ll need to be careful not to overheat it and you’ll end up carrying ballast in the baggage compartment when light, but when heavy you’ll have more useful load.
| Quote: | On Nov 9, 2021, at 18:49, melstien <michael(at)elstien.us> wrote:
Hello John,
Yes, I like to keep track of my changes so I try to add revision tags. I don't always remember.
I will take a look at the failure modes and probably better align this to the Z101 and also try to organize it so it makes physical sense. That will also allow me to see where all my connection points should be. Currently it is just electrically correct (or will be if people suggest good changes)
I will add separate filed switches on the alternators. I was not sure and that was one of my questions.
The 40 Amp AC will be an experiment. I do not plan to add it to the alternator load except during level flight at altitude and near an airport. AC is a luxury. The Earthex batteries can draw at least 100 amps continuously so I think they will pick up any sag and my IBBS batteries on critical avionics are also meant to do that as well.
Engine Bus answers:
6 Cylinder as opposed to a 4 cylinder
Yes, everything will have its own power lead and the coil packs will have a fusable link and a breaker
Injectors will have a fusible link only
I planned to not have the pump on automatice failover but to run them both during takeoff, landing and fuel tank switch-overs but Robert at FLYEFII did not suggest that. he thought it might cause cavitation on the inlet. My testing using my actual fuel lines and pressure regulator indicated that running both at the same time more than doubled the current draw (4.9 amps per pump solo) and the fule flow increased marginally. I think they were both fighting each other to supply pressure at the pump outlet and it was still only going through qty 1 -3/8 inch hose.
I had thought about splicing each injector wire and coil pack power feed into 2 wires and feeding them off Engine Bus A and engine Bus B all with diode isolation. The schematic looked cool but it introduced to many connections points which would probably have increased failures.
FLYEFII suggests a 10 Amp fuse for the for the pumps and my load testing indicates they only use 4.9 when run separately. I can review the wires size I used and see if it will support a 12 or 15 amp breaker.
FlyEFII did not state what the coil pack would need when powered separately. They have the coil packs and the injectors all being fed by 1 15 amp fuse. I suspect that the coil packs will still need a 15 amp fuse per coil pack because they all charge at different times, so splitting them into 3 does not reduce the peak current, just the frequency it occurs. (I am a Mech Engineer so I am looking for guidance on that.) I have reached out to FLY EFII and requested guidance.
FlyEFII informed me that the system at high RPM will consume 11 AMPs. That is all I have to go on. to meet my 1 hour of reserve, I can always move up the ETX 1200 battery. Its the same form factor and will carry an 18 amp load for 80 minutes. If that is not enough there is always the ETX1600 (120Amp/hours). Even two of the 1200's weight less than 1 PC680. Money is just the issue. Not a place to skimp.
Regarding the coil packs, cylinder 1-4 are spread across coil packs A and B so they are redundant. If you lose A or B you still have 1 working plug per cylinder 1-4. FLY EFII added the 3rd coil pack and both plugs for cylinders 5 and 6 are on the same pack. I have informed FLYEFII that I would suggest a different arrangement so both plugs were not on the same coil pack. I do know of a person who lost coil pack C and the engine ran without too much vibration, but I need to check into that story.
I have 2 LR3Ds and the higher output backup alternator. I just noticed they come with an amber light. I will ties these outputs into my EFIS but a good light is also nice. I Prefer LED for lower heat and better vibration and longer life.
OV Sense, so this is the contact that senses the buss voltage and is used to increase or decrease the voltage ouput? I have them both going to the Main Bus, but maybe the backup should go to the engine bus. There is a possibility the main bus has power but the engine bus does not. Your thoughts?
I reviewed your diagram and it is really what I intended mine to be, only with the second battery.
Thanks for the feedback. I appreciate it.
Read this topic online here:
http://forums.matronics.com/viewtopic.php?p=504060#504060
|
| | - The Matronics AeroElectric-List Email Forum - | | | Use the List Feature Navigator to browse the many List utilities available such as the Email Subscriptions page, Archive Search & Download, 7-Day Browse, Chat, FAQ, Photoshare, and much more:
http://www.matronics.com/Navigator?AeroElectric-List |
|
|
|
| Back to top |
|
 |
|
|
You cannot post new topics in this forum You cannot reply to topics in this forum You cannot edit your posts in this forum You cannot delete your posts in this forum You cannot vote in polls in this forum You cannot attach files in this forum You can download files in this forum
|
Powered by phpBB © 2001, 2005 phpBB Group
|