 |
Matronics Email Lists Web Forum Interface to the Matronics Email Lists
|
| View previous topic :: View next topic |
| Author |
Message |
fly4grins(at)gmail.com Guest
|
Posted: Thu Aug 11, 2022 2:56 am Post subject: Ground power |
|
|
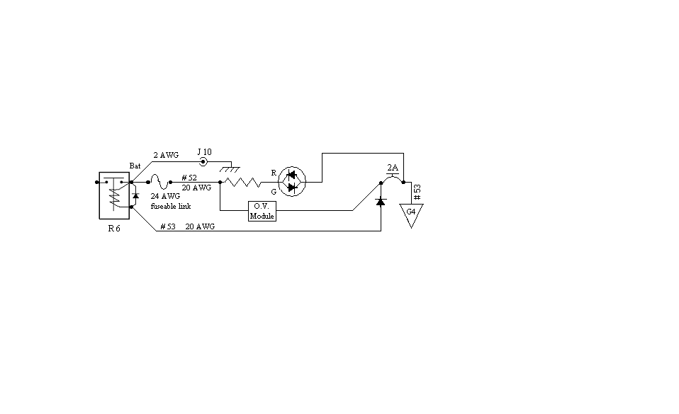
On Thu, Aug 11, 2022 at 6:38 AM AeroElectric-List Digest Server <aeroelectric-list(at)matronics.com (aeroelectric-list(at)matronics.com)> wrote:
| Quote: | *
I don't know if a reverse voltage or reverse current sensor is available at a reasonable
price.
If so, the sensor could monitor the current or voltage drop on the cable that goes
between the ground power contactor and aircraft battery
contactor and could open the ground-power contactor coil circuit when current
is reversed.
|
Consider this:
[img]cid:ii_l6oxaga81[/img]
| | - The Matronics AeroElectric-List Email Forum - | | | Use the List Feature Navigator to browse the many List utilities available such as the Email Subscriptions page, Archive Search & Download, 7-Day Browse, Chat, FAQ, Photoshare, and much more:
http://www.matronics.com/Navigator?AeroElectric-List |
|
| Description: |
|
| Filesize: |
1.6 MB |
| Viewed: |
4769 Time(s) |

|
|
|
| Back to top |
|
 |
nuckolls.bob(at)aeroelect Guest
|
Posted: Thu Aug 11, 2022 5:35 am Post subject: Ground power |
|
|
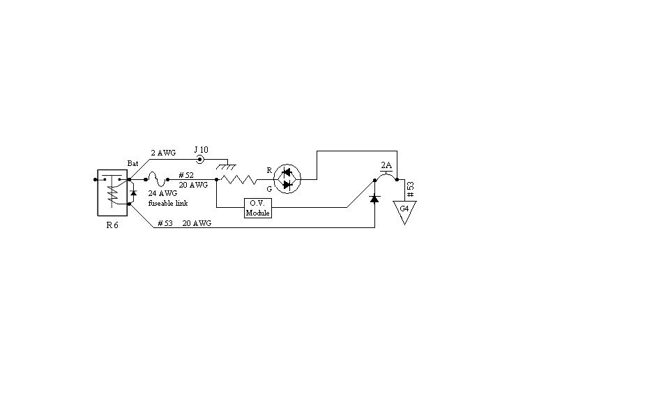
| Quote: | Consider this:
[img]cid:7.1.0.9.0.20220811083024.024fec08(at)aeroelectric.com.1[/img] |
That's what most of the folks decided on . . . but the
ground side of the annunciator needs to go
on the other side of the control-breaker so that
the light goes out when the breaker is open. The
series diode on the coil circuit is not necessary . . .
the spike catcher across the coil prevents energizing
the ground power contactor with reversed polarity
power.
Bob . . .
Un impeachable logic: George Carlin asked, "If black boxes
survive crashes, why don't they make the whole airplane
out of that stuff?"
| | - The Matronics AeroElectric-List Email Forum - | | | Use the List Feature Navigator to browse the many List utilities available such as the Email Subscriptions page, Archive Search & Download, 7-Day Browse, Chat, FAQ, Photoshare, and much more:
http://www.matronics.com/Navigator?AeroElectric-List |
|
| Description: |
|
| Filesize: |
1.6 MB |
| Viewed: |
4766 Time(s) |

|
|
|
| Back to top |
|
 |
fly4grins(at)gmail.com Guest
|
Posted: Fri Aug 12, 2022 3:33 am Post subject: Ground power |
|
|
| Quote: |
With regard to the indicator LED, my intention was that the polarity indicator, and especially the reverse polarity indication, be functional regardless of the breaker condition. The choice of a bidirectional LED for the indicator was due to simplicity and the fact I've got a stack of them on hand. It would be a minor thing to go to discrete indicators.
As to the reverse polarity diode in the contactor ground line, my thoughts are that the spike catching diode on the coil wouldn't be long for this world if reverse polarity external power were applied across it, and then the contactor would close.
Thoughts?
|
| | - The Matronics AeroElectric-List Email Forum - | | | Use the List Feature Navigator to browse the many List utilities available such as the Email Subscriptions page, Archive Search & Download, 7-Day Browse, Chat, FAQ, Photoshare, and much more:
http://www.matronics.com/Navigator?AeroElectric-List |
|
|
|
| Back to top |
|
 |
user9253
Joined: 28 Mar 2008 Posts: 1972 Location: Riley TWP Michigan
|
Posted: Fri Aug 12, 2022 5:48 am Post subject: Re: Ground power |
|
|
I like your circuit. It will not pop the breaker in case the aux power polarity is
reversed. Nothing will happen except that the red light will come on.
But the circuit does not solve the problem of the contactor remaining
energized until the aircraft battery is depleted, that is if the pilot does not
shut off the aux power switch. Ideally the aux contactor would drop out
when the aux power plug is removed.
| | - The Matronics AeroElectric-List Email Forum - | | | Use the List Feature Navigator to browse the many List utilities available such as the Email Subscriptions page, Archive Search & Download, 7-Day Browse, Chat, FAQ, Photoshare, and much more:
http://www.matronics.com/Navigator?AeroElectric-List |
|
_________________ Joe Gores |
|
| Back to top |
|
 |
nuckolls.bob(at)aeroelect Guest
|
Posted: Fri Aug 12, 2022 10:40 am Post subject: Ground power |
|
|
At 08:48 AM 8/12/2022, you wrote:
| Quote: | --> AeroElectric-List message posted by: "user9253" <fransew(at)gmail.com>
I like your circuit. It will not pop the breaker in case the aux power polarity is
reversed. Nothing will happen except that the red light will come on. |
The catch diode across the coil takes care of that.
It prevents the contactor from responding to reverse
power while presenting a 'fault' current to the
breaker/switch.
| Quote: | Nothing will happen except that the red light will come on.
But the circuit does not solve the problem of the contactor remaining
energized until the aircraft battery is depleted, that is if the pilot does not
shut off the aux power switch. |
That's what the annunciator is for . . . the light
should be illuminated only when ground power is
being used. If the contactor is 'latched' due
to pilot inattention to ground power controls,
then the light will serve as a reminder that
the switch is not properly positioned.
| Quote: | Ideally the aux contactor would drop out
when the aux power plug is removed. |
That's ONE of the reasons that the third
'pilot pin' was added to the commercial/military
version of ground power receptacles. The pin
is shorter thus preventing arcing at the
ground power plug pins during mate/demate
in addition to de-energizing the ground
power contactor any time the power cart
is not plugged in.
Incorporation of the Cole-Hersee, ground
vehicle power connector was a compromise
in favor of much lower, simpler cost.
Recall also that many installations of
the C-H connector on aircraft did not
include a pilot operated ground power
contator (as explained in my article
of some years back).
The contactor center pin was simply
hardwired to the ships bus structure.
This is lead to an incident I cited
when departing Kansas City on a very
cold morning. The ground power operator
had his back turned to me while dumping
28v into my 14v airplane.
Lack of pilot control opened a door
for the ov event I experienced. It also
made for erosion of the center pin on
FBO ground power cables AND customer
ground power jacks when the connector
was mated/demated under load.
That incident prompted the article
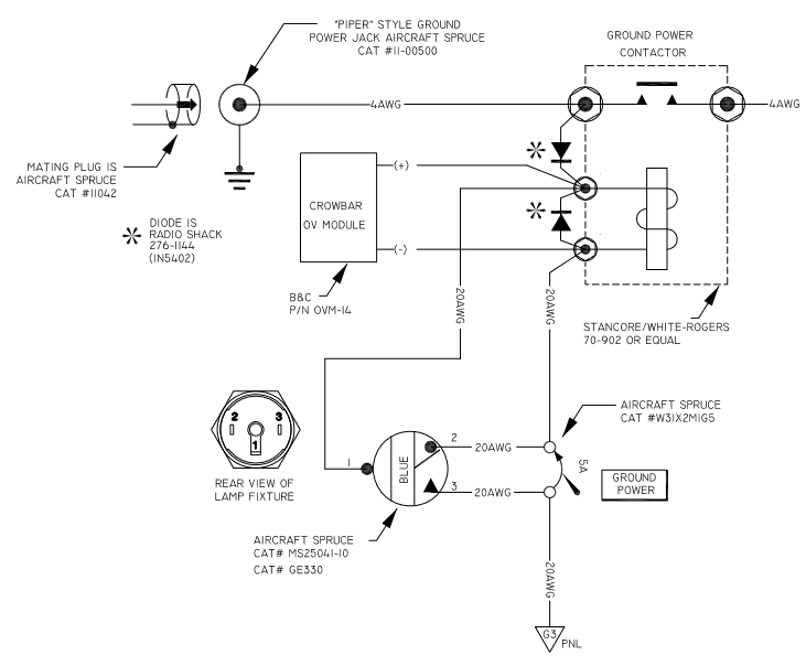
back in '97. Here's a clip of the suggested
wiring. Note steering/clamp diodes that will
deal with reverse polarity. OV crowbar for
the high voltage issue. Annunciator that
speaks to (1) availability of power at the
connector and (2) mis-positioned switch
after ground power is disconnected. The
annunciator press-to-test feature added
a way to see if ground power was indeed
available before closing the ground power
switch. Finally, adding the contactor and
switch put the whole situation under the
pilot's control.
Bob . . .
Un impeachable logic: George Carlin asked, "If black boxes
survive crashes, why don't they make the whole airplane
out of that stuff?"
| | - The Matronics AeroElectric-List Email Forum - | | | Use the List Feature Navigator to browse the many List utilities available such as the Email Subscriptions page, Archive Search & Download, 7-Day Browse, Chat, FAQ, Photoshare, and much more:
http://www.matronics.com/Navigator?AeroElectric-List |
|
| Description: |
|
| Filesize: |
82 KB |
| Viewed: |
4730 Time(s) |

|
|
|
| Back to top |
|
 |
fasilpereira
Joined: 17 Jul 2011 Posts: 86 Location: Brazil
|
Posted: Fri Sep 09, 2022 7:08 am Post subject: Re: Ground power |
|
|
| Quote: | Incorporation of the Cole-Hersee, ground
vehicle power connector was a compromise
in favor of much lower, simpler cost.
Recall also that many installations of
the C-H connector on aircraft did not
include a pilot operated ground power
contator (as explained in my article
of some years back).
The contactor center pin was simply
hardwired to the ships bus structure.
This is lead to an incident I cited
when departing Kansas City on a very
cold morning. The ground power operator
had his back turned to me while dumping
28v into my 14v airplane.
Lack of pilot control opened a door
for the ov event I experienced. It also
made for erosion of the center pin on
FBO ground power cables AND customer
ground power jacks when the connector
was mated/demated under load. |
Bob and others,
I’m considering installing a C-H connector on my aircraft to be used in case of difficulties during engine start. The plan is to build a cable with a male C-H connector and jaws clamps and keep it in the aircraft.
Here in Brazil it is virtually impossible to find an FBO with a 12V power cart and the 24V one’s always have the 3-pin connectors. So if I ever use this cable, that will be plugged to a 4-wheeled vehicle and Ill have to be the one doing it.
That being said, I’m considering hardwiring the C-H connector directly to the Battery Master relay and skip all the other relays and diodes, in favor of simplicity, weight and cost.
Do you see any other downsides on this setup other than the risk of reversed polarity (I don’t think I’ll do that mistake), wrong voltage (there is no 24V ground power available with a C-H connector in the country) or connector erosion (It is not going to be a problem because it won’t be used frequently)?
Thank you,
Fabricio
| | - The Matronics AeroElectric-List Email Forum - | | | Use the List Feature Navigator to browse the many List utilities available such as the Email Subscriptions page, Archive Search & Download, 7-Day Browse, Chat, FAQ, Photoshare, and much more:
http://www.matronics.com/Navigator?AeroElectric-List |
|
_________________ Fabricio Pereira
Engineer / Pilot |
|
| Back to top |
|
 |
nuckolls.bob(at)aeroelect Guest
|
Posted: Sat Sep 10, 2022 3:15 am Post subject: Ground power |
|
|
| Quote: |
I'm considering installing a C-H connector on my aircraft to be used in case of difficulties during engine start. The plan is to build a cable with a male C-H connector and jaws clamps and keep it in the aircraft.
Here in Brazil it is virtually impossible to find an FBO with a 12V power cart and the 24V one’s always have the 3-pin connectors. So if I ever use this cable, that will be plugged to a 4-wheeled vehicle and Ill have to be the one doing it. |
The overarching theme of my article on
ground power in contemporary light aircraft
was the dearth of PILOT CONTROL of the
energy supplied to the ship's systems.
Other risks were noteworthy but of minor
concern.
What you're suggesting was
standard operating procedure for most of
the Piper products that offered a ground
power option. It's a whole lot better than
digging around in the guts of an airplane
with jumper cables!
Bob . . .
Un impeachable logic: George Carlin asked, "If black boxes
survive crashes, why don't they make the whole airplane
out of that stuff?"
| | - The Matronics AeroElectric-List Email Forum - | | | Use the List Feature Navigator to browse the many List utilities available such as the Email Subscriptions page, Archive Search & Download, 7-Day Browse, Chat, FAQ, Photoshare, and much more:
http://www.matronics.com/Navigator?AeroElectric-List |
|
|
|
| Back to top |
|
 |
|
|
You cannot post new topics in this forum You cannot reply to topics in this forum You cannot edit your posts in this forum You cannot delete your posts in this forum You cannot vote in polls in this forum You cannot attach files in this forum You can download files in this forum
|
Powered by phpBB © 2001, 2005 phpBB Group
|