 |
Matronics Email Lists Web Forum Interface to the Matronics Email Lists
|
| View previous topic :: View next topic |
| Author |
Message |
cjpilot710(at)aol.com Guest
|
Posted: Sat Nov 25, 2006 3:46 pm Post subject: Hmmmmmmmmm That ain't right. |
|
|
This evening I took my CJ up for one of my "Clear the soul" acro flight at sunset. Just to spend thirty minutes with just me and the CJ having a love feast with the western sky ablaze in coral gold.
:05 minutes into my little routines, I started noticing the old girl just wasn't performing on her up lines and I started hearing a thump noise now and than. Since I had left the canopy cover in the baggage compartment, I though that it was since I would hear it as I would release back pressure on some of the over the top maneuvers. Than on the last maneuver I heard a very healthy 'clunk' (Hmmmmmmmmm that ain't right). I decided to stop right there and set myself for a landing on our airpark right under me. I looked down at my system air pressure gage and she was reading 25 atoms. Hmmmmmmmm that ain't right either. I was either losing though a leak or my compressor has crapped out.
The "thump" and "clunk" were my landing gear. On my CJ there are NO up locks (yes, it came that way) so that if I loose system pressure (below 20 atoms) the gear starts to fall "automatically". My emergency gear extension procedures are a little different than most CJ-6s. I simply put the gear down, wait for them to fall, than open the emergency valve to lock them over center. Yes - I have to keep my gear handle in the up position all the time and no - it will not wear out anything. Been doing it that way for over 1,500 hours and 11 years now.
What was happening here was, I was loosing pressure to the point when I pulled any G's the gear would start to extend, and than when I released the back pressure on the stick and dropped the G load, the gear would pop back up ( thump & clunk ) in the well.
So tomorrow afternoon I'll start to trouble shoot what is wrong. I hope its not the compressor But since I didn't hear any air leaks on the ground, I already have sneaky suspicion it may be. I may luck out. ( I can hear Doug Sapp panting already)
Stay tuned Oh fellow Aviators.
Jim "Pappy" Goolsby
[quote][b]
| | - The Matronics Yak-List Email Forum - | | | Use the List Feature Navigator to browse the many List utilities available such as the Email Subscriptions page, Archive Search & Download, 7-Day Browse, Chat, FAQ, Photoshare, and much more:
http://www.matronics.com/Navigator?Yak-List |
|
|
|
| Back to top |
|
 |
wlannon(at)cablerocket.co Guest
|
Posted: Sat Nov 25, 2006 6:43 pm Post subject: Hmmmmmmmmm That ain't right. |
|
|
Jim;
There are a number of early CJ's that had the uplocks removed in service. Even with 40 Atms in the air system pulling (and releasing) 3 or 4 G's should have the gear up lights winking at you - long before you get the thump and clunk. Assuming of course that the switches are correctly adjusted.
Cheers;
Walt
[quote] ---
| | - The Matronics Yak-List Email Forum - | | | Use the List Feature Navigator to browse the many List utilities available such as the Email Subscriptions page, Archive Search & Download, 7-Day Browse, Chat, FAQ, Photoshare, and much more:
http://www.matronics.com/Navigator?Yak-List |
|
|
|
| Back to top |
|
 |
cjpilot710(at)aol.com Guest
|
Posted: Sat Nov 25, 2006 10:27 pm Post subject: Hmmmmmmmmm That ain't right. |
|
|
In a message dated 11/25/2006 9:45:47 P.M. Eastern Standard Time, wlannon(at)cablerocket.com writes:
You may be right. I'm too busy watching out side, I'm sure to miss seeing that. Next time I'll bring my eyes for quick look.
Jim
[quote] Jim;
There are a number of early CJ's that had the uplocks removed in service. Even with 40 Atms in the air system pulling (and releasing) 3 or 4 G's should have the gear up lights winking at you - long before you get the thump and clunk. Assuming of course that the switches are correctly adjusted.
Cheers;
Walt
[quote] ---
| | - The Matronics Yak-List Email Forum - | | | Use the List Feature Navigator to browse the many List utilities available such as the Email Subscriptions page, Archive Search & Download, 7-Day Browse, Chat, FAQ, Photoshare, and much more:
http://www.matronics.com/Navigator?Yak-List |
|
|
|
| Back to top |
|
 |
mj(at)yakuk.com Guest
|
Posted: Sun Nov 26, 2006 1:48 am Post subject: Hmmmmmmmmm That ain't right. |
|
|
It astounds me that for 11 years you have known about this problem and done
nothing about it !! Just because you took delivery of the a/c with parts
missing does that mean its OK?
At 4 G you are on the gear limit speed. The P51 would tear its wing off if
the gear deployed at maneuvering speed I am told (is that true?)
Just goes to show how non airworthy a/c can fly in the USA and hide behind
"its my freedom to do so - or right"
BTW, there is an SB on YAK 11 that said keep the gear lever in up position
in flight. I deduce that other CJ owners may not be doing this. The reason
being is to prevent damage to the U/C. The same reason exists today on all
YAK types.
B,BTW it was Dan McCue in 2004 and apparently got 9G on the clock. Can
anyone asses from the video what his airspeed was to be sure it was 9G? Is
the 9G stall at approx 240 kts on a YAK 3?
| | - The Matronics Yak-List Email Forum - | | | Use the List Feature Navigator to browse the many List utilities available such as the Email Subscriptions page, Archive Search & Download, 7-Day Browse, Chat, FAQ, Photoshare, and much more:
http://www.matronics.com/Navigator?Yak-List |
|
|
|
| Back to top |
|
 |
rvfltd(at)televar.com Guest
|
Posted: Sun Nov 26, 2006 12:02 pm Post subject: Hmmmmmmmmm That ain't right. |
|
|
Pappy,
Check your gear up hoses. Years back I had the same symptoms in the mini yak and found the "up" hoses were leaking badly. I suspect that your hoses (in your CJ) are nearly as old as you are, so you might check there first.
And by the way, I DON'T pant........might salivate a bit, or even drool in an extreme circumstance, but I do not pant!! ;O)
Best to all from Omak.
Always Yakin,
Doug Sapp [quote] --
| | - The Matronics Yak-List Email Forum - | | | Use the List Feature Navigator to browse the many List utilities available such as the Email Subscriptions page, Archive Search & Download, 7-Day Browse, Chat, FAQ, Photoshare, and much more:
http://www.matronics.com/Navigator?Yak-List |
|
|
|
| Back to top |
|
 |
cjpilot710(at)aol.com Guest
|
Posted: Sun Nov 26, 2006 4:48 pm Post subject: Hmmmmmmmmm That ain't right. |
|
|
In a message dated 11/26/2006 4:50:46 A.M. Eastern Standard Time, mj(at)yakuk.com writes:
Mark,
| Quote: | --> Yak-List message posted by: "Mark Jefferies YAK UK" <mj(at)yakuk.com>
It astounds me that for 11 years you have known about this problem and done
nothing about it !! Just because you took delivery of the a/c with parts
missing does that mean its OK? | First of all that is the way it came to the USA. The Chinese said it was "airworthy" when I got it. And I've seem one manual schematics that shows NO up locks. For me this NOT a problem.
At 4 G you are on the gear limit speed. The P51 would tear its wing off if
the gear deployed at maneuvering speed I am told (is that true?)
I enter my loops at 140 kts IAS (engine is an M-14P and just me). I pull 2.5 to 3 Gs. I don't need any more than that. It is the way I fly my loops. I am not interested in a perfect circle. (Been there done that)
Just goes to show how non airworthy a/c can fly in the USA and hide behind
"its my freedom to do so - or right"
Well I wouldn't say that. To me "airworthy" is a relative term. There are some aircraft that meet very letter of their TC and shouldn't be in the air as far as I'm concern. Take the B19 airliner. No airplane should have all those extra stabilizers just to fly straight and level.
As for a "freedom" here in the US - that's not quite correct. The government issue us the "privilege" to fly. But in fact too, half the residents on my airpark here in Florida are from England. One even brought over his Tiger Moth on floats. Another brought his Chipmunk. Please don't start knocking my country. It's the only one I have.
| Quote: |
BTW, there is an SB on YAK 11 that said keep the gear lever in up position
in flight. I deduce that other CJ owners may not be doing this. The reason
being is to prevent damage to the U/C. The same reason exists today on all
YAK types.
| There was a debate here on the CJ, on weather to put the gear handle in the OFF position after gear retraction. The argument was that it did not "wear out" the seals in the actuators. What wears out the seals is movement, not pressure. Another argument was that it took the load of the compressor. The truth is that pressure is pressure. The pressure is the same with the gear handle UP or OFF and is controlled by the regulator. The only time the compressor isn't "working" and not sucking h/p off the engine, is if it's output is dumped directly over board. Some 18T's have this feature. I don't like it. Just one more thing to go wrong.
The Chinese manual does say that the gear handle should be moved to OFF after retraction. This would not work on the CJs that do not have up locks. But I like to point that NOT all manual procedures are correct. A number of us that were once at PAA, can point- very poignantly - to the lost of 3 great guys lost because they followed Boeing manual procedures.
B,BTW it was Dan McCue in 2004 and apparently got 9G on the clock. Can
anyone asses from the video what his airspeed was to be sure it was 9G? Is
the 9G stall at approx 240 kts on a YAK 3?
It'd be interesting to see the Yak 3 flight envelope ( G vs IAS ). What would be the IAS at Va? I have no idea. As long as the AoA does not go passed critical the airplane should fly around it's circle. The flight path of the Yak in the video, didn't seem to be "panning out" and made that last part of the pull, pretty much aligned with the fuselage's longitudinal axis and flight path. That indicates he was well with-in the G vs IAS envelope. BUT I am not an aerodynamic engineer.
Any way I'll let yawl know what I find out with my air problem.
Jim "Pappy" Goolsby
[quote][b]
| | - The Matronics Yak-List Email Forum - | | | Use the List Feature Navigator to browse the many List utilities available such as the Email Subscriptions page, Archive Search & Download, 7-Day Browse, Chat, FAQ, Photoshare, and much more:
http://www.matronics.com/Navigator?Yak-List |
|
|
|
| Back to top |
|
 |
cjpilot710(at)aol.com Guest
|
Posted: Tue Nov 28, 2006 4:55 pm Post subject: Hmmmmmmmmm That ain't right. |
|
|
Well I found out what the problem was. The QS-1 valve was the culprit. It was full of rust and corruption. I started the search by pressurizing the system with nitrogen to replenish the system tank since it was to low for a start. In doing so I could hear air escaping from somewhere in the belly. I traced it to the QS-1. I replaced it with one I already had on the shelf. Bingo problem solved. Test flight with some acro thrown in, showed all back to "normal".
I can replace the rubber seal in the valve and the steel springs inside and she'll be put on the parts shelf, well oiled and greased in a baggy.
Before this week-end I want to put her up on jacks. Retract the landing gear, than turn off the main air valve. I'll than note the time and gage pressure it takes before the gear starts to fall. Somewhere I remember reading that the minimum pressure for gear operation was 25 atmospheres and minimum pressure for brakes was 10 atmospheres. How quickly the pressure comes down will depend on seal wear and condition but it'll give me some idea anyway.
It's kind-a nice going into the holidays knowing I don't have to change a compressor (knock on wood).
Tomorrow I plan to take her on a short trip to New Smyrna to check on the B-24. Maybe take a look at those parts you never get to see unless the mechanics have the lady (Witchcraft) all apart working on her. Of course I'll have to take their beefs about how us pilots always break things.
God help me! I do love it so.
Jim (Pappy) Goolsby
[quote][b]
| | - The Matronics Yak-List Email Forum - | | | Use the List Feature Navigator to browse the many List utilities available such as the Email Subscriptions page, Archive Search & Download, 7-Day Browse, Chat, FAQ, Photoshare, and much more:
http://www.matronics.com/Navigator?Yak-List |
|
|
|
| Back to top |
|
 |
N13472(at)aol.com Guest
|
Posted: Tue Nov 28, 2006 6:17 pm Post subject: Hmmmmmmmmm That ain't right. |
|
|
In a message dated 11/28/2006 4:57:36 P.M. Pacific Standard Time, cjpilot710(at)aol.com writes:
| Quote: | | Somewhere I remember reading that the minimum pressure for gear operation was 25 atmospheres and minimum pressure for brakes was 10 atmospheres. How quickly the pressure comes down will depend on seal wear and condition but it'll give me some idea anyway. |
Pappy with my plane on the jacks I have retracted in to the locks and extended the gear to
the down and locked position using shop air at 130 Psi or approx 9 atmospheres.
Tom Elliott
CJ-6 NX63727
Sandy Valley NV
3L2
702-723-1223
[quote][b]
| | - The Matronics Yak-List Email Forum - | | | Use the List Feature Navigator to browse the many List utilities available such as the Email Subscriptions page, Archive Search & Download, 7-Day Browse, Chat, FAQ, Photoshare, and much more:
http://www.matronics.com/Navigator?Yak-List |
|
|
|
| Back to top |
|
 |
KingCJ6(at)aol.com Guest
|
Posted: Tue Nov 28, 2006 7:44 pm Post subject: Hmmmmmmmmm That ain't right. |
|
|
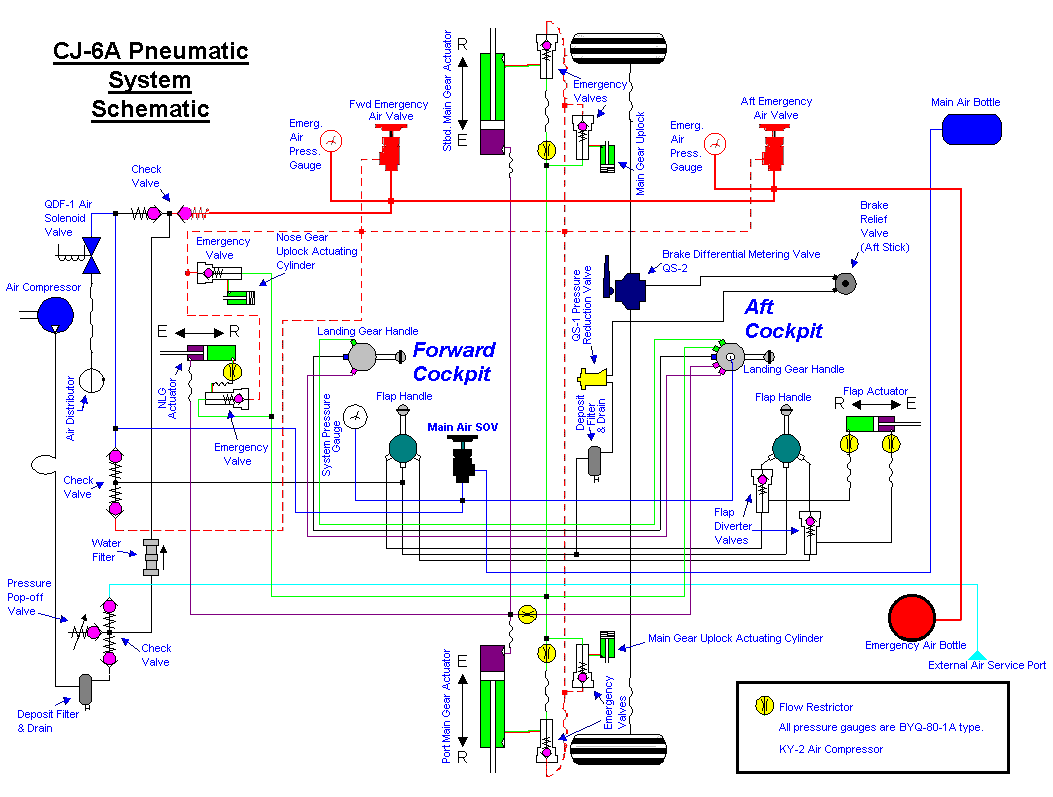
Jim - for those of us without immediate access to the manual, what/where is the "QS-1" valve?
Thanks, Dave
In a message dated 11/28/2006 4:57:36 PM Pacific Standard Time, cjpilot710(at)aol.com writes:
| Quote: | Well I found out what the problem was. The QS-1 valve was the culprit. It was full of rust and corruption. I started the search by pressurizing the system with nitrogen to replenish the system tank since it was to low for a start. In doing so I could hear air escaping from somewhere in the belly. I traced it to the QS-1. I replaced it with one I already had on the shelf. Bingo problem solved. Test flight with some acro thrown in, showed all back to "normal".
I can replace the rubber seal in the valve and the steel springs inside and she'll be put on the parts shelf, well oiled and greased in a baggy.
|
[quote][b]
| | - The Matronics Yak-List Email Forum - | | | Use the List Feature Navigator to browse the many List utilities available such as the Email Subscriptions page, Archive Search & Download, 7-Day Browse, Chat, FAQ, Photoshare, and much more:
http://www.matronics.com/Navigator?Yak-List |
|
|
|
| Back to top |
|
 |
ggg6(at)att.net Guest
|
Posted: Tue Nov 28, 2006 7:59 pm Post subject: Hmmmmmmmmm That ain't right. |
|
|
I'am not sure wheather this schmatic of the air system will come thur on the site, but will try to forward it. It shows what and where the QS-1 Valve is in the Sys.... Gary
| Quote: | -------------- Original message from KingCJ6(at)aol.com: --------------
Jim - for those of us without immediate access to the manual, what/where is the "QS-1" valve?
Thanks, Dave
In a message dated 11/28/2006 4:57:36 PM Pacific Standard Time, cjpilot710(at)aol.com writes:
| Quote: | Well I found out what the problem was. The QS-1 valve was the culprit. It was full of rust and corruption. I started the search by pressurizing the system with nitrogen to replenish the system tank since it was to low for a start. In doing so I could hear air escaping from somewhere in the belly. I traced it to the QS-1. I replaced it with one I already had on the shelf. Bingo problem solved. Test flight with some acro thrown in, showed all back to "normal".
I can replace the rubber seal in the valve and the steel springs inside and she'll be put on the parts shelf, well oiled and greased in a baggy.
|
|
| | - The Matronics Yak-List Email Forum - | | | Use the List Feature Navigator to browse the many List utilities available such as the Email Subscriptions page, Archive Search & Download, 7-Day Browse, Chat, FAQ, Photoshare, and much more:
http://www.matronics.com/Navigator?Yak-List |
|
| Description: |
|
| Filesize: |
411.07 KB |
| Viewed: |
323 Time(s) |

|
|
|
| Back to top |
|
 |
dave(at)davelaird.com Guest
|
Posted: Tue Nov 28, 2006 8:54 pm Post subject: Hmmmmmmmmm That ain't right. |
|
|
On the CJ6 the QS-1 is the brake pressure reducing valve... pull the
brake handle and the cable feeds down under the front cockpit and
pulls a lever attached to this valve... the air comes out of this and
goes to the QS-2 differential braking valve. The position of the
rudder pedals moves an arm on this valve which allows air to go to
the left, both, or right brakes. Center the Pedals: air equally to
both brakes. Full Left Pedal: air only to left brake, etc.
I had a similar leak to Pappy's last month, but it was my QS-2, not
my QS-1, that was going bad. My initial symptoms were loss of
pressure during taxi and run-up... but ONLY if I had a lot of left
pedal in... if I taxied/turned to the right I had no loss of
pressure! Well, maybe a small loss.... afterall....we do kind of
dance on the pedals on these birds, so any jab of left rudder would
leak some air out. At first I didn't notice it because by the time
you did a run-up the gauge would be back to 55 again...but after a
time, the problem got progressively worse until I DID notice it!
I isolated the problem by opening the main air valve prior to start
and pulling the brake handle and moving the rudder to full left
deflection... you could hear the air go into the brake circuit...but
unlike the right side, which would give a whoosh then the satisfying
little "squeal" followed by silence when the right brake/line was
full of air, the left side would go whoosh and it would keep gushing
air out of the valve as long as you had left rudder held in...if you
held it in long enough, all air from the main system would be
exhausted in this manner.
You'd hear it under your seat, because that is where the sucker lives!
If you centered the rudder amidship, or pushed right rudder, the
nasty hissing sound would go away.
I then opened up the access panel and with a helper, could feel the
air coming out of the QS-2's front side.
So I bought a new unit ( actually a QS-2B) from Doug, installed it
and all is well.
Dave Laird
N63536 1983 CJ-6A "Betty"
Dallas
| | - The Matronics Yak-List Email Forum - | | | Use the List Feature Navigator to browse the many List utilities available such as the Email Subscriptions page, Archive Search & Download, 7-Day Browse, Chat, FAQ, Photoshare, and much more:
http://www.matronics.com/Navigator?Yak-List |
|
|
|
| Back to top |
|
 |
dsavarese(at)elmore.rr.co Guest
|
Posted: Wed Nov 29, 2006 4:44 am Post subject: Hmmmmmmmmm That ain't right. |
|
|
For the Yak 52 guys, the QS-1 valve on the CJ6, which I believe is located in the center belly of the CJ fuselage inside the large inspection panel, is exactly the same as the Yak 52's brake reducing valve located in the rear cockpit under the floor panel on the right side of the control stick. The parts are interchangeable. So if your 52's brake reducing valve goes T.U., and you can't find one from the 52 parts suppliers, try our good friend Doug Sapp.
Dennis
[quote] ---
| | - The Matronics Yak-List Email Forum - | | | Use the List Feature Navigator to browse the many List utilities available such as the Email Subscriptions page, Archive Search & Download, 7-Day Browse, Chat, FAQ, Photoshare, and much more:
http://www.matronics.com/Navigator?Yak-List |
|
|
|
| Back to top |
|
 |
flushjohnson(at)charter.n Guest
|
Posted: Wed Nov 29, 2006 7:32 am Post subject: Hmmmmmmmmm That ain't right. |
|
|
You dont have to replace the valve,overhaul with new seals from Sapp. Cost
is 12$ for the QS2.
very easy to do.
---
| | - The Matronics Yak-List Email Forum - | | | Use the List Feature Navigator to browse the many List utilities available such as the Email Subscriptions page, Archive Search & Download, 7-Day Browse, Chat, FAQ, Photoshare, and much more:
http://www.matronics.com/Navigator?Yak-List |
|
|
|
| Back to top |
|
 |
|
|
You cannot post new topics in this forum You cannot reply to topics in this forum You cannot edit your posts in this forum You cannot delete your posts in this forum You cannot vote in polls in this forum You cannot attach files in this forum You can download files in this forum
|
Powered by phpBB © 2001, 2005 phpBB Group
|