 |
Matronics Email Lists Web Forum Interface to the Matronics Email Lists
|
| View previous topic :: View next topic |
| Author |
Message |
torgemor(at)online.no Guest
|
Posted: Mon Jan 22, 2007 2:01 pm Post subject: Fuel Flow, continued. |
|
|
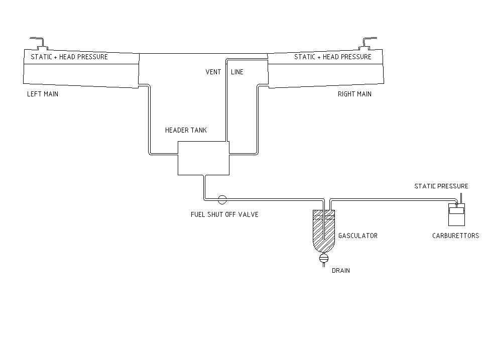
The Kitfox tank system with two wing tanks and one header tank, is using
both the head pressure and the gravity to ensure adequate fuel pressure
for our engine.
At first this might seem simple and easy, -but is it?
Let's have a look at the system as it is today; with two wing tanks, the
previous wing tank valves removed and the header vented to the right tank.
Now, can you see that the header tank is filled by the gravity only??
If everything is as it "should" be this system will work fine.
Here is a principle drawing of a "normal" working system; Fuel_1.jpg
However, what will happen and how -if we forgot to install one of the tank
cap (let's assume the left) ?
OK., everyone know that our tank will start loosing fuel, but how? Well,
remember that our right tank is at "static pressure", in addition it is
pressurized "a little" by the head pressure entering through our "vent"
line installed in the fuel cap.
So here's a pressure difference of approx.: (0.2 - 0.3) psi air pressure
between each wing tank, the high pressure is in the right tank, therefore
fuel transfer from right to the left tank will take place.
You see, here the left tank will continue overfill until the right tank is
empty. After the right tank is exhausted, the level in the header will
decrease to the "height" position of the input line coming from left main
tank.
Now, we'll have a continuos airflow from right to the left main preventing
much fuel from the left tank to flow into the header, soon the header is
empty -and the engine stop.
This next one drawing show the same system with a missing left fuel cap;
Fuel_2.jpg
Next time (in a couple of days), we'll have a look at other and more
interesting failure modes in this same system, and later on the old
system...
Torgeir
--
Using Opera's revolutionary e-mail client: http://www.opera.com/mail/
| | - The Matronics Kitfox-List Email Forum - | | | Use the List Feature Navigator to browse the many List utilities available such as the Email Subscriptions page, Archive Search & Download, 7-Day Browse, Chat, FAQ, Photoshare, and much more:
http://www.matronics.com/Navigator?Kitfox-List |
|
| Description: |
|
| Filesize: |
19.57 KB |
| Viewed: |
692 Time(s) |

|
| Description: |
|
| Filesize: |
20.13 KB |
| Viewed: |
763 Time(s) |

|
|
|
| Back to top |
|
 |
Michel

Joined: 10 Jan 2006 Posts: 966 Location: Norway
|
Posted: Mon Jan 22, 2007 3:14 pm Post subject: Fuel Flow, continued. |
|
|
On Jan 22, 2007, at 11:00 PM, Torgeir Mortensen wrote:
| Quote: | This next one drawing show the same system with a missing left fuel
cap; Fuel_2.jpg
|
Torgeir, your second drawing comes as a corrupted file on my computer.
Could you check and send it again, please?
Med vennlig hilsen,
Michel
do not archive
| | - The Matronics Kitfox-List Email Forum - | | | Use the List Feature Navigator to browse the many List utilities available such as the Email Subscriptions page, Archive Search & Download, 7-Day Browse, Chat, FAQ, Photoshare, and much more:
http://www.matronics.com/Navigator?Kitfox-List |
|
_________________ Kitfox 3 - Jabiru 2200 |
|
| Back to top |
|
 |
Graeme Toft
Joined: 09 Jan 2006 Posts: 123
|
Posted: Mon Jan 22, 2007 3:34 pm Post subject: Fuel Flow, continued. |
|
|
Thanks for this excellent description Togier. The senario you described is
exactly what caused my engine failure.
Regards
Graeme Toft
Do not archive
---
| | - The Matronics Kitfox-List Email Forum - | | | Use the List Feature Navigator to browse the many List utilities available such as the Email Subscriptions page, Archive Search & Download, 7-Day Browse, Chat, FAQ, Photoshare, and much more:
http://www.matronics.com/Navigator?Kitfox-List |
|
|
|
| Back to top |
|
 |
kitfox_robert(at)yahoo.co Guest
|
Posted: Mon Jan 22, 2007 3:34 pm Post subject: Fuel Flow, continued. |
|
|
On my fox I installed valves on the left and right fuel lines going to the header tank and everthing else is the same as Torgeir's nice diagram. What will happen if I turn off one of the valves off? Would there be a difference if I turn off the right side vs left side? Can I remove a cap and shut off the valve and be okay? I take this very serious as I know of a person that left their cap off their fox and had an engine out. After they replaced the cap they were able to fly the again with no extra fuel needed so not sure if they just lost pressure or if they lost fuel while flying.
Robert N200KF
0200 Model V
San Diego
Do not Archive
---
| | - The Matronics Kitfox-List Email Forum - | | | Use the List Feature Navigator to browse the many List utilities available such as the Email Subscriptions page, Archive Search & Download, 7-Day Browse, Chat, FAQ, Photoshare, and much more:
http://www.matronics.com/Navigator?Kitfox-List |
|
|
|
| Back to top |
|
 |
Guy Buchanan

Joined: 16 Jul 2006 Posts: 1204 Location: Ramona, CA
|
Posted: Mon Jan 22, 2007 4:23 pm Post subject: Fuel Flow, continued. |
|
|
At 02:00 PM 1/22/2007, you wrote:
| Quote: | Now, we'll have a continuos airflow from right to the left main preventing
much fuel from the left tank to flow into the header, soon the header is
empty -and the engine stop.
|
Torgeir,
Thanks for staying with this. It's important. It's pretty clear
from your example that we want a cross vent so the tank ullages are both at
the same pressure, the way Cessna does it. And in retrospect it would have
been easy to do, too. All you would have had to do was duplicate the tank
inboard vent on the other side, then run a tube straight across the back
spar from vent to vent. T off that for the header vent and presto, no fuel
transfer once the vent transfers vapor.
Guy Buchanan
K-IV 1200 / 582-C / Warp / 100% done, thanks mostly to Bob Ducar.
| | - The Matronics Kitfox-List Email Forum - | | | Use the List Feature Navigator to browse the many List utilities available such as the Email Subscriptions page, Archive Search & Download, 7-Day Browse, Chat, FAQ, Photoshare, and much more:
http://www.matronics.com/Navigator?Kitfox-List |
|
_________________ Guy Buchanan
Deceased K-IV 1200
A glider pilot too. |
|
| Back to top |
|
 |
aldaniels(at)fmtcblue.com Guest
|
Posted: Mon Jan 22, 2007 4:24 pm Post subject: Fuel Flow, continued. |
|
|
A simple safety that will help in the event of leaving a fuel cap off is to put a fuel cap fairing on. This also stops or reduces fuel loss around a leaking fuel cap gasket, especially in rough air. I was lucky that I had done this as one of my sons did his first solo cross country in the Kitfox, and in the excitement of the trip and an interruption while fueling with someone wanting to look at the plane he forgot to put one fuel cap on. On the 1 1/2 hour flight back over the mountains he did not loose more than a gallon or so and returned without problems. I did not put them on for that reason, but sometimes you get lucky. On some Cessna high wing planes I understand that it can not only empty the fuel tank in something like 7 minutes, but the sucking also holds up the fuel sensor giving the pilot a full fuel indication until the deafening silence starts.
I should say that is an assumption I have made about the fuel cap fairing, but I have not done wind tunnel or computer testing. If someone has the capability to do so I would be interested in the results. You know what they say about assumptions.
[quote] [b]
| | - The Matronics Kitfox-List Email Forum - | | | Use the List Feature Navigator to browse the many List utilities available such as the Email Subscriptions page, Archive Search & Download, 7-Day Browse, Chat, FAQ, Photoshare, and much more:
http://www.matronics.com/Navigator?Kitfox-List |
|
|
|
| Back to top |
|
 |
torgemor(at)online.no Guest
|
Posted: Tue Jan 23, 2007 11:54 am Post subject: Fuel Flow, continued. |
|
|
God kveld Michel,
The drawing went through just fine, -but sometimes "Cyber Space" can
play..
I'll promptly send off list to you.
Torgeir.
do not archive
On Tue, 23 Jan 2007 00:12:32 +0100, Michel Verheughe <michel(at)online.no>
wrote:
| Quote: |
On Jan 22, 2007, at 11:00 PM, Torgeir Mortensen wrote:
> This next one drawing show the same system with a missing left fuel
> cap; Fuel_2.jpg
Torgeir, your second drawing comes as a corrupted file on my computer.
Could you check and send it again, please?
Med vennlig hilsen,
Michel
do not archive
|
--
Using Opera's revolutionary e-mail client: http://www.opera.com/mail/
| | - The Matronics Kitfox-List Email Forum - | | | Use the List Feature Navigator to browse the many List utilities available such as the Email Subscriptions page, Archive Search & Download, 7-Day Browse, Chat, FAQ, Photoshare, and much more:
http://www.matronics.com/Navigator?Kitfox-List |
|
|
|
| Back to top |
|
 |
torgemor(at)online.no Guest
|
Posted: Tue Jan 23, 2007 12:57 pm Post subject: Fuel Flow, continued. |
|
|
Hi Graeme, Robert, Guy, Alan and all,
Thanks for the positive response.
Will look more closely at valves etc. next time..
In the mean time, let's assume that we "loose" our right wing tank cap
(the left one is tight and in place).
Would it make any difference in this case?
Can we do anything about the situ?
Take care.
Torgeir.
On Tue, 23 Jan 2007 00:33:53 +0100, QSS <msm(at)byterocky.net> wrote:
[quote]
Thanks for this excellent description Togier. The senario you described
is exactly what caused my engine failure.
Regards
Graeme Toft
Do not archive
---
| | - The Matronics Kitfox-List Email Forum - | | | Use the List Feature Navigator to browse the many List utilities available such as the Email Subscriptions page, Archive Search & Download, 7-Day Browse, Chat, FAQ, Photoshare, and much more:
http://www.matronics.com/Navigator?Kitfox-List |
|
|
|
| Back to top |
|
 |
Michel

Joined: 10 Jan 2006 Posts: 966 Location: Norway
|
Posted: Tue Jan 23, 2007 1:31 pm Post subject: Fuel Flow, continued. |
|
|
On Jan 23, 2007, at 8:53 PM, Torgeir Mortensen wrote:
| Quote: | The drawing went through just fine, -but sometimes "Cyber Space" can
play..
|
Yes, it does, sometimes, Torgeir. I got it off-list and it's just fine,
thank you.
What I find interesting is that your drawing is a true copy of my fuel
supply system. It confirms again that the original builder of my plane
(not the one I bought it from) Harald Lien from Stranda (Molde
flyklubb) did a fantastic job at building it - by the book. Ever since
I have been on this list, reading all the good tips from builders, I
see that Harald knew them already in the period 1991-93, when he built
my plane. She is beautiful, what we call in Norwegian: en klenodium - a
jewel.
Cheers,
Michel
do not archive
| | - The Matronics Kitfox-List Email Forum - | | | Use the List Feature Navigator to browse the many List utilities available such as the Email Subscriptions page, Archive Search & Download, 7-Day Browse, Chat, FAQ, Photoshare, and much more:
http://www.matronics.com/Navigator?Kitfox-List |
|
_________________ Kitfox 3 - Jabiru 2200 |
|
| Back to top |
|
 |
n981ms(at)yahoo.com Guest
|
Posted: Tue Jan 23, 2007 2:12 pm Post subject: Fuel Flow, continued. |
|
|
I once let myself get distracted while fueling. I put the right cap on backward. ( I twist by the cap not the tube). About 40 minutes later rpm dropped on the IO240. I had noticed the fuel seeming to drain from the left only and faster than normal but I had been turning and such. I was at the point of watching closely. Shortly after the rpm drop from 2550 to around 1800 ( I think) I turned on the boost pump and all seemed well. Our destination was only another 5 minutes. A run up on the ground before shut down obviously seemed well also. I wish the caps only would go on one way.
Maxwell
Torgeir Mortensen <torgemor(at)online.no> wrote:
| Quote: | The Kitfox tank system with two wing tanks and one header tank, is using
both the head pressure and the gravity to ensure adequate fuel pressure
for our engine.
At first this might seem simple and easy, -but is it?
Let's have a look at the system as it is today; with two wing tanks, the
previous wing tank valves removed and the header vented to the right tank.
Now, can you see that the header tank is filled by the gravity only??
If everything is as it "should" be this system will work fine.
Here is a principle drawing of a "normal" working system; Fuel_1.jpg
However, what will happen and how -if we forgot to install one of the tank
cap (let's assume the left) ?
OK., everyone know that our tank will start loosing fuel, but how? Well,
remember that our right tank is at "static pressure", in addition it is
pressurized "a little" by the head pressure entering through our "vent"
line installed in the fuel cap.
So here's a pressure difference of approx.: (0.2 - 0.3) psi air pressure
between each wing tank, the high pressure is in the right tank, therefore
fuel transfer from right to the left tank will take place.
You see, here the left tank will continue overfill until the right tank is
empty. After the right tank is exhausted, the level in the header will
decrease to the "height" position of the input line coming from left main
tank.
Now, we'll have a continuos airflow from right to the left main preventing
much fuel from the left tank to flow into the header, soon the header is
empty -and the engine stop.
This next one drawing show the same system with a missing left fuel cap;
Fuel_2.jpg
Next time (in a couple of days), we'll have a look at other and more
interesting failure modes in this same system, and later on the old
system...
Torgeir
--
Using Opera's revolutionary e-mail client: http://www.opera.com/mail/ |
Need Mail bonding?
Go to the Yahoo! Mail Q&A for great tips from Yahoo! Answers users. [quote][b]
| | - The Matronics Kitfox-List Email Forum - | | | Use the List Feature Navigator to browse the many List utilities available such as the Email Subscriptions page, Archive Search & Download, 7-Day Browse, Chat, FAQ, Photoshare, and much more:
http://www.matronics.com/Navigator?Kitfox-List |
|
|
|
| Back to top |
|
 |
kitfoxmike
Joined: 05 Dec 2006 Posts: 373
|
Posted: Tue Jan 23, 2007 2:58 pm Post subject: Re: Fuel Flow, continued. |
|
|
Those tubes are one tough cookie, just install the caps by the tubes, after awhile that will feel comfortable and you will never put them on backwards again. I also have a preflight that just before getting in the plane, period, I put my fingers on the tube of each cap and push up and down to make sure they are seated. There has been a couple times that I forgot to put a cap on after fueling and this habbit found the cap off.
| | - The Matronics Kitfox-List Email Forum - | | | Use the List Feature Navigator to browse the many List utilities available such as the Email Subscriptions page, Archive Search & Download, 7-Day Browse, Chat, FAQ, Photoshare, and much more:
http://www.matronics.com/Navigator?Kitfox-List |
|
|
|
| Back to top |
|
 |
Beemer
Joined: 26 Aug 2006 Posts: 87 Location: Middle Georgia
|
Posted: Tue Jan 23, 2007 3:24 pm Post subject: Fuel Flow, continued. |
|
|
I set my system up as two totally seperate, redundant systems. I have no
interconnect between tanks. I installed a left-off-right valve, so that if
one tank fouls, my emergency procedure is exactly as I learned in gen av -
switch tanks, or go back to the good one if I already switched.
My header is my lifeline. It's a closed system with a level light. If the
wing tanks stop feeding for any reason, the light goes on. I purge the tank
with a vent overboard, and if 5 minutes pass and it's still on, I land and
solve the problem. The header alone will sustain 30 minutes of flight at
2gph. I figure I can get somewhere in that time.
No interconnect means that one fouled vent or cap off will not affect the
other in any way. The chances of both caps being off are possible, and both
vents plugging up are nil. It's redundancy.
Bradley
---
| | - The Matronics Kitfox-List Email Forum - | | | Use the List Feature Navigator to browse the many List utilities available such as the Email Subscriptions page, Archive Search & Download, 7-Day Browse, Chat, FAQ, Photoshare, and much more:
http://www.matronics.com/Navigator?Kitfox-List |
|
_________________ Beemer
KF2 (and now an M3!)
Suzuki G10 three-banger
Middle Georgia |
|
| Back to top |
|
 |
Guy Buchanan

Joined: 16 Jul 2006 Posts: 1204 Location: Ramona, CA
|
Posted: Tue Jan 23, 2007 3:57 pm Post subject: Fuel Flow, continued. |
|
|
At 12:56 PM 1/23/2007, you wrote:
| Quote: | In the mean time, let's assume that we "loose" our right wing tank cap
(the left one is tight and in place).
Would it make any difference in this case?
Can we do anything about the situ?
|
I'm not sure what you're asking, Torgier. I did some calcs and the dynamic
pressure at 115 MIAS at sea level equates to about 9" of static fuel head.
(Assume the static pressure is the same across the open cap and at the vent
pitot tip, a reasonable approximation.) This appears to mean that as long
as you're going fast you can empty the left tank. When the fuel level in
the left tank/line drops to 9" below that in the right tank you'll be at
equilibrium. This will leave nearly the entire left fuel line and vent line
full, and the right tank full. Both levels will drop simultaneously, all
things being equal, with the left level 9" below the right. (This assumes
the top of your header is more than 9" below the bottom of your tanks. I'm
pretty sure mine is.)
If you slow down the 9" static fuel head drops as the square of the
velocity. (E.g. at 57.5 MIAS the head will be 9/4" or 2.25") If you climb
the static fuel head drops linearly with the air density. So if you find
you're blowing fuel, slow down, climb high, lift the streaming wing a
little, and you should be fine. Indeed you should be able to lift the wing
enough to stop the leak.
Guy Buchanan
K-IV 1200 / 582-C / Warp / 100% done, thanks mostly to Bob Ducar.
| | - The Matronics Kitfox-List Email Forum - | | | Use the List Feature Navigator to browse the many List utilities available such as the Email Subscriptions page, Archive Search & Download, 7-Day Browse, Chat, FAQ, Photoshare, and much more:
http://www.matronics.com/Navigator?Kitfox-List |
|
_________________ Guy Buchanan
Deceased K-IV 1200
A glider pilot too. |
|
| Back to top |
|
 |
lcfitt(at)sbcglobal.net Guest
|
Posted: Tue Jan 23, 2007 10:16 pm Post subject: Fuel Flow, continued. |
|
|
My numbers are similar to Guy's
Some years ago I used a water manometer to check my airspeed indicator. It
doesn't take a lot of Delta Water to indicate our airspeeds, for esample
the delta at 30 mph is .74 inches, 90 is 4.13 inches and 6.18 inches at 120
mph. Since our fuel is about .75 the density of water, the head of our fuel
would be .98", 5.49" and 8.21" at the corresponding airspeeds.
I had often heard it said that the pressure from the pitot vents is about
one or so psi. Apparently this is not true as the pressure at 120 mph would
need to be about .3 psi to maintain a 8.21" column of water.
What this means, I haven't a clue really. This I do know, On a flight from
Las Vegas to Ely, Nevada a couple of years ago, I noticed the right tank had
lost most of it's fuel. The left tank was essentially full. On landing I
found that the fuel cap on the right tank had been attached at only one
side. For me, at least, I lost fuel apparently from a venturi effect and
the low pressure on top of the wing from the mis fit cap sucking the tank
dry and had apparently very little transfilling from the pressurized side.
Lowell
---
| | - The Matronics Kitfox-List Email Forum - | | | Use the List Feature Navigator to browse the many List utilities available such as the Email Subscriptions page, Archive Search & Download, 7-Day Browse, Chat, FAQ, Photoshare, and much more:
http://www.matronics.com/Navigator?Kitfox-List |
|
|
|
| Back to top |
|
 |
Float Flyr

Joined: 19 Jul 2006 Posts: 2704 Location: Campbellton, Newfoundland
|
Posted: Wed Jan 24, 2007 6:04 am Post subject: Fuel Flow, continued. |
|
|
Lowell was it the left tank that had the cap partially open?
What I'm thinking is once the left tank is emptied a bit the vacuum caused
by the loose cap will travel along the vent line for the header tank to the
top of the right tank. Once the fuel in the right tank is below the level
of the vent the vacuum will be broken by air coming in the right forward
facing vent.
If the right cap was the one partially open, the vacuum would have been
ducted to the header tank by both the vent and the right gas line. That
could allow fuel to be drawn form the left tank faster than normal.
This is just a guess. When you get into fluid dynamics things get a little
strange a lot of fast.
Noel
[quote] --
| | - The Matronics Kitfox-List Email Forum - | | | Use the List Feature Navigator to browse the many List utilities available such as the Email Subscriptions page, Archive Search & Download, 7-Day Browse, Chat, FAQ, Photoshare, and much more:
http://www.matronics.com/Navigator?Kitfox-List |
|
_________________ Noel Loveys
Kitfox III-A
Aerocet 1100 Floats |
|
| Back to top |
|
 |
lcfitt(at)sbcglobal.net Guest
|
Posted: Wed Jan 24, 2007 8:06 am Post subject: Fuel Flow, continued. |
|
|
Noel
It was the right tank that had the fuel cap breach. It was the right tank
that I noticed the significantly lower fuel level and by the time I landed,
the right tank had lost fuel to the point I could barely see it in the sight
gauge. I never felt at risk as the left tank showed nearly full when I
noticed the fuel loss with a normal drop thereafter.
There may have been some transfilling from the left tank, but that I can't
say for sure. The flight was about 210 miles and the duration was about two
hours and my lament was that I had lost some expensive fuel - $86 for a two
hour flight. The trip took 20.4 gallons (yes I still have the receipt) and a
little over 8 gallons was burned in the two hours, leaving somewhat less
than 12 gallons lost through the loose fuel cap.
Lowell
---
| | - The Matronics Kitfox-List Email Forum - | | | Use the List Feature Navigator to browse the many List utilities available such as the Email Subscriptions page, Archive Search & Download, 7-Day Browse, Chat, FAQ, Photoshare, and much more:
http://www.matronics.com/Navigator?Kitfox-List |
|
|
|
| Back to top |
|
 |
dave

Joined: 22 Sep 2006 Posts: 1382
|
Posted: Wed Jan 24, 2007 8:33 am Post subject: Fuel Flow, continued. |
|
|
I have 2 - 6 gals wing tanks and each has it's own shut off.
Each tank is a pitot tube cap .
They both flow together to a T fitting then a Clear Fuel filter and I can
clearly see the fuel flowing throught that filter. Rivht in line after the
filter is a Facet pump which I have a manual switch for but only use to
transfer fuel to Dash tank ( about 8.5 Gallon and you can see the level
in until about 2 gals left and you have to rock the wings to see the fuel
slosh around) After the Dash Tank the fuel flows into gascolator then to
Fuel pump.
I usually fly off the main dash tank only and I only open the independant
fuel valves from each wing tank to transfer wing tank fuel as needed to
the dash tank .
If I was to loose a cap in flight -what would happen ? Is this method ok ?
Dave
---
| | - The Matronics Kitfox-List Email Forum - | | | Use the List Feature Navigator to browse the many List utilities available such as the Email Subscriptions page, Archive Search & Download, 7-Day Browse, Chat, FAQ, Photoshare, and much more:
http://www.matronics.com/Navigator?Kitfox-List |
|
_________________ Realtime Kitfox movies to separate the internet chatter from the truth
http://www.youtube.com/user/kitfoxflyer
Hundreds of Kitfox Movies
Most viewed Kitfox on youtube
Most popular on youtube
Highest rated on youtube |
|
| Back to top |
|
 |
clint_bazzill(at)hotmail. Guest
|
Posted: Wed Jan 24, 2007 8:52 am Post subject: Fuel Flow, continued. |
|
|
Looks like you were a victim of Mother Natures Vacuum cleaner.
From: "Lowell Fitt" <lcfitt(at)sbcglobal.net>
Reply-To: kitfox-list(at)matronics.com
To: <kitfox-list(at)matronics.com>
Subject: Re: Fuel Flow, continued.
Date: Wed, 24 Jan 2007 08:05:31 -0800
Noel
It was the right tank that had the fuel cap breach. It was the right tank
that I noticed the significantly lower fuel level and by the time I landed,
the right tank had lost fuel to the point I could barely see it in the sight
gauge. I never felt at risk as the left tank showed nearly full when I
noticed the fuel loss with a normal drop thereafter.
There may have been some transfilling from the left tank, but that I can't
say for sure. The flight was about 210 miles and the duration was about two
hours and my lament was that I had lost some expensive fuel - $86 for a two
hour flight. The trip took 20.4 gallons (yes I still have the receipt) and a
little over 8 gallons was burned in the two hours, leaving somewhat less
than 12 gallons lost through the loose fuel cap.
Lowell
---
| | - The Matronics Kitfox-List Email Forum - | | | Use the List Feature Navigator to browse the many List utilities available such as the Email Subscriptions page, Archive Search & Download, 7-Day Browse, Chat, FAQ, Photoshare, and much more:
http://www.matronics.com/Navigator?Kitfox-List |
|
|
|
| Back to top |
|
 |
Guy Buchanan

Joined: 16 Jul 2006 Posts: 1204 Location: Ramona, CA
|
Posted: Wed Jan 24, 2007 9:18 am Post subject: Fuel Flow, continued. |
|
|
At 10:15 PM 1/23/2007, you wrote:
| Quote: | For me, at least, I lost fuel apparently from a venturi effect and
the low pressure on top of the wing from the mis fit cap sucking the tank
dry and had apparently very little transfilling from the pressurized side.
|
That's a tough one to figure out. Yes the wing has low pressure on the top,
but we only deal in pressure differentials. The question becomes, where was
the higher pressure coming from? In my system the only source is the fuel
in the opposite tank, since you can't push fuel uphill with air. Any air
that came from a high pressure source would percolate through the fuel in
the right tank and exit at the low pressure vent. To generalize that point
I don't see how you can push fuel out a cap with a high pressure vapor
source. So the question remains, how did you push the fuel out your cap? I
confess that from the facts of the case I'm stuck for an answer.
One possible answer I can imagine is that you reduced the pressure in the
tank so much the fuel vaporized. Is it possible to vaporize 12 gallons of
gas in two hours? I confess that's beyond my expertise so someone else will
have to figure it out. (It also seems rather unlikely you could generate
enough gas exchange with a cracked cap.)
Guy Buchanan
K-IV 1200 / 582-C / Warp / 100% done, thanks mostly to Bob Ducar.
| | - The Matronics Kitfox-List Email Forum - | | | Use the List Feature Navigator to browse the many List utilities available such as the Email Subscriptions page, Archive Search & Download, 7-Day Browse, Chat, FAQ, Photoshare, and much more:
http://www.matronics.com/Navigator?Kitfox-List |
|
_________________ Guy Buchanan
Deceased K-IV 1200
A glider pilot too. |
|
| Back to top |
|
 |
lcfitt(at)sbcglobal.net Guest
|
Posted: Wed Jan 24, 2007 11:50 am Post subject: Fuel Flow, continued. |
|
|
Guy, I don't know what is happening here, but have a friend that lost a
bunch of fuel from a tank with no fuel cap and it was a Cessna with no pitot
on the opposite side unless the vent behind the lift strut provides a bit of
ram pressure. I don't know how the fuel selector was set.
There is one overriding assumption that seems to be common to all the posts
and that is that the fuel essentially sits quitely and overflows the tank
filler neck because of transfilling. I don't think that is necessarily the
case. Based on what I experienced and the tales of others - granted the
sample is very small, Consider that my flight was in Central Nevada over
the desert and mountains and there is always turbulance there.
Lowell
---
| | - The Matronics Kitfox-List Email Forum - | | | Use the List Feature Navigator to browse the many List utilities available such as the Email Subscriptions page, Archive Search & Download, 7-Day Browse, Chat, FAQ, Photoshare, and much more:
http://www.matronics.com/Navigator?Kitfox-List |
|
|
|
| Back to top |
|
 |
|
|
You cannot post new topics in this forum You cannot reply to topics in this forum You cannot edit your posts in this forum You cannot delete your posts in this forum You cannot vote in polls in this forum You cannot attach files in this forum You can download files in this forum
|
Powered by phpBB © 2001, 2005 phpBB Group
|