 |
Matronics Email Lists Web Forum Interface to the Matronics Email Lists
|
| View previous topic :: View next topic |
| Author |
Message |
GrummanDude
Joined: 15 Jan 2006 Posts: 926 Location: Auburn, CA
|
Posted: Wed Apr 04, 2007 9:17 pm Post subject: CE-04-34, Horizontal support |
|
|
This is mostly meant for Bob Stewart only because I think he's done
this before. And Cliff too, if he's repaired this one.
I've got the braces off. They came off fairly easily with a heat gun.
Didn't require a whole lot of heat actually. What I need to know is .
. . . .
How do I get the rest of the adheasive off the skin of the fuselage?
Do I sand it off with an orbital sander? Do I reheat it and scrape it?
I tried picking at it a bit to see if it will come off. It's stuck
pretty well.
________________________________________________________________________
from AOL at AOL.com.
| | - The Matronics TeamGrumman-List Email Forum - | | | Use the List Feature Navigator to browse the many List utilities available such as the Email Subscriptions page, Archive Search & Download, 7-Day Browse, Chat, FAQ, Photoshare, and much more:
http://www.matronics.com/Navigator?TeamGrumman-List |
|
_________________ Gary
AuCountry Aviation
Home of Team Grumman |
|
| Back to top |
|
 |
az_gila
Joined: 17 Jun 2006 Posts: 99 Location: Tucson, AZ
|
Posted: Wed Apr 04, 2007 10:07 pm Post subject: CE-04-34, Horizontal support |
|
|
Gary,
When I did it, I seem to remember it chipped off fairly easily...
Of course, use an aluminum scraping edge so the base material isn't gouged.
And a final clean up with scotchbrite disk.
gil in Tucson ... did that....
At 10:12 PM 4/4/2007, you wrote:
[quote]--> TeamGrumman-List message posted by: teamgrumman(at)aol.com
This is mostly meant for Bob Stewart only because I think he's done this before. And Cliff too, if he's repaired this one.
I've got the braces off. They came off fairly easily with a heat gun.
Didn't require a whole lot of heat actually. What I need to know is . . . . .
How do I get the rest of the adheasive off the skin of the fuselage?
Do I sand it off with an orbital sander? Do I reheat it and scrape it? I tried picking at it a bit to see if it will come off. It's stuck pretty well.
________________________________________________________________________
from AOL at AOL.com.[b]
| | - The Matronics TeamGrumman-List Email Forum - | | | Use the List Feature Navigator to browse the many List utilities available such as the Email Subscriptions page, Archive Search & Download, 7-Day Browse, Chat, FAQ, Photoshare, and much more:
http://www.matronics.com/Navigator?TeamGrumman-List |
|
|
|
| Back to top |
|
 |
flyv35b(at)minetfiber.com Guest
|
Posted: Thu Apr 05, 2007 6:12 am Post subject: CE-04-34, Horizontal support |
|
|
Gil, I have a Tiger in the shop right now with a crack from the attachment bolt hole to the edge of the angle on the RH side. The bonding of the other leg is fine and there is virtually not deformation of the angle.
Do you have some photos of your plane and the repair you could email me?
Cliff
[quote] ---
| | - The Matronics TeamGrumman-List Email Forum - | | | Use the List Feature Navigator to browse the many List utilities available such as the Email Subscriptions page, Archive Search & Download, 7-Day Browse, Chat, FAQ, Photoshare, and much more:
http://www.matronics.com/Navigator?TeamGrumman-List |
|
|
|
| Back to top |
|
 |
az_gila
Joined: 17 Jun 2006 Posts: 99 Location: Tucson, AZ
|
Posted: Thu Apr 05, 2007 7:24 am Post subject: CE-04-34, Horizontal support |
|
|
Boy ... the SAIB is old enough I thought they would have all been found by now...:^)
No photos of the repair, but the damage is here...
Check the little bend of the verticals that goes under the top plate... that seems to be a real weak point... upper left and upper right in the pics.
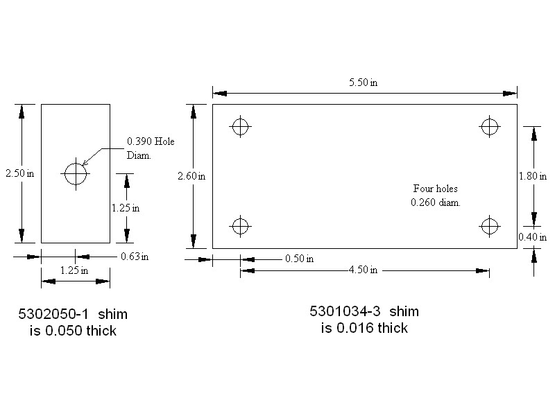
I have a couple of drill bushings and a reamer that will help you drill the new bolt hole in the vertical webs... want to borrow them? I think that is the most critical part of the process.... fore and aft location can be fixed with shims with a Tiger part number... I have those drawings too, JPG copy attached...
Pics are in this directory....
http://home.earthlink.net/~gilalex/Tiger/
...hope this helps gil A ... waiting for cylinders to arrive at Bill Scott's place...:^)
At 07:10 AM 4/5/2007, you wrote:
[quote]Gil, I have a Tiger in the shop right now with a crack from the attachment bolt hole to the edge of the angle on the RH side. The bonding of the other leg is fine and there is virtually not deformation of the angle.
Do you have some photos of your plane and the repair you could email me?
Cliff
---
| | - The Matronics TeamGrumman-List Email Forum - | | | Use the List Feature Navigator to browse the many List utilities available such as the Email Subscriptions page, Archive Search & Download, 7-Day Browse, Chat, FAQ, Photoshare, and much more:
http://www.matronics.com/Navigator?TeamGrumman-List |
|
| Description: |
|
| Filesize: |
44.49 KB |
| Viewed: |
420 Time(s) |

|
|
|
| Back to top |
|
 |
GrummanDude
Joined: 15 Jan 2006 Posts: 926 Location: Auburn, CA
|
Posted: Thu Apr 05, 2007 10:16 am Post subject: CE-04-34, Horizontal support |
|
|
The one I've got has the vertical braces buckled about twice as much as
yours. So, how did you clean up the residual adheasive?
I have a customer who got some cylinders done by BS. Two of them
always used a lot of oil. We removed them and had LyCon go over them.
When BS overhauled them, they were honed out-of-round. Lycon recut the
cylinder (it only took less than .002) and installed some new rings.
All is well now after 400 hours. Just a heads up.
--
| | - The Matronics TeamGrumman-List Email Forum - | | | Use the List Feature Navigator to browse the many List utilities available such as the Email Subscriptions page, Archive Search & Download, 7-Day Browse, Chat, FAQ, Photoshare, and much more:
http://www.matronics.com/Navigator?TeamGrumman-List |
|
_________________ Gary
AuCountry Aviation
Home of Team Grumman |
|
| Back to top |
|
 |
az_gila
Joined: 17 Jun 2006 Posts: 99 Location: Tucson, AZ
|
Posted: Thu Apr 05, 2007 11:44 am Post subject: CE-04-34, Horizontal support |
|
|
I'll ask Bill S for round cylinders...
The removal is below.... the adhesive was quite brittle....
------------------------------------
When I did it, I seem to remember it chipped off fairly easily...
Of course, use an aluminum scraping edge so the base material isn't gouged.
And a final clean up with scotchbrite disk.
gil in Tucson ... did that....
At 11:16 AM 4/5/2007, you wrote:
[quote]--> TeamGrumman-List message posted by: teamgrumman(at)aol.com
The one I've got has the vertical braces buckled about twice as much as yours. So, how did you clean up the residual adheasive?
I have a customer who got some cylinders done by BS. Two of them always used a lot of oil. We removed them and had LyCon go over them.
When BS overhauled them, they were honed out-of-round. Lycon recut the cylinder (it only took less than .002) and installed some new rings.
All is well now after 400 hours. Just a heads up.
--
| | - The Matronics TeamGrumman-List Email Forum - | | | Use the List Feature Navigator to browse the many List utilities available such as the Email Subscriptions page, Archive Search & Download, 7-Day Browse, Chat, FAQ, Photoshare, and much more:
http://www.matronics.com/Navigator?TeamGrumman-List |
|
|
|
| Back to top |
|
 |
GrummanDude
Joined: 15 Jan 2006 Posts: 926 Location: Auburn, CA
|
Posted: Thu Apr 05, 2007 7:14 pm Post subject: CE-04-34, Horizontal support |
|
|
I tried scraping it with several different types of scrapers, even an
exacto. I finally used an duel action orbital sander. I never did get
any to chip off. It took about two hours to sand down all of the rough
edges. That includes all the hand work in the corners. Looks pretty
good now.
As for drilling and shimming to make the stub spar fit the vertical
braces, I plan on clamping the vertical braces in place with the
horizontal and stub spar installed before I drill any holes. That way,
the braces will be tight against the stub spar.
--
| | - The Matronics TeamGrumman-List Email Forum - | | | Use the List Feature Navigator to browse the many List utilities available such as the Email Subscriptions page, Archive Search & Download, 7-Day Browse, Chat, FAQ, Photoshare, and much more:
http://www.matronics.com/Navigator?TeamGrumman-List |
|
_________________ Gary
AuCountry Aviation
Home of Team Grumman |
|
| Back to top |
|
 |
az_gila
Joined: 17 Jun 2006 Posts: 99 Location: Tucson, AZ
|
Posted: Thu Apr 05, 2007 8:03 pm Post subject: CE-04-34, Horizontal support |
|
|
At 08:14 PM 4/5/2007, you wrote:
| Quote: | --> TeamGrumman-List message posted by: teamgrumman(at)aol.com
I tried scraping it with several different types of scrapers, even an exacto. I finally used an duel action orbital sander. I never did get any to chip off. It took about two hours to sand down all of the rough edges. That includes all the hand work in the corners. Looks pretty good now. |
Hope you didn't take too much of the 0.025 off...:^) - or is 0.032 there?
| Quote: | | As for drilling and shimming to make the stub spar fit the vertical braces, I plan on clamping the vertical braces in place with the horizontal and stub spar installed before I drill any holes. That way, the braces will be tight against the stub spar. |
Yes.. but it's hard to hold the verticals in alignment while the glue dries... at least to the accuracy to not have anything under stress in the final assembly.
Once the verticals are bonded and riveted, then it's easy to use C-clamps and get levels on the horizontal for alignment... as well as tip measurements to the fus. centerline to get no sweep forward/sweep back....
My plane had shims on one side - I think the fus. side - already...
Do you want the drill guide and reamer for the two big holes?
That seemed to be the hardest part to me - I bet most folks would just use a big drill bit and screw up the existing hole in the stub spar...:^(
I like all my bolts to be a nice slip fit if possible...:^)
gil A
[quote]-----Original Message-----
From: gilalex(at)earthlink.net
To: teamgrumman-list(at)matronics.com
Sent: Thu, 5 Apr 2007 12:43 PM
Subject: Re: CE-04-34, Horizontal support
I'll ask Bill S for round cylinders...
The removal is below.... the adhesive was quite brittle....
------------------------------------
When I did it, I seem to remember it chipped off fairly easily...
 Of course, use an aluminum scraping edge so the base material isn't gouged.
And a final clean up with scotchbrite disk.
gil in Tucson ... did that....
At 11:16 AM 4/5/2007, you wrote:
--> TeamGrumman-List message posted by: teamgrumman(at)aol.com
The one I've got has the vertical braces buckled about twice as much as yours. So, how did you clean up the residual adheasive?
I have a customer who got some cylinders done by BS. Two of them always used a lot of oil. We removed them and had LyCon go over them.Â
When BS overhauled them, they were honed out-of-round. Lycon recut the cylinder (it only took less than .002) and installed some new rings.Â
All is well now after 400 hours. Just a heads up.
--
| | - The Matronics TeamGrumman-List Email Forum - | | | Use the List Feature Navigator to browse the many List utilities available such as the Email Subscriptions page, Archive Search & Download, 7-Day Browse, Chat, FAQ, Photoshare, and much more:
http://www.matronics.com/Navigator?TeamGrumman-List |
|
|
|
| Back to top |
|
 |
GrummanDude
Joined: 15 Jan 2006 Posts: 926 Location: Auburn, CA
|
Posted: Thu Apr 05, 2007 10:33 pm Post subject: CE-04-34, Horizontal support |
|
|
Thanks for the update Gil. I'd love to borrow the drill guides and
reamers. I'm having some special braces made and I'm not sure when
I'll have them. Plus, there is a lot of other work I'm doing on the
plane.
But, yes, if you don't mind, I'd love to borrow the drill and ream.
Thanks
Gary
--
| | - The Matronics TeamGrumman-List Email Forum - | | | Use the List Feature Navigator to browse the many List utilities available such as the Email Subscriptions page, Archive Search & Download, 7-Day Browse, Chat, FAQ, Photoshare, and much more:
http://www.matronics.com/Navigator?TeamGrumman-List |
|
_________________ Gary
AuCountry Aviation
Home of Team Grumman |
|
| Back to top |
|
 |
az_gila
Joined: 17 Jun 2006 Posts: 99 Location: Tucson, AZ
|
Posted: Thu Apr 05, 2007 10:38 pm Post subject: CE-04-34, Horizontal support |
|
|
Gary ....I'll dig 'em out and mail them..... gil A
At 11:32 PM 4/5/2007, you wrote:
[quote]--> TeamGrumman-List message posted by: teamgrumman(at)aol.com
Thanks for the update Gil. I'd love to borrow the drill guides and reamers. I'm having some special braces made and I'm not sure when I'll have them. Plus, there is a lot of other work I'm doing on the plane.
But, yes, if you don't mind, I'd love to borrow the drill and ream.
Thanks
Gary
--
| | - The Matronics TeamGrumman-List Email Forum - | | | Use the List Feature Navigator to browse the many List utilities available such as the Email Subscriptions page, Archive Search & Download, 7-Day Browse, Chat, FAQ, Photoshare, and much more:
http://www.matronics.com/Navigator?TeamGrumman-List |
|
|
|
| Back to top |
|
 |
GrummanDude
Joined: 15 Jan 2006 Posts: 926 Location: Auburn, CA
|
Posted: Thu Apr 05, 2007 11:08 pm Post subject: CE-04-34, Horizontal support |
|
|
Thanks Gil.
--
| | - The Matronics TeamGrumman-List Email Forum - | | | Use the List Feature Navigator to browse the many List utilities available such as the Email Subscriptions page, Archive Search & Download, 7-Day Browse, Chat, FAQ, Photoshare, and much more:
http://www.matronics.com/Navigator?TeamGrumman-List |
|
_________________ Gary
AuCountry Aviation
Home of Team Grumman |
|
| Back to top |
|
 |
|
|
You cannot post new topics in this forum You cannot reply to topics in this forum You cannot edit your posts in this forum You cannot delete your posts in this forum You cannot vote in polls in this forum You cannot attach files in this forum You can download files in this forum
|
Powered by phpBB © 2001, 2005 phpBB Group
|