bencunninghamiii(at)gmail Guest
|
Posted: Wed Sep 30, 2009 8:36 pm Post subject: Wiring the LR3C-14 Warning light |
|
|
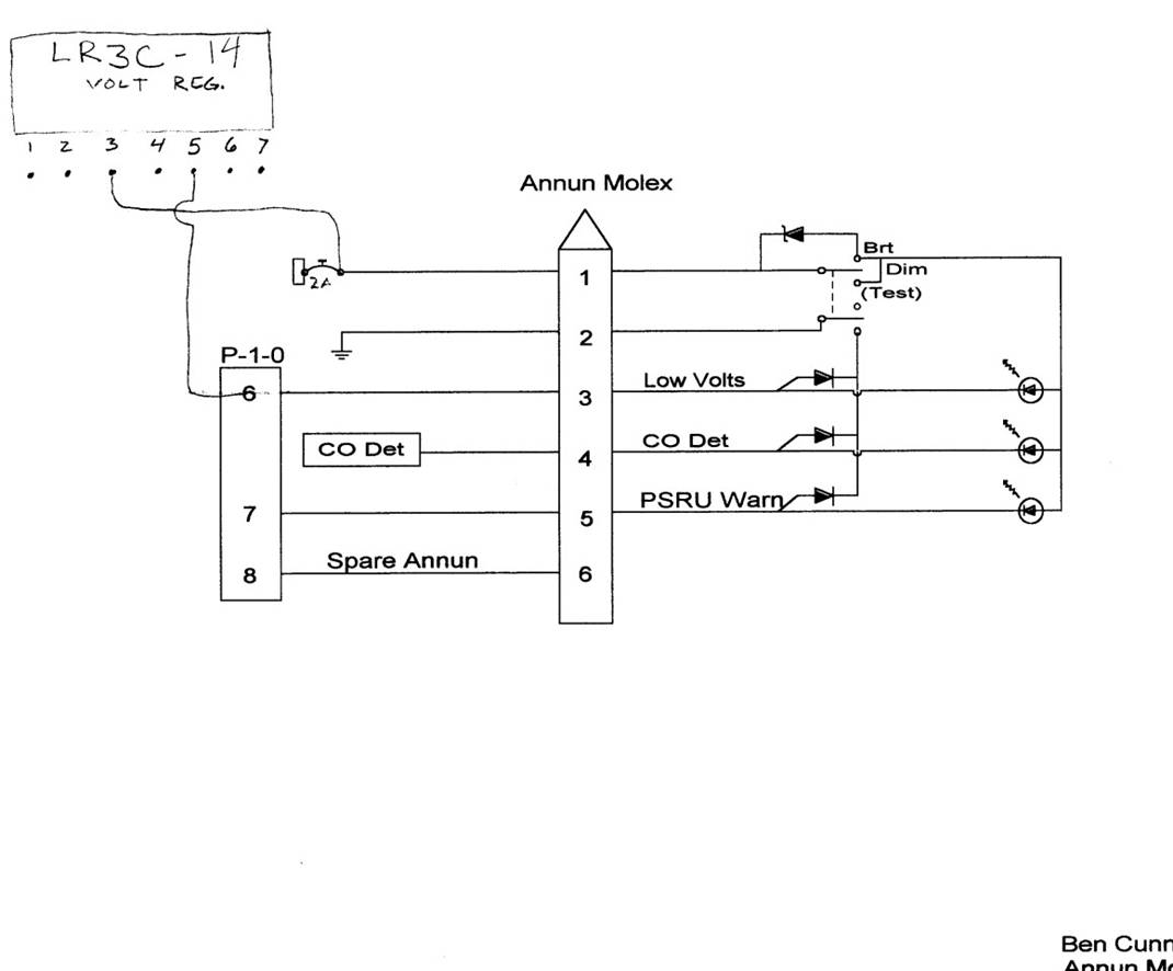
| Quote: | I recently purchased the LR3C-14 for my RV7.
My panel was constructed by Aerotronics and I have added a diagram below of the schematic for my annunciator lights.
I have done a sketch below of how I would like to wire the LR3, with terminal 5 feeding the light through plug P-1-0, and terminal 3 reading buss voltage downstream of the 2 amp breaker. Since the light was wired through a test switch, I wanted to run this setup by you to see if it looked OK to you.
| Thanks, Ben
| Quote: | [img]cid:62AB9325-3801-4089-8C3F-006512ED9555[/img]
|
| | - The Matronics AeroElectric-List Email Forum - | | | Use the List Feature Navigator to browse the many List utilities available such as the Email Subscriptions page, Archive Search & Download, 7-Day Browse, Chat, FAQ, Photoshare, and much more:
http://www.matronics.com/Navigator?AeroElectric-List |
|
| Description: |
|
| Filesize: |
41.27 KB |
| Viewed: |
1257 Time(s) |

|
|
|