 |
Matronics Email Lists Web Forum Interface to the Matronics Email Lists
|
| View previous topic :: View next topic |
| Author |
Message |
marchudson
Joined: 28 Apr 2010 Posts: 2
|
Posted: Wed Apr 28, 2010 6:46 pm Post subject: Electrical diagram |
|
|
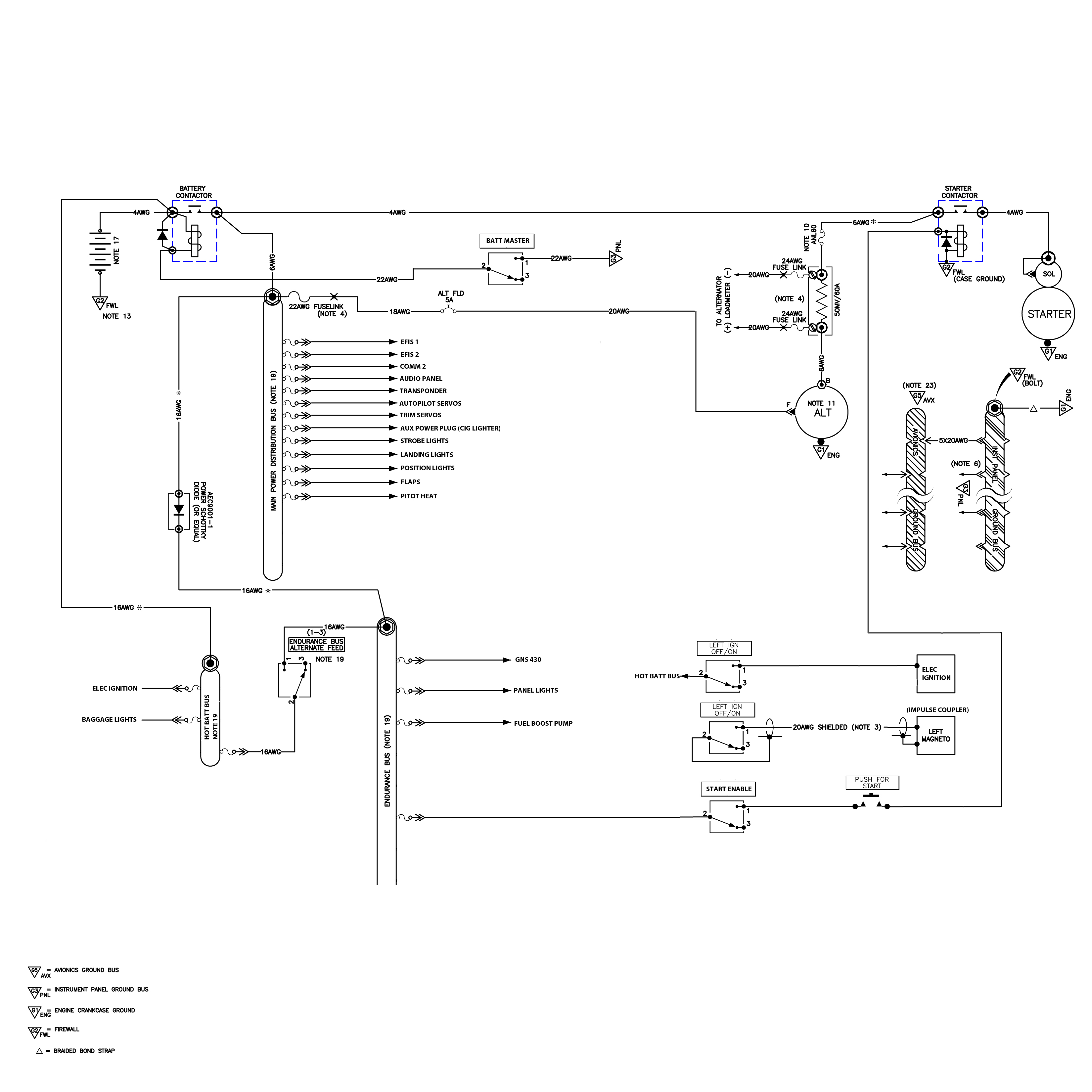
Was wondering if you guys could have a look at this diagram and tell me what you think. It is a variation of Z-11. A couple of things about the design. Aircraft will be flown IMC. Two EFIS panels with internal battery backup. The alternator is a Plane Power with internal regulator and crowbar over voltage protection. I talked to the engineers at Plane Power and they told me that that alternator would function just fine if the battery were hypothetically removed from the aircraft while it was running, hence no off-batt-gen switch. The start enable switch will be guarded and is an added safety item to the push button start. I have tried to consider as many failure modes as possible but am not nearly as savvy as many on this forum. Thanks in advance for inputs.
Marc
| | - The Matronics AeroElectric-List Email Forum - | | | Use the List Feature Navigator to browse the many List utilities available such as the Email Subscriptions page, Archive Search & Download, 7-Day Browse, Chat, FAQ, Photoshare, and much more:
http://www.matronics.com/Navigator?AeroElectric-List |
|
| Description: |
|
| Filesize: |
1.3 MB |
| Viewed: |
5584 Time(s) |

|
|
|
| Back to top |
|
 |
user9253
Joined: 28 Mar 2008 Posts: 1972 Location: Riley TWP Michigan
|
Posted: Fri Apr 30, 2010 2:11 am Post subject: Re: Electrical diagram |
|
|
Marc,
Your schematic is better than most type-certificated aircraft.
Having the start switch on the E-Bus is unusual. There is no advantage to having it there because the engine will not start without the master contactor being energized.
It is possible to leave the baggage light on and run the battery down.
I would consider putting the transponder and trim on the E-Bus. You could always shut the transponder off if desired. The trim will not use power unless the trim switch is pressed.
I assume that an EFIS will announce a low voltage condition. What about over-voltage protection? Is that built into the alternator?
Joe
| | - The Matronics AeroElectric-List Email Forum - | | | Use the List Feature Navigator to browse the many List utilities available such as the Email Subscriptions page, Archive Search & Download, 7-Day Browse, Chat, FAQ, Photoshare, and much more:
http://www.matronics.com/Navigator?AeroElectric-List |
|
_________________ Joe Gores |
|
| Back to top |
|
 |
nuckolls.bob(at)aeroelect Guest
|
Posted: Fri Apr 30, 2010 7:28 am Post subject: Electrical diagram |
|
|
At 05:11 AM 4/30/2010, you wrote:
| Quote: |
Marc,
Your schematic is better than most type-certificated aircraft.
Having the start switch on the E-Bus is unusual. There is no
advantage to having it there because the engine will not start
without the master contactor being energized.
It is possible to leave the baggage light on and run the battery down.
I would consider putting the transponder and trim on the
E-Bus. You could always shut the transponder off if desired. The
trim will not use power unless the trim switch is pressed.
I assume that an EFIS will announce a low voltage
condition. What about over-voltage protection? Is that built into
the alternator?
|
I'll second Joe's observations/questions. Additionally,
I'm curious as to a perceived advantage for not combining
alternator and battery master control in a single switch?
Are you planning on using the pullable breaker as the
means by which power is removed from the bus in flight?
Bob . . .
| | - The Matronics AeroElectric-List Email Forum - | | | Use the List Feature Navigator to browse the many List utilities available such as the Email Subscriptions page, Archive Search & Download, 7-Day Browse, Chat, FAQ, Photoshare, and much more:
http://www.matronics.com/Navigator?AeroElectric-List |
|
|
|
| Back to top |
|
 |
marchudson
Joined: 28 Apr 2010 Posts: 2
|
Posted: Fri Apr 30, 2010 5:41 pm Post subject: Re: Electrical diagram |
|
|
Bob and Joe, I want to thank you for reviewing my diagram. I appreciate it.
Have the start button on the e-bus was an oversight. I will move it to the main bus. Thanks for catching that.
Leaving the baggage light on was taken into consideration and I'm willing to take the risk on this one. I'm sure after if bites me a couple of times, I'll reconsider.
Joe, good call on putting the transponder and trim on e-bus. I will probably do this as the transponder consumes little power.
The EFIS does annunciate a low voltage condition and crowbar over voltage protection is built into the Plane Power alternator.
Bob, to be honest, I went with the single battery switch for simplicity and cost. Much cheaper to purchase the two position locking Honeywell toggle than the three position. Also, my thoughts were that I'm probably not going to be shutting off the alternator that often. If I really need to then yes, I'm going to be using the breaker as a switch. I called Plane Power twice and made sure that this alternator will run fine without the battery online, just in case the battery inadvertently got shut off with the engine running.
Again guys, I really appreciate you having a look.
Marc
| | - The Matronics AeroElectric-List Email Forum - | | | Use the List Feature Navigator to browse the many List utilities available such as the Email Subscriptions page, Archive Search & Download, 7-Day Browse, Chat, FAQ, Photoshare, and much more:
http://www.matronics.com/Navigator?AeroElectric-List |
|
|
|
| Back to top |
|
 |
bakerocb
Joined: 15 Jan 2006 Posts: 727 Location: FAIRFAX VA
|
Posted: Sat May 01, 2010 2:48 am Post subject: Electrical diagram |
|
|
5/1/2010
Hello Marc, You wrote: "Also, my thoughts were that I'm probably not going
to be shutting
off the alternator that often."
{Comment} My shut down procedure calls for shutting the externally regulated
alternator off (after confirming that the voltage and amperage being put out
is at a nominal level) and waiting for the low voltage light to start
flashing. This simulates an alternator failure in flight and confirms that
the low voltage warning system is working.
Then the engine is shut down with the mixture and the magnetos are turned
off.
Then ,after turning on the essential bus switch, the battery and avionics
master switch (yes, I have one) are turned off. This turns off all non
essential electrical and avionics items and is the procedure that I would
follow with an actual alternator failure in flight.
Then I confirm that the Garmin 430W and transponder are continuing to
operate, now from the avionics essential bus. These two boxes are required
for entering the Washington DC SFRA where I am based and for a reasonably
comfortable landing if operating elsewhere.
Then I shut off the essential bus switch and the shut down is complete.
'OC' Says: "The best investment we can make is the effort to gather and
understand knowledge."
=========================================================
Time: 06:45:47 PM PST US
Subject: Re: Electrical diagram
From: "marchudson" <marchudson(at)verizon.net>
Bob and Joe, I want to thank you for reviewing my diagram. I appreciate it.
Have the start button on the e-bus was an oversight. I will move it to the
main
bus. Thanks for catching that.
Leaving the baggage light on was taken into consideration and I'm willing to
take
the risk on this one. I'm sure after if bites me a couple of times, I'll
reconsider.
Joe, good call on putting the transponder and trim on e-bus. I will
probably do
this as the transponder consumes little power.
The EFIS does annunciate a low voltage condition and crowbar over voltage
protection
is built into the Plane Power alternator.
Bob, to be honest, I went with the single battery switch for simplicity and
cost.
Much cheaper to purchase the two position locking Honeywell toggle than the
three position. Also, my thoughts were that I'm probably not going to be
shutting
off the alternator that often. If I really need to then yes, I'm going
to be using the breaker as a switch. I called Plane Power twice and made
sure
that this alternator will run fine without the battery online, just in case
the battery inadvertently got shut off with the engine running.
Again guys, I really appreciate you having a look.
Marc
| | - The Matronics AeroElectric-List Email Forum - | | | Use the List Feature Navigator to browse the many List utilities available such as the Email Subscriptions page, Archive Search & Download, 7-Day Browse, Chat, FAQ, Photoshare, and much more:
http://www.matronics.com/Navigator?AeroElectric-List |
|
|
|
| Back to top |
|
 |
nuckolls.bob(at)aeroelect Guest
|
Posted: Sat May 01, 2010 5:32 am Post subject: Electrical diagram |
|
|
At 08:41 PM 4/30/2010, you wrote:
Bob and Joe, I want to thank you for reviewing my diagram. I appreciate it.
Have the start button on the e-bus was an oversight. I will move it
to the main bus. Thanks for catching that.
Leaving the baggage light on was taken into consideration and I'm
willing to take the risk on this one. I'm sure after if bites me a
couple of times, I'll reconsider.
One of the products under development is a variant
of the 9024 4-function module who's use is illustrated
in Figure Z9. It's a baggage/cabin light on-limit timer.
Further consider building your own baggage
light fixture using white, very bright LEDs readily available
from a lot of sources . . . I can send you some. 4-6 lamps
a 2-3 resistors would get you fixture that puts out
most adequate light with a power budget of 0.09 Amps.
We've pondered offering such a fixture with the timer
built in.
Joe, good call on putting the transponder and trim on e-bus. I will
probably do this as the transponder consumes little power.
The transponder is on the list of recommended clients for the
ebus as explained in Chapter 17 of the 'Connection.
The EFIS does annunciate a low voltage condition and crowbar over
voltage protection is built into the Plane Power alternator.
Bob, to be honest, I went with the single battery switch for
simplicity and cost. Much cheaper to purchase the two position
locking Honeywell toggle than the three position.
Why a locking $high$ switch? Hundreds of thousands
of GA aircraft including airplanes like the Beechjet
and Hawkers have perfectly ordinary toggle switches
to control ship's power sources.
Also, my thoughts were that I'm probably not going to be shutting
off the alternator that often. If I really need to then yes, I'm
going to be using the breaker as a switch. I called Plane Power
twice and made sure that this alternator will run fine without the
battery online, just in case the battery inadvertently got shut off
with the engine running.
See? You've properly identified a risk of human
error that became non-zero because of your
perception of another unqualified and certainly
unquantified risk. I.e. accidental mis-positioning
of the battery switch. This deliberation drove you to
purchase an expensive battery switch and created
a new operational risk.
The recipes for success in aviation electrical
systems are many and their operational histories
date back nearly a century. We would do well to
avail ourselves of that knowledge so that we
can build with confidence as opposed to jousting
with new worries and creating new risks.
Bob . . .
| | - The Matronics AeroElectric-List Email Forum - | | | Use the List Feature Navigator to browse the many List utilities available such as the Email Subscriptions page, Archive Search & Download, 7-Day Browse, Chat, FAQ, Photoshare, and much more:
http://www.matronics.com/Navigator?AeroElectric-List |
|
|
|
| Back to top |
|
 |
|
|
You cannot post new topics in this forum You cannot reply to topics in this forum You cannot edit your posts in this forum You cannot delete your posts in this forum You cannot vote in polls in this forum You cannot attach files in this forum You can download files in this forum
|
Powered by phpBB © 2001, 2005 phpBB Group
|