 |
Matronics Email Lists Web Forum Interface to the Matronics Email Lists
|
| View previous topic :: View next topic |
| Author |
Message |
messydeer
Joined: 13 Feb 2006 Posts: 214 Location: Bellingham, WA
|
Posted: Tue Jul 13, 2010 10:21 am Post subject: LV warn light snafu? |
|
|
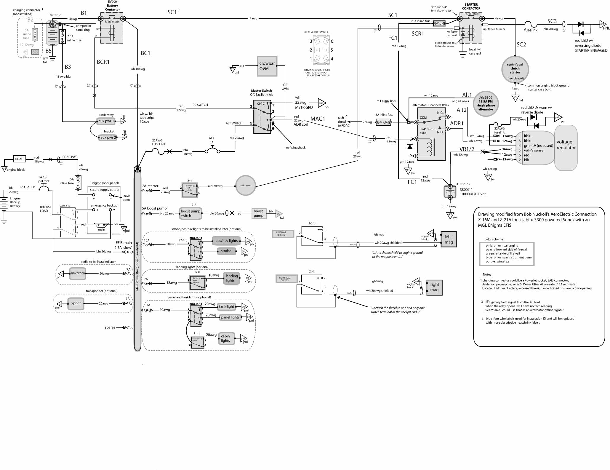
I powered up my electrical system for the first time a couple days ago. No smoke. Yeah! I have a Jabiru 3300 with their provided voltage regulator of some Japanese make, I believe. The master switch is a sequential ‘on’ (off, bat, bat + alt) wired as shown in the attached schematic. I used Bob’s Z-16 and Z-21 as the basis for my system.
From what I can tell, all but the LV warning light seems to work as I expected. I wired the green voltage regulator wire to a panel mounted LED like shown in the Jab manual on page 23 and 24.
At first, I left the two alternator output leads disconnected. When I turned on the master to the middle 'bat' position, the LV warn LED came on nice and bright. I figured this was normal, since the alternator is disconnected both by the master switch and also by the two alt output leads being disconnected. But when I flipped the master fully up to bat + alt, the light went out. I thought it would have stayed on, since the alternator output leads are still disconnected.
So I connected the alternator output leads with jumpers, one to the COM terminal on the alternator disconnect relay and the other to the LTBLU wire of the voltage regulator. This time, when I turned the master to the first 'bat' position, there was nothing. No light. Likewise in the 'bat + alt' position. Nada. And with the master switch in the ‘bat only’ position, disconnecting either of the alternator output leads caused the red LED LV warn light to come on again. But as before, it went out when the master switch is flipped to add the alternator.
I also noticed that when the LED LV warn light was on and then the master switched off, it took several seconds for the light to fade and eventually go out. But when the light went by switching the master from 'bat' to 'bat + alt', the light went out immediately. I know the regulator is connected to a filter capacitor, so I assume the battery charges up the capacitor when the master is on 'bat' and the charge bleeds out through the LED LV warn light when the battery is disconnected.
You can download a PDF file I've attached or look at the smaller file inline below. Most of the stuff is native Adobe, so there's much higher resolution available. And it's in color! Otherwise, there's no difference.
| | - The Matronics AeroElectric-List Email Forum - | | | Use the List Feature Navigator to browse the many List utilities available such as the Email Subscriptions page, Archive Search & Download, 7-Day Browse, Chat, FAQ, Photoshare, and much more:
http://www.matronics.com/Navigator?AeroElectric-List |
|
| Description: |
|
| Filesize: |
203.09 KB |
| Viewed: |
7751 Time(s) |

|
| Description: |
|
 Download |
| Filename: |
Dan's Electrical Schematic.pdf |
| Filesize: |
418.49 KB |
| Downloaded: |
862 Time(s) |
_________________ Dan |
|
| Back to top |
|
 |
messydeer
Joined: 13 Feb 2006 Posts: 214 Location: Bellingham, WA
|
Posted: Tue Jul 13, 2010 7:17 pm Post subject: Re: LV warn light snafu? |
|
|
Well, I think I found the problem. There will be an inline fuse between the COM lead of the alternator disconnect relay and the RDAC for a tach signal. I have the end into the COM lead just fine, but the other end was touching the firewall, effectively grounding it. Once I took care of that, the LV light came on exactly how I expected it to, both in 'bat only' as well as in the 'bat + alt' positions.
In troubleshooting this, I started checking out numbers with my Fluke 83 VOM. The wires and switches showed resistances of 0.2 to 0.4. The resistance across the alt relay coil was 91 ohms. Voltage drops across the 3 reversing diodes were all a little over 0.5V. There was no continuity across the crowbar OVM.
I should have connected the alternator output leads again before declaring a success. I'll do that when I get out in the shop again.
And finally, assuming I've got the LV warn light problem fixed, is there anything I can do to test the electrical system?
| | - The Matronics AeroElectric-List Email Forum - | | | Use the List Feature Navigator to browse the many List utilities available such as the Email Subscriptions page, Archive Search & Download, 7-Day Browse, Chat, FAQ, Photoshare, and much more:
http://www.matronics.com/Navigator?AeroElectric-List |
|
_________________ Dan |
|
| Back to top |
|
 |
nuckolls.bob(at)aeroelect Guest
|
Posted: Wed Jul 14, 2010 1:11 pm Post subject: LV warn light snafu? |
|
|
| Quote: | I should have connected the alternator output leads again before
declaring a success. I'll do that when I get out in the shop again.
|
Sounds like you've done a righteous job of
chasing the bugs out . . .
| Quote: | And finally, assuming I've got the LV warn light problem fixed, is
there anything I can do to test the electrical system?
|
Sounds like the next step is an engine-run with
the alternator delivering power.
Bob . . .
| | - The Matronics AeroElectric-List Email Forum - | | | Use the List Feature Navigator to browse the many List utilities available such as the Email Subscriptions page, Archive Search & Download, 7-Day Browse, Chat, FAQ, Photoshare, and much more:
http://www.matronics.com/Navigator?AeroElectric-List |
|
|
|
| Back to top |
|
 |
messydeer
Joined: 13 Feb 2006 Posts: 214 Location: Bellingham, WA
|
|
| Back to top |
|
 |
|
|
You cannot post new topics in this forum You cannot reply to topics in this forum You cannot edit your posts in this forum You cannot delete your posts in this forum You cannot vote in polls in this forum You cannot attach files in this forum You can download files in this forum
|
Powered by phpBB © 2001, 2005 phpBB Group
|