 |
Matronics Email Lists Web Forum Interface to the Matronics Email Lists
|
| View previous topic :: View next topic |
| Author |
Message |
klehman(at)albedo.net Guest
|
Posted: Mon Aug 16, 2010 6:10 am Post subject: Aeroflash power supply |
|
|
I have a failed Aeroflash 152-0011 double flash strobe power supply.
Aeroflash tells me they will not overhaul it as it is older than 5 years.
It charges the 50uf 450 volt capacitor. I can hear the trigger fire at
about 450 volts, the voltage keeps building and after about 3 audible
triggers it shuts down, likely due to overvoltage at about 500 volts.
After several seconds the voltage decays and this repeats. There are no
trigger pulses to the flash tube at any time. Even with this
description, the Aeroflash support tech thinks it is the proprietary
photoflash capacitor but I thought I'd ask the list for any thoughts. It
seems that the cap charges OK so I was surprised that the technician
still thinks it is the capacitor. It seems they have very few failures
of any other components. I have not found a circuit diagram and the
semiconductors are not marked.
thanks
Ken
| | - The Matronics AeroElectric-List Email Forum - | | | Use the List Feature Navigator to browse the many List utilities available such as the Email Subscriptions page, Archive Search & Download, 7-Day Browse, Chat, FAQ, Photoshare, and much more:
http://www.matronics.com/Navigator?AeroElectric-List |
|
|
|
| Back to top |
|
 |
nuckolls.bob(at)aeroelect Guest
|
Posted: Mon Aug 16, 2010 6:56 am Post subject: Aeroflash power supply |
|
|
At 08:35 AM 8/16/2010, you wrote:
| Quote: | --> AeroElectric-List message posted by: Ken <klehman(at)albedo.net>
I have a failed Aeroflash 152-0011 double flash strobe power supply. Aeroflash tells me they will not overhaul it as it is older than 5 years.
It charges the 50uf 450 volt capacitor. I can hear the trigger fire at about 450 volts, the voltage keeps building and after about 3 audible triggers it shuts down, likely due to overvoltage at about 500 volts. After several seconds the voltage decays and this repeats. There are no trigger pulses to the flash tube at any time. Even with this description, the Aeroflash support tech thinks it is the proprietary photoflash capacitor but I thought I'd ask the list for any thoughts. It seems that the cap charges OK so I was surprised that the technician still thinks it is the capacitor. It seems they have very few failures of any other components. I have not found a circuit diagram and the semiconductors are not marked. |
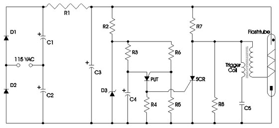
Here's an exemplar flash tube schematic:
[img]cid:.0[/img]
There are two capacitors involved with getting
a strobe to flash. One is the fat energy storage
capacitor . . . the one that gets charged to
400+ volts. (C3 in the schematic)
There's another small capacitor (C6 in this schematic)
that also charges to 440+ volts. This is the
trigger generator that gets discharged into
the secondary of a trigger transformer with
about a 1:30 step-up ratio. The resulting
10,000+ volt pulse is simply applied to a wire
that wraps around the glass envelope of the
flash-tube. ELECTROSTATIC coupling of the
trigger pulse through the glass excites the
xenon gas into conduction whereby and energy
from the fat capacitor is discharged through
the gas.
See:
http://www.repairfaq.org/REPAIR/F_strbfaq.html
What you're describing suggests that the
power supply is working and the energy storage
capacitor is charging. What you're probably
missing is the trigger stimulus.
Bob . . .
| | - The Matronics AeroElectric-List Email Forum - | | | Use the List Feature Navigator to browse the many List utilities available such as the Email Subscriptions page, Archive Search & Download, 7-Day Browse, Chat, FAQ, Photoshare, and much more:
http://www.matronics.com/Navigator?AeroElectric-List |
|
| Description: |
|
| Filesize: |
45.11 KB |
| Viewed: |
11044 Time(s) |

|
|
|
| Back to top |
|
 |
trigo(at)mail.telepac.pt Guest
|
Posted: Mon Aug 16, 2010 7:34 am Post subject: Aeroflash power supply |
|
|
Bob
I cannot find any C6 in the schematic. Is it that small?
Carlos
From: owner-aeroelectric-list-server(at)matronics.com [mailto:owner-aeroelectric-list-server(at)matronics.com] On Behalf Of Robert L. Nuckolls, III
Sent: segunda-feira, 16 de Agosto de 2010 15:56
To: aeroelectric-list(at)matronics.com
Subject: Re: AeroElectric-List: Aeroflash power supply
At 08:35 AM 8/16/2010, you wrote:
--> AeroElectric-List message posted by: Ken <klehman(at)albedo.net>
I have a failed Aeroflash 152-0011 double flash strobe power supply. Aeroflash tells me they will not overhaul it as it is older than 5 years.
It charges the 50uf 450 volt capacitor. I can hear the trigger fire at about 450 volts, the voltage keeps building and after about 3 audible triggers it shuts down, likely due to overvoltage at about 500 volts. After several seconds the voltage decays and this repeats. There are no trigger pulses to the flash tube at any time. Even with this description, the Aeroflash support tech thinks it is the proprietary photoflash capacitor but I thought I'd ask the list for any thoughts. It seems that the cap charges OK so I was surprised that the technician still thinks it is the capacitor. It seems they have very few failures of any other components. I have not found a circuit diagram and the semiconductors are not marked.
Here's an exemplar flash tube schematic:
[img]cid:image001.jpg(at)01CB3D60.574956D0[/img]
There are two capacitors involved with getting
a strobe to flash. One is the fat energy storage
capacitor . . . the one that gets charged to
400+ volts. (C3 in the schematic)
There's another small capacitor (C6 in this schematic)
that also charges to 440+ volts. This is the
trigger generator that gets discharged into
the secondary of a trigger transformer with
about a 1:30 step-up ratio. The resulting
10,000+ volt pulse is simply applied to a wire
that wraps around the glass envelope of the
flash-tube. ELECTROSTATIC coupling of the
trigger pulse through the glass excites the
xenon gas into conduction whereby and energy
from the fat capacitor is discharged through
the gas.
See:
http://www.repairfaq.org/REPAIR/F_strbfaq.html
What you're describing suggests that the
power supply is working and the energy storage
capacitor is charging. What you're probably
missing is the trigger stimulus.
Bob . . .
| | - The Matronics AeroElectric-List Email Forum - | | | Use the List Feature Navigator to browse the many List utilities available such as the Email Subscriptions page, Archive Search & Download, 7-Day Browse, Chat, FAQ, Photoshare, and much more:
http://www.matronics.com/Navigator?AeroElectric-List |
|
| Description: |
|
| Filesize: |
45.11 KB |
| Viewed: |
11044 Time(s) |

|
|
|
| Back to top |
|
 |
ftyoder(at)yoderbuilt.com Guest
|
Posted: Mon Aug 16, 2010 8:23 am Post subject: Aeroflash power supply |
|
|
C5 I think.
[quote] ---
| | - The Matronics AeroElectric-List Email Forum - | | | Use the List Feature Navigator to browse the many List utilities available such as the Email Subscriptions page, Archive Search & Download, 7-Day Browse, Chat, FAQ, Photoshare, and much more:
http://www.matronics.com/Navigator?AeroElectric-List |
|
| Description: |
|
| Filesize: |
45.11 KB |
| Viewed: |
11043 Time(s) |

|
|
|
| Back to top |
|
 |
mcculleyja(at)verizon.net Guest
|
Posted: Mon Aug 16, 2010 8:40 am Post subject: Aeroflash power supply |
|
|
Did you mean C5 rather than C6?
Jim
=====================================================================================
Robert L. Nuckolls, III wrote:
| Quote: | At 08:35 AM 8/16/2010, you wrote:
>
>
> I have a failed Aeroflash 152-0011 double flash strobe power supply.
> Aeroflash tells me they will not overhaul it as it is older than 5 years.
>
> It charges the 50uf 450 volt capacitor. I can hear the trigger fire
> at about 450 volts, the voltage keeps building and after about 3
> audible triggers it shuts down, likely due to overvoltage at about
> 500 volts. After several seconds the voltage decays and this repeats.
> There are no trigger pulses to the flash tube at any time. Even with
> this description, the Aeroflash support tech thinks it is the
> proprietary photoflash capacitor but I thought I'd ask the list for
> any thoughts. It seems that the cap charges OK so I was surprised
> that the technician still thinks it is the capacitor. It seems they
> have very few failures of any other components. I have not found a
> circuit diagram and the semiconductors are not marked.
Here's an exemplar flash tube schematic:
Emacs!
There are two capacitors involved with getting
a strobe to flash. One is the fat energy storage
capacitor . . . the one that gets charged to
400+ volts. (C3 in the schematic)
There's another small capacitor (C6 in this schematic)
that also charges to 440+ volts. This is the
trigger generator that gets discharged into
the secondary of a trigger transformer with
about a 1:30 step-up ratio. The resulting
10,000+ volt pulse is simply applied to a wire
that wraps around the glass envelope of the
flash-tube. ELECTROSTATIC coupling of the
trigger pulse through the glass excites the
xenon gas into conduction whereby and energy
from the fat capacitor is discharged through
the gas.
See:
http://www.repairfaq.org/REPAIR/F_strbfaq.html
What you're describing suggests that the
power supply is working and the energy storage
capacitor is charging. What you're probably
missing is the trigger stimulus.
Bob . . .
===================================================================================
|
| | - The Matronics AeroElectric-List Email Forum - | | | Use the List Feature Navigator to browse the many List utilities available such as the Email Subscriptions page, Archive Search & Download, 7-Day Browse, Chat, FAQ, Photoshare, and much more:
http://www.matronics.com/Navigator?AeroElectric-List |
|
|
|
| Back to top |
|
 |
ceengland(at)bellsouth.ne Guest
|
Posted: Mon Aug 16, 2010 5:09 pm Post subject: Aeroflash power supply |
|
|
On 8/16/2010 8:35 AM, Ken wrote:
| Quote: |
I have a failed Aeroflash 152-0011 double flash strobe power supply.
Aeroflash tells me they will not overhaul it as it is older than 5 years.
It charges the 50uf 450 volt capacitor. I can hear the trigger fire at
about 450 volts, the voltage keeps building and after about 3 audible
triggers it shuts down, likely due to overvoltage at about 500 volts.
After several seconds the voltage decays and this repeats. There are
no trigger pulses to the flash tube at any time. Even with this
description, the Aeroflash support tech thinks it is the proprietary
photoflash capacitor but I thought I'd ask the list for any thoughts.
It seems that the cap charges OK so I was surprised that the
technician still thinks it is the capacitor. It seems they have very
few failures of any other components. I have not found a circuit
diagram and the semiconductors are not marked.
thanks
Ken
Note to self: Aeroflash does not adequately support their products.
|
Avoid that brand.
Not much help for you, but passing along that info could help a lot of
other homebuilders.
Thanks,
Charlie
| | - The Matronics AeroElectric-List Email Forum - | | | Use the List Feature Navigator to browse the many List utilities available such as the Email Subscriptions page, Archive Search & Download, 7-Day Browse, Chat, FAQ, Photoshare, and much more:
http://www.matronics.com/Navigator?AeroElectric-List |
|
|
|
| Back to top |
|
 |
klehman(at)albedo.net Guest
|
Posted: Mon Aug 16, 2010 9:18 pm Post subject: Aeroflash power supply |
|
|
The strobe refresher and reference was appreciated.
It seems that the trigger transformer is actually embedded in the molded
silicone base of the 073-0270 flashtube. An old troubleshooting FAQ says
that a voltmeter should measure 150 to 175 volts on the trigger line out
of the power supply (scope still shows zero). The resistances that I
measure on a new flashtube seem to confirm that the transformer is in
the flashtube assembly.
It looks like the triggering SCR in the power supply is a T106C1 rated
at 300 volts. Now if I could just figure out why it has no voltage to
switch...
Ken
Robert L. Nuckolls, III wrote:
| Quote: | At 08:35 AM 8/16/2010, you wrote:
>
>
> I have a failed Aeroflash 152-0011 double flash strobe power supply.
> Aeroflash tells me they will not overhaul it as it is older than 5 years.
>
> It charges the 50uf 450 volt capacitor. I can hear the trigger fire at
> about 450 volts, the voltage keeps building and after about 3 audible
> triggers it shuts down, likely due to overvoltage at about 500 volts.
> After several seconds the voltage decays and this repeats. There are
> no trigger pulses to the flash tube at any time. Even with this
> description, the Aeroflash support tech thinks it is the proprietary
> photoflash capacitor but I thought I'd ask the list for any thoughts.
> It seems that the cap charges OK so I was surprised that the
> technician still thinks it is the capacitor. It seems they have very
> few failures of any other components. I have not found a circuit
> diagram and the semiconductors are not marked.
Here's an exemplar flash tube schematic:
Emacs!
There are two capacitors involved with getting
a strobe to flash. One is the fat energy storage
capacitor . . . the one that gets charged to
400+ volts. (C3 in the schematic)
There's another small capacitor (C6 in this schematic)
that also charges to 440+ volts. This is the
trigger generator that gets discharged into
the secondary of a trigger transformer with
about a 1:30 step-up ratio. The resulting
10,000+ volt pulse is simply applied to a wire
that wraps around the glass envelope of the
flash-tube. ELECTROSTATIC coupling of the
trigger pulse through the glass excites the
xenon gas into conduction whereby and energy
from the fat capacitor is discharged through
the gas.
See:
http://www.repairfaq.org/REPAIR/F_strbfaq.html
What you're describing suggests that the
power supply is working and the energy storage
capacitor is charging. What you're probably
missing is the trigger stimulus.
Bob . . .
|
| | - The Matronics AeroElectric-List Email Forum - | | | Use the List Feature Navigator to browse the many List utilities available such as the Email Subscriptions page, Archive Search & Download, 7-Day Browse, Chat, FAQ, Photoshare, and much more:
http://www.matronics.com/Navigator?AeroElectric-List |
|
|
|
| Back to top |
|
 |
nuckolls.bob(at)aeroelect Guest
|
Posted: Tue Aug 17, 2010 7:18 am Post subject: Aeroflash power supply |
|
|
At 11:38 AM 8/16/2010, you wrote:
| Quote: |
Did you mean C5 rather than C6?
|
Yes, that's a typo. In the schematic I published,
C3 is the flash-tube energy storage capacitor and
C5 is energy source for generating a trigger spike.
Bob . . .
| | - The Matronics AeroElectric-List Email Forum - | | | Use the List Feature Navigator to browse the many List utilities available such as the Email Subscriptions page, Archive Search & Download, 7-Day Browse, Chat, FAQ, Photoshare, and much more:
http://www.matronics.com/Navigator?AeroElectric-List |
|
|
|
| Back to top |
|
 |
klehman(at)albedo.net Guest
|
Posted: Wed Aug 18, 2010 6:24 am Post subject: Aeroflash power supply |
|
|
I suspect this failure is atypical but here is what I learned in case it
helps anyone. This is for a aeroflash 152-0011 power supply with a year
2000 build date. Beside where the 3 strobe wires are soldered to the
circuit board is a T106C1 SCR which switches the trigger signal. My
power supply was not outputting any trigger voltage and I had no voltage
on the anode (center pin) of the SCR. About 3/4" away there were two
330k resistors side by side that divide the 400 volt nominal flash
capacitor voltage in half and then feed the scr and the 330nf trigger
capacitor (blue rectangular cap). The larger 330k resistor (one is half
watt and the other is quarter watt) was found to be open circuited. New
resistor, replace the parts that I removed in the process and all is
well again. There is a trick circuit there as the resistance measured
about as expected when the resistor was in circuit.
As mentioned in another post the trigger transformer was found to be
molded into the 073-0270 flashtube assembly and the power supply only
sends a nominal 175 volt trigger voltage to the flashtube. The tube
flashes when the SCR discharges the 330nf capacitor dropping the
outputted trigger voltage to zero.
Usual Caveats - the large capacitor can carry a 450+ volt fatal charge
even after power is removed from the circuit. Mine bled down to safe
levels in about 10 seconds but yours might not.
Ken
Robert L. Nuckolls, III wrote:
| Quote: | At 08:35 AM 8/16/2010, you wrote:
>
>
> I have a failed Aeroflash 152-0011 double flash strobe power supply.
> Aeroflash tells me they will not overhaul it as it is older than 5 years.
>
> It charges the 50uf 450 volt capacitor. I can hear the trigger fire at
> about 450 volts, the voltage keeps building and after about 3 audible
> triggers it shuts down, likely due to overvoltage at about 500 volts.
> After several seconds the voltage decays and this repeats. There are
> no trigger pulses to the flash tube at any time. Even with this
> description, the Aeroflash support tech thinks it is the proprietary
> photoflash capacitor but I thought I'd ask the list for any thoughts.
> It seems that the cap charges OK so I was surprised that the
> technician still thinks it is the capacitor. It seems they have very
> few failures of any other components. I have not found a circuit
> diagram and the semiconductors are not marked.
Here's an exemplar flash tube schematic:
Emacs!
There are two capacitors involved with getting
a strobe to flash. One is the fat energy storage
capacitor . . . the one that gets charged to
400+ volts. (C3 in the schematic)
There's another small capacitor (C6 in this schematic)
that also charges to 440+ volts. This is the
trigger generator that gets discharged into
the secondary of a trigger transformer with
about a 1:30 step-up ratio. The resulting
10,000+ volt pulse is simply applied to a wire
that wraps around the glass envelope of the
flash-tube. ELECTROSTATIC coupling of the
trigger pulse through the glass excites the
xenon gas into conduction whereby and energy
from the fat capacitor is discharged through
the gas.
See:
http://www.repairfaq.org/REPAIR/F_strbfaq.html
What you're describing suggests that the
power supply is working and the energy storage
capacitor is charging. What you're probably
missing is the trigger stimulus.
Bob . . .
|
| | - The Matronics AeroElectric-List Email Forum - | | | Use the List Feature Navigator to browse the many List utilities available such as the Email Subscriptions page, Archive Search & Download, 7-Day Browse, Chat, FAQ, Photoshare, and much more:
http://www.matronics.com/Navigator?AeroElectric-List |
|
|
|
| Back to top |
|
 |
skywagon
Joined: 11 Feb 2006 Posts: 184
|
Posted: Wed Aug 18, 2010 8:06 am Post subject: Aeroflash power supply |
|
|
Ken,
..great detail and I for one appreciate your findings and insight.
this will be added to my library as I have buds with similar strobe set-ups.
David
______________________________________
---
| | - The Matronics AeroElectric-List Email Forum - | | | Use the List Feature Navigator to browse the many List utilities available such as the Email Subscriptions page, Archive Search & Download, 7-Day Browse, Chat, FAQ, Photoshare, and much more:
http://www.matronics.com/Navigator?AeroElectric-List |
|
|
|
| Back to top |
|
 |
|
|
You cannot post new topics in this forum You cannot reply to topics in this forum You cannot edit your posts in this forum You cannot delete your posts in this forum You cannot vote in polls in this forum You cannot attach files in this forum You can download files in this forum
|
Powered by phpBB © 2001, 2005 phpBB Group
|