 |
Matronics Email Lists Web Forum Interface to the Matronics Email Lists
|
| View previous topic :: View next topic |
| Author |
Message |
Tim Olson
Joined: 25 Jan 2007 Posts: 2882
|
Posted: Tue Dec 07, 2010 10:02 am Post subject: Music isolation advice |
|
|
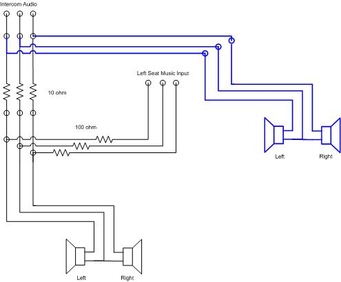
Attached is a .jpg to best explain this....
I'm mixing audio into the headset cord, basically.
In the end I will be doing something for both rear
seats, so they have independent music.
Today though I realized something after looking at my
audio panel (PMA8000) wiring info... All of the
rear seat jacks (4 passenger jacks) are all basically
paralleled together.
I tested injecting audio with the attached circuit
using 10 ohm and 100 ohm resistors, and got a
satisfactory music and intercom volume to the headset...
tested using a portable intercom. What I forgot
about was the section in blue....with the other
headsets in parallel.
I'm betting that the resistors will do nothing to
prevent the MUSIC audio from this left seat example from
being heard by the right seat (blue).
It seems to me that I'll need to put some sort
of isolator in the intercom audio line, just
before the 10 ohm resistors, in order to prevent
the music from backfeeding to the other headsets.
Is there a simple way to do this, or am I wrong, and
the resistors if I do a similar circuit on the right,
act as some sort of matching device and prevent
this from happening?
--
Tim Olson - RV-10 N104CD
do not archive
| | - The Matronics AeroElectric-List Email Forum - | | | Use the List Feature Navigator to browse the many List utilities available such as the Email Subscriptions page, Archive Search & Download, 7-Day Browse, Chat, FAQ, Photoshare, and much more:
http://www.matronics.com/Navigator?AeroElectric-List |
|
| Description: |
|
| Filesize: |
19.12 KB |
| Viewed: |
4711 Time(s) |

|
|
|
| Back to top |
|
 |
peter(at)sportingaero.com Guest
|
Posted: Tue Dec 07, 2010 1:39 pm Post subject: Music isolation advice |
|
|
This is the expensive way to achieve what you're after here - street price should be less, but way more than a few resistors!
I'm not an electronics guru, but I don't see any reason why the audio would not be fed into the other headsets - there doesn't appear to be anything to stop it ... Perhaps you need a isolating amplifier at each seat - Bob posted about these a few days ago:
http://www.aeroelectric.com/Catalog/AEC/9009/
Not entirely sure it will meet your needs, but I think it does.
Peter
On 07/12/2010 17:30, Tim Olson wrote: [quote]Attached is a .jpg to best explain this....
I'm mixing audio into the headset cord, basically.
In the end I will be doing something for both rear
seats, so they have independent music.
Today though I realized something after looking at my
audio panel (PMA8000) wiring info... All of the
rear seat jacks (4 passenger jacks) are all basically
paralleled together.
I tested injecting audio with the attached circuit
using 10 ohm and 100 ohm resistors, and got a
satisfactory music and intercom volume to the headset...
tested using a portable intercom. What I forgot
about was the section in blue....with the other
headsets in parallel.
I'm betting that the resistors will do nothing to
prevent the MUSIC audio from this left seat example from
being heard by the right seat (blue).
It seems to me that I'll need to put some sort
of isolator in the intercom audio line, just
before the 10 ohm resistors, in order to prevent
the music from backfeeding to the other headsets.
Is there a simple way to do this, or am I wrong, and
the resistors if I do a similar circuit on the right,
act as some sort of matching device and prevent
this from happening?
[b]
| | - The Matronics AeroElectric-List Email Forum - | | | Use the List Feature Navigator to browse the many List utilities available such as the Email Subscriptions page, Archive Search & Download, 7-Day Browse, Chat, FAQ, Photoshare, and much more:
http://www.matronics.com/Navigator?AeroElectric-List |
|
|
|
| Back to top |
|
 |
Tim Olson
Joined: 25 Jan 2007 Posts: 2882
|
Posted: Tue Dec 07, 2010 2:14 pm Post subject: Music isolation advice |
|
|
Holy moly, if I'd have known about those a few days
ago I might just have jumped on that. Indeed it
is nearly exactly what I'm looking for, but yeah,
at 3X the price I suppose.
It looks like you're right...this kit that Bob has might
be just the ticket. I'll have to see if the circuit
board is available pre-made...if so, I think I'll do this.
Tim Olson - RV-10 N104CD
do not archive
On 12/7/2010 3:35 PM, Peter Pengilly wrote:
| Quote: | This is the expensive way to achieve what you're after here
<http://www.ps-engineering.com/muse.shtml> - street price should be
less, but way more than a few resistors!
I'm not an electronics guru, but I don't see any reason why the audio
would not be fed into the other headsets - there doesn't appear to be
anything to stop it ... Perhaps you need a isolating amplifier at each
seat - Bob posted about these a few days ago:
http://www.aeroelectric.com/Catalog/AEC/9009/
Not entirely sure it will meet your needs, but I think it does.
Peter
On 07/12/2010 17:30, Tim Olson wrote:
> Attached is a .jpg to best explain this....
>
> I'm mixing audio into the headset cord, basically.
> In the end I will be doing something for both rear
> seats, so they have independent music.
>
> Today though I realized something after looking at my
> audio panel (PMA8000) wiring info... All of the
> rear seat jacks (4 passenger jacks) are all basically
> paralleled together.
>
> I tested injecting audio with the attached circuit
> using 10 ohm and 100 ohm resistors, and got a
> satisfactory music and intercom volume to the headset...
> tested using a portable intercom. What I forgot
> about was the section in blue....with the other
> headsets in parallel.
>
> I'm betting that the resistors will do nothing to
> prevent the MUSIC audio from this left seat example from
> being heard by the right seat (blue).
>
> It seems to me that I'll need to put some sort
> of isolator in the intercom audio line, just
> before the 10 ohm resistors, in order to prevent
> the music from backfeeding to the other headsets.
>
> Is there a simple way to do this, or am I wrong, and
> the resistors if I do a similar circuit on the right,
> act as some sort of matching device and prevent
> this from happening?
>
*
*
|
| | - The Matronics AeroElectric-List Email Forum - | | | Use the List Feature Navigator to browse the many List utilities available such as the Email Subscriptions page, Archive Search & Download, 7-Day Browse, Chat, FAQ, Photoshare, and much more:
http://www.matronics.com/Navigator?AeroElectric-List |
|
|
|
| Back to top |
|
 |
nuckolls.bob(at)aeroelect Guest
|
Posted: Tue Dec 07, 2010 2:33 pm Post subject: Music isolation advice |
|
|
At 04:11 PM 12/7/2010, you wrote:
| Quote: |
Holy moly, if I'd have known about those a few days
ago I might just have jumped on that. Indeed it
is nearly exactly what I'm looking for, but yeah,
at 3X the price I suppose.
It looks like you're right...this kit that Bob has might
be just the ticket. I'll have to see if the circuit
board is available pre-made...if so, I think I'll do this.
|
I've never offered it as an assembled device
but I think I've got the parts in the bins to
build one. If you decide that's what you need,
we can probably accommodate you.
Bob . . .
| | - The Matronics AeroElectric-List Email Forum - | | | Use the List Feature Navigator to browse the many List utilities available such as the Email Subscriptions page, Archive Search & Download, 7-Day Browse, Chat, FAQ, Photoshare, and much more:
http://www.matronics.com/Navigator?AeroElectric-List |
|
|
|
| Back to top |
|
 |
Tim Olson
Joined: 25 Jan 2007 Posts: 2882
|
Posted: Tue Dec 07, 2010 3:06 pm Post subject: Music isolation advice |
|
|
Yeah, it seems to be what I'd need...even more than
what I'd need. I just want audio in on one jack,
and to be able to boost it only a little. The headset
audio would just pass through and mix, without allowing
the music audio to backfeed to the rest of the system.
In my application, I'd actually need to build 2 of them,
one for each seat, since really my goal is to mix
music with a single headset, without affecting all
the other headsets, so that the 2 rear seater's can
each have their own independent music. That's pretty
much it. If the device does that, my next step
is to get the parts and boards together and start
soldering away. Not sure what the parts list
comes to, but if it can be done for under $100 for a
pair of them, I'll be pretty happy...especially
if it can give a little gain to the music audio.
Tim Olson - RV-10 N104CD
do not archive
On 12/7/2010 4:30 PM, Robert L. Nuckolls, III wrote:
| Quote: |
<nuckolls.bob(at)aeroelectric.com>
At 04:11 PM 12/7/2010, you wrote:
>
>
> Holy moly, if I'd have known about those a few days
> ago I might just have jumped on that. Indeed it
> is nearly exactly what I'm looking for, but yeah,
> at 3X the price I suppose.
>
> It looks like you're right...this kit that Bob has might
> be just the ticket. I'll have to see if the circuit
> board is available pre-made...if so, I think I'll do this.
I've never offered it as an assembled device
but I think I've got the parts in the bins to
build one. If you decide that's what you need,
we can probably accommodate you.
Bob . . .
|
| | - The Matronics AeroElectric-List Email Forum - | | | Use the List Feature Navigator to browse the many List utilities available such as the Email Subscriptions page, Archive Search & Download, 7-Day Browse, Chat, FAQ, Photoshare, and much more:
http://www.matronics.com/Navigator?AeroElectric-List |
|
|
|
| Back to top |
|
 |
sprocket(at)vx-aviation.c Guest
|
Posted: Wed Dec 08, 2010 7:14 am Post subject: Music isolation advice |
|
|
If you want independent music capability for each seat, you will need an isolation amplifier for each. Also, most music players don't put out enough power o provide acceptable audio levels in the cockpit, so the passive mixer approach that you are using may not be adequate.
What I developed to solve this problem are these devices: The ASX-2A and the ASX-2B (http://vx-aviation.com/page_2.html#ASX-2B_more). These may be overkill if you are looking for something simple, but it neatly solves the problem on a per-seat basis and they are very small. Additional benefits are the auto-mute capability and the cell phone interface (ASX-2B only).
Thanks,
Vern Little
Vx Aviation
--
| | - The Matronics AeroElectric-List Email Forum - | | | Use the List Feature Navigator to browse the many List utilities available such as the Email Subscriptions page, Archive Search & Download, 7-Day Browse, Chat, FAQ, Photoshare, and much more:
http://www.matronics.com/Navigator?AeroElectric-List |
|
|
|
| Back to top |
|
 |
Tim Olson
Joined: 25 Jan 2007 Posts: 2882
|
Posted: Wed Dec 08, 2010 8:03 am Post subject: Music isolation advice |
|
|
Hi Vern,
Yeah, the ASX-2A is pretty close to what I'd be looking
for. I definitely don't need cellphone...it's just
for the kids in the rear seats. Can the auto-mute be
disabled on the ASX-2A? I can't stand it when someone
talks and interrupts my music, and I'm sure the kids would
scream if every time we talked to them their songs
faded away. If it were switchable it would be nice.
I did, a couple days ago, order a music headphone amp
for each rear seat, that runs on 12V (the Boostaroo Revolution),
so I'm in it for $100 already for amping up the
volume on the ipod audio. They can do 4X boosting.
I tested those 4-resistor passive mixers and even with
no amp the volume was real low but I could tell that
2X or 4X would be fine.
So your ASX-2A provides the music boosting I take it,
right? If so, it's definitely a viable option.
What I'm not clear on yet regarding Bob's Audio Isolation
Amp is if it provides any music boosting. It does say
it's a unity amp, so I'm guessing there is no boost, but
then it also says that you can adjust resistors for
volume levels. I'm itching for a DIY project, actually,
so it's attractive to build that one, but if it doesn't
boost the ipod audio in, then I'm still going to fight
with that.
My ideal right now, since I've bought about $200 in
switches, parts, and boosters that will be showing up
in the next day or two, would be to find just a
VERY simple audio isolation circuit....one that I
can put inline with the headset audio, and then
do my passive mixer after that. Since I know all
the passive mixer will do what I need, with no
special features, I just need to insure that the
ipod audio doesn't go back through the system to the
other seat. I'm just not clear on what the very
simple 1:1 isolation-only system would be that would
do the job.
Do you stock your ASX-2A's?
Tim Olson - RV-10 N104CD
do not archive
On 12/8/2010 9:09 AM, Vern Little wrote:
[quote] If you want independent music capability for each seat, you will need an
isolation amplifier for each. Also, most music players don't put out
enough power o provide acceptable audio levels in the cockpit, so the
passive mixer approach that you are using may not be adequate.
What I developed to solve this problem are these devices: The ASX-2A and
the ASX-2B (http://vx-aviation.com/page_2.html#ASX-2B_more). These may
be overkill if you are looking for something simple, but it neatly
solves the problem on a per-seat basis and they are very small.
Additional benefits are the auto-mute capability and the cell phone
interface (ASX-2B only).
Thanks,
Vern Little
Vx Aviation
--
| | - The Matronics AeroElectric-List Email Forum - | | | Use the List Feature Navigator to browse the many List utilities available such as the Email Subscriptions page, Archive Search & Download, 7-Day Browse, Chat, FAQ, Photoshare, and much more:
http://www.matronics.com/Navigator?AeroElectric-List |
|
|
|
| Back to top |
|
 |
Tim Olson
Joined: 25 Jan 2007 Posts: 2882
|
Posted: Wed Dec 08, 2010 8:38 am Post subject: Music isolation advice |
|
|
Actually, I just realized that Bob's 9009-700L won't
work for me, as stock at least, if I use it per normal
operation. It provides for Mono headphone audio,
and mixes to Stereo music. I need to have Stereo
Headset audio mixed with Stereo Music Audio.
It may be that I could build a similar circuit based
on the same devices though, to just bring in the stereo
audio from the headset as Music audio, and then put it
out the other side, where I can use a passive mixer
circuit to blend in the ipod audio.
Tim
On 12/8/2010 9:58 AM, Tim Olson wrote:
[quote]
Hi Vern,
Yeah, the ASX-2A is pretty close to what I'd be looking
for. I definitely don't need cellphone...it's just
for the kids in the rear seats. Can the auto-mute be
disabled on the ASX-2A? I can't stand it when someone
talks and interrupts my music, and I'm sure the kids would
scream if every time we talked to them their songs
faded away. If it were switchable it would be nice.
I did, a couple days ago, order a music headphone amp
for each rear seat, that runs on 12V (the Boostaroo Revolution),
so I'm in it for $100 already for amping up the
volume on the ipod audio. They can do 4X boosting.
I tested those 4-resistor passive mixers and even with
no amp the volume was real low but I could tell that
2X or 4X would be fine.
So your ASX-2A provides the music boosting I take it,
right? If so, it's definitely a viable option.
What I'm not clear on yet regarding Bob's Audio Isolation
Amp is if it provides any music boosting. It does say
it's a unity amp, so I'm guessing there is no boost, but
then it also says that you can adjust resistors for
volume levels. I'm itching for a DIY project, actually,
so it's attractive to build that one, but if it doesn't
boost the ipod audio in, then I'm still going to fight
with that.
My ideal right now, since I've bought about $200 in
switches, parts, and boosters that will be showing up
in the next day or two, would be to find just a
VERY simple audio isolation circuit....one that I
can put inline with the headset audio, and then
do my passive mixer after that. Since I know all
the passive mixer will do what I need, with no
special features, I just need to insure that the
ipod audio doesn't go back through the system to the
other seat. I'm just not clear on what the very
simple 1:1 isolation-only system would be that would
do the job.
Do you stock your ASX-2A's?
Tim Olson - RV-10 N104CD
do not archive
On 12/8/2010 9:09 AM, Vern Little wrote:
> If you want independent music capability for each seat, you will need an
> isolation amplifier for each. Also, most music players don't put out
> enough power o provide acceptable audio levels in the cockpit, so the
> passive mixer approach that you are using may not be adequate.
> What I developed to solve this problem are these devices: The ASX-2A and
> the ASX-2B (http://vx-aviation.com/page_2.html#ASX-2B_more). These may
> be overkill if you are looking for something simple, but it neatly
> solves the problem on a per-seat basis and they are very small.
> Additional benefits are the auto-mute capability and the cell phone
> interface (ASX-2B only).
> Thanks,
> Vern Little
> Vx Aviation
> --
| | - The Matronics AeroElectric-List Email Forum - | | | Use the List Feature Navigator to browse the many List utilities available such as the Email Subscriptions page, Archive Search & Download, 7-Day Browse, Chat, FAQ, Photoshare, and much more:
http://www.matronics.com/Navigator?AeroElectric-List |
|
|
|
| Back to top |
|
 |
nuckolls.bob(at)aeroelect Guest
|
Posted: Wed Dec 08, 2010 11:20 am Post subject: Music isolation advice |
|
|
At 10:34 AM 12/8/2010, you wrote:
| Quote: |
Actually, I just realized that Bob's 9009-700L won't
work for me, as stock at least, if I use it per normal
operation. It provides for Mono headphone audio,
and mixes to Stereo music. I need to have Stereo
Headset audio mixed with Stereo Music Audio.
|
The 9009 board is easily 'jeeped' to provide
two pairs of stereo input.
Bob . . .
| | - The Matronics AeroElectric-List Email Forum - | | | Use the List Feature Navigator to browse the many List utilities available such as the Email Subscriptions page, Archive Search & Download, 7-Day Browse, Chat, FAQ, Photoshare, and much more:
http://www.matronics.com/Navigator?AeroElectric-List |
|
|
|
| Back to top |
|
 |
|
|
You cannot post new topics in this forum You cannot reply to topics in this forum You cannot edit your posts in this forum You cannot delete your posts in this forum You cannot vote in polls in this forum You cannot attach files in this forum You can download files in this forum
|
Powered by phpBB © 2001, 2005 phpBB Group
|