 |
Matronics Email Lists Web Forum Interface to the Matronics Email Lists
|
| View previous topic :: View next topic |
| Author |
Message |
nuckolls.bob(at)aeroelect Guest
|
Posted: Mon Apr 09, 2012 11:20 am Post subject: Open source product development for OBAM aircraft |
|
|
At 11:57 AM 4/9/2012, you wrote:
| Quote: |
To that goal, I'd like to suggest using an Arduino.
|
This is a highly capable device but a bit of an
overkill for things like wig-wag flashers, voltage
monitors, etc.
The challenge is to exploit the scope of
projects that can be implemented in a user
friendly package of the smallest practical
size, cost and parts count. An already stuffed
Arduino board has no aviation friendly i/o
or even an enclosure for $30. I would expect
the wig-wag flasher to be drop-in ready for
use on an airplane and have total bill of
materials under $20 or so.
Bob . . .
| | - The Matronics AeroElectric-List Email Forum - | | | Use the List Feature Navigator to browse the many List utilities available such as the Email Subscriptions page, Archive Search & Download, 7-Day Browse, Chat, FAQ, Photoshare, and much more:
http://www.matronics.com/Navigator?AeroElectric-List |
|
|
|
| Back to top |
|
 |
enginerdy(at)gmail.com Guest
|
Posted: Mon Apr 09, 2012 11:42 am Post subject: Open source product development for OBAM aircraft |
|
|
That's true, but it's fairly simple to 'roll your own' Arduino with just an ATMega and a particular serial and reset schematic. I haven't done the design exercise, but an ATMega168 would probably do the job, and they're as little as $2.31 on Mouser.
The FTDI serial chips are only $2 nowadays too, apparently, if you're inclined to make it USB programmable.
There are definitely other solutions, but I've had a surprisingly good experience with these things.
Daniel
On Apr 9, 2012, at 2:19 PM, "Robert L. Nuckolls, III" <nuckolls.bob(at)aeroelectric.com> wrote:
| Quote: |
At 11:57 AM 4/9/2012, you wrote:
>
>
> To that goal, I'd like to suggest using an Arduino.
This is a highly capable device but a bit of an
overkill for things like wig-wag flashers, voltage
monitors, etc.
The challenge is to exploit the scope of
projects that can be implemented in a user
friendly package of the smallest practical
size, cost and parts count. An already stuffed
Arduino board has no aviation friendly i/o
or even an enclosure for $30. I would expect
the wig-wag flasher to be drop-in ready for
use on an airplane and have total bill of
materials under $20 or so.
|
| | - The Matronics AeroElectric-List Email Forum - | | | Use the List Feature Navigator to browse the many List utilities available such as the Email Subscriptions page, Archive Search & Download, 7-Day Browse, Chat, FAQ, Photoshare, and much more:
http://www.matronics.com/Navigator?AeroElectric-List |
|
|
|
| Back to top |
|
 |
nuckolls.bob(at)aeroelect Guest
|
Posted: Mon Apr 09, 2012 6:41 pm Post subject: Open source product development for OBAM aircraft |
|
|
At 06:45 PM 4/9/2012, you wrote:
| Quote: | --> AeroElectric-List message posted by: "gregmchugh" <gregmchugh(at)aol.com>
Bob,
One question I forgot to ask in the previous note. When I looked at
using the Perihelion Wig-Wag for my LED landing lights I was
surprised at the compact size and the capability to switch the loads
on standard landing lights. Is there something unique about this
design to handle the 250 watt load? |
You'd have to check with Eric as to his
design philosophy but based on what is
generally known, getting the heat in the
FETs under control has two components.
(1) Thermal resistance from the silicon to the
ambient. Like ohms in current flow, thermal resistance
has a quotient most often stated in degrees C in rise
per watt of power in the junction.
(2) Keeping power dissipated at a minimum by selecting
a FET with the lowest practical on-resistance in
combination with a healthy overhead for rated voltage.
Check out this array of 30 volt FETs.
http://tinyurl.com/6vxhkxg
Then let's select a 2.1 milliohm resistance at
4.5 volts of gate drive. Nice specs but it's
a bare chip intended for installation by bonding
into a hybrid device. Okay back up let's leave
the resistance alone and select 20 volts where
it says we'll find 153 devices to select from.
Lets go over in the array and look at surface mount
parts with leads (67 choices).
The next thing we're interested in is size. Just
for grins, hit the SO-8 package (34 choices).
Notice that we have three power dissipation choices.
Let's go peek at the single 3.5 watt device.
That gives us the IRF7811 with an logic level
drive on resistance of 14 milliohms. Now, with
the proposed 45 watt devices, let's assume 5A
max at minimum bus voltage so 5A(squared) x .014 ohms
equals 350 milliwatts. Hmmm . . . not bad.
Let's go get the detailed data at:
http://tinyurl.com/6qpt9cf
We see there that thermal resistance junction-to-
leads is on the order of 20 degrees C per watt.
.35 watts will give us a 7 degree C rise on the
junction over the temperature of the board. Now
here's where it gets a little sticky. Our board
is epoxy glass with most of the copper removed
and the whole thing is enclosed in a plastic case
with no ventilation. What we don't know is the
thermal resistance board to ambient wile boxed up
in this case.
I'll go measure it in the next few days. This is
done by cutting a piece of copper clad the same
footprint as the proposed board. Glue a power
resistor and thermocouple to the board. Close
it up in the plastic case. Dump some handy amount
of power into the resistor, say 1 watt. Then see
what the temperature reads after an hour or so.
This will yield the best possible heat transfer
situation for one of these FETS soldered to the
board. I'm thinking the 7811 might do the job.
They're stock at Digikey for 1.50 in small quantities.
Since this is a plastic enclosure, we'll qualify
to cabin environments so 40 to 50 C is about the upper
test limits.
Okay, just for grins let's see how a pair of SO-8
chips goes into the space previously occupied by
three DIP4 chips and some do-lots components.
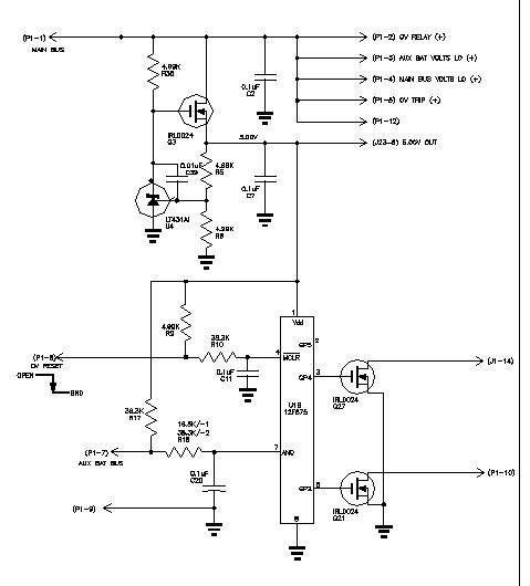
[img]cid:.0[/img]
Well, lookee there. Not only is there plenty
of room, we might even put one on top and the
other on the bottom so as to leave room for leaving
more copper on the board around the chip.
This exercise in cut and try on a four-cornered
envelope with the final confirmation or denial
of choice being a full power test in the temperature
chamber. I have one of those.
http://tinyurl.com/7yrrhhq
So fortunately, we have access to quite a bit
of experience to drive the corners of the envelope
toward the component of choice.
I'm pretty sure we can get a 5A switcher in
this enclosure with comfortable head room
for power handling. So now your schematic
looks something like this:
[img]cid:.1[/img]
When we went from do-lots to wig-wag, it got a lot
simpler. Two outputs driving power FETs, two inputs
to control for three states of function (OFF/WW/ON).
So, first cut at the design looks good. If you can make
the silicon sing, dance and do dishes, I'd say we're
50% of the way to having a useful product that meets
design goals and offers a user friendly envelope
and wiring interface.
Bob . . .
| | - The Matronics AeroElectric-List Email Forum - | | | Use the List Feature Navigator to browse the many List utilities available such as the Email Subscriptions page, Archive Search & Download, 7-Day Browse, Chat, FAQ, Photoshare, and much more:
http://www.matronics.com/Navigator?AeroElectric-List |
|
| Description: |
|
| Filesize: |
111.6 KB |
| Viewed: |
16881 Time(s) |

|
| Description: |
|
| Filesize: |
70.35 KB |
| Viewed: |
16881 Time(s) |

|
|
|
| Back to top |
|
 |
nuckolls.bob(at)aeroelect Guest
|
Posted: Mon Apr 09, 2012 6:50 pm Post subject: Open source product development for OBAM aircraft |
|
|
| Quote: |
Enough options to satisfy most of the potential users...
|
Exactly. For years I tried to find a crack into
which I could drive a wedge for distributed processing.
We had dozens of little black boxes for current sensing,
time delays, logic, thermostats, etc that all used discrete
components and were designed 30 to 40 years ago.
I even demonstrated that I could make huge reductions in
parts count with similar reductions in size and weight,
plus take advantage of pick-n-place assembly. But as soon
as I mentioned software, everyone turns white and runs
out the door.
It didn't matter how simple the software task might
be, those-who-know-more-about-airplanes-than-we-do-
in-Washington insisted on piles of paper and buckets
of holy-water with DO-178 'certification' and configuration
management. A device with $20 worth of parts to do
some simple task could cost $100,000 to qualify. So
much for modern marvels.
Hence, anything software was farmed out in the form
of "do-everything" flight and airframe management computers
with a $10,000 bill of materials and a 10 million
dollar cert program. What's more, when it didn't work
right, we had somebody else to throw rocks at and then
wait around with everyone camping on a work order.
Now, you and I have a chance to show the guys at
Beech/Raytheon/HBC how to do a responsible job of
incorporating software with a distributed processing
approach to black box development.
Ought to be fun.
Bob . . .
| | - The Matronics AeroElectric-List Email Forum - | | | Use the List Feature Navigator to browse the many List utilities available such as the Email Subscriptions page, Archive Search & Download, 7-Day Browse, Chat, FAQ, Photoshare, and much more:
http://www.matronics.com/Navigator?AeroElectric-List |
|
|
|
| Back to top |
|
 |
gregmchugh
Joined: 03 Apr 2012 Posts: 42
|
Posted: Tue Apr 10, 2012 7:37 am Post subject: Re: Open source product development for OBAM aircraft |
|
|
Bob,
Looks good. Let's try to keep the option open to drop in the PICAXE 8 pin
chip in place of the standard PIC chip. I am not sure of the PIC chip they
started with but the pinouts for the current PICAXE 8 pin are shown here.
http://www.picaxe.com/docs/picaxem2.pdf
I believe the PICAXE is simply one of the standard PIC chips with
their firmware installed and the chip marked with their designation,
at least that is what they used to be. They used to still have the
PIC product designation on the chip with a sticker applied to
show the PICAXE designation.
The standard PICAXE development boards connect pins 2 and 7 to
the serial connection to the PC and the onboard loader is connected
to these pins. In practice the pins can be reconfigured in the
application so they are available when off of the development board
for other uses. If they are not used in the application then the option
to keep the serial port connected to the PC would still be available
even in the application hardware configuration. Connecting these
to the external connector would allow access to the chip from a PC.
Of course the serial port could also be used for I/O to any
standard RS-232 serial device by the application. Here is a description
of the 8 bit development board.
http://www.picaxe.com/docs/axe021.pdf
Greg McHugh
| | - The Matronics AeroElectric-List Email Forum - | | | Use the List Feature Navigator to browse the many List utilities available such as the Email Subscriptions page, Archive Search & Download, 7-Day Browse, Chat, FAQ, Photoshare, and much more:
http://www.matronics.com/Navigator?AeroElectric-List |
|
|
|
| Back to top |
|
 |
nuckolls.bob(at)aeroelect Guest
|
Posted: Tue Apr 10, 2012 2:57 pm Post subject: Open source product development for OBAM aircraft |
|
|
At 10:37 AM 4/10/2012, you wrote:
| Quote: |
Bob,
Looks good. Let's try to keep the option open to drop in the PICAXE 8 pin
chip in place of the standard PIC chip. I am not sure of the PIC chip they
started with but the pinouts for the current PICAXE 8 pin are shown here.
|
Obviously, we have options to do anything. I'd like to see what
we can do with the PIC12F683. It's a part I stock in quantity
and it fits the present board layout. It's certainly capable
of the sorts of jelly-bean products that would fit into the
proposed enclosure.
I am considering a next-step-up which will have to have USB
interface capability. The PIC182458 offers 12-bit a/d and
USB2.0 support on chip but that's a do-lots-board still looking
for some projects. Right now, the 12F683 board is done per the
schematic I posted and easily modified to handle the larger
power mos-fets for the 5A wig-wag controller.
Lets get our feet wet in a short path project first . . .
are there pin-for-pin subs for the 12F683 in PACAXE?
Bob . . .
| | - The Matronics AeroElectric-List Email Forum - | | | Use the List Feature Navigator to browse the many List utilities available such as the Email Subscriptions page, Archive Search & Download, 7-Day Browse, Chat, FAQ, Photoshare, and much more:
http://www.matronics.com/Navigator?AeroElectric-List |
|
|
|
| Back to top |
|
 |
nuckolls.bob(at)aeroelect Guest
|
Posted: Tue Apr 10, 2012 3:08 pm Post subject: Open source product development for OBAM aircraft |
|
|
At 10:37 AM 4/10/2012, you wrote:
| Quote: |
Bob,
Looks good. Let's try to keep the option open to drop in the PICAXE 8 pin
chip in place of the standard PIC chip. I am not sure of the PIC chip they
started with but the pinouts for the current PICAXE 8 pin are shown here.
|
I looked up the pinout on the PICAXE-08M2. Seems they swapped
sides for the a/d input pins . . . we can do a board that will
exploit the 08M2 but it would be a different board.
Bob . . .
| | - The Matronics AeroElectric-List Email Forum - | | | Use the List Feature Navigator to browse the many List utilities available such as the Email Subscriptions page, Archive Search & Download, 7-Day Browse, Chat, FAQ, Photoshare, and much more:
http://www.matronics.com/Navigator?AeroElectric-List |
|
|
|
| Back to top |
|
 |
nuckolls.bob(at)aeroelect Guest
|
Posted: Tue Apr 10, 2012 3:38 pm Post subject: Open source product development for OBAM aircraft |
|
|
At 10:37 AM 4/10/2012, you wrote:
| Quote: |
Bob,
Looks good. Let's try to keep the option open to drop in the PICAXE 8 pin
chip in place of the standard PIC chip. I am not sure of the PIC chip they
started with but the pinouts for the current PICAXE 8 pin are shown here.
|
I looked up the pinout on the PICAXE-08M2. Seems they swapped
sides for the a/d input pins . . . we can do a board that will
exploit the 08M2 but it would be a different board.
Scratch the above. Got my tongue tangled around my eyeteeth
and couldn't see what I was typing. Seems the 08M2 is on
a PIC12F1840 which is pin compatible with the 12F683. So
we could sure go with that one if suits your programming
preferences.
Bob . . .
| | - The Matronics AeroElectric-List Email Forum - | | | Use the List Feature Navigator to browse the many List utilities available such as the Email Subscriptions page, Archive Search & Download, 7-Day Browse, Chat, FAQ, Photoshare, and much more:
http://www.matronics.com/Navigator?AeroElectric-List |
|
|
|
| Back to top |
|
 |
Eric M. Jones

Joined: 10 Jan 2006 Posts: 565 Location: Massachusetts
|
Posted: Tue Apr 10, 2012 3:40 pm Post subject: Re: Open source product development for OBAM aircraft |
|
|
| Quote: | >One question I forgot to ask in the previous note. When I looked at
>using the Perihelion Wig-Wag for my LED landing lights I was
>surprised at the compact size and the capability to switch the loads
>on standard landing lights. Is there something unique about this
>design to handle the 250 watt load?
You'd have to check with Eric as to his
design philosophy but based on what is
generally known, getting the heat in the
FETs under control has two components…. |
Bob is right. The Perihelion Design Wig-wags use either an FDD6670S (30V) or an FDD8444 (40V). Both of these are “D” packages (TO-252) which are surface mountable and about 1/4” square. The mounting is done by soldering the package to the PCB which itself is designed for maximum dissipation. The Faston lugs themselves are included in the thermal calculations, as is the potting compound.
For this design I chose “high-side” switching, since the loads are remote and might be remotely grounded. The difference is that “low-side” switching would normally require an additional wire to the load. The wig-wag itself weighs less than the additional wire would. The disadvantage is that more a complicated driver for the FET gate is required.
Mosfets are wonderful parts for wig-wagging, where there is no need for an intermediate state, they just switch ON and OFF. But they have to be operated within their specified range. This was a problem when people applied these wigwags to HIDs. Most HIDs have an extremely high ignition voltage, then a high boost voltage to induce IR heating to the anode terminal of the lamp. The boost current is over 30A for a substantial fraction of a second. This would wipe out the FET. The solution was to supply a CL-11 surge protector and a Zener across the line for those who intended to wigwag the HIDs. Now they wigwag well.
But for incandescents (or LEDs), and using a surge protector, the wigwag will supply 20A per pulse. This is possible because the gate driver fully saturates the gate allowing the lowest possible Rds(on) resistance, and thus the smallest I x I x Rds(on) heating. For 20A, the heat dissipation is about 3.2W, split among two devices!
Early versions used a 555 timer and a mosfet driver. Later versions have used a small RC oscillator and a CD4060 CMOS 14 Stage Ripple-Carry Binary Counter/Divider. This would seem an unusual part for this application, but it simply divides the RC oscillation and goes tick-tock at the correct duty cycle and timing—it does all the work. The 555 was hard to make it do 50% (but it could be done with a few more parts) and the first pulse was always 1.5X longer than any succeeding pulse…which is inelegant and stressed the fets. I was never satisfied with the early design on this matter.
All parts are surface mount and are assembled under a stereo microscope. The entire PCB is 1.16” x 0.90”. Early on I got a note from a customer saying, “Okay, I see the switch, but where is the wigwag circuitry?” There are several styles of this wigwag, one with the switch WW(d) and one BYO-Switch WW(c) that allows all sort of switching configurations. I also make these in 12 and 28V and a special double rate for single head-lights (e.g. the Europa or Glastar). And I supply the add-on bits for HIDs.
But Bob's approach for flashing LEDs is good.
| | - The Matronics AeroElectric-List Email Forum - | | | Use the List Feature Navigator to browse the many List utilities available such as the Email Subscriptions page, Archive Search & Download, 7-Day Browse, Chat, FAQ, Photoshare, and much more:
http://www.matronics.com/Navigator?AeroElectric-List |
|
| Description: |
|
| Filesize: |
525.16 KB |
| Viewed: |
16852 Time(s) |

|
_________________ Eric M. Jones
www.PerihelionDesign.com
113 Brentwood Drive
Southbridge, MA 01550
(508) 764-2072
emjones(at)charter.net |
|
| Back to top |
|
 |
nuckolls.bob(at)aeroelect Guest
|
Posted: Tue Apr 10, 2012 7:39 pm Post subject: Open source product development for OBAM aircraft |
|
|
At 10:37 AM 4/10/2012, you wrote:
| Quote: |
Bob,
Looks good. Let's try to keep the option open to drop in the PICAXE 8 pin
chip in place of the standard PIC chip.
|
I've been poking around the 'net trying to get a better
picture of what the PICAXE is all about. If I am reading
the postings right, PICAXE chips have an on-board interpreter
for tokenized BASIC commands . . . these tend to be very
slow with respect to what the chip can do with optimized
object code.
I saw some links for a basic compiler that targets
PIC devices.
http://www.sfcompiler.co.uk/swordfish/
I think this does a righteous compilation of
the BASIC source code for much more efficient
use of memory and greater speeds. I'm going
out of town tomorrow with Dr. Dee. She has
a conference to attend in Oklahoma City and
I'll be driving her and three of her students
to the conference. I'll have quite a bit of
free time while they take care of business.
I'll look a bit deeper into the Swordfish
product and . . . there are undoubtedly
others.
I can see the allure of the PICAXE product
for neophytes to get their juices flowing
for herding bytes around in silicon. It would
no doubt suffice for the wig-wag project
too. But a serious compiler would let you
run less expensive chips at their best
speeds. I think there'a a place for both
sets of tools.
Since both tools target PIC products, the
board layouts for things like the do-much
architecture will work across both tools.
Bob . . .
| | - The Matronics AeroElectric-List Email Forum - | | | Use the List Feature Navigator to browse the many List utilities available such as the Email Subscriptions page, Archive Search & Download, 7-Day Browse, Chat, FAQ, Photoshare, and much more:
http://www.matronics.com/Navigator?AeroElectric-List |
|
|
|
| Back to top |
|
 |
JLuckey(at)pacbell.net Guest
|
Posted: Tue Apr 10, 2012 10:02 pm Post subject: Open source product development for OBAM aircraft |
|
|
Bob,
Your assessment of the Picaxe is right on. They are great for
beginners/simple/low performance devices but their interpreter is at least a
couple of orders of magnitude slower than devices programmed w/ a compiler.
There is a myriad of experimental aviation applications where that level of
performance would be adequate.
Several years ago when I first started programming uControllers, I examined
PICAXE & Parallax Stamps. I settled on the Stamps (They also have built-in
interpreters). They are great for getting up and running simply & quickly,
which is key for the initial learning curve, but I quickly outgrew them.
As I'm sure you are aware the standard in BASIC programming w/ PICs is
microEngineering Labs PICBASIC PRO Compiler. It is a great product and
reasonably priced at $120-$270. I know several people who use & really like
it.
And, of course, Real Programmers program uCons in C
-Jeff
--
| | - The Matronics AeroElectric-List Email Forum - | | | Use the List Feature Navigator to browse the many List utilities available such as the Email Subscriptions page, Archive Search & Download, 7-Day Browse, Chat, FAQ, Photoshare, and much more:
http://www.matronics.com/Navigator?AeroElectric-List |
|
|
|
| Back to top |
|
 |
pmather
Joined: 17 Sep 2009 Posts: 33
|
Posted: Tue Apr 10, 2012 11:07 pm Post subject: Open source product development for OBAM aircraft |
|
|
Bob
Picaxe is slow compare to compiled code - of course. However, this is more
than made up for by ease of coding in many circumstances. Facilities like
ADC, I2C,Serial,PWM etc are all implemented as single basic commands.
Running a 08M2 at 32Mhz gives plenty of speed for most applications.
I also use Swordfish when speed is an issue but this only works for 18F
series chips (smallest is 18pin). Sourceboost works for 12F and 16F as well.
In both cases hardware handling is at a much lower level so you need to
spend much much more time with the PIC datasheet.
Picaxe has a great support forum www.picaxeforum.co.uk
Connection of the picaxe to a PC with a serial port for programming requires
two resistors - nothing else, so with an 08M2 you can be up and running with
a bit of stripboard for less than $2.
Try it - you'll like it!
Best Regards
Peter
--
| | - The Matronics AeroElectric-List Email Forum - | | | Use the List Feature Navigator to browse the many List utilities available such as the Email Subscriptions page, Archive Search & Download, 7-Day Browse, Chat, FAQ, Photoshare, and much more:
http://www.matronics.com/Navigator?AeroElectric-List |
|
|
|
| Back to top |
|
 |
gregmchugh
Joined: 03 Apr 2012 Posts: 42
|
Posted: Wed Apr 11, 2012 7:07 am Post subject: Re: Open source product development for OBAM aircraft |
|
|
Bob and all,
I agree with the plan to start with the PIC12F683 since you have those
in stock and the board is designed. As you noted there is a drop in
PICAXE replacement for those interested in that option. I am
planning to code the wig-wag function using the standard Microchip
development tools using C. I ordered the PICkit 1 Flash Starter Kit
directly from Microchip on Monday for $36 plus shipping and it is
scheduled to arrive today. See Part Number: DV164101 at
http://www.microchip.com/. There are some newer development tools
that can handle newer PIC devices but this is a good kit to get
started with the PIC12F series
I checked on the SWORDFISH Basic compiler and it appears to only
support the 18F family, 12F does not seem to be supported.
As noted by many there are lots of options for software development
from assemply code (which is what real men use, higher order
languages are for wimps), compiled C and BASIC, interpreted BASIC,
and code from flowcharts. Lots of options are good, an advantage to
using PIC, and I am sure there are more that have not been mentioned.
Any single software development solution would not target a wide
enough user base to make these types of modules viable for anything
but limited use.
I am very pleased to see that there are more responses coming in
from software folks, I was afraid I was stuck in a sea of hardware folks.
I won't start with the war stories on embedded software development.
Here is a Dilbert that shows how the war story saga ends...
Anyway, welcome software folks and let's here lot's of ideas on
what you would like to see happen with this project...
Greg McHugh
| | - The Matronics AeroElectric-List Email Forum - | | | Use the List Feature Navigator to browse the many List utilities available such as the Email Subscriptions page, Archive Search & Download, 7-Day Browse, Chat, FAQ, Photoshare, and much more:
http://www.matronics.com/Navigator?AeroElectric-List |
|
| Description: |
|
| Filesize: |
37.06 KB |
| Viewed: |
16826 Time(s) |

|
|
|
| Back to top |
|
 |
nuckolls.bob(at)aeroelect Guest
|
Posted: Thu Apr 12, 2012 2:44 pm Post subject: Open source product development for OBAM aircraft |
|
|
At 10:07 AM 4/11/2012, you wrote:
Bob and all,
I am planning to code the wig-wag function using the standard Microchip
development tools using C. I ordered the PICkit 1 Flash Starter Kit
directly from Microchip on Monday for $36 plus shipping and it is
scheduled to arrive today. See Part Number: DV164101 at
http://www.microchip.com/.
Okay. I I'll get the FAT fets laid onto the artwork, modify
the do-lots schematic to agree, and get some boards
ordered.
I checked on the SWORDFISH Basic compiler and it appears to only
support the 18F family, 12F does not seem to be supported.
Hmmm . . . fooey. Keep us up to date on future recommendations/
discoveries. I used to write a lot of 6800/6502 assembler for
embedded applications. I use Turbo Basic for test systems. I'd
like to get salty with the RSC controllers but after one had
the 150+ constellation of instructions in the legacy chips,
it takes a whole new outlook on programming to get 'er done
with less than 40!
Any single software development solution would not target a wide
enough user base to make these types of modules viable for anything
but limited use.
agreed
I am very pleased to see that there are more responses coming in
from software folks, I was afraid I was stuck in a sea of hardware folks.
I won't start with the war stories on embedded software development.
Here is a Dilbert that shows how the war story saga ends...
Anyway, welcome software folks and let's here lot's of ideas on
what you would like to see happen with this project...
Had to put new tires on the car today so didn't get to
'play' . . . I'll have some time in the morning.
Bob . . .
| | - The Matronics AeroElectric-List Email Forum - | | | Use the List Feature Navigator to browse the many List utilities available such as the Email Subscriptions page, Archive Search & Download, 7-Day Browse, Chat, FAQ, Photoshare, and much more:
http://www.matronics.com/Navigator?AeroElectric-List |
|
|
|
| Back to top |
|
 |
gregmchugh
Joined: 03 Apr 2012 Posts: 42
|
Posted: Thu Apr 12, 2012 3:31 pm Post subject: Re: Open source product development for OBAM aircraft |
|
|
Bob,
As noted by Peter in an a previous note Sourceboost does provide
C and BASIC compilers for PIC. I really have no prior experience
with the PIC so I don't know the strengths and weaknesses of
the various options. I just went with the Microchip solution since
it gets you going for the least amount of money and is supported
by Microchip. The free version of the compiler that comes with
the Microchip IDE does not include all of the code optimizations,
you have to pay to get the full featured version.
Greg McHugh
| | - The Matronics AeroElectric-List Email Forum - | | | Use the List Feature Navigator to browse the many List utilities available such as the Email Subscriptions page, Archive Search & Download, 7-Day Browse, Chat, FAQ, Photoshare, and much more:
http://www.matronics.com/Navigator?AeroElectric-List |
|
|
|
| Back to top |
|
 |
gregmchugh
Joined: 03 Apr 2012 Posts: 42
|
Posted: Fri Apr 13, 2012 5:17 am Post subject: Re: Open source product development for OBAM aircraft |
|
|
Bob,
Could you post a higher resolution version of the schematic that
you provided in a previous post. It is hard for me to make out
the details.
The PICkit 1 Flash Starter Kit arrived from Microchip and I cleared
some space on the bench, set up a PC to use for software development,
connected the starter kit via USB (the LED's flashed as they should),
loaded the Starter Kit software from the CD provided (this does the
downloads to the PIC12F675 provided on the kit board).
I also downloaded the latest Microchip MPLAB IDE (version 8.84)
from the web (the CD provided is an older version). Checked that
the download worked by loading the first tutorial lesson code and
that seemed to work just fine. All-in-all no real problems getting
things up and running. I will write up a short tutorial on how to
get started for anyone who wants to do it.
I will take a look at the tutorial lessons in the next few days. In
fact the first tutorial covers switch debouncing and controlling
LED's so I expect we have the core for the wig-wag software right
there.
Greg McHugh
| | - The Matronics AeroElectric-List Email Forum - | | | Use the List Feature Navigator to browse the many List utilities available such as the Email Subscriptions page, Archive Search & Download, 7-Day Browse, Chat, FAQ, Photoshare, and much more:
http://www.matronics.com/Navigator?AeroElectric-List |
|
|
|
| Back to top |
|
 |
|
|
You cannot post new topics in this forum You cannot reply to topics in this forum You cannot edit your posts in this forum You cannot delete your posts in this forum You cannot vote in polls in this forum You cannot attach files in this forum You can download files in this forum
|
Powered by phpBB © 2001, 2005 phpBB Group
|