 |
Matronics Email Lists Web Forum Interface to the Matronics Email Lists
|
| View previous topic :: View next topic |
| Author |
Message |
cardinalnsb(at)aol.com Guest
|
Posted: Fri Jul 05, 2013 8:32 am Post subject: solenoid wiring question |
|
|
Re figure 5 of Bob's diagram of adding a starter contactor upstream of the original starter solenoid:
Is there any reason not to wire the fat wire to the starter side of the old original starter solenoid, with a jumper from the fat wire terminal back to the old starter solenoid energizer terminal.
The point would be to eliminate the high current having to flow through the old starter solenoid disc, since the high current is being controlled by the new upstream starter contactor.
Thanks, Skip Simpson
In a message dated 07/05/13 03:12:33 Eastern Daylight Time, aeroelectric-list(at)matronics.com writes:
[quote] .aolmailheader {font-size:8pt; color:black; font-family:Arial} a.aolmailheader:link {color:blue; text-decoration:underline; font-weight:normal} a.aolmailheader:visited {color:magenta; text-decoration:underline; font-weight:normal} a.aolmailheader:active {color:blue; text-decoration:underline; font-weight:normal} a.aolmailheader:hover {color:blue; text-decoration:underline; font-weight:normal} *
==================================================
Online Versions of Today's List Digest Archive
==================================================
Today's complete AeroElectric-List Digest can also be found in either of the
two Web Links listed below. The .html file includes the Digest formatted
in HTML for viewing with a web browser and features Hyperlinked Indexes
and Message Navigation. The .txt file includes the plain ASCII version
of the AeroElectric-List Digest and can be viewed with a generic text editor
such as Notepad or with a web browser.
HTML Version:
http://www.matronics.com/digest/digestview.php?Style=82701&View=html&Chapter 13-07-04&Archive=AeroElectric
Text Version:
http://www.matronics.com/digest/digestview.php?Style=82701&View=txt&Chapter 13-07-04&Archive=AeroElectric
============================ ====================
EMail Version of Today's List Digest Archive
================================================
----------------------------------------------------------
AeroElectric-List Digest Archive
---
Total Messages Posted Thu 07/04/13: 10
----------------------------------------------------------
Today's Message Index:
----------------------
1. 05:32 AM - Re: Boeing switches (Eric M. Jones)
2. 06:20 AM - Re: Re: Master Switch/Contactor and Starter Questions (Robert L. Nuckolls, III)
  ; 3. 07:29 AM - Re: Re: Boeing switches (Robert L. Nuckolls, III)
4. 11:00 AM - Narco Transponder Tray Coax Connector ()
5. 11:05 AM - Re: Re: Boeing switches (Jay Hyde)
6. 12:17 PM - Master/Battery/Alt Field vs. Master/Battery and Alt Field... (Michael Burbidge)
7. 02:48 PM - Low voltage indicator with dual alternators (donjohnston)
8. 02:57 PM - Re: Narco Transponder Tray Coax Connector (Bill Putney)
9. 03:22 PM - Re: Re: Boeing switches (Robert L. Nuckolls, III)
10. 03:42 PM - Re: Narco Transponder Tray Coax Connector ()
________________________________ Message 1 _____________________________________
Time: 05:32:21 AM PST US
Subject: Re: Boeing switches
From: "Eric M. Jones" <emjones(at)charter.net>
My two cents:
Using two parallel switches to prevent trim runaway seems boneheaded, and wouldn't
stand a thorough engineering fault-tree review. Furthermore I'd bet that it
never prevented ANY problem from occurring.
Sure, I understand the intention, but I don't think it's good engineering.
--------
Eric M. Jones
www.PerihelionDesign.com
113 Brentwood Drive
Southbridge, MA 01550
(508) 764-2072
emjones(at)charter.net
Read this topic online here:
http://forums.matronics.com/viewtopic.php?p=403912#403912
________________________________ Message 2 _____________________________________
Time: 06:20:29 AM PST US
From: "Robert L. Nuckolls, III" <nuckolls.bob(at)aeroelectric.com>
Subject: Re: Re: Master Switch/Contactor and Starter Questions
At 07:13 PM 7/3/2013, you wrote:
| Quote: | <dgaldrich(at)embarqmail.com>
I agree. It se ems pointless to have 2 solenoids operating at the
same time. The other issue is that I believe the Subaru solenoid
moves the gear before the contactor part puts juice to the motor
brushes. An aircraft type contactor would do both at the same time
rather than sequentially. Have not dismantled one so I may be in error.
|
None of applications of an external contactor
proposed for modern starters "bypasses" functionality
of the built in solenoid/contactor. The
starter's built in solenoids do engage the pinion
gear before closing electrical connection for
the starter motor.
Variants to select from when using these modern
starters causes the builder to decide whether
the built in contactor is energized by the panel
mounted, START switch -OR- energized through a more
robust device.
There is a problem to be solved when the panel
mounted starter control is used to energize the
starter's built in contactor. Unlike legacy
'starter solenoids' controlling starters with
Bendix drives, the modern pinion engagement
solenoids have a very high coil current demand
during the first few milliseconds of being
energized. See: http://tinyurl.com/op5cs2g
Failure to recognize this difference in
solenoid/contator performance caused a
kerfuffle over burned start switch contacts
on the ACS-510 key swicch (clone of legacy
Bendix/Gerdes). ACS now sells a diode with two
terminals applied.
Emacs!
A critical need to install this diode across the
starter contactor engagement coil arose from the
alarming rate at which start contacts in the key
switch were destroyed by overstress when the legacy
starter/external contactor combo was replaced with
a light weight version with combination solenoid/
contactors. Many cars suffered similar failure modes
in their key-start switches.
SB92-01 from ACS originally place thier diode across
the switch contacts . . . wrong place. It was corrected
in a subsequent revision. See http://tinyurl.com/nva2xdy
B&C adopted the philosophy of jumpering the starter
solenoid coil right to the fat-wire terminal on
the starter . . . and controlling power to the
starter though a modern, starter contactor WITH
built in coil suppression diode. The external contactor's
inrush demands on the start switch are a small fraction
of that for direct control.
This philosophy posed a new problem when PM motor
starters began to show up on the airplane. PM motors
have a pronounced counter-emf during spin-down after
the power is removed. This would delay disengagement
of the pinion gear and was commonly called "starter
run on" . . . in fact it was better called "delayed
disengagement".
Starters with wound fields (B&C and some others)
do not suffer this indignity and function well with
the engagement solenoid jumpered directly to the
starter's fat-wire terminal.
In ANY case, the builder's design goals should
include providing a source of solenoid engagement
power that (1) is supplied through a low impedance
source (short and fatter than usual wires) and
(2) avoid running this power through the panel
mounted start switch.
If the starter is a PM version, the builder can
take advantage of the "I" terminal on many modern
starter cotactors and use it to SUPPLY current
to the engagement solenoid. This provides for
instant removal of coil power when the starter
switch is opened and prevents 'delayed disengagement'.
In this case, the builder would do well to have
diode coil suppression on BOTH the external contactor
coil AND the solenoid/contactor coil on the
starter.
Bob . . .
________________________________ Message 3 _____________________________________
Time: 07:29:28 AM PST US
From: "Robert L. Nuckolls, III" <nuckolls.bob(at)aeroelectric.com>
Subject: Re: Re: Boeing switches
At 07:29 AM 7/4/2013, you wrote:
| Quote: |
My two cents:
Using two parallel switches to prevent trim runaway seems
boneheaded, and wouldn't stand a thorough engineering fault-tree
review. Furthermore I'd bet that it never prevented ANY problem from occurring.
|
Whether or not a problem was demonstrably
prevented is irrelevant to the reliability
study. Good FMEA mitigation assumes that the
part WILL fail. Working out a logical means
by which single failures might go undetected
for no more than a single tank full of fuel
has been a time-honored legacy design goal.
| Quote: | Sure, I understand the intention, but I don't think it's good engineering.
|
they are not used in PARALLEL. In the Boeing
case, they are in series with one side controlling
direction, the other side in SERIES controlling power.
Each side can be explored for functionality
in pre-flight, neither side capable of causing
a runaway-by-sticking.
Beech (and many others) uses the two spdt
switches to handle one half of a PM motor UP-OFF-
DN switchin g duty. Again, both sides easily
evaluated in pre-flight, neither side capable
of causing a runaway-by-sticking.
Lear (and many others) uses the 'coolie hat' to
drive relays that DID offer a possibility for runaway-by-
sticking. But their systems architecture included
a wheel-master-disconnect that removed power from
all trim systems along with the autopilot. I AM
aware of trim runaways in aircraft fitted with
wheel master disconnects that would not have happened
if the airplane had been fitted with the split
trim switch where the WMD switch provided the
mitigation.
Bob . . .
________________________________ Message 4 _____________________________________
Time: 11:00:48 AM PST US
From: <berkut13(at)berkut13.com>
Subject: Narco Transponder Tray Coax Con nector
Can someone point me to the part number/source for a replacement
90-degree,
bulkhead, slide-on, coax connector used on the Narco AT-150 transponder
tray? Any of the usual suspects (Mouser, Digi-Key, Allied, etc) carry
them?
Thanks,
James
________________________________ Message 5 _____________________________________
Time: 11:05:43 AM PST US
From: "Jay Hyde" <jay(at)horriblehyde.com>
Subject: RE: Re: Boeing switches
Good argument Bob.... I use a switch on the panel to power the trim, but
that may be a bit far away for a quick reaction, before the trim lurks all
the way to the end.
Jay
--
| | - The Matronics AeroElectric-List Email Forum - | | | Use the List Feature Navigator to browse the many List utilities available such as the Email Subscriptions page, Archive Search & Download, 7-Day Browse, Chat, FAQ, Photoshare, and much more:
http://www.matronics.com/Navigator?AeroElectric-List |
|
|
|
| Back to top |
|
 |
bbradburry(at)bellsouth.n Guest
|
Posted: Fri Jul 05, 2013 8:38 am Post subject: solenoid wiring question |
|
|
That would engage the starter motor before the solenoid engages the flywheel with the starter drive gear. It could cause a mess!
B2
From: owner-aeroelectric-list-server(at)matronics.com [mailto:owner-aeroelectric-list-server(at)matronics.com] On Behalf Of cardinalnsb
Sent: Friday, July 05, 2013 12:28 PM
To: AeroElectric-List Digest Server
Subject: AeroElectric-List: solenoid wiring question
Re figure 5 of Bob's diagram of adding a starter contactor upstream of the original starter solenoid:
Is there any reason not to wire the fat wire to the starter side of the old original starter solenoid, with a jumper from the fat wire terminal back to the old starter solenoid energizer terminal.
The point would be to eliminate the high current having to flow through the old starter solenoid disc, since the high current is being controlled by the new upstream starter contactor.
Thanks, Skip Simpson
In a message dated 07/05/13 03:12:33 Eastern Daylight Time, aeroelectric-list(at)matronics.com writes:
[quote]
*
Online Versions of Today's List Digest Archive
Today's complete AeroElectric-List Digest can also be found in either of the
two Web Links listed below. The .html file includes the Digest formatted
in HTML for viewing with a web browser and features Hyperlinked Indexes
and Message Navigation. The .txt file includes the plain ASCII version
of the AeroElectric-List Digest and can be viewed with a generic text editor
such as Notepad or with a web browser.
HTML Version:
http://www.matronics.com/digest/digestview.php?Style=82701&View=html&Chapter=2013-07-04&Archive=AeroElectric
Text Version:
http://www.matronics.com/digest/digestview.php?Style=82701&View=txt&Chapter=2013-07-04&Archive=AeroElectric
=== ====================
EMail Version of Today's List Digest Archive
=======================
----------------------------------------------------------
AeroElectric-List Digest Archive
---
Total Messages Posted Thu 07/04/13: 10
----------------------------------------------------------
Today's Message Index:
----------------------
1. 05:32 AM - Re: Boeing switches (Eric M. Jones)
2. 06:20 AM - Re: Re: Master Switch/Contactor and Starter Questions (Robert L. Nuckolls, III)
; 3. 07:29 AM - Re: Re: Boeing switches (Robert L. Nuckolls, III)
4. 11:00 AM - Narco Transponder Tray Coax Connector ()
5. 11:05 AM - Re: Re: Boeing switches (Jay Hyde)
6. 12:17 PM - Master/Battery/Alt Field vs. Master/Battery and Alt Field... (Michael Burbidge)
7. 02:48 PM - Low voltage indicator with dual alternators (donjohnston)
8. 02:57 PM - Re: Narco Transponder Tray Coax Connector (Bill Putney)
9. 03:22 PM - Re: Re: Boeing switches (Robert L. Nuckolls, III)
10. 03:42 PM - Re: Narco Transponder Tray Coax Connector ()
________________________________ Message 1 _____________________________________
Time: 05:32:21 AM PST US
Subject: Re: Boeing switches
From: "Eric M. Jones" <emjones(at)charter.net>
My two cents:
Using two parallel switches to prevent trim runaway seems boneheaded, and wouldn't
stand a thorough engineering fault-tree review. Furthermore I'd bet that it
never prevented ANY problem from occurring.
Sure, I understand the intention, but I don't think it's good engineering.
--------
Eric M. Jones
www.PerihelionDesign.com
113 Brentwood Drive
Southbridge, MA 01550
(508) 764-2072
emjones(at)charter.net
Read this topic online here:
http://forums.matronics.com/viewtopic.php?p=403912#403912
________________________________ Message 2 _____________________________________
Time: 06:20:29 AM PST US
From: "Robert L. Nuckolls, III" <nuckolls.bob(at)aeroelectric.com>
Subject: Re: Re: Master Switch/Contactor and Starter Questions
At 07:13 PM 7/3/2013, you wrote:
><dgaldrich(at)embarqmail.com>
>
>I agree. It se ems pointless to have 2 solenoids operating at the
>same time. The other issue is that I believe the Subaru solenoid
>moves the gear before the contactor part puts juice to the motor
>brushes. An aircraft type contactor would do both at the same time
>rather than sequentially. Have not dismantled one so I may be in error.
None of applications of an external contactor
proposed for modern starters "bypasses" functionality
of the built in solenoid/contactor. The
starter's built in solenoids do engage the pinion
gear before closing electrical connection for
the starter motor.
Variants to select from when using these modern
starters causes the builder to decide whether
the built in contactor is energized by the panel
mounted, START switch -OR- energized through a more
robust device.
There is a problem to be solved when the panel
mounted starter control is used to energize the
starter's built in contactor. Unlike legacy
'starter solenoids' controlling starters with
Bendix drives, the modern pinion engagement
solenoids have a very high coil current demand
during the first few milliseconds of being
energized. See: http://tinyurl.com/op5cs2g
Failure to recognize this difference in
solenoid/contator performance caused a
kerfuffle over burned start switch contacts
on the ACS-510 key swicch (clone of legacy
Bendix/Gerdes). ACS now sells a diode with two
terminals applied.
Emacs!
A critical need to install this diode across the
starter contactor engagement coil arose from the
alarming rate at which start contacts in the key
switch were destroyed by overstress when the legacy
starter/external contactor combo was replaced with
a light weight version with combination solenoid/
contactors. Many cars suffered similar failure modes
in their key-start switches.
SB92-01 from ACS originally place thier diode across
the switch contacts . . . wrong place. It was corrected
in a subsequent revision. See http://tinyurl.com/nva2xdy
B&C adopted the philosophy of jumpering the starter
solenoid coil right to the fat-wire terminal on
the starter . . . and controlling power to the
starter though a modern, starter contactor WITH
built in coil suppression diode. The external contactor's
inrush demands on the start switch are a small fraction
of that for direct control.
This philosophy posed a new problem when PM motor
starters began to show up on the airplane. PM motors
have a pronounced counter-emf during spin-down after
the power is removed. This would delay disengagement
of the pinion gear and was commonly called "starter
run on" . . . in fact it was better called "delayed
disengagement".
Starters with wound fields (B&C and some others)
do not suffer this indignity and function well with
the engagement solenoid jumpered directly to the
starter's fat-wire terminal.
In ANY case, the builder's design goals should
include providing a source of solenoid engagement
power that (1) is supplied through a low impedance
source (short and fatter than usual wires) and
(2) avoid running this power through the panel
mounted start switch.
If the starter is a PM version, the builder can
take advantage of the "I" terminal on many modern
starter cotactors and use it to SUPPLY current
to the engagement solenoid. This provides for
instant removal of coil power when the starter
switch is opened and prevents 'delayed disengagement'.
In this case, the builder would do well to have
diode coil suppression on BOTH the external contactor
coil AND the solenoid/contactor coil on the
starter.
Bob . . .
________________________________ Message 3 _____________________________________
Time: 07:29:28 AM PST US
From: "Robert L. Nuckolls, III" <nuckolls.bob(at)aeroelectric.com>
Subject: Re: Re: Boeing switches
At 07:29 AM 7/4/2013, you wrote:
>
>My two cents:
>
>Using two parallel switches to prevent trim runaway seems
>boneheaded, and wouldn't stand a thorough engineering fault-tree
>review. Furthermore I'd bet that it never prevented ANY problem from occurring.
Whether or not a problem was demonstrably
prevented is irrelevant to the reliability
study. Good FMEA mitigation assumes that the
part WILL fail. Working out a logical means
by which single failures might go undetected
for no more than a single tank full of fuel
has been a time-honored legacy design goal.
>Sure, I understand the intention, but I don't think it's good engineering.
they are not used in PARALLEL. In the Boeing
case, they are in series with one side controlling
direction, the other side in SERIES controlling power.
Each side can be explored for functionality
in pre-flight, neither side capable of causing
a runaway-by-sticking.
Beech (and many others) uses the two spdt
switches to handle one half of a PM motor UP-OFF-
DN switchin g duty. Again, both sides easily
evaluated in pre-flight, neither side capable
of causing a runaway-by-sticking.
Lear (and many others) uses the 'coolie hat' to
drive relays that DID offer a possibility for runaway-by-
sticking. But their systems architecture included
a wheel-master-disconnect that removed power from
all trim systems along with the autopilot. I AM
aware of trim runaways in aircraft fitted with
wheel master disconnects that would not have happened
if the airplane had been fitted with the split
trim switch where the WMD switch provided the
mitigation.
Bob . . .
________________________________ Message 4 _____________________________________
Time: 11:00:48 AM PST US
From: <berkut13(at)berkut13.com>
Subject: Narco Transponder Tray Coax Con nector
Can someone point me to the part number/source for a replacement
90-degree,
bulkhead, slide-on, coax connector used on the Narco AT-150 transponder
tray? Any of the usual suspects (Mouser, Digi-Key, Allied, etc) carry
them?
Thanks,
James
________________________________ Message 5 _____________________________________
Time: 11:05:43 AM PST US
From: "Jay Hyde" <jay(at)horriblehyde.com>
Subject: RE: Re: Boeing switches
Good argument Bob.... I use a switch on the panel to power the trim, but
that may be a bit far away for a quick reaction, before the trim lurks all
the way to the end.
Jay
--
| | - The Matronics AeroElectric-List Email Forum - | | | Use the List Feature Navigator to browse the many List utilities available such as the Email Subscriptions page, Archive Search & Download, 7-Day Browse, Chat, FAQ, Photoshare, and much more:
http://www.matronics.com/Navigator?AeroElectric-List |
|
|
|
| Back to top |
|
 |
nuckolls.bob(at)aeroelect Guest
|
Posted: Fri Jul 05, 2013 9:50 am Post subject: solenoid wiring question |
|
|
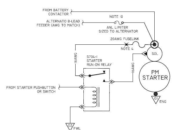
At 11:28 AM 7/5/2013, you wrote:
| Quote: | | Re figure 5 of Bob's diagram of adding a starter contactor upstream of the original starter solenoid: |
Just so I'm clear, what "figure 5" are you referring to?
Wired like this?
[img]cid:.0[/img]
| Quote: |
Is there any reason not to wire the fat wire to the starter side of the old original starter solenoid, with a jumper from the fat wire terminal back to the old starter solenoid energizer terminal. |
It would be helpful if you would sketch your proposed
change, scan and attach to your email.
| Quote: |
The point would be to eliminate the high current having to flow through the old starter solenoid disc, since the high current is being controlled by the new upstream starter contactor. |
By 'original' I presume you're talking about the
one built onto the starter. I'm not sure of "the point".
Keep in mind that the solenoid/contactor combo
on the starter has two jobs . . . extend pinion gear
then apply power to motor. On the release side, power
is first removed from the motor before the pinion gear
is retracted.
The reason for the upstream contactor is to buffer
the current draw on the starter engage switch. An alternative
method calls for a relay wired thusly.
[img]cid:.1[/img]
Which ever way you decide to do it, the singular design
goal is to reduce stresses on the starter engage switch
on the panel.
Bob . . .
| | - The Matronics AeroElectric-List Email Forum - | | | Use the List Feature Navigator to browse the many List utilities available such as the Email Subscriptions page, Archive Search & Download, 7-Day Browse, Chat, FAQ, Photoshare, and much more:
http://www.matronics.com/Navigator?AeroElectric-List |
|
| Description: |
|
| Filesize: |
46.29 KB |
| Viewed: |
2837 Time(s) |

|
| Description: |
|
| Filesize: |
65.15 KB |
| Viewed: |
2837 Time(s) |

|
|
|
| Back to top |
|
 |
cardinalnsb(at)aol.com Guest
|
Posted: Fri Jul 05, 2013 1:27 pm Post subject: solenoid wiring question |
|
|
My previous question referenced figure 5 of Bob's diagram, it should have referenced figure 6. Corrected below.
Re figure 6 of Bob's diagram of adding a starter contactor upstream of the original starter solenoid:
Is there any reason not to wire the fat wire to the starter side of the old original starter solenoid, with a jumper from the fat wire terminal back to the old starter solenoid energizer terminal.
The point would be to eliminate the high current having to flow through the old starter solenoid disc, since the high current is being controlled by the new upstream starter contactor.
Thanks, Skip Simpson
In a message dated 07/05/13 03:12:33 Eastern Daylight Time, aeroelectric-list(at)matronics.com writes:
[quote] .aolmailheader {font-size:8pt; color:black; font-family:Arial} a.aolmailheader:link {color:blue; text-decoration:underline; font-weight:normal} a.aolmailheader:visited {color:magenta; text-decoration:underline; font-weight:normal} a.aolmailheader:active {color:blue; text-decoration:underline; font-weight:normal} a.aolmailheader:hover {color:blue; text-decoration:underline; font-weight:normal} *
==================================================
Online Versions of Today's List Digest Archive
==================================================
Today's complete AeroElectric-List Digest can also be found in either of the
two Web Links listed below. The .html file includes the Digest formatted
in HTML for viewing with a web browser and features Hyperlinked Indexes
and Message Navigation. The .txt file includes the plain ASCII version
of the AeroElectric-List Digest and can be viewed with a generic text editor
such as Notepad or with a web browser.
HTML Version:
http://www.matronics.com/digest/digestview.php?Style=82701&View=html&Chapter 13-07-04&Archive=AeroElectric
Text Version:
http://www.matronics.com/digest/digestview.php?Style=82701&View=txt&Chapter 13-07-04&Archive=AeroElectric
============================ ====================
EMail Version of Today's List Digest Archive
================================================
----------------------------------------------------------
AeroElectric-List Digest Archive
---
Total Messages Posted Thu 07/04/13: 10
----------------------------------------------------------
Today's Message Index:
----------------------
1. 05:32 AM - Re: Boeing switches (Eric M. Jones)
2. 06:20 AM - Re: Re: Master Switch/Contactor and Starter Questions (Robert L. Nuckolls, III)
  ; 3. 07:29 AM - Re: Re: Boeing switches (Robert L. Nuckolls, III)
4. 11:00 AM - Narco Transponder Tray Coax Connector ()
5. 11:05 AM - Re: Re: Boeing switches (Jay Hyde)
6. 12:17 PM - Master/Battery/Alt Field vs. Master/Battery and Alt Field... (Michael Burbidge)
7. 02:48 PM - Low voltage indicator with dual alternators (donjohnston)
8. 02:57 PM - Re: Narco Transponder Tray Coax Connector (Bill Putney)
9. 03:22 PM - Re: Re: Boeing switches (Robert L. Nuckolls, III)
10. 03:42 PM - Re: Narco Transponder Tray Coax Connector ()
________________________________ Message 1 _____________________________________
Time: 05:32:21 AM PST US
Subject: Re: Boeing switches
From: "Eric M. Jones" <emjones(at)charter.net>
My two cents:
Using two parallel switches to prevent trim runaway seems boneheaded, and wouldn't
stand a thorough engineering fault-tree review. Furthermore I'd bet that it
never prevented ANY problem from occurring.
Sure, I understand the intention, but I don't think it's good engineering.
--------
Eric M. Jones
www.PerihelionDesign.com
113 Brentwood Drive
Southbridge, MA 01550
(508) 764-2072
emjones(at)charter.net
Read this topic online here:
http://forums.matronics.com/viewtopic.php?p=403912#403912
________________________________ Message 2 _____________________________________
Time: 06:20:29 AM PST US
From: "Robert L. Nuckolls, III" <nuckolls.bob(at)aeroelectric.com>
Subject: Re: Re: Master Switch/Contactor and Starter Questions
At 07:13 PM 7/3/2013, you wrote:
| Quote: | <dgaldrich(at)embarqmail.com>
I agree. It se ems pointless to have 2 solenoids operating at the
same time. The other issue is that I believe the Subaru solenoid
moves the gear before the contactor part puts juice to the motor
brushes. An aircraft type contactor would do both at the same time
rather than sequentially. Have not dismantled one so I may be in error.
|
None of applications of an external contactor
proposed for modern starters "bypasses" functionality
of the built in solenoid/contactor. The
starter's built in solenoids do engage the pinion
gear before closing electrical connection for
the starter motor.
Variants to select from when using these modern
starters causes the builder to decide whether
the built in contactor is energized by the panel
mounted, START switch -OR- energized through a more
robust device.
There is a problem to be solved when the panel
mounted starter control is used to energize the
starter's built in contactor. Unlike legacy
'starter solenoids' controlling starters with
Bendix drives, the modern pinion engagement
solenoids have a very high coil current demand
during the first few milliseconds of being
energized. See: http://tinyurl.com/op5cs2g
Failure to recognize this difference in
solenoid/contator performance caused a
kerfuffle over burned start switch contacts
on the ACS-510 key swicch (clone of legacy
Bendix/Gerdes). ACS now sells a diode with two
terminals applied.
Emacs!
A critical need to install this diode across the
starter contactor engagement coil arose from the
alarming rate at which start contacts in the key
switch were destroyed by overstress when the legacy
starter/external contactor combo was replaced with
a light weight version with combination solenoid/
contactors. Many cars suffered similar failure modes
in their key-start switches.
SB92-01 from ACS originally place thier diode across
the switch contacts . . . wrong place. It was corrected
in a subsequent revision. See http://tinyurl.com/nva2xdy
B&C adopted the philosophy of jumpering the starter
solenoid coil right to the fat-wire terminal on
the starter . . . and controlling power to the
starter though a modern, starter contactor WITH
built in coil suppression diode. The external contactor's
inrush demands on the start switch are a small fraction
of that for direct control.
This philosophy posed a new problem when PM motor
starters began to show up on the airplane. PM motors
have a pronounced counter-emf during spin-down after
the power is removed. This would delay disengagement
of the pinion gear and was commonly called "starter
run on" . . . in fact it was better called "delayed
disengagement".
Starters with wound fields (B&C and some others)
do not suffer this indignity and function well with
the engagement solenoid jumpered directly to the
starter's fat-wire terminal.
In ANY case, the builder's design goals should
include providing a source of solenoid engagement
power that (1) is supplied through a low impedance
source (short and fatter than usual wires) and
(2) avoid running this power through the panel
mounted start switch.
If the starter is a PM version, the builder can
take advantage of the "I" terminal on many modern
starter cotactors and use it to SUPPLY current
to the engagement solenoid. This provides for
instant removal of coil power when the starter
switch is opened and prevents 'delayed disengagement'.
In this case, the builder would do well to have
diode coil suppression on BOTH the external contactor
coil AND the solenoid/contactor coil on the
starter.
Bob . . .
________________________________ Message 3 _____________________________________
Time: 07:29:28 AM PST US
From: "Robert L. Nuckolls, III" <nuckolls.bob(at)aeroelectric.com>
Subject: Re: Re: Boeing switches
At 07:29 AM 7/4/2013, you wrote:
| Quote: |
My two cents:
Using two parallel switches to prevent trim runaway seems
boneheaded, and wouldn't stand a thorough engineering fault-tree
review. Furthermore I'd bet that it never prevented ANY problem from occurring.
|
Whether or not a problem was demonstrably
prevented is irrelevant to the reliability
study. Good FMEA mitigation assumes that the
part WILL fail. Working out a logical means
by which single failures might go undetected
for no more than a single tank full of fuel
has been a time-honored legacy design goal.
| Quote: | Sure, I understand the intention, but I don't think it's good engineering.
|
they are not used in PARALLEL. In the Boeing
case, they are in series with one side controlling
direction, the other side in SERIES controlling power.
Each side can be explored for functionality
in pre-flight, neither side capable of causing
a runaway-by-sticking.
Beech (and many others) uses the two spdt
switches to handle one half of a PM motor UP-OFF-
DN switchin g duty. Again, both sides easily
evaluated in pre-flight, neither side capable
of causing a runaway-by-sticking.
Lear (and many others) uses the 'coolie hat' to
drive relays that DID offer a possibility for runaway-by-
sticking. But their systems architecture included
a wheel-master-disconnect that removed power from
all trim systems along with the autopilot. I AM
aware of trim runaways in aircraft fitted with
wheel master disconnects that would not have happened
if the airplane had been fitted with the split
trim switch where the WMD switch provided the
mitigation.
Bob . . .
________________________________ Message 4 _____________________________________
Time: 11:00:48 AM PST US
From: <berkut13(at)berkut13.com>
Subject: Narco Transponder Tray Coax Con nector
Can someone point me to the part number/source for a replacement
90-degree,
bulkhead, slide-on, coax connector used on the Narco AT-150 transponder
tray? Any of the usual suspects (Mouser, Digi-Key, Allied, etc) carry
them?
Thanks,
James
________________________________ Message 5 _____________________________________
Time: 11:05:43 AM PST US
From: "Jay Hyde" <jay(at)horriblehyde.com>
Subject: RE: Re: Boeing switches
Good argument Bob.... I use a switch on the panel to power the trim, but
that may be a bit far away for a quick reaction, before the trim lurks all
the way to the end.
Jay
--
| | - The Matronics AeroElectric-List Email Forum - | | | Use the List Feature Navigator to browse the many List utilities available such as the Email Subscriptions page, Archive Search & Download, 7-Day Browse, Chat, FAQ, Photoshare, and much more:
http://www.matronics.com/Navigator?AeroElectric-List |
|
|
|
| Back to top |
|
 |
decaclops(at)gmail.com Guest
|
Posted: Fri Jul 05, 2013 9:08 pm Post subject: solenoid wiring question |
|
|
Skip,
If I read you right, you are talking about bypassing the solenoid on the starter and wiring straight to the starter motor terminal. What then pulls the pinion gear forward to engage with the ring gear? The solenoid normally does that before the starter motor starts to spin. As the gear shaft bottoms, the contacts in the solenoid power up the motor. Even if the solenoid coil is backfed from the motor terminal and pulls the pinion gear up, the motor will already be spinning full bore. I'm guessing that chipped teeth on the ring gear are in your future. I'd wire it as Bob drew it.
Ed Holyoke
On 7/5/2013 2:26 PM, cardinalnsb wrote:
[quote] My previous question referenced figure 5 of Bob's diagram, it should have referenced figure 6. Corrected below.
Re figure 6 of Bob's diagram of adding a starter contactor upstream of the original starter solenoid:
Is there any reason not to wire the fat wire to the starter side of the old original starter solenoid, with a jumper from the fat wire terminal back to the old starter solenoid energizer terminal.
The point would be to eliminate the high current having to flow through the old starter solenoid disc, since the high current is being controlled by the new upstream starter contactor.
Thanks, Skip Simpson
In a message dated 07/05/13 03:12:33 Eastern Daylight Time, aeroelectric-list(at)matronics.com (aeroelectric-list(at)matronics.com) writes:
[quote] .aolmailheader {font-size:8pt; color:black; font-family:Arial} a.aolmailheader:link {color:blue; text-decoration:underline; font-weight:normal} a.aolmailheader:visited {color:magenta; text-decoration:underline; font-weight:normal} a.aolmailheader:active {color:blue; text-decoration:underline; font-weight:normal} a.aolmailheader:hover {color:blue; text-decoration:underline; font-weight:normal} *
==================================================
Online Versions of Today's List Digest Archive
==================================================
Today's complete AeroElectric-List Digest can also be found in either of the
two Web Links listed below. The .html file includes the Digest formatted
in HTML for viewing with a web browser and features Hyperlinked Indexes
and Message Navigation. The .txt file includes the plain ASCII version
of the AeroElectric-List Digest and can be viewed with a generic text editor
such as Notepad or with a web browser.
HTML Version:
[url=http://www.matronics.com/digest/digestview.php?Style=82701&View=html&Chapter 13-07-04&Archive=AeroElectric]http://www.matronics.com/digest/digestview.php?Style=82701&View=html&Chapter 13-07-04&Archive=AeroElectric[/url]
Text Version:
[url=http://www.matronics.com/digest/digestview.php?Style=82701&View=txt&Chapter 13-07-04&Archive=AeroElectric]http://www.matronics.com/digest/digestview.php?Style=82701&View=txt&Chapter 13-07-04&Archive=AeroElectric[/url]
============================ ====================
EMail Version of Today's List Digest Archive
================================================
----------------------------------------------------------
AeroElectric-List Digest Archive
---
Total Messages Posted Thu 07/04/13: 10
----------------------------------------------------------
Today's Message Index:
----------------------
1. 05:32 AM - Re: Boeing switches (Eric M. Jones)
2. 06:20 AM - Re: Re: Master Switch/Contactor and Starter Questions (Robert L. Nuckolls, III)
; 3. 07:29 AM - Re: Re: Boeing switches (Robert L. Nuckolls, III)
4. 11:00 AM - Narco Transponder Tray Coax Connector ()
5. 11:05 AM - Re: Re: Boeing switches (Jay Hyde)
6. 12:17 PM - Master/Battery/Alt Field vs. Master/Battery and Alt Field... (Michael Burbidge)
7. 02:48 PM - Low voltage indicator with dual alternators (donjohnston)
8. 02:57 PM - Re: Narco Transponder Tray Coax Connector (Bill Putney)
9. 03:22 PM - Re: Re: Boeing switches (Robert L. Nuckolls, III)
10. 03:42 PM - Re: Narco Transponder Tray Coax Connector ()
________________________________ Message 1 _____________________________________
Time: 05:32:21 AM PST US
Subject: Re: Boeing switches
From: "Eric M. Jones" <emjones(at)charter.net> (emjones(at)charter.net)
My two cents:
Using two parallel switches to prevent trim runaway seems boneheaded, and wouldn't
stand a thorough engineering fault-tree review. Furthermore I'd bet that it
never prevented ANY problem from occurring.
Sure, I understand the intention, but I don't think it's good engineering.
--------
Eric M. Jones
www.PerihelionDesign.com
113 Brentwood Drive
Southbridge, MA 01550
(508) 764-2072
emjones(at)charter.net
Read this topic online here:
http://forums.matronics.com/viewtopic.php?p=403912#403912
________________________________ Message 2 _____________________________________
Time: 06:20:29 AM PST US
From: "Robert L. Nuckolls, III" <nuckolls.bob(at)aeroelectric.com> (nuckolls.bob(at)aeroelectric.com)
Subject: Re: Re: Master Switch/Contactor and Starter Questions
At 07:13 PM 7/3/2013, you wrote:
><dgaldrich(at)embarqmail.com> (dgaldrich(at)embarqmail.com)
>
>I agree. It se ems pointless to have 2 solenoids operating at the
>same time. The other issue is that I believe the Subaru solenoid
>moves the gear before the contactor part puts juice to the motor
>brushes. An aircraft type contactor would do both at the same time
>rather than sequentially. Have not dismantled one so I may be in error.
None of applications of an external contactor
proposed for modern starters "bypasses" functionality
of the built in solenoid/contactor. The
starter's built in solenoids do engage the pinion
gear before closing electrical connection for
the starter motor.
Variants to select from when using these modern
starters causes the builder to decide whether
the built in contactor is energized by the panel
mounted, START switch -OR- energized through a more
robust device.
There is a problem to be solved when the panel
mounted starter control is used to energize the
starter's built in contactor. Unlike legacy
'starter solenoids' controlling starters with
Bendix drives, the modern pinion engagement
solenoids have a very high coil current demand
during the first few milliseconds of being
energized. See: http://tinyurl.com/op5cs2g
Failure to recognize this difference in
solenoid/contator performance caused a
kerfuffle over burned start switch contacts
on the ACS-510 key swicch (clone of legacy
Bendix/Gerdes). ACS now sells a diode with two
terminals applied.
Emacs!
A critical need to install this diode across the
starter contactor engagement coil arose from the
alarming rate at which start contacts in the key
switch were destroyed by overstress when the legacy
starter/external contactor combo was replaced with
a light weight version with combination solenoid/
contactors. Many cars suffered similar failure modes
in their key-start switches.
SB92-01 from ACS originally place thier diode across
the switch contacts . . . wrong place. It was corrected
in a subsequent revision. See http://tinyurl.com/nva2xdy
B&C adopted the philosophy of jumpering the starter
solenoid coil right to the fat-wire terminal on
the starter . . . and controlling power to the
starter though a modern, starter contactor WITH
built in coil suppression diode. The external contactor's
inrush demands on the start switch are a small fraction
of that for direct control.
This philosophy posed a new problem when PM motor
starters began to show up on the airplane. PM motors
have a pronounced counter-emf during spin-down after
the power is removed. This would delay disengagement
of the pinion gear and was commonly called "starter
run on" . . . in fact it was better called "delayed
disengagement".
Starters with wound fields (B&C and some others)
do not suffer this indignity and function well with
the engagement solenoid jumpered directly to the
starter's fat-wire terminal.
In ANY case, the builder's design goals should
include providing a source of solenoid engagement
power that (1) is supplied through a low impedance
source (short and fatter than usual wires) and
(2) avoid running this power through the panel
mounted start switch.
If the starter is a PM version, the builder can
take advantage of the "I" terminal on many modern
starter cotactors and use it to SUPPLY current
to the engagement solenoid. This provides for
instant removal of coil power when the starter
switch is opened and prevents 'delayed disengagement'.
In this case, the builder would do well to have
diode coil suppression on BOTH the external contactor
coil AND the solenoid/contactor coil on the
starter.
Bob . . .
________________________________ Message 3 _____________________________________
Time: 07:29:28 AM PST US
From: "Robert L. Nuckolls, III" <nuckolls.bob(at)aeroelectric.com> (nuckolls.bob(at)aeroelectric.com)
Subject: Re: Re: Boeing switches
At 07:29 AM 7/4/2013, you wrote:
>
>My two cents:
>
>Using two parallel switches to prevent trim runaway seems
>boneheaded, and wouldn't stand a thorough engineering fault-tree
>review. Furthermore I'd bet that it never prevented ANY problem from occurring.
Whether or not a problem was demonstrably
prevented is irrelevant to the reliability
study. Good FMEA mitigation assumes that the
part WILL fail. Working out a logical means
by which single failures might go undetected
for no more than a single tank full of fuel
has been a time-honored legacy design goal.
>Sure, I understand the intention, but I don't think it's good engineering.
they are not used in PARALLEL. In the Boeing
case, they are in series with one side controlling
direction, the other side in SERIES controlling power.
Each side can be explored for functionality
in pre-flight, neither side capable of causing
a runaway-by-sticking.
Beech (and many others) uses the two spdt
switches to handle one half of a PM motor UP-OFF-
DN switchin g duty. Again, both sides easily
evaluated in pre-flight, neither side capable
of causing a runaway-by-sticking.
Lear (and many others) uses the 'coolie hat' to
drive relays that DID offer a possibility for runaway-by-
sticking. But their systems architecture included
a wheel-master-disconnect that removed power from
all trim systems along with the autopilot. I AM
aware of trim runaways in aircraft fitted with
wheel master disconnects that would not have happened
if the airplane had been fitted with the split
trim switch where the WMD switch provided the
mitigation.
Bob . . .
________________________________ Message 4 _____________________________________
Time: 11:00:48 AM PST US
From: <berkut13(at)berkut13.com> (berkut13(at)berkut13.com)
Subject: Narco Transponder Tray Coax Con nector
Can someone point me to the part number/source for a replacement
90-degree,
bulkhead, slide-on, coax connector used on the Narco AT-150 transponder
tray? Any of the usual suspects (Mouser, Digi-Key, Allied, etc) carry
them?
Thanks,
James
________________________________ Message 5 _____________________________________
Time: 11:05:43 AM PST US
From: "Jay Hyde" <jay(at)horriblehyde.com> (jay(at)horriblehyde.com)
Subject: RE: Re: Boeing switches
Good argument Bob.... I use a switch on the panel to power the trim, but
that may be a bit far away for a quick reaction, before the trim lurks all
the way to the end.
Jay
--
| | - The Matronics AeroElectric-List Email Forum - | | | Use the List Feature Navigator to browse the many List utilities available such as the Email Subscriptions page, Archive Search & Download, 7-Day Browse, Chat, FAQ, Photoshare, and much more:
http://www.matronics.com/Navigator?AeroElectric-List |
|
|
|
| Back to top |
|
 |
|
|
You cannot post new topics in this forum You cannot reply to topics in this forum You cannot edit your posts in this forum You cannot delete your posts in this forum You cannot vote in polls in this forum You cannot attach files in this forum You can download files in this forum
|
Powered by phpBB © 2001, 2005 phpBB Group
|