 |
Matronics Email Lists Web Forum Interface to the Matronics Email Lists
|
| View previous topic :: View next topic |
| Author |
Message |
rv8ch
Joined: 10 Jan 2006 Posts: 250 Location: Switzerland
|
Posted: Thu Oct 26, 2017 5:22 am Post subject: Bench tester to simulate an alternator |
|
|
Hi,
Does anyone have a recommendation for a bench tester to see how lifepo4 batteries behave during an overvoltage event? Thinking about buying various brands of lifepo4 batteries and subjecting them to some overvoltage to see how they handle it. For science, of course.
Thanks,
Mickey
http://rv8.ch/
| | - The Matronics AeroElectric-List Email Forum - | | | Use the List Feature Navigator to browse the many List utilities available such as the Email Subscriptions page, Archive Search & Download, 7-Day Browse, Chat, FAQ, Photoshare, and much more:
http://www.matronics.com/Navigator?AeroElectric-List |
|
_________________ Mickey Coggins
http://www.rv8.ch/ |
|
| Back to top |
|
 |
nuckolls.bob(at)aeroelect Guest
|
Posted: Thu Oct 26, 2017 6:33 am Post subject: Bench tester to simulate an alternator |
|
|
At 08:13 AM 10/26/2017, you wrote:
| Quote: | Hi,
Does anyone have a recommendation for a bench tester to see how lifepo4 batteries behave during an overvoltage event? Thinking about buying various brands of lifepo4 batteries and subjecting them to some overvoltage to see how they handle it. For science, of course.
Thanks,
Mickey
http://rv8.ch/ |
Sure, a beefy constant V, constant I power supply is the
tool of choice for output currents of 50 amps or so.
Supplies large enough to emulate runaway alternators
are getting harder to find.
I've had one of these on my bench for about 15 years
http://tinyurl.com/yaab7r95
a more modern device might be more to liking
http://tinyurl.com/y82h9vmm
Actually, since you're emulating a runaway
alternator, perhaps tight control over voltage
is unnecessary. You just need a current source
with an open circuit voltage substantially
greater than the battery.
Perhaps a couple of 24v, 20A supplies in parallel
http://tinyurl.com/y7yj2468
You could rig an array of paralleled
light bulbs with switches to serve as an
adjustable, power resistor to give some
control over current to the battery. Alternatively,
you can buy 50w power resistors really cheap
off banggood.com
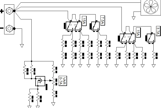
Here's an exemplar switched resistor load bank I built
for a customer
[img]cid:.0[/img]
Resistors are mounted on 1/8 alum plates and force
air cooled. The little collection of parts in the
lower left corner are a zero-to-max variable load
used in combination with switches to 'dial in' what
ever load you wish to run at.
Bob . . .
| | - The Matronics AeroElectric-List Email Forum - | | | Use the List Feature Navigator to browse the many List utilities available such as the Email Subscriptions page, Archive Search & Download, 7-Day Browse, Chat, FAQ, Photoshare, and much more:
http://www.matronics.com/Navigator?AeroElectric-List |
|
| Description: |
|
| Filesize: |
97.57 KB |
| Viewed: |
4284 Time(s) |

|
|
|
| Back to top |
|
 |
rv8ch
Joined: 10 Jan 2006 Posts: 250 Location: Switzerland
|
Posted: Thu Oct 26, 2017 8:23 am Post subject: Bench tester to simulate an alternator |
|
|
| Quote: | ...
 Actually, since you're emulating a runaway
 alternator, perhaps tight control over voltage
 is unnecessary. You just need a current source
 with an open circuit voltage substantially
 greater than the battery.
 Perhaps a couple of 24v, 20A supplies in parallel
http://tinyurl.com/y7yj2468
 Â
|
Great idea - I think I can find plenty of these laying in our scrap server pile - thanks a bunch!
Â
| | - The Matronics AeroElectric-List Email Forum - | | | Use the List Feature Navigator to browse the many List utilities available such as the Email Subscriptions page, Archive Search & Download, 7-Day Browse, Chat, FAQ, Photoshare, and much more:
http://www.matronics.com/Navigator?AeroElectric-List |
|
_________________ Mickey Coggins
http://www.rv8.ch/ |
|
| Back to top |
|
 |
|
|
You cannot post new topics in this forum You cannot reply to topics in this forum You cannot edit your posts in this forum You cannot delete your posts in this forum You cannot vote in polls in this forum You cannot attach files in this forum You can download files in this forum
|
Powered by phpBB © 2001, 2005 phpBB Group
|