 |
Matronics Email Lists Web Forum Interface to the Matronics Email Lists
|
| View previous topic :: View next topic |
| Author |
Message |
werner schneider
Joined: 24 May 2021 Posts: 62
|
Posted: Thu Jan 11, 2024 5:58 am Post subject: Z101B and battery in the rear wiring question |
|
|
Hi folks,
I have an additional question here concerning Z101 which I use in my RV-10
| | - The Matronics AeroElectric-List Email Forum - | | | Use the List Feature Navigator to browse the many List utilities available such as the Email Subscriptions page, Archive Search & Download, 7-Day Browse, Chat, FAQ, Photoshare, and much more:
http://www.matronics.com/Navigator?AeroElectric-List |
|
|
|
| Back to top |
|
 |
werner schneider
Joined: 24 May 2021 Posts: 62
|
Posted: Fri Jan 19, 2024 7:09 am Post subject: Z101B and battery in the rear wiring question |
|
|
Good morning,
there is not a lot of echo on my question, I would appreciate if the "usual suspects" could give me a short feedback if I'm on the right way to reduce wire runs.
Many thanks for your help, plan is to crimp the wires next week
Cheers Werner
On 11.01.2024 14:57, Werner Schneider wrote:
| Quote: | Hi folks,
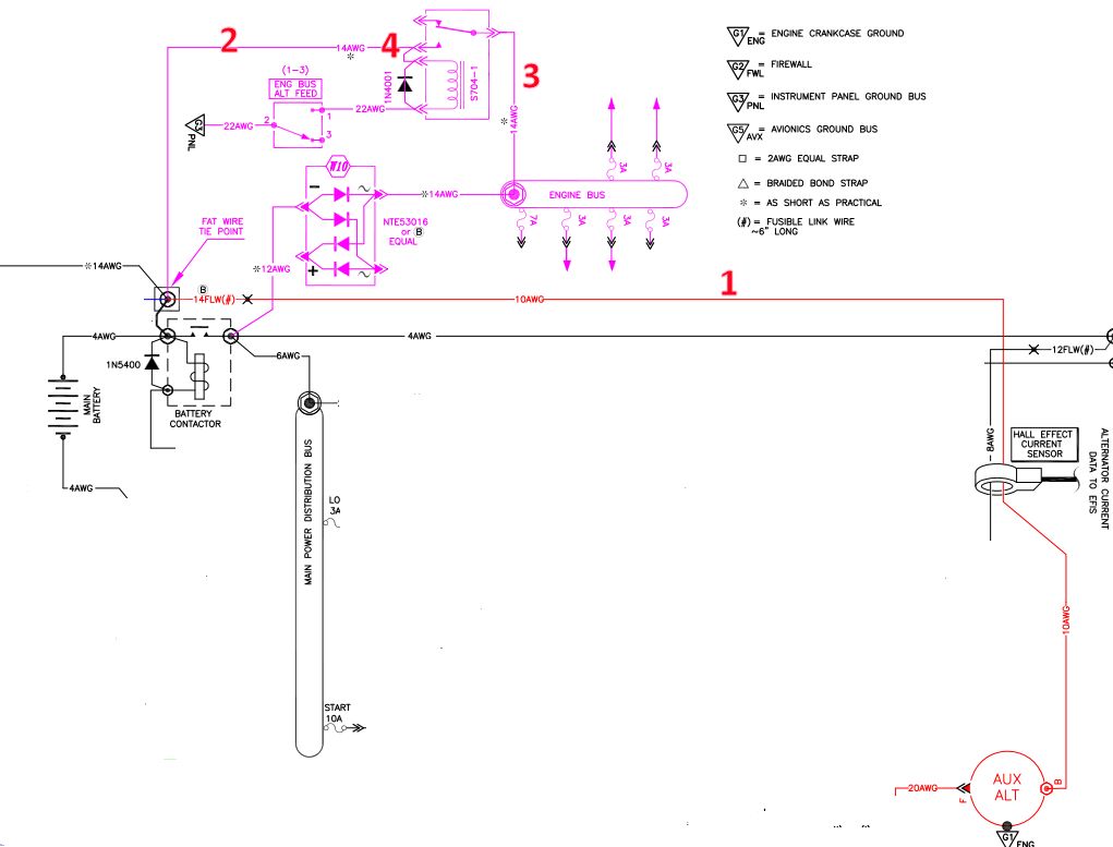
I have an additional question here concerning Z101 which I use in my RV-10.
On the RV-10 the battery is behind the baggage compartment so that brings some question concerning wiring here the part of Z101 which shows that:
[img]cid:part1.xfEMePld.U60UWSQT(at)gmx.net[/img]
The wire marked with 1 (feed line aux alternator) would be about 14 feet long, I plan to protect that wire with an ANL 40A fuse on the FW close to the alternator, but it would be always (unfused) hot on the other side as the battery is directly hooked to that wire.
The wire marked with 2 could be very short if the relay 704-1 is placed close to the battery
The wire marked with 3 would be again about 12 feet long, but would only be hot when either relay is on.
In this situation I would have 3 wire runs along these 12 feet #1, #3 and the starter wiring (I use 2 AWG there because of length) and #1 and the short #2 would always be hot.
Now I could reduce the wire runs, if I would move the Alt Bus feed relay (704-1) to the front and hook #1 wire directly on point #4 to the relay, I would still have the long #2 and the short #1 wire hot. But in summary its still one hot wire run along the fuselage.
I could mitigate that by moving the ANL fuse to the rear, but introducing a risk, if the Aux alternator is on, that the protection of the wire is on the other end of the source (Aux alternator).
Many thanks for the consideration and tips on that question what is best or common practice.
Cheers from Switzerland
Werner
|
| | - The Matronics AeroElectric-List Email Forum - | | | Use the List Feature Navigator to browse the many List utilities available such as the Email Subscriptions page, Archive Search & Download, 7-Day Browse, Chat, FAQ, Photoshare, and much more:
http://www.matronics.com/Navigator?AeroElectric-List |
|
| Description: |
|
| Filesize: |
73.3 KB |
| Viewed: |
5325 Time(s) |

|
|
|
| Back to top |
|
 |
|
|
You cannot post new topics in this forum You cannot reply to topics in this forum You cannot edit your posts in this forum You cannot delete your posts in this forum You cannot vote in polls in this forum You cannot attach files in this forum You can download files in this forum
|
Powered by phpBB © 2001, 2005 phpBB Group
|