By Matronics WEBPAGE UPDATED: September 27, 2003!

The Sony XDP-4000X
4kControl by Matronics allows the owner of Sony's XDP-4000X digital preamplifier to precisely control all of the unit's adjustable parameters. Controls are laid out in an intuitive manner and adjustments are made in a manner similar to a conventional Analog Equalizer. 4kControl allows the user to download and upload all settings in the XDP-4000X's 10 memory locations as well as save and load the settings to disk file. Adjustments to the DSP's 20 bands can be made individually and include the Level, Center Frequency, and Q Value (width of band). The "Link L & R" check box can be used to lock the Right Channel controls to that of the Left Channel during the adjustment.
For information or questions regarding the development of 4kControl, please feel free to contact the author via email:
Matt Dralle - dralle@matronics.com
UPDATE: September 27, 2003
Added new section with Service Manual PDFs for the XDP-4000x, CDX-C90, CDX-C910, and the XDP-210EQ. See "Service Manuals..." below.
UPDATE: November 19, 2002
Removed the expiriation verbiage from the 4kControl download section. Beta 2 will no longer give expiration warning. Further development on the 4kControl application is currently on hold.
UPDATE: October 20, 2002
Added some additional photos of the internals of the XDP4000x in the section entitled "Misc. Information on the Sony...".
UPDATE: June 2, 2002
Added a new section on building a custom active Fiber Optic Combiner/Splitter that can be used in conjunction with Sony's XA-C30 UniLink splitter and CD Changers with fiber optic output. Included are pictures of the unit along with schematics of the circuit. Also allows the use one or more fiber optic sources with multiple XDP-4000x processors without having to utilize the passive optic splitters. Passive splitters do not work well with the relitively low optical output power from the Sony Changers. For complete details, see the section below entitled: "Building an Active Fiber Optic Combiner/Splitter...".
UPDATE: May 20, 2002
Added some photos of the internals of the XDP4000x in the section entitled "Misc. Information on the Sony...".
UPDATE: January 8, 2002
Added a download link in the "Sony's Digital Sound Creator (DSC)" section below for Version 3.03h of the Sony DSC software.
Added new "Special XDP-4000X RS232 Cable Sources" section below that Lists a number of sources for the odd cable required to connect a PC to the XDP-4000x.
UPDATE: December 22, 2001
Added a download link in the "Sony's Digital Sound Creator (DSC)" section below for the Setup Manual for the Sony DSC software.
UPDATE: September 10, 2001
Developement of Beta 3 has been put on hold to focus on other projects. The Windows Crashing bug detailed below has been resolved, but the version is not in a form that can be released for preview. Many controls don't work or work incorrectly and Xover data cannot be written to or read from the 4000x's Memory Locations or disk file. The possibility of additional XOver points has still not been tested at this point. At this time there is no ETA for the Beta 3 version.
Anyone with significant Windows Visual C++ skills that might be interested in working on the continued development of my 4kControl application is encouraged to contact me via email at Matt Dralle dralle@matronics.com to discuss possible co-development options.
The Beta 2 version has had the timer extended until September of 2002. Feel free to download this version for trial and EQ programming.
I've added a little download surprise to the DSC section at the bottom.
UPDATE: February 13, 2001
Beta 3 has a serious bug that causes Windows to crash and release has been postponed.
Sorry, still no news on the XO settings. A number of people have asked what the XO settings will be if it is possible to increase the number of available choices. The register in the 4k that stores this information is an 8-bit byte, capable of representing any number from 0 through 255. Therefore there could be as many as 255 options. Note however, that this will have to represent values from 0hz to 20khz. Simple math would say that this would be about 78hz/value, but this isn't true. Other values such as the Center Freq. adjustment are represented in a simi-logrithmic layout and are selected from a static table. i.e. The difference between settings at the low end will be less than at the high end.
Sorry, no ETA on the Beta 3 release at this point. This is code development guys, nothing is definate... :-) I have put up a new version of Beta 2 that will be good for a while longer.
UPDATE: January 31, 2001
New beta 3 coming very soon! Hopefully just a week or so away. The all new combined EQ and XO dialog is also now shown above. I've run into a resource limitation in Visual C++ where I cannot add anymore control widgets to the main dialog box. Fortunately, I was able to get all of the neceassry functions on. I would have like to have added 10s and 100s spin dials for the Distance and Q as well as some labels for these, but... I may add a pop-up dialog that has some advanced configuration, but not for Beta 3. Still haven't tested the XO section for the availablity of addtional XO points. Soon, though. If all goes well, I'll have Beta 3 out before Beta 2 expires on Feburary 11th 2001. Hang in there gang, your gonna love the new layout!
UPDATE: November 18, 2000
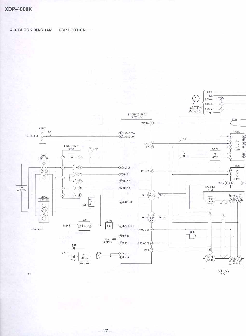
Sony's Service Manual on the XDP-4000X shows that the Sony DSP semiconductor # CXD2711Q is used in the Crossover section. The chip is described as:
"Sony's proprietary CXD-2711 LSI utilizes FIR and Fast Fourier Transform (FFT) processing for frequency division with near infinite attenuation (-72dB/Oct) free from phase shift degradation."
This, unfortunately, is about the only "technical information" I could locate on the chip. I was hoping to find a technical description of the crossover operation and how it was programmed internally. Looks like trial and error and a bit of reverse engineering will still be required...
Added new "Misc Information" section with a number of XDP-4000X information URLs.
Added new "XDP-4000X Block and Schematic Diagrams" download section below!
Added link in the Subscribe Section to the XDP-4000X Email List Archive Search page.
UPDATE: November 11, 2000
Beta version now online. EQ Controls Only. Development of crossover controls continues.
NEW EMAIL LIST forum for the XDP4000X now available! Includes archive searching capabilities. See below for more information.
UPDATE: October 28, 2000
The EQ portion of 4kControl is now complete. A beta test version that will control the EQ portion of the 4000X only will be available in a few days. Development on the Crossover dialog is underway...
UPDATE: September 27, 2000
The Dialog for the EQ Control screen is complete. The reverse engineering of the 4000X control protocol is complete and available for download below. Development of the RS232 interface code and controls activation for the EQ portion of 4kControl is currently underway...
4kControl Version 1.0 Beta 2
This is a beta version of the 4kControl Utility. Includes EQ controls, but no XOver functions. Currently no experiation date since development is on hold.
- 4kControl Version 1.0 Beta 2 Download: Download Page
XDP-4000X Email List Forum
I have setup a Majordomo-style email list forum for discussions on the Sony XDP-4000X and the 4kControl Application. Please feel free to subsubscribe and communicate with others that own the Sony XDP-4000X Digital Preamplifier. I will post information on updates to the 4kControl application to this Email List. To subscribe, follow the directions found at:
- XDP-4000X Email List Forum: Subscribe to the XDP-4000X Email List
- XDP-4000 Email List Archive: Search the XDP-4000x Archive
XDP-4000X Control Protocol Reverse Engineered
This document details all of the known control sequences involved in controlling the Sony XDP-4000X Digital Preamplifier via the RS232 serial port. All of the sequences were obtained using DSC, a serial breakout box and an analyzer. Information was determined by adjusting each parameter between its full range and documenting the affected data byte(s). Information is accurate to the best of the author's knowledge. Additional information or corrections are welcomed.
- Download MS Word File: XDP-4000X-ControlProtocol.doc
"Special" XDP-4000X RS232 Cable Sources
Belkin Null-Modem Cable IOGear USB/Serial Adapter
There's some confusion over what kind of cable to use when connecting a Laptop PC to the XDP-4000X via the RS232 port. The cable required is a "DB9 Female to Female, PC to PC File Transfer Cable". This is essentially a NULL modem RS232 cable with female connectors on each end. Below are a number of sources for the correct cable type.
Also, a number of people have complained that their new laptop doesn't have any traditional DB9 serial ports. As long as it has a USB 1.0 or 2.0 port, there shouldn't be problem. You'll need a USB-to-Serial adapter and there are a number of these on the market. I have personally tested the IOGear Model # GUC232A and have had great success with it. Below is a link to the Best Buy website where they can be had for about $30.
NOTE: Best Buy no longer seems to carry the IOGear version of this USB to RS232 adapter. CompUSA has a very similar product by Keyspan. This part is listed below and is functionally the same as the IOGear part.
Special Null-Modem Serial Cable Belkin - Pro Series, 6 ft: Serial Direct Cable - 6 ft - Belkin Part #: F3B207-06 Belkin - Pro Series, 10 ft: Serial Direct Cable - 10 ft - Belkin Part #: F3B207-10 USB to Serial Adapter Keyspan USB/Serial Adapter: Keyspan USB Serial Adapter - MFG # USA-19HS
Misc. Information on the Sony XDP-4000X
- For those interested in what's inside that big silver box known as an XDP-4000x, below are a couple of photos with the two top covers removed. Don't try this at home...
XDP-4000x XDP-4000x
- Here are some detailed photos of the RS232 connector and wiring on the inside of the XDP-4000x...
RS232 Wiring RS232 Wiring RS232 Wiring RS232 Wiring RS232 Wiring RS232 Back RS232 Front XDP Exploded
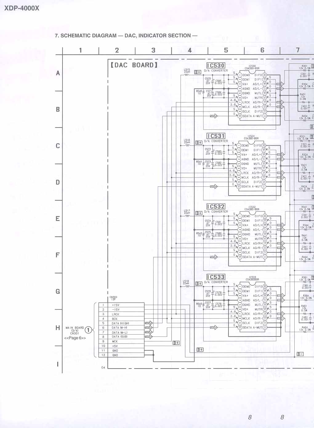
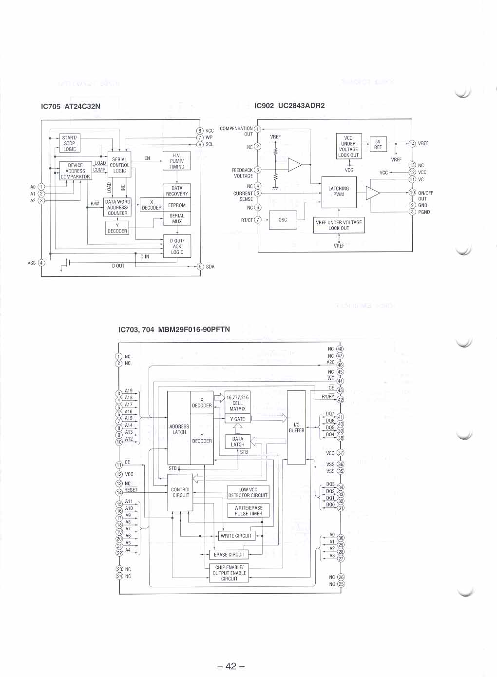
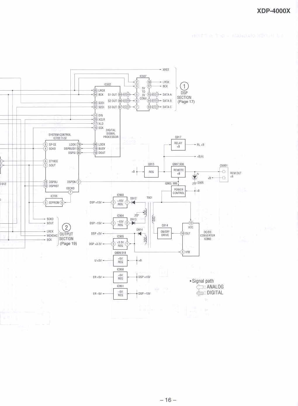
XDP-4000X Block and Schematic Diagrams
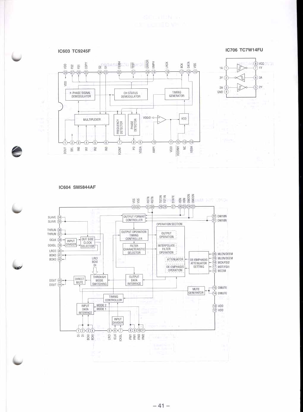
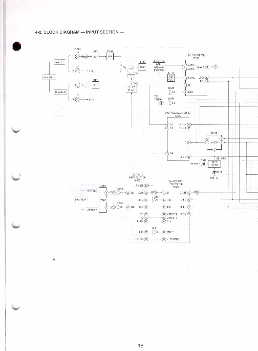
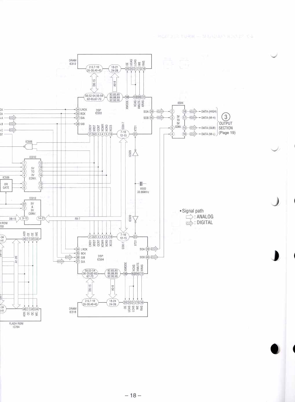
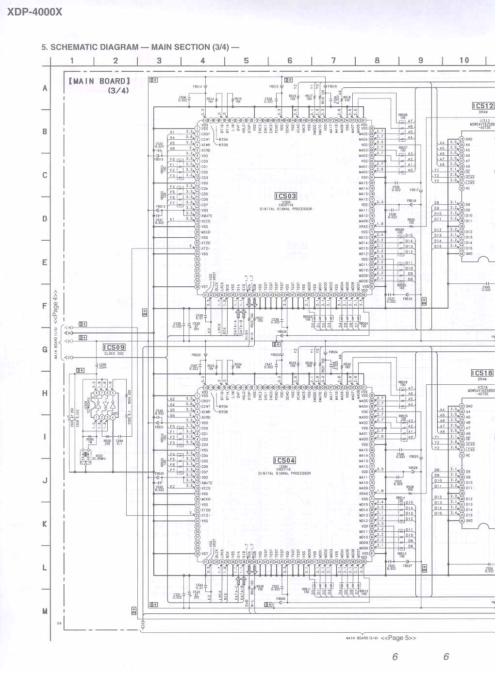
The following links provide Block and Schematic Diagrams of the XDP-4000X. Note that there are two different "Hardware Revs" of the XDP-4000X and you need to get the proper set of diagrams for your unit. Here's how you tell which one you have. On the Each PC Board there is a part number in one corner. The revision and part number for each assembly are detailed below:
XDP-4000X Revisions
Revision 1 XDP-4000X - Main Board Part Number: 1-671-416-11 Revision 2 XDP-4000X - Main Board Part Number: 1-671-416-13 Revision 1 XDP-4000X - DAC Board Part Number: 1-671-417-11 Revision 2 XDP-4000X - DAC Board Part Number: 1-671-417-13 Revision 1 XDP-4000X - Indicator Board Part Number: 1-671-415-11 Revision 2 XDP-4000X - Indicator Board Part Number: 1-671-415-13 Each bitmap below is scanned at 150 DPI which should print nicely on a single sheet of 8.5" x 11" paper. You will have to use some appication like MS Paint to print them, however, as web browser's convert the image to 75 DPI and the image won't fit on a single page (and the resolution will be poor). You can click on each page below, or download the ZIP file that contains all of the images.
- Revision 1 XDP-4000X Images
- All Revision 1 images ZIP'd together: Rev1-XDP-4000X.zip - 2.1MB
- Manual Page -
07 - 15 - 16 - 17 - 18 - 19 - 20 - 25 - 26 - 27 - 28
29 - 30 - 31 - 32 - 33 - 34 - 39 - 40 - 41 - 42
Note 1: Only pages containing Block or Schematic Diagrams are included above.
- Revision 2 XDP-4000X Images
- All Revision 2 images ZIP'd together: - Rev2-XDP-4000X.zip - 1.2MB
- Manual Page -
4-1 - 4-2 - 5-1 - 5-2 - 6-1 - 6-2 - 7-1 - 7-2 - 8-1 - 8-2
Note 2: Revision 2 file only contain pages that differ from Revision 1.
Service Manuals
The following links provide access to the Sony Service Manuals for the XDP-4000x, CDX-C90, CDX-C910, and XDP-210EQ units. Use either the HTML or FTP links to download the PDF files.
XDP-4000x Service Manual (5.33MB) HTML FTP CDX-C90 Service Manual (10MB) HTML FTP CDX-C910 Service Manual (12.4MB) HTML FTP XDP-210EQ Service Manual (6.1MB) HTML FTP
Sony's Digital Sound Creator (DSC)
For those curious about Sony's Digital Sound Creator (DSC), below are a couple of screen shots of the EQ and Crossover dialogs from that application. Someone recently emailed me a PDF of the setup manual for DSC and there is a link below for it. I found DSC extremely hard to use and difficult to satisfactorily adjust the XDP-4000X. I spent hours tweaking parameters and was still unsatisfied with the sound, not to mention frustrated with the interface. Out of this frustration, I was inspired to create the utility 4kControl as described above.
* This is available here only for evaluation purposes. You should contact Sony to purchase this software, user's guide, and the necessary cabling.
- DSC Version 3.03h
- DSC Software - Version 3.03h - Evaluation Download: SonyDSCVersion3.03 *
- DSC Version 2.0
- DSC Software - Version 2.0 - Evaluation Download: SonyDSCVersion2.0.zip *
- DSC Setup Manual: DSC-Setup.pdf
- DSC EQ Dialog: SonyDSC-EQ.jpg
- DSC Crossover Dialog: SonyDSC-XOver.jpg
Building an Active Fiber Optic Combiner/Splitter...
In my latest 2001 Corvette System Installation, I utilized Sony's XA-C30 UniLink splitter which allows you to connect up to 3 UniLink CD Changers to a single deck. The XA-C30 works well, but when combined with a CD Changer such as the CDX-848x with optical output, it poses an interesting problem. While trying to combine the three fiber optic outputs from the three Sony CDX-848x changers, I quickly found that using the passive optic splitters available at Radio Shack and other sources didn't work well at all. The light level from the Sony changers is on the low side and when using two of the RS splitters, there wasn't enough light left to reliably drive the XDP-4000x fiber optic input. I was also using two XDP-4000x units in the installation, one for the front, and another for the rear. This would require that the light be split again to go to the respective XDP-4000x and would drop the light level even further.
Radio Shack sells a "TOSLINK Fiber Optic Amplifier", but I quickly found that the Optic Receiver Modules used in these devices are very poor quality and would "glitch" quite often even when no signal was present and this would cause very noticeable dropouts and glitches in the audio.
I did some research and located some extremely high quality TOSLINK Receiver/Transmitter modules from Toshiba (TORX176 and TOTX176). These modules are of excellent design and do not glitch, even under very noisy conditions. I've included the technical specification documents for each of these units below. They are in PDF format.
NEW INFO: I have discovered a newer part called the TORX179 and TOTX179. These are just as good as the -176 parts, but are somewhat cheaper at about $3.00US Qty 1. Best of all you can get them from Digikey!! Here is a link to the Digikey website: http://www.digikey.com.
![]()
  Toshiba TOTX176 Transmitter Module (PDF Format)
![]()
  Toshiba TORX176 Receiver Module (PDF Format)
I prototyped a logical combiner/splitter circuit using standard 74HCxx CMOS logic chips. The circuit can be seen in the PDF diagram link below. I used a large 1000uf filter capacitor along with a generous number of .1uf decoupling capacitors and an LM7805 3-pin regulator in the circuit and have had absolutely no problems with glitching. Both the PC board and the plastic enclosure are available at Radio Shack and with the proper placement of the various components, makes a very tidy custom fit housing for the unit.
![]()
Active Fiber Optic Combiner/Splitter Schematic (PDF Format)
![]()
Prototype PC Board - Top
![]()
Prototype PC Board - Top Closeup
![]()
Prototype PC Board - Bottom Wiring
![]()
Prototype PC Board - Bottom Wiring Closeup
Both the PC board and the plastic enclosure are available at Radio Shack and with the proper placement of the various components, makes a very tidy custom fit housing for the unit.
![]()
Prototype Enclosure - Triple Inputs
![]()
Prototype Enclosure - Triple Inputs
![]()
Prototype Enclosure - Dual Outputs
The reason the combiner circuit works in this particular TOSLINK environment is due to the fact that the Fiber Optic Outputs on the Sony CD Changers are switched off when they are not playing. Normal TOSLINK output devices such as a DVD player or a Satellite receiver do not switch off the LED when there is no audio present but rather leave it on with a carrier signal all the time. Thanks to Sony's insight in turning the LED off when the Changer is not selected and playing, it enables the Combiner/Splitter circuit to work quite nicely.
Having dual TOSLINK outputs to drive the front and rear XDP-4000xs simplifies the wiring and increases reliability by not splitting the optic signal. The combiner/splitter circuit dropped my fiber optic patch cable count from six to five. The money saved on the extra fiber cable, three passive splitters, and at least one or two optic amplifiers way more than pays for all the parts used in the Active Combiner/Splitter! And its just so much cooler! So get out your soldering iron and have at it!
If you have any questions on the circuit, please feel free to contact me via email at:
Matt Dralle - dralle@matronics.com